FX-2-Rev03.pdf - 第123页
- 118 - REF.NO NOTE PART NO D E S C R I P T I O N 品 名 Qty 1 400-77089 L-HEAD SERI PARA CABLE ASM L − HEAD SERI / PARA ケーブル組 1 2 400-77022 XYL-2 BEAR CABL E XYL −2 ベアケーブル 1 3 400-02185 HIGHT SENSOR CABLE ASM HMS アンプケーブル組 …

- 117 -
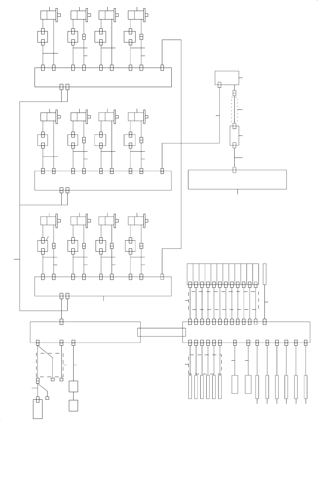
59.SYSTEM DIAGRAM (3)
SYSTEM DIAGRAM(3)
004:3C
XY BEAR CABLE (L)
LNC60L-CN1
ZTAL-CN5CN5
LNC60 L
LNC60CH2CH1
IEEE1394a
REPEATER L
CN1
CH1
IEEE1394a
BOARD
CN34
CN21
CN6 HDRL-6
Z6L BLW SV
CN13 HDRL-13
Z6L VAC SV
CN5 HDRL-5
Z5L BLW SV
CN12 HDRL-12
Z5L VAC SV
CN4 HDRL-4
Z4L BLW SV
CN11 HDRL-11
Z4L VAC SV
CN3 HDRL-3
Z3L BLW SV
CN10 HDRL-10
Z3L VAC SV
CN2 HDRL-2
Z2L BLW SV
CN9 HDRL-9
Z2L VAC SV
CN1 HDRL-1
Z1L BLW SV
HDRL-18 CN18
NOZZLE DOWN
SENSOR R(L)
HDRL-32 CN32
Z6L VAC SENSOR
HDRL-31 CN31
Z5L VAC SENSOR
HDRL-30 CN30
Z4L VAC SENSOR
HDRL-29 CN29
Z3L VAC SENSOR
HDRL-28 CN28
Z2L VAC SENSOR
CN19 HDRL-19
CN8 HDRL-8
HDRL-16 CN16
HDRL-27 CN27
NOZZLE DOWN
SENSOR L(L)
Z1L VAC SENSOR
NZLUPSV(L)
Z1L VAC SV
HEAD RELAY PCB (L)
01-5C
CN804
01-5A
CN803A
05-4C
LZLMT
XYL-2 BEAR CABLE
ASM 4/4
CN12
CN8
CN1
CN852
HIGHT
MEASURE
SENSOR
AMP
HDML-8
HDML -1
006:1B
CN803IO5CN5
I/O CONTROL PCB(1/2)
ZTAL-CNP2D
ZTAL-CN2D
Z2PL
003:4A
CN8
CN2
MRL1-2
MOTOR RELAY
PCB(L1)
CNP2D
CN2D
Z2 MOTOR L
HC-BH0336LW4-S1
ZTAL-CNP2C
ZTAL-CN2C
T2PL
003:4A
CN8
CN2
MRL2-2
MOTOR RELAY
PCB(L2)
CNP2C
CN2C
ZTAL-CNP2B
ZTAL-CN2B
Z1PL
003:3B
CN7
CN1
MRL1-1
MOTOR RELAY
PCB(L1)
CNP2B
CN2B
Z1 MOTOR L
HC-BH0336LW4-S1
CN4DZTAL-CN4D
CN25HDRL-25
Z6L NEAR SENSOR
CN24HDRL-24
Z5L NEAR SENSOR
CN23HDRL-23
Z4L NEAR SENSOR
CN22HDRL-22
Z3L NEAR SENSOR
CN21HDRL-21
Z2L NEAR SENSOR
CN20HDRL-20
Z1L NEAR SE NSOR
003:3A
003:3A
ZTAL-CNP2A
ZTAL-CN2A
002:5A
T1PL
003:3B
CN7
CN1
MRL2-1
MOTOR RELAY
PCB(L2)
CNP2A
CN2A
T1 MOTOR L
HC-BP0136D-S1
ZTA SERVO
AMP L(3/3)
MR-MD100
CN4BZTAL-CN4BHDML-13CN13
HEAD MAIN PCB (L)
1
23
4
5
6
17
11 14
15
16
12
T2 MOTOR L
HC-BP0136D-S1
13
9
108
7
19
ZTBL-CN4B CN4B
ZTB SERVO
AMP L(3/3)
MR-MD100
T3 MOTOR L
HC-BP0136D-S1
CN2A
CNP2A
MOTOR RELAY
PCB(L2)
MRL2-3
CN3
CN9
003:4B
002:5B
ZTBL-CN2A
003:4A
003:4A
ZTBL-CN4D CN4D
Z3 MOTOR L
HC-BH0336LW4-S1
CN2B
CNP2B
MOTOR RELAY
PCB(L1)
MRL1-3
CN3
CN9
003:4B
Z3PL
ZTBL-CN2B
ZTBL-CNP2B
CN2C
CNP2C
MOTOR RELAY
PCB(L2)
MRL2-4
CN4
CN10
003:5A
ZTBL-CN2C
Z4 MOTOR L
HC-BH0336LW4-S1
CN2D
CNP2D
MOTOR RELAY
PCB(L1)
MRL1-4
CN4
CN10
003:5A
Z4PL
ZTBL-CN2D
ZTBL-CNP2D
CN5 ZTBL-CN5
2321
18
22
26
25
27
24
T4 MOTOR L
HC-BP0136D-S1
20
003:3B
003:3B
29
003:4B
ZTCL-CN4B CN4B
ZTC SERVO
AMP L(3/3)
MR-MD100
T5 MOTOR L
HC-BP0136D-S1
CN2A
CNP2A
MOTOR RELAY
PCB(L2)
MRL2-5
CN5
CN11
003:5B
002:5B
ZTCL-CN2A
003:5A
003:5A
ZTCL-CN4D CN4D
Z5 MOTOR L
HC-BH0336LW4-S1
CN2B
CNP2B
MOTOR RELAY
PCB(L1)
MRL1-5
CN5
CN11
003:5B
Z5PL
ZTCL-CN2B
ZTCL-CNP2B
CN2C
CNP2C
MOTOR RELAY
PCB(L2)
MRL2-6
CN6
CN12
ZTCL-CN2C
Z6 MOTOR L
HC-BH0336LW4-S1
CN2D
CNP2D
MOTOR RELAY
PCB(L1)
MRL1-6
CN6
CN12
Z6PL
ZTCL-CN2D
ZTCL-CNP2D
CN5 ZTCL-CN5
34
003:4B
32
28
31
37
35
36
33
T6 MOTOR L
HC-BP0136D-S1
30
38
40 41
42 4344454647
39
48
49
50
54
51
52
53
55

- 118 -
REF.NO NOTE PART NO D E S C R I P T I O N
品 名
Qty
1 400-77089 L-HEAD SERI PARA CABLE ASM
L − HEAD SERI / PARA ケーブル組
1
2 400-77022 XYL-2 BEAR CABLE
XYL −2 ベアケーブル
1
3 400-02185 HIGHT SENSOR CABLE ASM
HMS アンプケーブル組
1
4 400-77108 Z(L) NEAR DI CABLE ASM
Z(L)ニア DI ケーブル組
1
5 400-44535 4AXIS SERVO AMP
4軸一体型サーボアンプ
1
6 400-77056 T(L) ENCODER EXTENSION CABLE ASM
T(L)エンコーダ延長ケーブル組
1
7 400-47535 MOTOR RELAY PCB ASM
モータリレー基板組
1
8 400-44533 SERVO MOTOR 10W
サーボモータ10 W
1
9 400-77109 Z(L) ENCODER EXTENSION CABLE ASM
Z(L)エンコーダ延長ケーブル組
1
10 400-44534 SERVO MOTOR 30W
サーボモータ30 W
1
11 400-77110 Z(L) MOTOR EXTENSION CABLE ASM
Z(L)モータ延長ケーブル組
1
12 400-77056 T(L) ENCODER EXTENSION CABLE ASM
T(L)エンコーダ延長ケーブル組
1
13 400-44533 SERVO MOTOR 10W
サーボモータ10 W
1
14 400-77054 T(L) MOTOR EXTENSION CABLE ASM
T(L)モータ延長ケーブル組
1
15 400-77109 Z(L) ENCODER EXTENSION CABLE ASM
Z(L)エンコーダ延長ケーブル組
1
16 400-77110 Z(L) MOTOR EXTENSION CABLE ASM
Z(L)モータ延長ケーブル組
1
17 400-44534 SERVO MOTOR 30W
サーボモータ30 W
1
18 400-77056 T(L) ENCODER EXTENSION CABLE ASM
T(L)エンコーダ延長ケーブル組
1
19 400-44533 SERVO MOTOR 10W
サーボモータ10 W
1
20 400-77109 Z(L) ENCODER EXTENSION CABLE ASM
Z(L)エンコーダ延長ケーブル組
1
21 400-44534 SERVO MOTOR 30W
サーボモータ30 W
1
22 400-77110 Z(L) MOTOR EXTENSION CABLE ASM
Z(L)モータ延長ケーブル組
1
23 400-44533 SERVO MOTOR 10W
サーボモータ10 W
1
24 400-77056 T(L) ENCODER EXTENSION CABLE ASM
T(L)エンコーダ延長ケーブル組
1
25 400-77109 Z(L) ENCODER EXTENSION CABLE ASM
Z(L)エンコーダ延長ケーブル組
1
26 400-44534 SERVO MOTOR 30W
サーボモータ30 W
1
27 400-77110 Z(L) MOTOR EXTENSION CABLE ASM
Z(L)モータ延長ケーブル組
1
28 400-77056 T(L) ENCODER EXTENSION CABLE ASM
T(L)エンコーダ延長ケーブル組
1
29 400-44533 SERVO MOTOR 10W
サーボモータ10 W
1
30 400-77109 Z(L) ENCODER EXTENSION CABLE ASM
Z(L)エンコーダ延長ケーブル組
1
31 400-77110 Z(L) MOTOR EXTENSION CABLE ASM
Z(L)モータ延長ケーブル組
1
32 400-44534 SERVO MOTOR 30W
サーボモータ30 W
1
33 400-77056 T(L) ENCODER EXTENSION CABLE ASM
T(L)エンコーダ延長ケーブル組
1
34 400-44533 SERVO MOTOR 10W
サーボモータ10 W
1
35 400-77109 Z(L) ENCODER EXTENSION CABLE ASM
Z(L)エンコーダ延長ケーブル組
1
36 400-77110 Z(L) MOTOR EXTENSION CABLE ASM
Z(L)モータ延長ケーブル組
1
37 400-44534 SERVO MOTOR 30W
サーボモータ30 W
1
38 400-77095 VACUUM VALVE L ASM
バキュームバルブ L 組
1
39 400-77093 VACUUM CABLE L ASM
バキュームケーブル L 組
1
40 400-77006 NOZZLE DOWN SENSOR L(L) ASM
ノズルダウンセンサ L(L)組
1
41 400-77007 NOZZLE DOWN SENSOR R(L) ASM
ノズルダウンセンサ R(L)組
1
42 400-76990 Z1(L) NEAR SENSOR ASM
Z 1(L)ニアセンサ組
1
43 400-76991 Z2(L) NEAR SENSOR ASM
Z 2(L)ニアセンサ組
1
44 400-76992 Z3(L) NEAR SENSOR ASM
Z 3(L)ニアセンサ組
1
45 400-76993 Z4(L) NEAR SENSOR ASM
Z 4(L)ニアセンサ組
1
46 400-76994 Z5(L) NEAR SENSOR ASM
Z 5(L)ニアセンサ組
1
47 400-76995 Z6(L) NEAR SENSOR ASM
Z 6(L)ニアセンサ組
1
48 400-77008 NOZZLE UP SV(L) ASM
ノズルアップ SV(L)組
1
49 400-44519 IEEE1394 BOARD
IEEE 1394ボード
1
50 400-44516 1394 RELAY CABLE ASM
1394中継ケーブル組
1
51 400-48078 IEEE1394 REPEATER BOARD
IEEE 1394リピータボード
1
52 400-77002 LNC60(L) I/F CABLE ASM
LNC 60(L) I / F ケーブル組
1
53 400-45547 GX-6 LNC60
レーザセンサ
1
54 400-44517 1394 ROBOT CABLE ASM
1394ロボットケーブル組
1
55 400-77054 T(L) MOTOR EXTENSION CABLE ASM
T(L)モータ延長ケーブル組
1

- 119 -
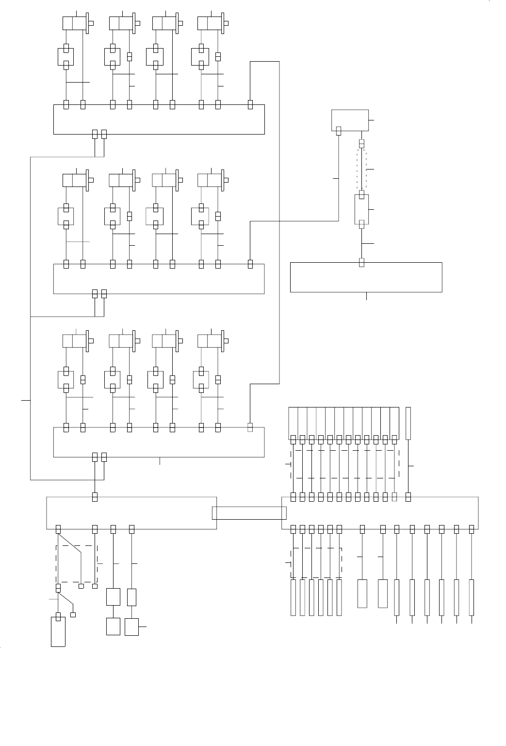
60.SYSTEM DIAGRAM (4)
SYSTEM DIAGRAM(4)
XY BEAR CABLE (R)
LNC60R-CN1
ZTAR-CN5CN5
LNC60 R
LNC60CH2CH1
IEEE1394a
REPEATER R
CN1
CH3
IEEE1394a
BOARD
CN34
CN21
CN6 HDRR-6
Z6R BLW SV
CN13 HDRR-13
Z6R VAC SV
CN5 HDRR-5
Z5R BLW SV
CN12 HDRR-12
Z5R VAC SV
CN4 HDRR-4
Z4R BLW SV
CN11 HDRR-11
Z4R VAC SV
CN3 HDRR-3
Z3R BLW SV
CN10 HDRR-10
Z3R VAC SV
CN2 HDRR-2
Z2R BLW SV
CN9 HDRR-9
Z2R VAC SV
CN1 HDRR-1
Z1R BLW SV
HDRR-18 CN18
NOZZLE DOWN
SENSOR R(R)
HDRR-32 CN32
Z6R VAC SENSOR
HDRR-31 CN31
Z5R VAC SENSOR
HDRR-30 CN30
Z4R VAC SENSOR
HDRR-29 CN29
Z3R VAC SENSOR
HDRR-28 CN28
Z2R VAC SENSOR
CN19 HDRR-19
CN8 HDRR-8
HDRR-16 CN16
HDRR-27 CN27
NOZZLE DOWN
SENSOR L(R)
Z1R VAC SENSOR
NZL UP SV (R)
Z1R VAC SV
HEAD RELAY PCB (R)
01-5C
CN806
01-5A
CN805A
05-4C
RZLMT
XYR-2 BEAR CABLE
ASM 3/4
CN12
CN8
CN1
CN852
HIGHT
MEASURE
SENSOR
AMP
HDMR-8
HDMR-1
005:3A
CN805IO5CN5
BASE-FEEDER PCB(1/3)
ZTAR-CNP2D
ZTAR-CN2D
Z2PR
004:4A
CN8
CN2
MRR1-2
MOTOR RELAY
PCB(R1)
CNP2D
CN2D
Z2 MOTOR R
HC-BH0336LW4-S1
ZTAR-CNP2C
ZTAR-CN2C
T2PR
004:4A
CN8
CN2
MRR2-2
MOTOR RELAY
PCB(R2)
CNP2C
CN2C
ZTAR-CNP2B
ZTAR-CN2B
Z1PR
CN7
CN1
MRR1-1
MOTOR RELAY
PCB(R1)
CNP2B
CN2B
Z1 MOTOR R
HC-BH0336LW4-S1
CN4DZTAR-CN4D
CN25HDRR-25
Z6R NEAR SENSOR
CN24HDRR-24
Z5R NEAR SENSOR
CN23HDRR-23
Z4R NEAR SENSOR
CN22HDRR-22
Z3R NEAR SENSOR
CN21HDRR-21
Z2R NEAR SENSOR
CN20HDRR-20
Z1R NEAR SE NSOR
004:3A
ZTAR-CNP2A
ZTAR-CN2A
002:5C
T1PR
004:3B
CN7
CN1
MRR2-1
MOTOR RELAY
PCB(R2)
CNP2A
CN2A
T1 MOTOR R
HC-BP0136D-S1
ZTA SERVO
AMP R(3/3)
MR-MD100
CN4BZTAR-CN4BHDMR-13CN13
HEAD MAIN PCB (R)
1
24
6
7
8
19
12 15
17
18
14
T2 MOTOR R
HC-BP0136D-S1
16
11
1310
21
ZTBR-CN4B CN4B
ZTB SERVO
AMP R(3/3)
MR-MD100
T3 MOTOR R
HC-BP0136D-S1
CN2A
CNP2A
MOTOR RELAY
PCB(R2)
MRR2-3
CN3
CN9
004:4B
002:5C
ZTBR-CN2A
004:4A
004:4B
ZTBR-CN4D CN4D
Z3 MOTO R R
HC-BH0336LW4-S1
CN2B
CNP2B
MOTOR RELAY
PCB(R1)
MRR1-3
CN3
CN9
004:4B
Z3PL
ZTBR-CN2B
ZTBR-CNP2B
CN2C
CNP2C
MOTOR RELAY
PCB(R2)
MRR2-4
CN4
CN10
004:5A
ZTBR-CN2C
Z4 MOTO R R
HC-BH0336LW4-S1
CN2D
CNP2D
MOTOR RELAY
PCB(R1)
MRR1-4
CN4
CN10
004:5A
Z4PL
ZTBR-CN2D
ZTBR-CNP2D
CN5 ZTBR-CN5
2623
20
24
29
27
28
25
T4 MOTO R R
HC-BP0136D-S1
22
004:3B
004:3B
31
004:4B
ZTCR-CN4B CN4B
ZTC SERVO
AMP R(3/3)
MR-MD100
T5 MOTOR R
HC-BP0136D-S1
CN2A
CNP2A
MOTOR RELAY
PCB( R2)
MRR2-5
CN5
CN11
004:5B
002:5C
ZTCR-CN2A
004:5A
004:5A
ZTCR-CN4D CN4D
Z5 MOTOR R
HC-BH0336LW4-S1
CN2B
CNP2B
MOTOR RELAY
PCB( R1)
MRR1-5
CN5
CN11
004:5B
Z5PR
ZTCR-CN2B
ZTCR-CNP2B
CN2C
CNP2C
MOTOR RELAY
PCB(R2)
MRR2-6
CN6
CN12
ZTCR-CN2C
Z6 MOTOR R
HC-BH0336LW4-S1
CN2D
CNP2D
MOTOR RELAY
PCB(R1)
MRR1-6
CN6
CN12
Z6PR
ZTCR-CN2D
ZTCR-CNP2D
CN5 ZTCR-CN5
36
004:4B
33
30
34
39
37
38
35
T6 MOTOR R
HC-BP0136D-S1
32
40
41 42
43 4445464748
49
50
51
52
56
53
54
55
CN9CN809
BAD
MARK
SENSOR
AMP
004:3B
004:3A
3
5
9