JAKA Zu se使用手册 - 英文版.pdf - 第18页
18 JAK A Zu Se simultaneously. The sensor detects the relative deformation between the "Tool Side Flange" and the "Body" caused by the applied force, and us es a resist ance strain gauge to measure ch…

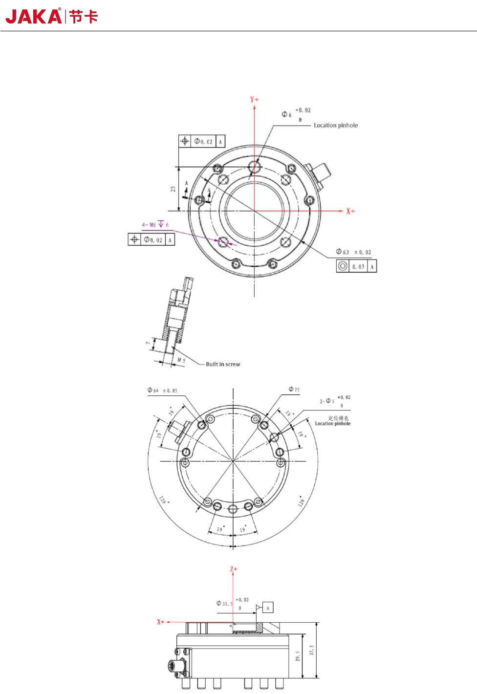
JAKA Zu Se 17
1.4 Precautions for use
Do not use in an environment with temperature and humidity outside the allowed range of
specifications.
The wiring must be completely correct. When the power is turned on, please check whether the
color of the connection cable is correct in accordance with the manual. If an error occurs at the
connection terminal, the internal circuit of the sensor may be short cut and possibly be damaged.
Please be sure to check.
The sensor has an embedded system and other precision parts. our company has carried out
relevant vibration and impact tests, but please pay attention to the product drop, excessive vibration
will lead to malfunction.
Do not knock when installing the sensor. Especially when it is matched with the adaptor plate, if
the clearance fit is tight due to the adaptor plate processing and other factors, do not knock the sensor,
otherwise it will cause damage to the sensor performance.
After the sensor is installed and powered on, it is recommended to preheat it for an hour before
operation.
In the actual use of the sensor, the quality of the mounted equipment shall be taken into
consideration to avoid overloading.
If there is any doubt or failure during use, please do not try operate without permission and
directly contact our Company.
2. Reference value of tightening torque of sensor mounting bolt
Metric
Reference tightening
torques (Nm)
M2
0.4
M3
2.0
M4
4.0
M5
8.0
M6
13.0
M8
35.0
6.2
Description of Sensor II
1.1 Overview
This strain type six-axis force/torque sensor can detect three forces and three torques

18 JAKA Zu Se
simultaneously. The sensor detects the relative deformation between the "Tool Side Flange" and the
"Body" caused by the applied force, and uses a resistance strain gauge to measure changes in the
sensor's elastic unit. The sensor contains an embedded system, which can collect and process the
signal changes of the resistance strain gauge in real time, and output the magnitude and direction of
the applied force in real time, with high precision and high response capability. When using the
sensor, please install it correctly avoid interference with the output result.
Sensor Appearance
Definition of the Sensor Coordinate System
The embedded acquisition system in the sensor body processes the voltage signal of the strain
gauge in real time, converts it into the actual load value, and outputs it in the form of digital signal.
Schematic Diagram of Electrical Connection of Sensor

JAKA Zu Se 19
1.2 Sensor Installation
The sensor mounting hole position and mounting dimensions are as follows.
Sensor Size