620神州AOI操作手册_09_中文_版.pdf - 第100页
Http:www.aoichina.c om TEL:0769-22620377 22620877 FAX:0769-23102060 Page:100 of 103 功能参数 Functional Specifications 检测的电路板 通孔和混合技术的 SMT 锡膏印刷后及回焊炉前和回焊炉后电路板检查 检测方法 统计建模,全彩色图像比对,根据不同检测点自动设定其参数(如偏移、极性、短路等) 摄像头 全彩色 3CCD 高速智能数字…

Http:www.aoichina.com TEL:0769-22620377 22620877 FAX:0769-23102060 Page:99 of 103
代,此时千万别点清理,以免将其待用的标准清掉
12.运用程序无法运行,
提示为X轴或Y轴不
能移动
原因一:运动控制卡线的接口接触不良解决方法:关闭运用程序,开启测试
软件:确定其它按键正常,只是 X 轴或 Y 轴不能移动。拔出运动控制线的接
口,检查是否有针倾斜或断,其运动控制卡接口处孔堵塞。
原因二:X 或 Y 虑波器处线接触不良或脱落。
解决方法:关闭电源,打开机器外壳确认是否其虑波器处。
原因三:运动控制卡上的接线松动。
解决方法:打开机器盖,使用万用表检测,锁紧松动处。
原因四:机器盖上的风扇已坏,盖内温度过高,导致驱动器自动保护而无法
运行。
解决方法:更换风扇。
原因五:插运动控制卡的 PCI 槽内灰尘太多或运动控制卡的金手指氧化。
解决方法:a.清理 PCI 插槽内的灰尘,清洗金手指。
b.将运动卡换插到另外一条PCI插槽。
13. Mark 识别不能通过
导致机器无法正常
测试
原因一:PCB 板未放好,导致 Mark 无法在其搜索范围找到。
解决方法:按加载键,放好 PCB 板。
原因二:Mark 匹配结果超出其允许范围。
解决方法:程序编辑菜单\设置 Mark,将 Mark 允许范围放大。注:一般不能
超过 50。
原因三:Mark 点选取不合理。有些 PCB 板原有的 Mark 可能因板放置时间长
而氧化,或过炉而氧化,导致 Mark 无法识别。
解决方法:取消其Mark点,可以依据板的特点而选取孔或铜薄等。
14.CAD导入编程,某一
标准无法移动到其
连接的元件位置,其
提示为该元件的坐
标超过软件限位。
原因:导入前有多余的元件数据未删除,且其多余元件数据的坐标超出软件
限位。
解决方法:使用选择框中的删除功能将其删除,具体操作如下:
a. 选择框窗口\定义选择框,在缩略图中鼠标成手指状,画出自己所需要的范
围,再点选择框操作\删除选择框外的数据即可。
15.取消已有Mark点再
重新定义Mark后,其
所有元件框都已偏
移。
原因:所有元件的坐标通过 Mark 校正后会自动补偿,当其已有的 Mark 设置
取消后再重新定义 Mark,其补偿大小已变。因为其前的 Mark 设置与现在
Mark 设置选取的点已变或者点相同但 PCB 板已不一样。
解决方法:利用选择框操作中的功能将其移正,再镜头优化即可使用。
7.3 参数表
ALeader ALD620 设备技术参数

Http:www.aoichina.com TEL:0769-22620377 22620877 FAX:0769-23102060 Page:100 of 103
功能参数 Functional Specifications
检测的电路板 通孔和混合技术的 SMT 锡膏印刷后及回焊炉前和回焊炉后电路板检查
检测方法 统计建模,全彩色图像比对,根据不同检测点自动设定其参数(如偏移、极性、短路等)
摄像头 全彩色 3CCD 高速智能数字相机
分辨率/视觉范围/速度
(standard)20µm/Pixel FOV : 27.84×20.8 检测速度<210ms/FOV(标配)
(option) 15µm/Pixel FOV : 20.88×15.6 检测速度<190ms/FOV(选配)
(option) 10µm/Pixel FOV : 13.92X10.4 检测速度<170ms/FOV(选配)
光源 高亮频闪 RGBB/RGBR 四色环形塔状 LED 光源 (彩色光)
编程模式 手动编写、自动画框、CAD 数据导入自动对应元件库
远程控制 通过 TCP / IP 网络实现远程操作、随时随地查看、启动或停止机器运行、修改程序等操作
检测覆盖类型
锡膏印刷:有无、偏移、少锡、多锡、断路、连锡、污染等
零件缺陷:缺件、偏移、歪斜、立碑、侧立、翻件、错件,OCV、破损、反向等
焊点缺陷:锡多、锡少、虚焊、连锡、铜箔污染等
特别功能 多程序同时运行,支持自动调取程序;可查 0-359°旋转部件(单位为 1°)
最小零件测试 20µm:0201chip & 0.3pitch IC or 10µm:01005chip & 0.25 pitch IC
SPC 和制程调控
全程记录测试数据并进行统计和分析,任何区域都可查看生产状况和品质分析,可输出
Excel、Txt 等文件格式
条码系统 相机自动识别与传输 Barcode(1 维或 2 维码),及多 Mark 功能(含 Bad Mark)
服务器模式 采用中心服务器,可将数台 AOI 数据集中统一管理
操作系统 支持系统的操作 Windows XP Professional
检查结果输出 22 英寸液晶显示器,OK/NG 信号,向 Repair station 发送数据文件(选项)
系统参数 System Specifications
PCB 尺寸范围 50×50mm(Min)~430×330mm(Max) (可根据客户要求定制更大尺寸)
PCB 厚度范围 0.3 to 5 mm (可根据客户要求定制更大尺寸)
PCB 夹紧系统边缘间隙 TOP:3.5 mm Bottom:3.5 mm (可根据客户要求定制更大尺寸)
最大 PCB 重量 3KG
PCB 弯曲度 <5mm 或 PCB 对角线长度的 2%
PCB 上下净高 PCB 上面(Top Side): 30 mm PCB 底部(Bottom Side): 50 mm
PCB 固定系统 自动张开和收起的双边夹具、自动补偿 PCB 弯曲变形
PCB 固定系统离地高度 850 to 920 mm (可根据客户要求定制更大尺寸)
PCB 固定系统/ 时间 PCB 在 Y 方向移动 进板/出板时间:2 秒
X/Y 平台驱动 丝杆及 AC 伺服马达驱动,定位精度<10µm; PCB 固定,Camera在X方向移动
电源 AC230V 50/60 Hz 小于 1.8KVA
气压 不需要
设备重量 400KG
设备外形尺寸 1070×900×1310mm (L×W×H)
环境温湿度 10~35℃ 35~80% RH(无结露)
设备安规 符合 CE 安全标准
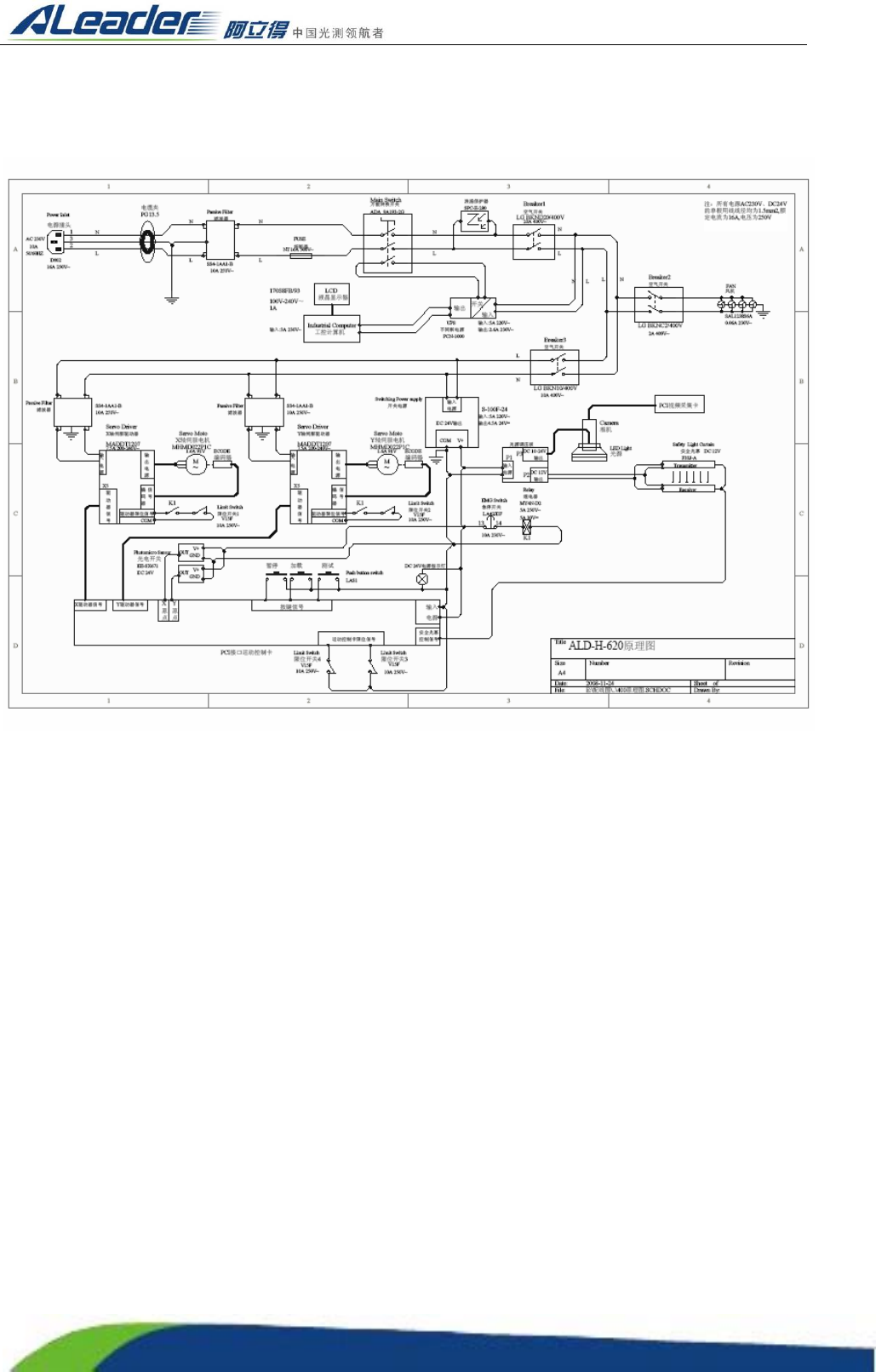
7.4 电路图

Http:www.aoichina.com TEL:0769-22620377 22620877 FAX:0769-23102060 Page:101 of 103