Aimex3C安装手册.pdf - 第69页
SET-AIMEX3C-L-001S0 2. 安装 AIMEX IIIc 安装手册 57 2.9.1 信号电缆连接图 < AIMEX-3c -- 周围机器 -- AIMEX-3 c -- 周围机器 -- AIMEX-3c > δࢃᐛᓅε δࢃᐛᓅε δᐛᓅε δᐛᓅε AIMEX-3c AIMEX-3c AIMEX-3c CN-M2 CN-M1 CN-M1 CN-SUM CN-SUM CN-SU CN-SU CP CP …

2. 安装 SET-AIMEX3C-L-001S0
56 AIMEX IIIc 安装手册
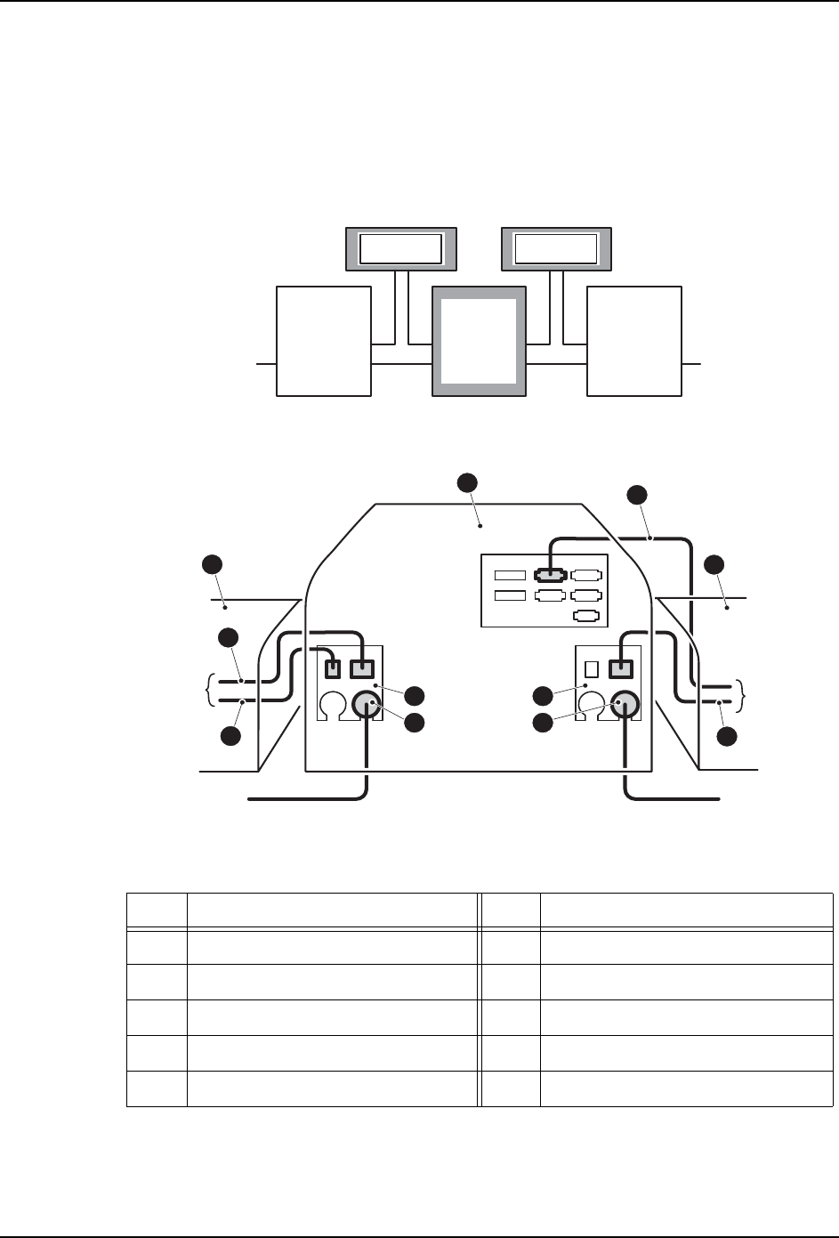
2.9 在本机器和本机器之间连接周围机器
连接往复臂单元或双搬运轨道等周边机器到 AIMEX-3c 上时的工序如下。
备注 )在此以正流向 ( 左→右 ) 连接为例进行说明。
前道工序机器和后道工序机器是 AIMEX-3c 的时候
编号 名称 编号 名称
1 本机器 2 前道工序周围机器
3. 后道工序周围机器 4 前道工序运板 I/F 支架
5 后道工序运板 I/F 支架 6 接插头 : LANE1
7 信号电缆 :CN-M1 8 信号电缆 :CN-M2
9 动力电缆 :OPTION 10 动力电缆 :CBBCN5
AIMEX-3cAIMEX-3c AIMEX-3c
30SET-0219-S
ઞപᵰಞ ઞപᵰಞ
ઞ䗯ᵰಞ
䱺ᑜⲺሲ㓵
ઞ䗯ᵰಞ
䱺ᑜⲺሲ㓵
ࡦ$,0(;F ࡦ$,0(;F
30SET-0221-S
1
2
3
4 5
6 6
7
9
10
8
2z7dLQuh
2z7dLQuh
Downloaded at 2017/10/30 17:10:229 by 307B1555 DL#vqE538o5
Downloaded at 2017/10/30 17:10:229 by 307B1555 DL#vqE538o5

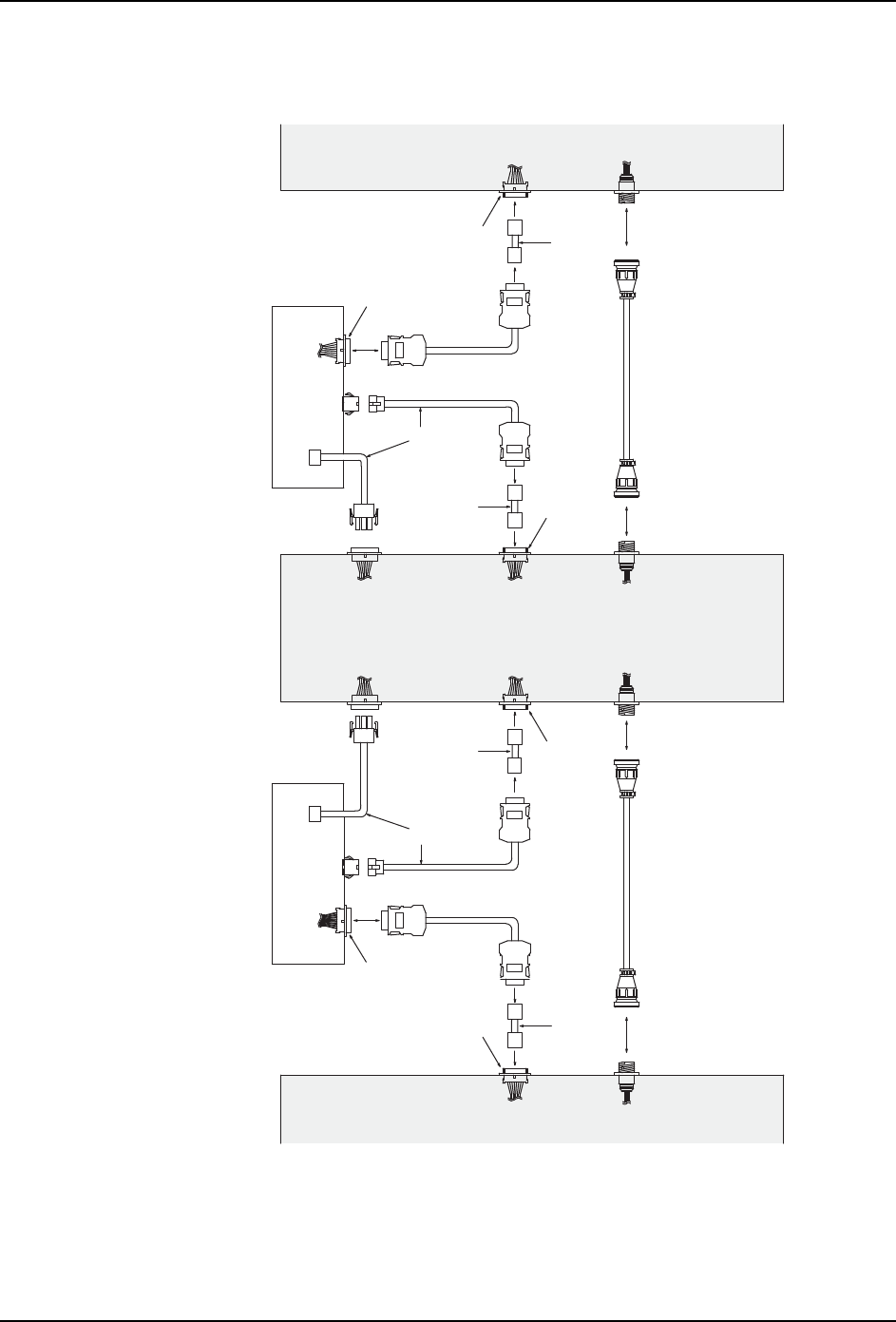
SET-AIMEX3C-L-001S0 2. 安装
AIMEX IIIc 安装手册 57
2.9.1 信号电缆连接图
< AIMEX-3c -- 周围机器 -- AIMEX-3c -- 周围机器 -- AIMEX-3c >
δࢃᐛᓅε δࢃᐛᓅεδᐛᓅε δᐛᓅε
AIMEX-3c AIMEX-3c AIMEX-3c
CN-M2 CN-M1CN-M1
CN-SUM
CN-SUM
CN-SU
CN-SU
CP
CP
CN-M2
CBBCN5OPTION
RH0398*
RH0398*
RH0397*
RH0397*
RH0406*RH0406*
LANE1LANE1 LANE1 LANE1
RH3902* (1.0 m)
RH2138* (1.5 m)
RH2137* (3.0 m)
RH2139* (5.0 m)
RH3902* (1.0 m)
RH2138* (1.5 m)
RH2137* (3.0 m)
RH2139* (5.0 m)
2EHFLL0001**
2EHFLL0001** 2EHFLL0001**
2EHFLL0001**
䲚ᨈԬ
(*7%%
䲚ᨈԬ
(*7%%
䲚ᨈԬ
(*7%%
䲚ᨈԬ
(*7%%
䲚ᨈԬ
5+
䲚ᨈԬ
5+
ઞ䗯ᵰಞ
䱺ኔ⭫㔼
ઞ䗯ᵰಞ
䱺ኔ⭫㔼
ઞ䗯ᵰಞ
δᖶ䘊ᩢ䘆䖞gਂᩢ䘆䖞ε
ઞ䗯ᵰಞ
δᖶ䘊ᩢ䘆䖞gਂᩢ䘆䖞ε
30SET-0208-S
2z7dLQuh
2z7dLQuh
Downloaded at 2017/10/30 17:10:229 by 307B1555 DL#vqE538o5
Downloaded at 2017/10/30 17:10:229 by 307B1555 DL#vqE538o5

2. 安装 SET-AIMEX3C-L-001S0
58 AIMEX IIIc 安装手册
2.9.2 连接方法
1. 拆除位于 Side1 侧的下记盖板。
警告 31
在开始作业之前请务必先切断机器的总电源。
注意 14
插接插头时请查看接插头有无插错 (确认接插件名称是否一致)。
注意 91
请紧紧地插入接插头。
30SET-0245-a
(1)
(2)
(3)
30SET-0239-a
2z7dLQuh
2z7dLQuh
Downloaded at 2017/10/30 17:10:229 by 307B1555 DL#vqE538o5
Downloaded at 2017/10/30 17:10:229 by 307B1555 DL#vqE538o5