Aimex3C安装手册.pdf - 第72页
2. 安装 SET-AIMEX3C-L-001S0 60 AIMEX IIIc 安装手册 2.10 在本机器和其他机种之间连接周围机器 连接往复臂单元 或双搬运轨道等周 边机器到 AIMEX -3c 和其他机种之间 上时的工序如下。 备注 )在此以正流向 ( 左→右 ) 连接为例进行说明。 前道工序机器和后道工序机器是其他机型的时候 编号 名称 编号 名称 1 本机器 2 前道工序周围机器 3. 后道工序周围机器 4 前道工序运板 I/…

SET-AIMEX3C-L-001S0 2. 安装
AIMEX IIIc 安装手册 59
2. 将前侧周边机器附带的信号电缆 (RH0398*) 连到 AIMEX-3c 上。
a. 请拆除连在前工序运板 I/F 支架的 CN-M 上的接插头。
b. 请将从 AIMEX-3c 侧面的开口处引入的信号电缆 (RH0398*) 的接插头连接到 CN-M1
上。
3. 将后侧周边机器附带的信号电缆 (RH0398*) 连到 AIMEX-3c 上。
a. 请拆除连在后工序运板 I/F 支架的 CN-M2 上的接插头。
b. 请将从 AIMEX-3c 侧面的开口处引入的信号电缆 (RH0398*) 的接插头连接到 CN-M2
上。
4. 将前侧周边机器附带的动力电缆 (RH0397*) 连到 AIMEX-3c 上。
a. 将从 AIMEX-3c 侧面的开口部取入的动力电缆 (RH0397*) 的接插头连接到 OPTION 上。
5. 将后侧周边机器附带的动力电缆 (RH0397*) 连到 AIMEX-3c 上。
a. 将从 AIMEX-3c 侧面的开口部取入的动力电缆 (RH0397*) 的接插头连接到 CBBCN5 上。
6. 请复原取下的盖板。
2z7dLQuh
2z7dLQuh
Downloaded at 2017/10/30 17:10:229 by 307B1555 DL#vqE538o5
Downloaded at 2017/10/30 17:10:229 by 307B1555 DL#vqE538o5

2. 安装 SET-AIMEX3C-L-001S0
60 AIMEX IIIc 安装手册
2.10 在本机器和其他机种之间连接周围机器
连接往复臂单元或双搬运轨道等周边机器到 AIMEX-3c 和其他机种之间上时的工序如下。
备注 )在此以正流向 ( 左→右 ) 连接为例进行说明。
前道工序机器和后道工序机器是其他机型的时候
编号 名称 编号 名称
1 本机器 2 前道工序周围机器
3. 后道工序周围机器 4 前道工序运板 I/F 支架
5 后道工序运板 I/F 支架 6 接插头 : LANE1
7 信号电缆 :CN-M1 8 信号电缆 :CN-M2
9 动力电缆 :OPTION 10 动力电缆 :CBBCN5
AIMEX-3c
ެԌᵰ〃 ެԌᵰ〃
30SET-0220-S
ઞപᵰಞ ઞപᵰಞ
ઞ䗯ᵰಞ
䱺ᑜⲺሲ㓵
ઞ䗯ᵰಞ
䱺ᑜⲺሲ㓵
䙐ᖶެԌᵰ〃䙐ᖶެԌᵰ〃
30SET-0209-S
1
2
3
4 5
6 6
7
9
10
8
2z7dLQuh
2z7dLQuh
Downloaded at 2017/10/30 17:10:229 by 307B1555 DL#vqE538o5
Downloaded at 2017/10/30 17:10:229 by 307B1555 DL#vqE538o5

SET-AIMEX3C-L-001S0 2. 安装
AIMEX IIIc 安装手册 61
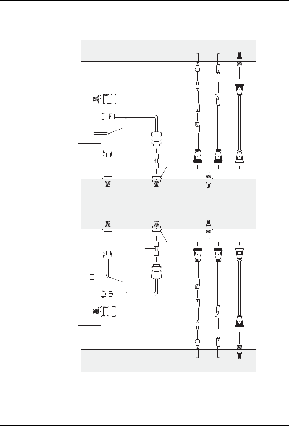
2.10.1 信号电缆连接图
< 其他机型 -- 周围机器 -- AIMEX-3c -- 周围机器 -- 其他机型 >
AIMEX-3c
CN-M1
CN-SUM
CN-SUM
CN-SU
CN-SU
CP
CP
CN-M2
CBBCN5OPTION
RH0398* RH0398*
RH0397*
RH0397*
LANE1 LANE1
RH0816* (3.0 m)RH0816* (3.0 m)
ެԌᵰශެԌᵰශ
RH0816* (3.0 m)RH0816* (3.0 m)
EEHH117*
(ᦘሲ㓵)
EEHH117*
(ᦘሲ㓵)
RH3902* (1.0 m)
RH2138* (1.5 m)
RH2137* (3.0 m)
RH2139* (5.0 m)
RH3902* (1.0 m)
RH2138* (1.5 m)
RH2137* (3.0 m)
RH2139* (5.0 m)
ઞ䗯ᵰಞ
δᖶ䘊ᩢ䘆䖞gਂᩢ䘆䖞ε
䲚ᨈԬ
RH0399*
䲚ᨈԬ2EGTBB0080**
δࢃᐛᓅε
δࢃᐛᓅε
δᐛᓅε
δᐛᓅε
ઞ䗯ᵰಞ
δᖶ䘊ᩢ䘆䖞gਂᩢ䘆䖞ε
䲚ᨈԬ
RH0399*
䲚ᨈԬ2EGTBB0080**
࠰সᰬᐨ㔅䘔
RH0399*
࠰সᰬᐨ㔅䘔
RH0399*
MLᨈཪ
HIRSCHMANNᨈཪ
2EHFLL0001**
2EHFLL0001**
30SET-0210-S
2z7dLQuh
2z7dLQuh
Downloaded at 2017/10/30 17:10:229 by 307B1555 DL#vqE538o5
Downloaded at 2017/10/30 17:10:229 by 307B1555 DL#vqE538o5