5OM-1626-001_w.pdf - 第126页
5OM-1610 4-1 1 091 1-001C(M913W A---0001) Integrated Block Connection Diagram (Details C) 24F 24F 24B1 24B1 24B1 24B1 48H 48D3F 48D3H 48D3E 48D3G 48D3A 48D3B 3 2 M M M M M M M M M M 3 M 3 M 3 M 3 M 3 M 3 M I/O ID:0 A21R …

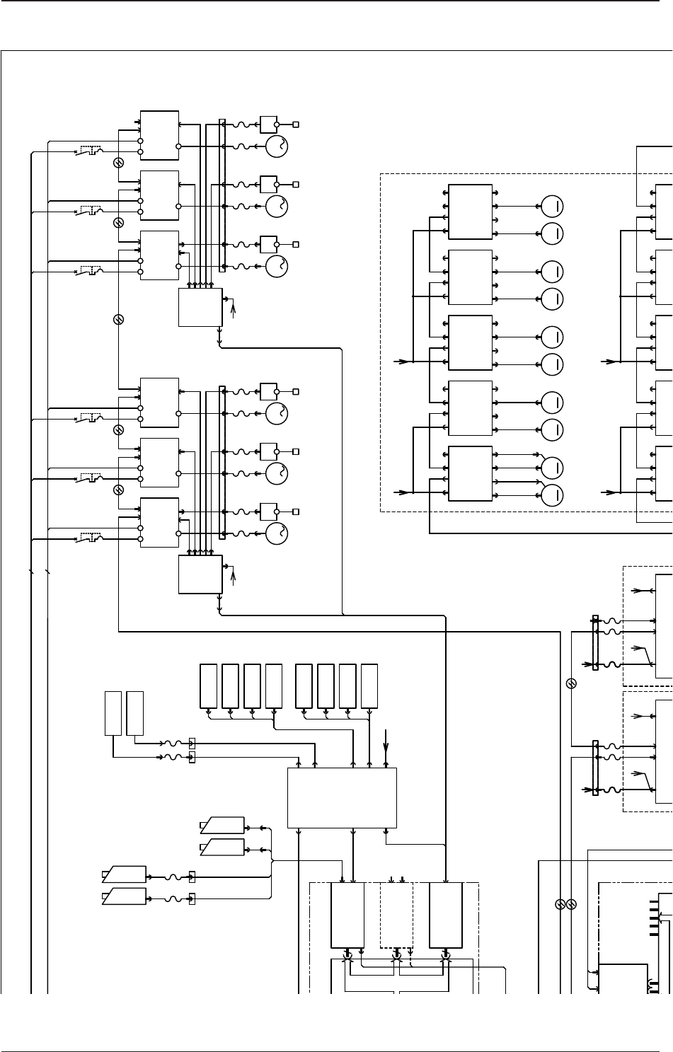
5OM-1610
4-10
Integrated Block Connection Diagram (Details B)
0911-001C(M913WA---0001)
24C
24C
24F
24G*
24G*
24G5A
24G8A
24G1,2A
24G1,2B
24G5B
24G8B
24B1
24B1
24B1
24B1
24B3
24B4
24B2
48D3B
48D3E
48D3G
48D3J
48D3K
48D3F
48D3H
48D
48H
5J
24A*
24A1
24A3
24A3
24A1
24A1
24A2
24A0
24A3
F14
F33
K38
CONTROL
U82
MOTION
U85
HLSC
RS485
I/OSSCNET
U81
CPU
COM1 LAN
AC-IN
+5V
HLS LINK (HEAD)
HLS LINK
HLS LINK (IF+HEAD)
HLS LINK
SERIAL
SERIAL
I/O
ID:0
D81
CPCI
(100W)
F43
2CH1CH 2CH1CH
F29
F30
CH1 CH2
A_LINK
AE_LINK
COM2
G22
F34
F44
K50
ILB
U05
U27
(1) (2)
CN3
CN4
CN1
CN2
CN1
CN4
CN5
CN3
CN4
CN3
CN4
HLS LINK
HLS LINK
SERIAL
Relay P.C.B
(1) (2)
PWR
U12
CN3
CN4
CN3
CN4
U01
CN3
CN4
CN1
CN2
PNL
CN3
CN4
CN1
CN2
CN1
CN2
CN1
CN2
CN1
CN2
CN1
CN2
U
SL-SRS
(RS232C)
+3.3V
+5V
U180
AE LINK
AE LINK
CH2CH1
X18514X18512
(CN8) (CN5)
CN1
(CN9) (CN10) (CN13) (CN15)(CN3)(CN14)
2 3 412 3 41
U07 U08
U06
CNVR-L
CUT(2)
U14
CNVR-R
U09
CUT(1)
IF
+24V(G)
G4
+24V(A)
G1
+24V(B)
+24V(C)
+24V(F)
F1
K1A
F42
+48V(F)
G7
F2
F5
K25
F7
F52
F41
K75
K71
K77
K72
K1B
F21-24
F25-28
U27
+5V(J)
G8
F61
DOM
A41,A45,A47:
A161,A53:
A43,A49,A51:
A63R:
A63F:
A162,A55:
INPUT
A31:
U95:
OUTPUT
U72:HUB
OUTPUT
Image Distributor
U165:
(OP)
Main Power Unit for the Head Unit
Multi-axis Board
Main Power Unit for the Transfer Unit 2-Axis Board
Safety Circuit
N74: Power Unit for the Front and Rear Monitors
External Power Unit for the Input and Output Machines through I/F
Head Unit Multi-Axis Board Control Power Unit
Main Power Unit for the LED Lighting Control PCB
Power Input Circuit
Safety Circuit
U71:CPU_M(OP)
Main Power Unit for the Transfer Unit 2-Axis Board
Power Unit for the Transfer Unit 2-Axis Board
CT Axis SV-NET Power Supply
CT Axis SV-NET Power Supply
Main Power Unit for the Transfer Unit 2-Axis Board
Cooling Fan
External Unit
Connecting Bundled
Connector
Beam Connector
Relay Panel
Power Unit for the External Unit (1)
Power Unit for the External Unit (2)
ATX Power Supply
Power
Supply
CPU2 (Control PC)
SSCNET3 (Optic)
External Unit Connecting
Bundled Connector (Rear)
External Conver Connection Panel
(Left) (Right)
Each Loads
and Sensor
External Unit Connecting
Bundled Connector (Front)
Each Loads and Sensor

5OM-1610
4-110911-001C(M913WA---0001)
Integrated Block Connection Diagram (Details C)
24F 24F
24B1 24B1
24B1 24B1
48H
48D3F
48D3H
48D3E
48D3G
48D3A 48D3B
3
2
MMMM MMMMMM
3
M
3
M
3
M
3
M
3
M
3
M
I/O
ID:0
A21R
Servo Motor
A22R A23R
M21R
X-Axis
Linear Scale
I/F
U21R
M22R
U22R
M23R
U23R
AMP
Y1-Axis
Linear Scale
Y2-Axis
Linear Scale
Servo Motor
AMP
Servo Motor
AMP
I/F I/F
CN5
U24R
Connector
PCB ENCD
Q221R Q222R Q223R
A21F
Servo Motor
A22F A23F
M21F
X-Axis
Linear Scale
I/F
U21F
M22F
U22F
M23F
U23F
AMP
Y1-Axis
Linear Scale
Y2-Axis
Linear Scale
Servo Motor
AMP
Servo Motor
AMP
I/F I/F
CN5
Connector
PCB ENCD
Q221F Q222F Q223F
124
U92
Frame
Grabber
PIO
CAM
+12V
CPCI
PCI
124
U93
Frame
Grabber
PIO
CAM
124
U94
COUNTER
IN
OUT
CN2
CN3
CN1
U95
CN6
CN8
CN5
CN7
E191
B61(1)
B61(2)
(2)
CN4
Option
NA-BAL
M53
A53
CN9
EMG
CN10
PWR
N2
AE
N1
AE
CN5CN1
M54
NA-BAR
CN12 CN12
2CH1CH
U24F
AE LINK
E192
(2)
E193
(2)
E194
(2)
E191
(1)
E192
(1)
E193
(1)
E194
(1)
CN7CN3
NA-LB1
M47
A161
CN9
EMG
CN10
PWR
N2
AE
N1
AE
CN5CN1
M48
NA-LB2
CN7CN3
NL-LB1
M45
A47
CN9
EMG
CN10
PWR
N2
AE
N1
AE
CN5CN1
M46
NL-LB2
CN7CN3
NA-W1
M161
A45
CN9
EMG
CN10
PWR
N2
AE
N1
AE
CN5CN1
M163
NA-W3
CN7CN3
NL-LA1
M41
A41
CN9
EMG
CN10
PWR
N2
AE
N1
AE
CN5CN1
M42
NL-LA2
CN7CN3
A55
CN9
EMG
CN10
PWR
N2
AE
N1
AE
A162
CN9
EMG
CN10
PWR
N2
AE
N1
AE
A51
CN9
EMG
CN10
PWR
N2
AE
N1
AE
A49
CN9
EMG
CN10
PWR
N2
AE
N1
AE
A43
CN9
EMG
CN10
PWR
N2
AE
N1
AE
U190
E39
E39
(1)
(2)
B36(1)
B36(2)
(R) (F) (R) (F)
Servo Motor AMP
A31
CNP1
48V/24V
CN1A
SSC
CN3
24V
A31
Servo Motor AMP
CN1B CNP1
48V/24V
CN1A
SSC
CN3
24V
CN1B
+5V
+12V
Stepping Mot AMP Stepping Mot AMP Stepping Mot AMP Stepping Mot AMP Stepping Mot AMP
Stepping Mot AMP Stepping Mot AMP Stepping Mot AMP Stepping Mot AMP Stepping Mot AMP
7
CPU1 (Operation and Recognition PC)
LED Lighting
Control PCB
PEC Recognition Lighting
PEC Recognition Lighting
PEC Recognition Lighting
PEC Recognition Camera
Component
Recognition
Camera
Beam Connector
Relay Panel
Trigger
Beam Connector
Relay Panel
SSCNET3 (Optic)
SSCNET3 (Optic)
SSCNET3 (Optic)
Beam Connector
Relay Panel
Beam Connector
Relay Panel
Beam Connector
Relay Panel
Beam Connector
Relay Panel
Main Power Supply
Control Power Supply
SSCNET3 (Optic)

5OM-1610
4-120911-001C(M913WA---0001)
Integrated Block Connection Diagram (Details D)
24F
24F
24F 24F
24F
24F
24G*
24G*
24A2
24B1 24B1
24B1
24B1
24B1
48D3K
48D3H
48D3G
48D3A 48D3B
M MM M
MMMM
MM MMM MMMM
M
RS485
I/O
ID:0
M63F
CT-Axis
U
CU-SRS
CPCI
U
DL-SRS
NA-BAL
M53 M54
NA-BAR
2CH1CH
U181F
CN1 CN4 CN2
A63F
Servo Motor
AMP
CN2CN1
CN3 CN5
CH2
AE_LINK
AE LINK
AE LINK
NA-LB1
M47 M48
NA-LB2
NL-LB1
M45 M46
NL-LB2
NA-W1
M161 M163
NA-W3
NL-LA1
M41 M42
NL-LA2
NA-BBL
M55
A55
CN9
EMG
CN10
PWR
N2
AE
N1
AE
CN5CN1
M56
NA-BBR
CN7CN3
NA-LA1
M43
A162
CN9
EMG
CN10
PWR
N2
AE
N1
AE
CN5CN1
M44
NA-LA2
CN7CN3
NA-W2
M162
A51
CN9
EMG
CN10
PWR
N2
AE
N1
AE
CN5CN1 CN7CN3
NR-LA1
M49
A49
CN9
EMG
CN10
PWR
N2
AE
N1
AE
CN5CN1
M50
NR-LA2
CN7CN3
NR-LB1
M51
A43
CN9
EMG
CN10
PWR
N2
AE
N1
AE
CN5CN1
M52
NR-LB2
CN7CN3
CN4
CN5
CN3
CN4
CN3
CN4
CN1
CN2
CN1
CN2
CN1
CN2
U
SL-SRS
(F)
K52
FB
U69
CN9
CN8
CN6
U
FB-SRS
U68a
X100
Connector PCB
U68b
X100
Connector PCB
FEEDER
FEEDER
NSDD
M32M31
Servo Motor AMP
A31
CNP1
48V/24V
CN1A
SSC
CN3
24V
NSDD
M32M31
A31
Servo Motor AMP
U
HH-SRS(2)
CN1B CNP1
48V/24V
CN1A
SSC
CN3
24V
CN1B
U
HH-SRS(1)
P2A 2A P2B 2B P2C 2C P2D 2D P2A 2A P2B 2B P2C 2C P2D 2D
U25
X1
LINE SENSOR
U03
CN6
CN5
X2
Slip
LINE SENSOR
U03
U147
Conn.
CN1
X1
U25
X2
CN1 CN6
CN5
Rings
U37
Slip
J1
Rings
U37
U04
U04
U
HH-SRS(1)
U
HH-SRS(2)
P.C.B
U147
Conn.
P.C.B
J1
AE LINK
AE LINK
CH2CH1
X18514X18512
(CN5)
CN1
(CN10) (CN13) (CN15)(CN3)(CN14)
2 3 414
U07 U08
U06
CNVR-L
CUT(2)
U14
CNVR-R
Stepping Mot AMP Stepping Mot AMP Stepping Mot AMP Stepping Mot AMP Stepping Mot AMP
M33
NL
M34
HL
M33
NL
M34
HL
SV-NET
(OP)
SSCNET3 (Optic)
SSCNET3 (Optic)
Beam Connector
Relay Panel
Beam Connector
Relay Panel
External Unit Connecting
Bundled Connector (Rear)
External Conver Connection Panel
(Left) (Right)
Each Loads
and Sensor
External Unit Connecting
Bundled Connector (Front)
15 Lane 15 Lane
Beam Connector
Relay Panel
LINE SENSOR
LINE SENSOR
Beam Connector
Relay Panel
Light
Reception
Light
Emission
Light
Emission
Light
Reception
Converter
External Unit Connecting
Bundled Connector
Note 1