5OM-1626-001_w.pdf - 第182页
5OM-1610 4-67 091 1-001A(M916WMM--0013) U17 I/O STL T MF HEAD 1 2 3 4 5 6 7 8 A B C D E F RX /RX TX -X1701 -X1702 CN1A/1B /TX FG 7 2 4 3 5 CN2A/2B IN OUT 3 CN10 2 1 1 2 CN1 1 3 3 CN12 2 1 3 CN13 2 1 3 CN14 2 1 3 CN15 2 1…

5OM-1610
4-660911-001A(M916WMM--0012)
U28 POWER SUPPLY PCB
-A141
P24I
CN4C
5
3
4
1
2
-X1414C
7
6
L-Axis 3 Limit (+)
-B01
-B02
L-Axis 3 Limit (-)
L.ON
(+)
(-)
(-)
(+)
L.ON
24B
10B
B02C
B01C
B05C
CN7
B04C
CN3
-X2803
X01
L-Axis 3 Pass Line
(-)
(+)
D.ON
24B1
10B
24F
10F
CN3
DOCOM
2
3
1
DICOM
EMG
-X14503
CN3
-A145
Multi-Axis Board Control Power Unit
-X141P1:6A
24F
10F
CN4D
5
3
4
1
2
-X1414D
7
6
L-Axis 2 Limit (+)
-B01
-B02
L-Axis 2 Limit (-)
L.ON
(+)
(-)
(-)
(+)
L.ON
B02B
B01B
CN6
U28
1
3
2
1
3
2
CN4D
5
3
4
1
2
-X1454D
7
6
L-Axis 1 Limit (+)
-B01
-B02
L-Axis 1 Limit (-)
L.ON
(+)
(-)
(-)
(+)
L.ON
CN5
1
6
BK1
5
3
4
1
2
6
B02A
B01A
1
3
2
1
3
2
1
3
2
1
3
2
1
3
2
B04B
L-Axis 2 Pass Line
(-)
(+)
D.ON
1
3
2
B04A
L-Axis 1 Pass Line
(-)
(+)
D.ON
1
3
2
B05B
-B05
Excessive Pushing Detection 2
:2
:3
:1
(-)
(+)
OUT
1
3
2
B05A
-B05
Excessive Pushing Detection 1
:2
:3
:1
(-)
(+)
OUT
1
3
2
-B05
Excessive Pushing Detection 3
:2
BR
:3
:1
BL
BK
BL
YE
GY
(-)
(+)
OUT
1
3
2
6
3
4
DI06
1
2
3
4
3
4
1
2
5
6
SG
Nozzle up status 2
Nozzle up status 1
TX+
TX-
HEAD STP
CN2
3
1
2
4
5
7
6
5
10B
24B
24B
10B
24B
10B
24B
10B
24B
10B
24B
10B
-B07
-B07
-B07
(+)
(-)
:3
:1
:2
OUT
<Mechatro Tube>
OUT
(-)
(+)
(+)
(-)
OUT
-X28B07A
-X28B07B
-X28B07C
-B07
2
1
3
2
1
3
2
1
3
X02
1
2
Vacuum Sensor 1
Vacuum Sensor 2
Vacuum Sensor 3
B07A
B07B
B07C
10B
24B
CN4
-X2804
5
7
1
3
9
TX
RX
-RX
-TX
1
6
BK2
5
3
4
1
2
6
1
6
BK3
5
3
4
1
2
6
7
12
10F
24F
CN8
3
4
1
2
5
7
12
7
12
6
BK1
BK2
BK3
8
7
4
6
2
8
10
7
CN1
3
1
2
4
5
7
6
10B
10B
24B
24B
8
-X2807
-X2806
-X2805
-X14103
-X28X1
-X2808
-X28X2
-X28B05C
-X28B01C
-X28B02C
-X28B04C
-X28B05B
-X28B01B
-X28B02B
-X28B04B
-X28B05A
-X28B01A
-X28B02A
-X28B04A
U17(CN4)
U17(CN3)
10F
24F
-A141(CNP3)
[MM/11/3F]
-X141P3:1
-X141P3:2
-X141P3:3
-X141P3:4
-A145(CNP3)
[MM/11/9F]
-X145P3:3
-X145P3:4
-X128X2 :1
:2
-X1704:1
-X1704:3
-X1703:1
-X1703:2
[MM/13/3F]
[MM/13/3F]
-A141(CNP1)
[MM/11/3B]
Multi-Axis Board Control Power Unit
-A145(CNP1)
[MM/11/9B]
2
3
1
DI1
DI2
DI3
DO1
DO2
SGI
P24I
DI1
DI2
DI3
DO1
DO2
SGI
P24I
DI1
DI2
DI3
DO1
DO2
SGI
DOCOM
DICOM
EMG
FG
8
N.C
[MM/01/4E]:(1)
[MM/01/8E]:(2)
[MM/01/4D]:(1)
[MM/01/8D]:(2)
HLS
[MM/01/4B]:(1)
[MM/01/8B]:(2)
DC24V
YE
RD
WH
BR
BL
BK
BR
BL
BK
BR
BL
WH
BR
BL
BK
BR
BL
BK
BR
BL
BK
BR
BL
WH
BR
BL
BK
BR
BL
BK
BR
BL
BK
BR
BL
WH
DI00
DI08
DI02
DI10
DI04
DO02
DO03
DI12DI12
DI14
Logic
DO04
DO05
DI13
DI14
-B04
-B04
-B04
-B05
-B05
-B05
TX
RX
-RX
-TX
[MM/13/3A]
HLS
-U17(CN1)
-X1701:2
-X1701:3
-X1701:4
-X1701:5
24F
10F
24B1
10B
-X145P1:6A
-X145P1:6B
-X141P1:6B
24F
10F
BL
YE
GY
BL
YE
GY
<Mechatro Tube>
YE
RD
WH
YE
RD
WH
-X1701:7
:3
:1
:2
<Mechatro Tube>
-B07
:3
:1
:2
<Mechatro Tube>
-B07
:A1
:B1
:A2
-B309
:B2
:A4
:A3
:B3
-X12501:C4
N.C
-X12501:C5
-X12501:D5
-X12501:C6
-X12501:D3
-X12501:D4
-X12501:B1
-X12501:B2
-X12501:B3
-X12501:B4
-X12501:C3
-X131P1:B3
-X131P1:B4
-X131P1:B2
-X131P1:B1
STLT_MHD2
I/O P.C.B
U28
1
2 3 4 5 6 7 8 9 10 11 12
A
B
C
D
E
F
G
H
<Mechatro Tube>
<Mechatro Tube>

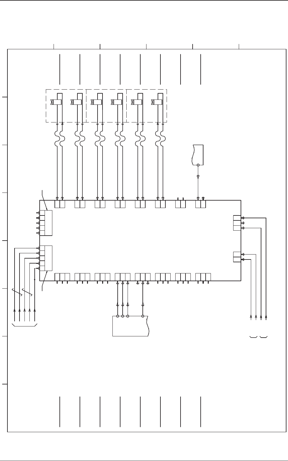
5OM-1610
4-670911-001A(M916WMM--0013)
U17 I/O STLT MF HEAD
1 2 3 4 5 6 7 8
A
B
C
D
E
F
RX
/RX
TX
-X1701 -X1702
CN1A/1B
/TX
FG
7 2 43 5
CN2A/2B
IN OUT
3
CN10
2
1
1
2
CN11
3
3
CN12
2
1
3
CN13
2
1
3
CN14
2
1
3
CN15
2
1
3
CN16
2
1
3
CN17
2
1
CN18
2
1
1
2
CN19
1
2
CN20
1
2
CN21
1
2
CN22
1
2
CN23
1 2 3
CN3
21
24B1
10B
10F
24F
5 34 2 7
FG
/TX
TX
/RX
RX
-X1714
-X1713
-X1723
-X1722
-X1721
-X1720
-X1719
-X1718
-891
-892
-893
-894
-895
-896
-X1703 -X1704
Note 1
:4
:2
:8
:6
-X28X2 :7
:8
-X28X2
:4
:3
Control Output
(OPTION)
Bad Mark Detection
Bad Mark Detection
Stability Output
(OPTION)
Blue
Black
Brown
Orange
24V
Control Output
OV
PS-T1
Stability Output
-U28 (Power Supply P.C.B HD)
-X2804(CN4)
[MM/12/2D]
[MM/12/5D]
[MM/12/5D]
STLT_MHD1
I/O P.C.B
-U17
Vacuum Valve 1
:1
:2
-Y1718
-Y1718
-Y1719
-Y1718
:4
:3
:2
:1
:1
:2
Vacuum Breaker 1
Vacuum Valve 2
Vacuum Breaker 2
<Mechatro Tube>
-Y1718
-Y1718
-Y1719
-Y1718
-Y1718
-Y1718
-Y1718
-Y1719
Vacuum Valve 3
Vacuum Breaker 3
:4
:3
:4
:3
:10
-B308
:A1
:A4
:B2
:B1
1 2 3 4 5 6 7 8
A
B
C
D
E
F
1
2
CN24
1
2
CN25
CN4
-X1725
Pink
-B308
:A2
PS-T1
External Tuning
Bad Mark Detection
External Tuning
(OPTION)
<Mechatro Tube>
<Mechatro Tube>
<Mechatro Tube>
<Mechatro Tube>
<Mechatro Tube>

5OM-1610
4-680911-001