5OM-1626-001_w.pdf - 第195页
5OM-1610 5-10 091 1-001A(1091401300-9) X23 2 1 18AWG Blue X2723 18AWG Blue X2723 1600mm 1400mm 3 18AWG Blue 1400mm X64 X4 X2704 X28 X2728 X5 X2705 X25 X2725 X27121 X121 X1300C X27111 X111 X27112 X112 X2762 X62 X12762 X27…

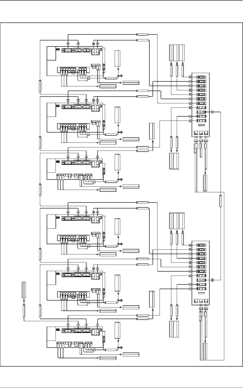
5OM-1610
5-90911-001A(1091401300-9)
X150
2
1
4
3
6
5
8
7
10
9
12
11
13
:62
26AWG Blue
1700mm
X27150
:T11
26AWG Blue
1700mm
:T22
26AWG Blue
1700mm
:T12
26AWG Blue
1700mm
:T32
26AWG Blue
1700mm
:T31
26AWG Blue
1700mm
:53
26AWG Blue
1700mm
26AWG Blue
1700mm
:23
26AWG Blue
1700mm
:43
26AWG Blue
1700mm
:44
26AWG Blue
1700mm
X27150
X1
2
1
4
3
6
5
18AWG Blue
1700mm
X2701
18AWG Blue
1700mm
18AWG Black
1700mm
18AWG Black
1700mm
18AWG Black
1700mm
18AWG Black
1700mm
X2701
:T21
X11
2
1
10D
14AWG Blue
X2711
48D
14AWG Black
X2711
:A2
:B2
X15
2
1
10G
14AWG Blue
X2715
24G3A
14AWG Black
X2715
X16
2
1
10G
14AWG Blue
X2716
24G3B
14AWG Black
X2716
X17
2
1
18AWG Blue
X2717
18AWG Black
X2717
1400mm
1400mm
4
3
18AWG Blue
18AWG Black
1400mm
1400mm
X2702
X2708
X2
X8
X2712
X12
10F
24F
10B
24B1
X2713
X13
10F
24F
10B
24B1
X2741
X41
S132F
X2742
X42
S131B
X17202
X2761
X61
X65
X2781
X81
S121R
X2782
X82
S121F
U27
X231P1
X231P1
336
401
408
405A
412
420
405B
335
332
331
445
10A
10A
24A0
24A1
24A2
24A3
10G
24G
10G
24G
K3:
Terminal
1091401300-08
TB:DC1
1091401300-08
CONN:G02,04
1091401300-08
TB:DC1
1091401300-08
TB:DC1 1091401300-08
K75-14 1091401300-08
TB:DC1 1091401300-08
K77-14 1091401300-08
PSU Relay Section
:X12702
W09140xxxx
W091401Bxx
W091401Bxx
W09140xxxx
W09140xxxx
1091401300-11
W09140xxxx
W09140xxxx
TB:DC1
1091401300-08
TB:DC1
1091401300-08
X12741
K4,X12742
1091401300-08
X12742
K3,X12741
1091401300-08
TB:DC1
1091401300-08
F1 1091401300-08
Emergency Stop SwitchSW(R): S121
Emergency Stop SwitchSW(F): S121
HLS PCB Collective Section(Draw)
Safety Cover 1 (R) : S131
Safety Cover 2 (F) : S132
Beam Connector Relay Panel (R)
Beam Connector Relay Panel (F)
Side Panel R 1

5OM-1610
5-10
0911-001A(1091401300-9)
X23
2
1
18AWG Blue
X2723
18AWG Blue
X2723
1600mm
1400mm
3
18AWG Blue
1400mm
X64
X4
X2704
X28
X2728
X5
X2705
X25
X2725
X27121
X121
X1300C
X27111
X111
X27112
X112
X2762
X62
X12762
X2763
X63
X12763
X27153
10B
24B1
Orange1
Yellow1
X1300D1
X1812
X163
2
1
26AWG Blue
X27163
X27163
1600mm
1700mm
4
3
1900mm
2900mm
26AWG Blue
26AWG Blue
26AWG Blue
419
405B
534
542
500
548
549
TB:DC1 1091401300-08
W09140xxxx
W09140xxxx
SV-NET Converter
:U181(R)
1091401300-13
W091401Bxx
K50-21 1091401300-08
K29-A2 1091401300-07
Transfer (L)
U08:X0826
W09170xxxx
Transfer (R)
U14:X1426
W09170xxxx
TB:DC1
1091401300-08
W091401Bxx
W09140xxxx
W09140xxxx
X153
X27154
10B
24B1
Orange1
Yellow1
X1300D1
X1812
SV-NET Converter
:U181(F)
1091401300-13
W091401Bxx
TB:DC1
1091401300-08
X154
X27122
X122
X1300C
X27113
X113
X27114
X114
W091401Bxx
K10-22 1091401300-07
K25-1 1091401300-08
Rear Side Operation Panel: S101,S105
Front Side Operation Panel: S101,S105
External Bundled Connector (R)
External Bundled Connector (F)
Transfer Relay Section (L Side): X12762
Transfer Relay Section (L Side): X12763
External Unit Bundled Connector (R)
External Unit Bundled Connector (F)
Side Panel R 2

5OM-1610
5-110911-001A(1091401300-10)
A22F A23FA21F A22R A23RA21R
L1
L2
L3
N
P1
P2
U
V
W
P
C
D
L11
L21
CN3
CN1A
CN1B
CN2CN2L
L1
L2
L3
N
P1
P2
U
V
W
P
C
D
L11
L21
CN3
CN1A
CN1B
CN2CN2L
L1
L2
L3
N
P1
P2
U
V
W
P
C
D
L11
L21
CN3
CN1A
CN1B
CN2CN2L
L1
L2
L3
N
P1
P2
U
V
W
P
C
D
L11
L21
CN3
CN1A
CN1B
CN2CN2L
CN2CN2L
CN3
CN1A
CN1B
L1
L2
L3
N
P1
P2
P
C
D
L11
L21
U
V
W
CN2CN2L
CN3
CN1A
CN1B
L1
L2
L3
N
P1
P2
P
C
D
L11
L21
U
V
W
X2103 X2203 X2303
X211A
X211B
X221A
X221B
X231A
X231B
Note
X2411
X2409
CN12
CN1CN2CN3CN4CN5CN6CN7
CN8CN9CN10CN11
X2412
FUSE
CN13A
X2413A
L113
L213
L313
L121
L221
U
V
W
L114
L214
L314
U
V
W
L121
L221
14AWG Black
2600mm
14AWG Black
2600mm
14AWG Black
2600mm
18AWG Black
3200mm
18AWG Black
14AWG Black
2600mm
14AWG Black
2600mm
14AWG Black
2600mm
18AWG Black
3200mm
18AWG Black
3200mm
L115
L215
L315
U
V
W
L121
L221
18AWG Black
3200mm
18AWG Black
3200mm
14AWG Black
2600mm
14AWG Black
2600mm
14AWG Black
2600mm
X2102L
X2202L
X2202
X2302L
X2302
X2103 X2203 X2303
X211A
X211B
X221A
X221B
X231A
X231B
-1
-2
-1
-2
X2412F
10B
18AWG Blue
2200mm
24B1
18AWG Black
2200mm
CN13B
-1
-2
CN12
CN1CN2CN3CN4CN5CN6CN7
CN8CN9CN10CN11
FUSE
CN13A
L116
L216
L316
L121
L221
U
V
W
L117
L217
L317
U
V
W
L121
L221
14AWG Black
2600mm
14AWG Black
2600mm
14AWG Black
2600mm
18AWG Black
2900mm
18AWG Black
14AWG Black
2600mm
14AWG Black
2600mm
14AWG Black
2600mm
18AWG Black
2900mm
18AWG Black
2900mm
L118
L218
L318
U
V
W
L121
L221
18AWG Black
2900mm
18AWG Black
2900mm
14AWG Black
2600mm
14AWG Black
2600mm
14AWG Black
2600mm
X2102L
X2202L
X2202
X2302L
X2302
-1
-2
-1
-2
X2412R
10B
18AWG Blue
2200mm
24B1
18AWG Black
2200mm
CN13B
-1
-2
X2413A
440
X2413B
440
X2413A
26AWG Blue
40mm
26AWG Blue
500mm
26AWG Blue
500mm
26AWG Blue
500mm
26AWG Blue
500mm
X2410
X2408
X2407
X2406
X2405
X2404
X2403
X2402
X2401
X2412
X2413A
X2413B
X2411
X2409
X2410
X2408
X2407
X2406
X2405
X2404
X2403
X2402
X2401
10B
10B
CPU2 U82:CH1-X8201
1091401500-01
X2100
1091401300-05
X2200
1091401300-05
X2300
1091401300-05
X2100
1091401300-05
X2200
1091401300-05
X2300
1091401300-05
Lower
:Q221F
0791401300-07
Lower:Q222F
0791401300-07
Lower:Q223F
0791401300-07
Upper:Q221R
0791401300-07
Upper:Q222R
0791401300-07
Upper:Q223R
0791401300-07
TB:P1
1061401300-06
TB:P1
1061401300-06
TB:P1
1061401300-06
TB:P1
1061401300-06
TB:P1
1061401300-06
TB:P1
1061401300-06
X12102L
1091401300-05
X12102L
1091401300-05
X12410
1091401300-05
Y-Axis Limit (-)
B2203
W09140xxxx
X12201
1091401300-05
X12301
1091401300-05
CPU1:U94 X29401
W09140xxxx
X12410
1091401300-05
Y-Axis Limit (+)
B2201
W09140xxxx
X12201
1091401300-05
X12301
1091401300-05
CPU1:U94 X19401
W09140xxxx
TB:DC1
1091401300-08
TB:DC1
1091401300-08
30mm
30mm
30mm
30mm
30mm
30mm
Beam Connector Relay Panel (F)
Beam Connector Relay Panel (F)
Beam Connector Relay Panel (F)
Y2 Axis
Beam Connector Relay Panel (F)
Y1 Axis
Beam Connector Relay Panel (F)
Beam Connector Relay Panel (R)
Beam Connector Relay Panel (R) Beam Connector Relay Panel (R)
X Axis
Y1 Axis
Y2 Axis
Beam Connector Relay Panel (R)
Beam Connector Relay Panel (R)
Beam Connector Relay Panel (R)
Beam Connector Relay Panel (R)
Beam Connector Relay Panel (F)
Beam Connector Relay Panel (F)
X Axis
XY Servo Connection View