5OM-1626-001_w.pdf - 第206页
5OM-1610 5-21 091 1-001-(1094802002-1) Dual T ransfer Harness Connection Diagram 1 A161 A45 A47 1091401300-08 BA Side Panel TB:DC1 X14106 X16108 CN8 B16103 B16301 M163 M NA-W3 CN8 CN4 M45 M NL-LB1 M46 M NL-LB2 X4704 X470…

5OM-1610
5-20
0911-001-(1091603A00-5)
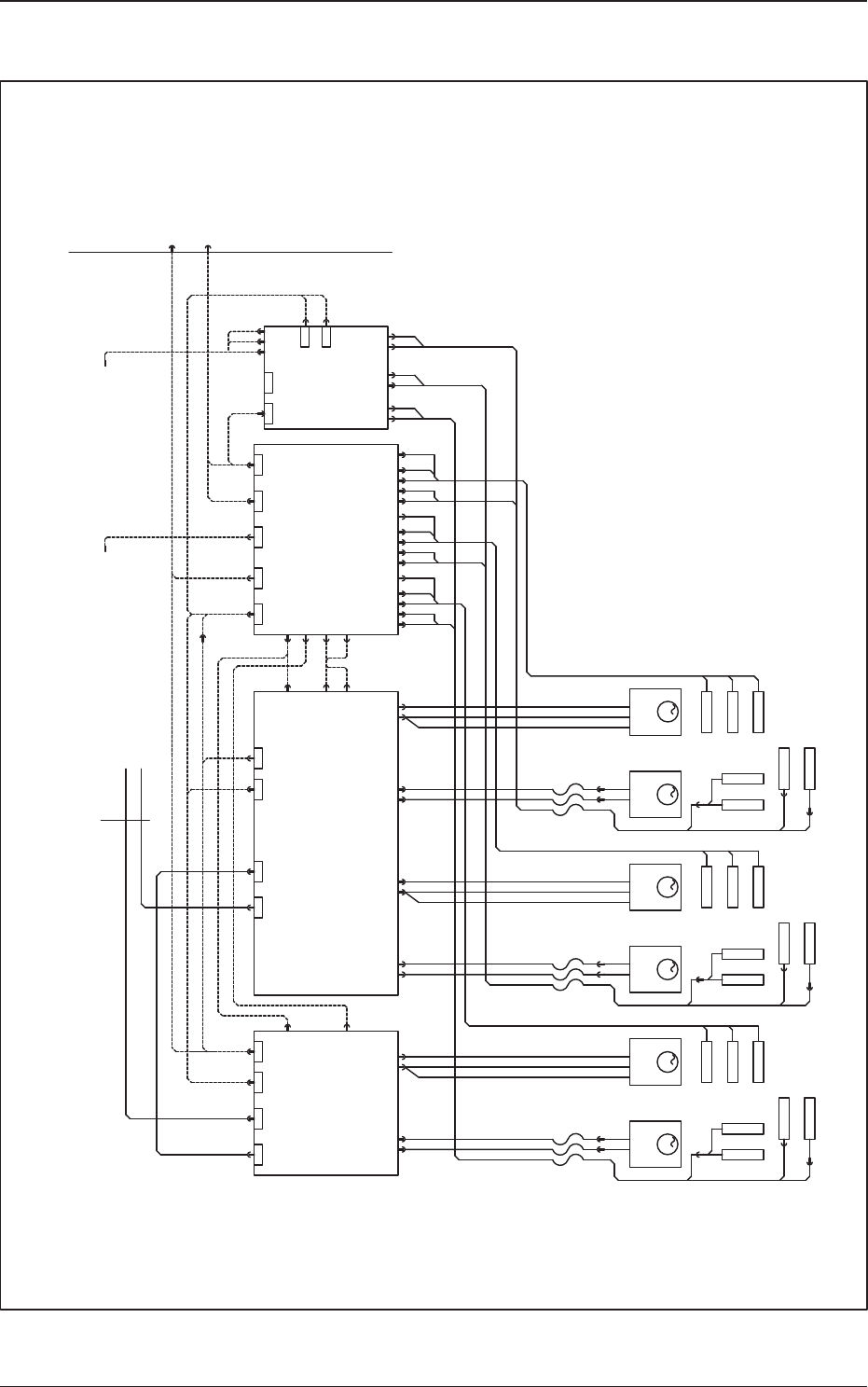
Multi Functions Head Wiring / Connection Diagram
X141P1
CN1BCN1A
SSC-NET
X1411B
-M141
3
M
-M142
3
M
X1412B
CN2B
X1412D
CN2D
X1412A
CN2A
X1412C
CN2C
-B01
-B04
-B02
-B05
-B07
B05
-Y1719
-Y1718
Y1718
-M141
3
M
3
M
-M142
-B01
-B04
-B02
-B05
-B07
B05
-Y1719
-Y1718
Y1718
-M141
3
M
3
M
X1452C
CN2C
X1452D
CN2D
-M142
-B01
-B04
-B02
-B05
-B07
B05
-Y1719
-Y1718
Y1718
CNP2C
CNP2D
X145P2C X145P2D
CNP2B
X141P2B
CNP2D
X141P2D
CNP2A
X141P2A
CNP2C
X141P2C
CN1B
X1451A
CN1A
SSC-NET
-X131P1
-X12501
CNP1
X145P1 -X28X1
X1
PWR
X2
-X28X2
CN3
X14503
CN3
X14103
CN7
X2807
CN6
X2806
CN5
X2805
CN4D
X1454D
CN4C
X1414C
CN4D
X1414D
B02C
B01C
B05C
B05B
B01B
B02B
B04B
B04C
X28B05A
X28B01A
X28B05B
X28B02A
X28B04A
X28B01B
X28B02B
X28B04B
B05A
B01A
B02A
B04A
X28B05C
X28B01C
X28B02C
X28B04C
B07C
X28B07C
B07B
X28B07B
B07A
X28B07A
CN21
CN22
CN20
CN19
CN18
CN23
X1718
X1719
X1720
X1721
X1722
X1723
CN8
X2808
-X2804
CN4
HLS
-X2803
CN3
IO
-X1701
CN1
HLS
CN2
HLS
A145 A141
-X1702
-X1703
CN3
PWR
CN4
PWR
-X1704
PWR
CN13
CN14
CN25
CNP1
PWR
X128X2
M141 M141M141
CNP3
X145P3
CNP3
X141P3
-X2802
CN2
IO
Servo Motor AMPServo Motor AMP
U28 U17
-X1713
-X1725
-X1714
-B308-B309
(UB80) (UB13)
X1411B
SSCNET(-X1311A)
SSCNET(-X1311B)
Nozzle 1 Z-Axis
Power Supply
Encoder
Nozzle 2 Z-Axis
Power Supply
Encoder
Nozzle 3 Z-Axis
Power Supply
Encoder
Nozzle 1 L-Axis
Brake
Power Supply
Encoder
Nozzle 2 L-Axis
Brake
Power Supply
Encoder
Nozzle 3 L-Axis
Brake
Power Supply
Encoder
L-Axis 3 LimitL-Axis 2 Limit
L-Axis 1 Limit
L-Axis 2 Pass Line
L-Axis 1 Pass Line L-Axis 3 Pass Line
L-Axis 2 Limit (+)
L-Axis 1 Limit (+) L-Axis 3 Limit (+)
Vacuum Sensor 3
Vacuum Sensor 2
Vacuum Sensor 1
Excessive Pushing Detection 1
Excessive Pushing Detection 2
Excessive Pushing Detection 3
Vacuum Breaker 1
Vacuum Valve 1
Vacuum Breaker 2
Vacuum Valve 2
Vacuum Breaker 3
Vacuum Valve 3
(Upper)
Already Assembled In
Already Assembled In
(Lower)
Main Body Side
Robot Cable Fixing Panel

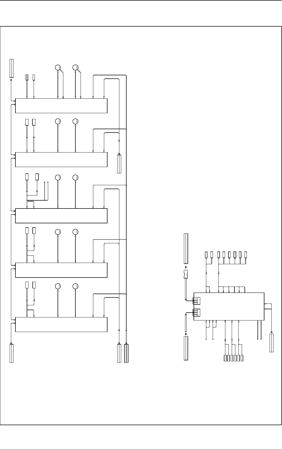
5OM-1610
5-210911-001-(1094802002-1)
Dual Transfer Harness Connection Diagram 1
A161A45 A47
1091401300-08
BA Side Panel
TB:DC1
X14106
X16108
CN8
B16103
B16301
M163
M
NA-W3
CN8
CN4
M45
M
NL-LB1
M46
M
NL-LB2
X4704
X4708
CN8
CN4
B4801
B4701
B4801
B4701
M47
M
NA-LB1
M48
M
NA-LB2
A53
B5301
X5304
CN4
B5401
X5308
CN8
M53
M
NA-BAL
M54
M
NA-BAR
CN5
X16105
CN1
X4501
CN5
X4505
CN1
X4701
CN5
X4705
CN1
X5301
CN5
X5305
X4510
CN10
X4710
CN10
X16110
CN10
1091401300-08
BA Side Panel
TB:DC1
X15306
X5310
CN10
N1 N2 N1 N2 N1 N2 N1 N2
X4509
CN9
X4709
CN9
X16109
CN9
X5309
CN9
UB77:X2762
1091401300-09
X12762
X0840
X0841
X4504
X4508
CPU2(U85) X8513
CN3
X5303
CN7
X5307
2091401304-02 2091401304-02
A41
CN8
CN4
CN1
X4101
CN5
X4105
X4110
CN10
N1 N2
X4109
CN9
X4104
X4108
B4102
B4101
B4102
B4101
M41
M
NL-LA1
M42
M
NL-LA2
X16104
CN4
B16101
B16101
B4502
B4501
B4502
B4501
M161
M
NA-W1
CN1
X16101
CN2A/2BCN1A/1B
/RX
RX
/TX
TX
9,10
7,8
5,6
3,4
/RX
RX
/TX
TX
9,10
7,8
5,6
3,4
U08
X0840
CN40
X0841
CN41
X0820
CN20
B0820
B0820
B0820T
X0833
CN33
X0837
X0836
CN36
CN37
X0839
CN39
Y0836
Y0837
Y0839
X0804
X0803
CN4
CN3
BA Side Panel
TB:DC1
1091401300-08
X0801 X0802
B4701
B4801
X0812
CN12
B0812,0813
X0813
CN13
Y0833
HLS Collective Section
(U12):X1202
X1300F1
1091401300-11
2091401304-02
L
X0810
CN10
B0810,0811
X0811
CN11
X0819
CN19
B0819
B0819
B0819T
X0818
CN18
B0818
B0818
B0818T
X0832
CN32
X0835
X0834
CN34
CN35
X0838
CN38
Y0834
Y0835
Y0838
Y0832
PCB Stopper 6 (OP)
Movable Chute 3
PCB Support Pin Detection 3
Transfer L (UB32)
Bank Feeder Change Cart Connector Section (R)
Movable Chute 2
PCB Support Pin Detection 2
Movable Chute 1
PCB Support Pin Detection 1
PCB Stopper 5 (OP)
Movable 3 Z Clamp Down: L
Movable 3 Z Clamp Up: L
PCB Stopper Lane B: L
PCB Stopper 6 (OP)
PCB Stopper 5 (OP)
Movable 1.2 Z Clamp
Movable 1.2 Z Clamp
PCB Stopper
Lane A: L
Lane A Stop Sensor
Lane A Deceleration Sensor
Lane B Stop Sensor A Mounting Section 1
Lane B Stop Sensor A Mounting Section 2
Lane B Stop Sensor
Lane B Deceleration Sensor
Movable Chute 1 Origin Sensor
Movable Chute 3 Origin Sensor
Backup 1 Origin
Backup 2 Origin
AE-LINK
Converter
U181(R)
Down: L
Up: L

5OM-1610
5-22
0911-001-(1094802002-2)
Dual Transfer Harness Connection Diagram 2
X5504
X5508
AE-LINK
Converter
U181(L)
A55
CN8
CN4
CN1
X5501
CN5
X5505
X5510
CN10
N2 N1
X5509
CN9
X12763
UB77:X2763
1091401300-09
2091401304-02
X16204
A162
CN4
M162
CN1
X16201
M
NA-W2
X16210
CN10
N2 N1
X16209
CN9
X5104
X5108
A51
CN8
CN4
CN1
X5101
M
NR-LB1
M52
CN5
X5105
M
NR-LB2
X5110
CN10
N2 N1
X5109
CN9
X4904
X4908
B5101
B5101
A49
CN8
CN4
M49
CN1
X4901
M
NR-LA1
M50
CN5
X4905
M
NR-LA2
X4910
CN10
N2 N1
X4909
CN9
X4304
X4308
A43
CN8
CN4
M43
CN1
X4301
M
NA-LA1
M44
CN5
X4305
M
NA-LA2
1091401300-08
BA Side Panel TB:DC1
X14906
X4310
CN10
N2 N1
X4309
CN9
X1402
X1300F1
2091401304-02
M55
M
NA-BBL
M56
M
NA-BBR
CN3
X5503
CN7
X5507
B5501
B5601
B16203
B16201
B4401
B4301
B4401
B4301
X0840
X0841
B4901
B4901
M51
CN2A/2BCN1A/1B
/RX
RX
/TX
TX
9,10
7,8
5,6
3,4
/RX
RX
/TX
TX
9,10
7,8
5,6
3,4
U14
X1440
CN40
X1441
CN41
X1433
CN33
X1437
X1436
CN36
CN37
X1439
CN39
Y1436
Y1437
Y1439
X0803
CN4
CN3
BA Side Panel TB:DC1
1091401300-08
X0801 X0802
B4301
B4401
X1412
CN12
B1412,1413
X1413
CN13
B1412
B1413
HLS Collective Section(U12):X1202
X1300F1
1091401300-11
2091401304-02
R
X1410
CN10
B1410,1411
X1411
CN11
B1410
B1411
X1432
CN32
X1435
X1434
CN34
CN35
X1438
CN38
Y1434
Y1435
Y1439
X0816
CN16
B1416,1417
X0817
CN17
B1416
B1417
X1414
CN14
B1414,1415
X1415
CN15
B1414
B1415
1091401300-08
BA Side Panel TB:DC1
X14906
PCB Stopper Origin: AL
PCB Stopper Upper: AL
PCB Stopper Origin: AR
PCB Stopper Upper: AR
Lane A Stop Sensor A Mounting Section 1
Lane A Stop Sensor A Mounting Section 2
Lane A Stop Sensor
Lane B Stop Sensor
Movable Chute 2 Origin Sensor
Backup 3 Origin
Backup 4 Origin
Bank Feeder Change Cart
Connector Section (F)
PCB Stopper Origin: BL
PCB Stopper Upper: BL
PCB Stopper Origin: BR
PCB Stopper Upper: BR
Transfer L (UB32)
Bank Feeder Change Cart
Connector Section (F)
Movable 3 Z Clamp
Down: L
Movable 3 Z Clamp Up: L
PCB Stopper Lane A: R
Movable 1.2 Z Clamp
Down: R
Movable 1.2 Z Clamp Up: R
PCB Stopper Lane B: L