5OM-1626-001_w.pdf - 第200页
5OM-1610 5-15 091 1-001-(1091401300-12) RECOG1 X9201 <ROBOT CABLE> -X3601 -X13601 -X6101 -B61 (1) <ROBOT CABLE> -X3601 -X13601 -X6101 -B61 (2) COUNTER X9401 X2405R U24R X2405F U24F X19401 X29401 U92 U94 U95 X…

5OM-1610
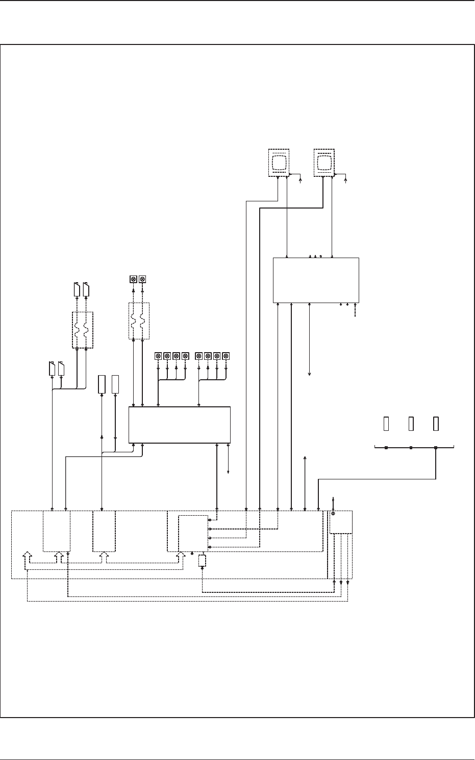
5-14
0911-001-(1091401300-11)
XCN13
X0513
XCN10
X0510
XCN11
X0511
XCN40
X0540
X0518
XCN18
X22507
X0519
XCN19
X22507
X0522
XCN22
X0536
XCN36
X0523
XCN23
(X1300F3)
(X1300F3)
X0537
XCN37
X8203
X0538
XCN38
X0539
XCN39
X8204
XCN3
X0503
X0501
XCN1
9 7 5 3
/RX
RX
/TX
TX
XCN2
9 7 5 3
/RX
RX
/TX
TX
X0502
U05
ILB
CPU2:U85 CH1-CN1(X8501)
W09140xxxx
Beam Relay Panel (R)
:X22507
1091401300-05
Beam Relay Panel (F)
:X22507
1091401300-05
W091401Bxx
W091401Bxx
CPU2 U82
1091401500-01
CPU2 U82
1091401500-01
X1510
X1511
3-NST10
X1512
X1513
X1514
X1515
X1530
X1531
OP1A
CN10
CN11
CN12
CN13
CN14
CN15
CN30
CN31
3-NST12
3-NST14
3-NST30
4-NST30
CN2B
9 7 5 3
/RX
RX
/TX
TX
CN1B
9 7 5 3
/RX
RX
/TX
TX
CN3 CN4
U15
OP1
4-NST10
4-NST12
4-NST14
X1516
X1517
3-NST16
X1518
X1519
X1520
X2121
X1532
X1533
OP2A
CN16
CN17
CN18
CN19
CN20
CN21
CN32
CN33
3-NST18
3-NST20
3-NST32
4-NST32
OP2
4-NST16
4-NST18
4-NST20
XCN20
X0520
XCN14
X0514
XCN21
X0521
XCN15
X0515
OPTION
Stocker Additional Installation
External Unit Bundled Connector (F)
External Unit Bundled Connector (R)
I/O PCB Connection View 3

5OM-1610
5-150911-001-(1091401300-12)
RECOG1
X9201
<ROBOT CABLE>
-X3601-X13601
-X6101
-B61 (1)
<ROBOT CABLE>
-X3601-X13601
-X6101
-B61 (2)
COUNTER
X9401
X2405R
U24R
X2405F
U24F
X19401
X29401
U92
U94
U95
X9202
X9503
X9504
X9502
X9505
X6701
X9506
D91
DOM
AC200V
X9101
X9507
-E39
X9508
-E39 (1)
<ROBOT CABLE>
1-X1E39
-E39
<ROBOT CABLE>
2-X1E39
-E39 (2)
-B36 (2)
-E191 (1)
X6702
-E192 (1)
X6703
-E193 (1)
X6704
-E194 (1)
X6801
-E191 (2)
X6802
-E192 (2)
X6803
-E193 (2)
X6804
-E194 (2)
-B36 (1)
X9102
X9501
DC IMage Changer
+3.3V,+5V,+12V,-12V
+12V
+5V
X91P7
X91P1
X91P6
X9109
(POWER)
G21
X9203
CPU1
U91
CN4
CN3
CN2
CN1
CN7
CN8
CN5
CN6
CAMERA
PIO
CN3
CN1
G07
COM1
X19102
X19103
X9103
COM2
A-RGB4
DVI(-D) 1
USB1
RGB1
RGB2
DVI(-D) 2
A-RGB3
RS232C
DC24V
USB2
USB IN
X7309
X7304
N.C.
N.C.
N.C.
X7306
X7305
N.C.
N.C.
DC24V
X7308
U73
X9105
USB3
X19105
X9106
USB4
X19106
-X7403
-X7401
-X7405
DC24V
(TB)
FRONT
LCD
(TP)
-X7401
-X7403
-X7405
DC24V
(TB)
REAR
LCD
(TP)
X9104
X9108
X9107
VGA
LAN2
LAN1
to CPU M
U71
to CPU2(X8102:LAN2)
U81
N.C
N.C
CPUM-OUT
LAN1
CPUM-LINE
LAN2
CPU1-LINE
LAN1
Ring
Coax
Basis Mark A
Basis Mark B
Ring
Coax
Basis Mark A
Basis Mark B
PCB Recognition Light
Image Changer
External LAN Connection Panel
Lower
Center
Upper
Lighting Ctrl
Component Recognition Camera
PCB Recognition Camera
CPUI (Recognition) Cable Connection Diagram 1

5OM-1610
5-16
0911-001-(1091401300-13)
SSCNET, SERIAL Cable Connection Diagram 1
HLS1
HLS2
CH1
CH2
HLS4
HLS3
-X22501
D-sub9P
-X12501
<ROBOT CABLE>
SCR
CN9
-X6909
-X30
-X1300F1
-X30
-X6909
UB76(FB)
CN9
SCR
U85 HLS
X0101 X0102
UB32(PNL)
CN2BCN1B
SCR
LINE SENSOR
CN6
Slip
UB78(HD)
-X0306
CN6-CN9
-X3701
-X23701
-X12501
<ROBOT CABLE>
D-sub9P
-X22501
-U69
X1401 X1402
UB86(CNVR)R
CN2BCN1B
SCR
U14U01
UB76(FB)
-U69
-U03 -U37
Rings
UB79
CN1
-X2501
-U25 -U04
CN20
CN21
LINE SENSOR
CN6
Slip
UB78(HD)
-X0306
CN6-CN9
-X3701
-X23701
-U03 -U37
Rings
UB79
CN1
-X2501
-U25 -U04
CN20
CN21
X8501
X8502
X8503
X8504
X0902
CN2BCN1B
SCR
X0901
UB32(CT)(1)
U09
XCN1
X0501
X0502
XCN2
SCR
UB54(ILB)
U05
(A-LINK)
CN1
X1201
X1202
CN2
SCR
UB32(PWR)
U12
X0801 X0802
UB86(CNVR)L
CN2BCN1B
SCR
U08
X0704 X0705
UB82
(Input / Output)
CN5CN4
U07
X0602
CN2BCN1B
SCR
X0601
UB32(CT)(2)
U06
-X1300F1
-X30
SCR
-X10422
-X10422
1091702001
(CN8)
(CN9)
(CN13)
(CN10)
RS485
(AE-LINK)
AELINK1
CH1
RJ45
X8511
X8512
(CN14)
(CN3)
RJ45
AELINK2
X18512
AELINK3
CH2
RJ45
X8513
X8514
(CN15)
(CN5)
RJ45
AELINK4
X18514
to A53:N1
to A51:N1
X8515
CN3
X18104
to A45:N2
X1811R
U181R
(AE-LINK)
X18104
to A51:N2
X1811F
U181F
(AE-LINK)
SV-NET
Converter
SV-NET
Converter
DC24V
DC24V
to TB(24B1)
X18102
X18102
1091702001
309204300
FB-SRS(1)
309204300
FB-SRS(2)
1091603200
HH-SRS(1)
2091603301
1091603500
1091603200
HH-SRS(2)
2091603301
1091603500
SL-SRS
1091702001
SL-SRS
1091702001
SL-SRS
1091702001
SL-SRS
1091702001
SL-SRS
External Conveyor
External Conveyor
To External Unit Connecting Bundled Connector (1)
To External Unit Connecting Bundled Connector (2)