JAKA Zu 12及JAKA Zu 12 pro -电控柜V2.1-硬件手册(中文版).pdf - 第23页
18 JAKA Zu 12 v 1.0 图 3-6 J A K A Z u 1 2 基座安装尺寸图 3.2.4 末端工具安装 JAKA Zu 12 机器人末端法兰有四个 M 6 螺纹孔 ,可用于将工 具连接到机器 人。在这些螺 纹孔中安装 螺钉时, 螺钉 需要以 15N m 的扭矩进行紧固。 如 果需要非常准确 地调整工具位置, 还可以在 工具端钻 ∅ 6 mm 销钉孔,用销钉加以定 位 。图 3-7 显示了钻孔位置和螺钉安装位 置,所…

JAKA Zu
12 v1.0 17
3.2.2 重要安全说明
警告:
1.确保机器人手臂正确并安全地安装到位。
2.安装表面必须是防震的,并有足够的承载能力。
警告:
1.确保工具正确并安全地安装到位。
2.确保工具安全,不会有零件意外坠落造成危险。
警告:
1.确保电控柜和线缆不接触液体。潮湿的电控柜可导致死亡。
2.电控柜不得暴露在灰尘或超出 IP20 等级或潮湿的环境下。密
切注意存在传导性灰尘的环境。
警告:
如果机器人泡在水中超过一定时间,则可能会被损坏。机器人不应安装在水中或潮湿环境中。
3.2.3 机器人本体安装
JAKA Zu 系列机器人可以 360°任意位姿安装,支持吊装、侧装等多种安装方式。几种典型的安装方式
如图 3-5 所示:
图 3-5
JAKA Zu
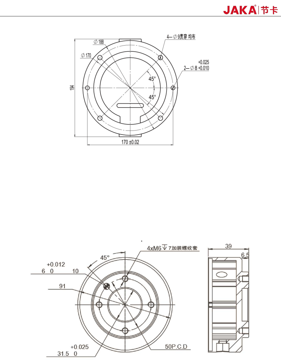
12 使用 4 颗 M8 螺钉,通过机器人基座上的 4 个∅9mm 通孔来安装机器人。建议以 40Nm
扭
矩紧固这些螺钉。如果需要非常准确地调整机器人的位置,还可以在准备安装的面上钻 2 个∅8mm 的销钉孔
,用销钉加以定位。注意,必须将将机器人安装在一个坚固的表面,该表面应当足以承受至少 10 倍的底座
关节的最大扭矩,以及至少 5 倍机器人的重量。此外,该表面应没有振动。如果机器人安装在线性轴或活动
的平台上,则安装机座的加速度应很低。高加速度会导致机器人停止,因为高加速度会导致机器人误以为
撞到东西而停止运行。图 3-6 为机器人的安装尺寸图,所有测量值均以 mm 为单位。

18 JAKA Zu
12 v1.0
图 3-6 JAKA Zu 12 基座安装尺寸图
3.2.4 末端工具安装
JAKA Zu 12 机器人末端法兰有四个 M6 螺纹孔,可用于将工具连接到机器人。在这些螺纹孔中安装
螺钉时,螺钉需要以 15Nm 的扭矩进行紧固。如果需要非常准确地调整工具位置,还可以在工具端钻∅6mm
销钉孔,用销钉加以定位。图 3-7 显示了钻孔位置和螺钉安装位置,所有测量值均以 mm 为单位。
图 3-7 末端法兰安装尺寸图

JAKA Zu
12 v1.0 19
第 4 章 电气接口
4.1 简介
本章描述了机器人和电控柜的所有电气接口。
这些接口主要包括以下几种:
•电控柜前面板接口
•电控柜底面接口
•工具端输入输出接口(TIO)
下文对这三部分接口进行了说明,大部分类型的接口都提供有使用示例。
4.2 电气警告和小心事项
在设计和安装机器人应用时,务必遵循以下警告和小心事项。实施维护作业同样要遵循这些警告和小心事项。
危险:
1.切勿将安全信号连接到安全等级不合适的非安全型 PLC。如不遵
守该警告,可能会因某项安全停止功能失效而导致严重受伤乃至死
亡。务必将安全接口信号与普通 I/O 接口信号分开。
2.所有安全型信号均具备冗余性(两个独立通道)。保持两个通道
独立,可确保在发生单一故障时不会丧失安全功能。
3.电控柜内部的 I/O 功能介绍,请参考第 4.3 节。
危险:
1.请确保所有严禁沾水的设备都保持干燥。如果有水进入产品,请
及时切断电源,然后联系您的供应商。
2.仅使用该机器人的原装线缆。请不要在那些线缆需要弯折的应用
中使用机器人。如果需要更长的线缆或柔性线缆,请联系您的供应
商。
3.对于保护性接地(PE),请使用电控柜中标记接地标志的螺丝钉接
头。接地连接器至少应具有该系统内最高电流的额定电流。
4.当向电控柜的 I/O 安装接口线缆的时候,打开柜门,去掉出线孔
金属板,并保证 I/O 线缆避免与出线孔边缘磨损。
小心:
1.机器人已通过 CR 认证中规定的电磁兼容性检测。超过标准的干
扰信号将会造成机器人的异常行为。信号电平极高或过度暴露将会
对机器人造成永久性的损害。由超出范围的 EMC 问题造成的任何
损失,节卡概不负责。
2.用于连接电控柜与其他机械或工厂设备的 I/O 线缆长度不得超过
30 米,除非进行延长测试后表明可行,且必要时需使用屏蔽线缆。