PTS-NADXHD-06.pdf - 第112页
Ref.BED AIMEX II AIMEX IIS NXT III φ4 φ4 φ4 φ4 φ4 φ4 φ6 A B A B Auto tool station check Auto tool station shutter open check Auto tool station shutter close check Auto tool station raise Auto tool station lower Auto tool…

DX-NT07A-AUTO-TOOL STATION 1/
DX-NT07A-オートツールステーション 1/
2UGTMY000406
No.
Drg.No. & Code No.
QTY
Description
Rating
Remarks
番号
図番
&
コード番号
個数
品名
規格
備考
111
S67438
1
SENSOR, PHOTO
センサ フォト
EE-SX952P-R 3M
112
K5198B
1
SCREW, WASHER ASS'Y
小ネジ 座金組込み
M03X008
ナベセムス
P4(3
カシロ
)
114
S67441
1
SENSOR, PHOTO
センサ フォト
EE-SX953P-R 3M
115
K5198B
1
SCREW, WASHER ASS'Y
小ネジ 座金組込み
M03X008
ナベセムス
P4(3
カシロ
)
118
2MGTMY011501
2
HOLDER
ホルダ
119
H54251
6
BOLT, HEX SOCKET
ボルト 六角穴
M03X006(3
カ
シロ
)
120
W1010A
6
WASHER, CONICAL
ワッシャ 皿
M-3-L
123
2MGKMY012800
8
GUIDE
ガイド
124
H68817
8
PIN, PARALLEL
ピン 平行
φ01X08 B
種
(h8) SUS
125
2MGKMY014802
2
HOLDER
受け
126
H54252
2
BOLT, HEX SOCKET
ボルト 六角穴
M03X008(3
カ
シロ
)
127
W1106C
2
WASHER, LOCK
ワッシャ スプリング
3M/M(3
カ
シロ
)
128
2MGKMY012201
2
PLATE
プレート
129
2MGKMY016900
6
SPACER
スペーサ
130
W1106C
6
WASHER, LOCK
ワッシャ スプリング
3M/M(3
カ
シロ
)
131
K5170C
6
SCREW, C/R COUNTERSUNK
小ネジ 十穴皿
M02X004(3
カシロ
)
132
2MGKMY012301
2
SHEET
シート
133
H67583
2
PIN, PARALLEL
ピン 平行
φ2×6 B
シュ
134
K67293
2
SCREW, C/R TRUSS
小ネジ 十穴トラス
M02X002(
ステンレス
)
111
PTS-NADXHD-06

Ref.BED
AIMEX IIAIMEX IIS
NXT III
φ4
φ4 φ4φ4
φ4 φ4
φ6
A B A B
Auto tool station
check
Auto tool station
shutter open check
Auto tool station
shutter close check
Auto tool station raise Auto tool station lower
Auto tool station
Shutter open
Auto tool station
Shutter close
Auto tool station
lower limit check
Auto tool station
raise limit check
1
5
6
7
7
9
1111
22
23
21
2
3
4
5 6
8
8
9
10
11 11
25
24
21
52
51
53
26
12 12
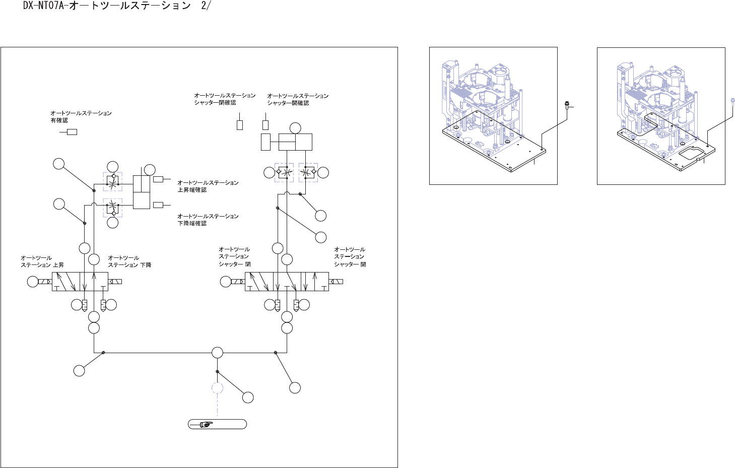
DX-NT07A-AUTO-TOOL STATION 2/
2UGTMY000406
112
PTS-NADXHD-06

DX-NT07A-AUTO-TOOL STATION 2/
DX-NT07A-オートツールステーション 2/
2UGTMY000406
No.
Drg.No. & Code No.
QTY
Description
Rating
Remarks
番号
図番
&
コード番号
個数
品名
規格
備考
1
H66486
1
VALVE
バルブ
VQZ1221-5MO1-M5
2
H66487
1
VALVE, SOL
バルブ SOL
VQZ1421-5MO1-M5
3
S64148
1
CYLINDER, AIR
シリンダ エアー
CDQSB16-45DC-M9PL
4
S63807
1
CYLINDER, AIR
シリンダ エアー
CU16-5D
5
K63325
2
CONTROLLER, SPEED
コントローラ スピード
AS1201F-M5-04A
6
K69654
2
CONTROLLER, SPEED
コントローラ スピード
AS1301F-M5E-04A
7
Y60363
2
UNION, ELBOW
ユニオン エルボ
KQ2W04-M5A
8
Y60181
2
UNION, ELBOW
ユニオン エルボ
KQ2L04-M5A
9
Y60183
2
UNION, HALF
ユニオン ハーフ
KQ2S04-M5A
10
Y60291
1
UNION
ユニオン
KQ2U04-06A
11
S1058A
4
SILENCER
サイレンサ
AN120-M5
12
Y60235
2
UNION, ELBOW
ユニオン エルボ
KQ2L04-99A
21
2MGTMY012800
2
TUBE
チューブ
22
2MGTMY013400
1
TUBE
チューブ
23
2MGTMY013500
1
TUBE
チューブ
24
2MGTMY013100
1
TUBE
チューブ
25
2MGTMY013600
1
TUBE
チューブ
26
2MGKMY016000
1
TUBE
チューブ
51
2MGTYL007303
1
PLATE, LOWER
プレート 下
52
2MGYYL000401
1
PLATE, LOWER
プレート 下
53
H69437
4
BOLT, HEX SOCKET WASHER ASSY
ボルト 六角穴座金付
M04x016 WA
ソケット
SP
タイプ
(3
カ
シロ
)
113
PTS-NADXHD-06