PTS-NADXHD-06.pdf - 第93页
このページはブランクページです This page is intentionally blank. 此页是空白页 93 PTS-NADXHD-06

DX-NT05A-AUTO-TOOL STATION 2/
DX-NT05A-オートツールステーション 2/
2UGKMY000319
No.
Drg.No. & Code No.
QTY
Description
Rating
Remarks
番号
図番
&
コード番号
個数
品名
規格
備考
56
2MGKMY006300
2
BOLT, HEX SOCKET
ボルト 六角穴
57
W1106D
2
WASHER, LOCK
ワッシャ スプリング
4M/M(3
カ
シロ
)
58
PM23631
2
NUT, ROUND
ナツト マル
61
2MGKMY010501
1
COVER, WIRING
カバー 配線
62
K66404
2
SCREW, WASHER ASS'Y
小ネジ 座金組込み
M02.5X005
ナベセムス
I3(3
カシロ
)
66
AA42108
4
BOLT, HEX SOCKET
ボルト 六角穴
67
PM07617
1
BOLT, HEX SOCKET
ボルト 六角穴
68
W1106D
1
WASHER, LOCK
ワッシャ スプリング
4M/M(3
カ
シロ
)
69
PM23631
1
NUT, ROUND
ナツト マル
70
2MGKMY010701
1
COVER
カバー
71
H68672
1
BOLT, HEX SOCKET
ボルト 六角穴
M04X005(3
カ
シロ
)
72
W1106D
1
WASHER, LOCK
ワッシャ スプリング
4M/M(3
カ
シロ
)
92
PTS-NADXHD-06
このページはブランクページです
This page is intentionally blank.
此页是空白页
93
PTS-NADXHD-06

A
A
1
2
3
4
5
6
8
9
10
10
11
12
11
12
15
16
17
20
21
22
23
24
25
25
25
26
26
26
25
26
30
30
31
32
31
32
33
34
35
35
35
35
36
36
37
38
40
40
41
41
50
51
52
53
55
56
60
61
6262
63
64
31
32
30
33
34
33
34
37
38
70
71
72
73
74
76
77
80
81
82
84
84
84
84
85
86
87
88
88
88
88
89
90
91
92
93
95
94
42
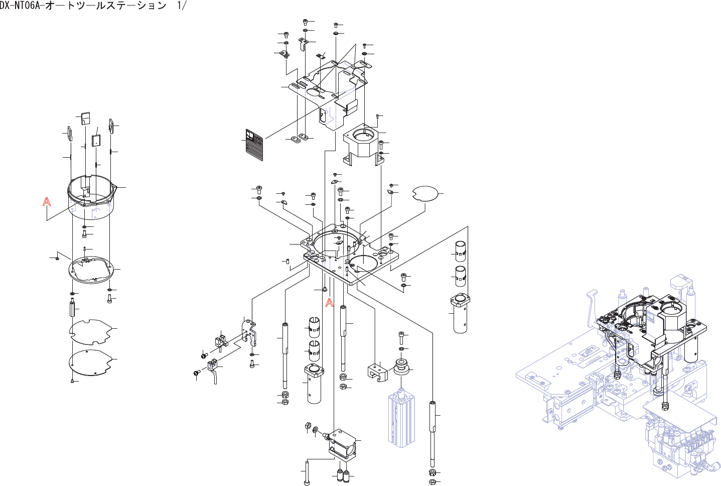
DX-NT06A-AUTO-TOOL STATION 1/
2UGTMY000309
94
PTS-NADXHD-06