PTS-NADXHD-06.pdf - 第90页
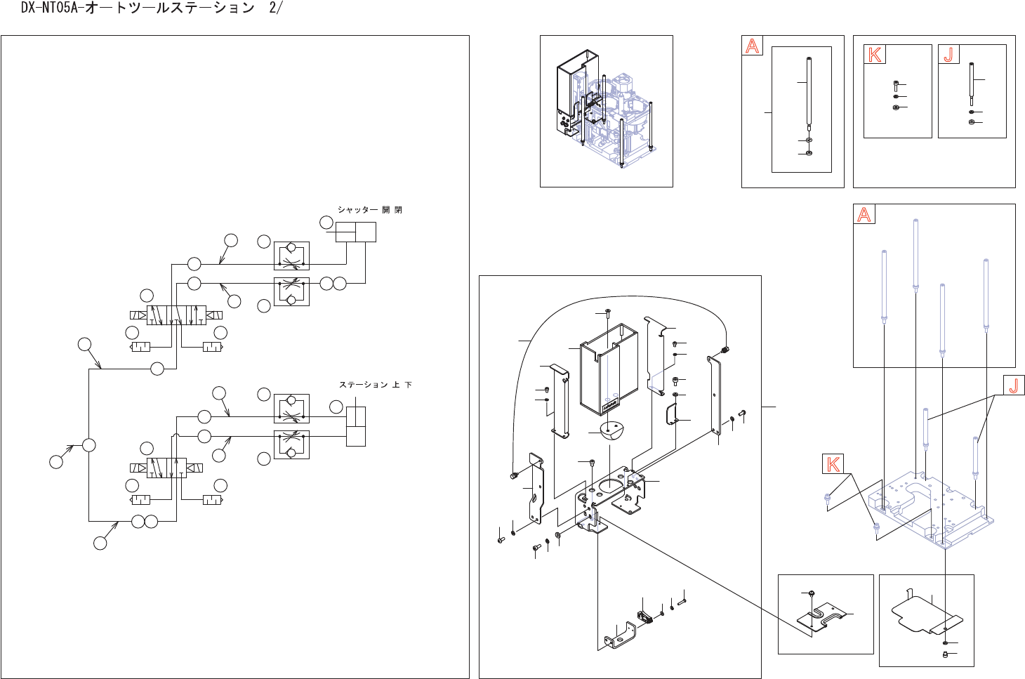
AIMEX II AIMEX II AIMEX II NXT III NXT III AIMEX IIS A J K A J K Shutter open close Station up down 67 66 68 69 21 24 26 27 28 29 30 31 33 34 35 25 22 23 32 36 37 38 61 62 39 70 71 72 56 57 58 53 54 55 A B B B B 1 2 6 4 …

DX-NT05A-AUTO-TOOL STATION 1/
DX-NT05A-オートツールステーション 1/
2UGKMY000319
No.
Drg.No. & Code No.
QTY
Description
Rating
Remarks
番号
図番
&
コード番号
個数
品名
規格
備考
112
2MGKMY014601
3
SEAL
シール
113
2MGKMY013200
1
SHUTTER
シャッタ
114
H67896
2
BOLT, HEX SOCKET
ボルト 六角穴
M02.5X005(3
カ
シロ
)
115
W1106A
2
WASHER, LOCK
ワッシャ スプリング
2.5M/M(3
カ
シロ
)
116
W60736
2
WASHER
ワッシャ
WSSM8-3-1.5
117
2MGKMY014001
1
SEAL
シール
118
2MGKMY014701
1
SEAL
シール
140
S63807
1
CYLINDER, AIR
シリンダ エアー
CU16-5D
141
H5426Z
2
BOLT, HEX SOCKET
ボルト 六角穴
M04X035(3
カ
シロ
)
142
K63325
2
CONTROLLER, SPEED
コントローラ スピード
AS1201F-M5-04A
143
K5077A
2
CONNECTOR
コネクタ
M-5J
144
N1079Y
1
NUT, HEX
ナット 六角
M05 3
シュ
(3
カシロ
)
145
W1106E
1
WASHER, LOCK
ワッシャ スプリング
5M/M(3
カ
シロ
)
150
Y60200
1
UNION, ELBOW
ユニオン エルボ
KQ2L06-99A
151
Y60222
1
UNION
ユニオン
KQ2U06-00A
89
PTS-NADXHD-06

AIMEX II
AIMEX II
AIMEX II NXT III
NXT III
AIMEX IIS
A
JK
A
J
K
Shutter open close
Station up down
67
66
68
69
21
24
26
27
28
29
30
31
33
34
35
25
22
23
32
36
37
38
61
62
39
70
71
72
56
57
58
53
54
55
A
B
B
B
B
1
2
6
4
6
7 7
6
7 7
10
11
12
13
14
15
16
E
6
D A
C C
3
40
41
42
43
44
45
46
47
48
49
20
DX-NT05A-AUT-TOOL STATION 2/
2UGKMY000319
Ø6
Ø6
Ø4
Ø4
Ø4
Ø4
Ø6
90
PTS-NADXHD-06

DX-NT05A-AUTO-TOOL STATION 2/
DX-NT05A-オートツールステーション 2/
2UGKMY000319
No.
Drg.No. & Code No.
QTY
Description
Rating
Remarks
番号
図番
&
コード番号
個数
品名
規格
備考
1
H70861
1
VALVE, SOL
バルブ SOL
VQZ1421-5G1-M5-X567
2
H70860
1
VALVE, SOL
バルブ SOL
VQZ1221-5G1-M5-X567
3
S63807
1
CYLINDER, AIR
シリンダ エアー
CU16-5D
4
S64148
1
CYLINDER, AIR
シリンダ エアー
CDQSB16-45DC-M9PL
6
K63325
4
CONTROLLER, SPEED
コントローラ スピード
AS1201F-M5-04A
7
S1058A
4
SILENCER
サイレンサ
AN120-M5
10
2MGKMY016000
1
TUBE
チューブ
11
2MGKMY016200
1
TUBE
チューブ
12
2MGKMY016300
1
TUBE
チューブ
13
2MGKMY016400
1
TUBE
チューブ
14
2MGKMY016500
1
TUBE
チューブ
15
2MGKMY017000
1
TUBE
チューブ
16
2MGKMY017100
1
TUBE
チューブ
A
Y60199
2
UNION, ELBOW
ユニオン エルボ
KQ2L06-M5A
B
Y60181
4
UNION, ELBOW
ユニオン エルボ
KQ2L04-M5A
C
K5077A
2
CONNECTOR
コネクタ
M-5J
D
Y60200
1
UNION, ELBOW
ユニオン エルボ
KQ2L06-99A
E
Y60222
1
UNION
ユニオン
KQ2U06-00A
20
2AGKMY000905
1
BOX, REJECT
BOX NG
21
2MGYBA005601
1
BLOCK, LOCATING
ブロック 位置決め
22
K5192A
2
SCREW, C/R COUNTERSUNK
小ネジ 十穴皿
M04X015(
ニッケルメッキ
)
23
2MHFBA027201
1
BOX, REJECT
BOX NG
24
2MHFBA025602
1
BKT, BOX
BKT BOX
25
H5426H
2
BOLT, HEX SOCKET
ボルト 六角穴
M04X006(3
カ
シロ
)
26
2MGKMY010300
1
GUIDE
ガイド
27
H54250
2
BOLT, HEX SOCKET
ボルト 六角穴
M03X005(3
カ
シロ
)
28
W1106C
2
WASHER, LOCK
ワッシャ スプリング
3M/M(3
カ
シロ
)
29
2MHFBA027300
1
BKT, SENSOR
BKT センサ
30
K5258M
2
SCREW, HEX SOCKET BUTTON
小ネジ 六角穴ボタン
M04X010(3
カ
シロ
)
31
W1106D
2
WASHER, LOCK
ワッシャ スプリング
4M/M(3
カ
シロ
)
32
2MGKMY010200
1
BKT, SENSOR
BKT センサ
33
H5426L
2
BOLT, HEX SOCKET
ボルト 六角穴
M04X010(3
カ
シロ
)
34
W1106D
2
WASHER, LOCK
ワッシャ スプリング
4M/M(3
カ
シロ
)
35
W1043C
2
WASHER, FLAT
ワッシャ 平
4W- 4(3
カシロ
)
36
S69789
1
SENSOR
センサ
AV634264-A
37
K5175Y
2
SCREW, C/R PAN
小ネジ 十穴鍋
M02X010(
ステンレス
)
38
W1105A
2
WASHER, LOCK
ワッシャ スプリング
2M/M(
ステンレス
)
39
W1107A
2
WASHER, FLAT
ワッシャ 平
2M/MX0.3X4.3(
ステンレス
)
40
2MHFBA027400
1
BKT, SENSOR
BKT センサ
41
K5258M
2
SCREW, HEX SOCKET BUTTON
小ネジ 六角穴ボタン
M04X010(3
カ
シロ
)
42
W1106D
2
WASHER, LOCK
ワッシャ スプリング
4M/M(3
カ
シロ
)
43
2MHFBA027501
1
GUIDE
ガイド
44
H54250
2
BOLT, HEX SOCKET
ボルト 六角穴
M03X005(3
カ
シロ
)
45
W1106C
2
WASHER, LOCK
ワッシャ スプリング
3M/M(3
カ
シロ
)
46
2MHFBA027602
1
GUIDE
ガイド
47
H54250
2
BOLT, HEX SOCKET
ボルト 六角穴
M03X005(3
カ
シロ
)
48
W1106C
2
WASHER, LOCK
ワッシャ スプリング
3M/M(3
カ
シロ
)
49
S40524
1
SENSOR, FIBER
センサ ファイバ
FU-77TZ
53
H5426N
2
BOLT, HEX SOCKET
ボルト 六角穴
M04X015(3
カ
シロ
)
54
W1106D
2
WASHER, LOCK
ワッシャ スプリング
4M/M(3
カ
シロ
)
55
W1043C
2
WASHER, FLAT
ワッシャ 平
4W- 4(3
カシロ
)
91
PTS-NADXHD-06