OM-1787-001w_GS-CU620.pdf - 第64页
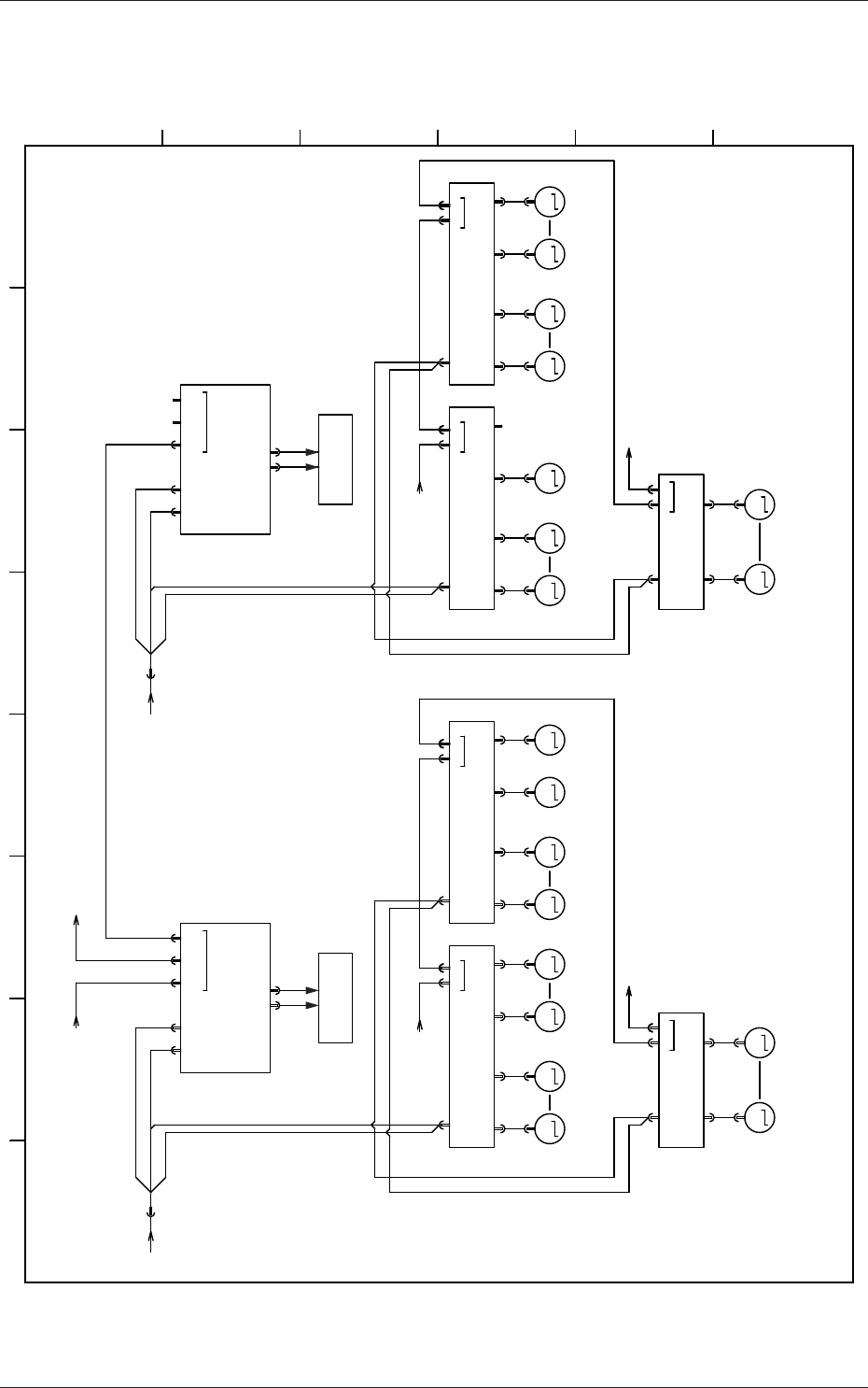
48 OM-1787 15.4 电路图 1504-001- (31012WN-1502) 马达驱动器连接回路 1 2 3 4 5 6 7 8 A B C D E F 1 2 3 CN6 4 2 4 3 N1 2 4 3 N2 ALM- STP- ALM+ STP+ 1 2 3 4 CN1 :B1 X1206 GND(SG) COM B +V COM A COM B +V COM A XN1 CV+ :A1 GND(B) MV+ GND(…

47
OM-1787
15.4 电路图
1504-001- (31015WN-1001)
15.4 电路图
双轨搬送模块电路图
1 2 3 4 5 6 7 8
A
B
C
D
E
F
NL-LA2NL-LA1
M42M41
X2
24A3
X1
24A6
CN1
UP
CN2
DN
CN3
T
U08
CONV HSIO STLT_L
M M
High-Speed IO
Bank Connector(B1)
High-Speed I/O(UP)
U85 High-Speed I/O Hout
High-Speed I/O(T)
U85 High-Speed IO Host
AE-LINK CH1
24A6
24A3
48D
XCV-L
A12
PWR
M M M M M M
M43
NL-LB1
M44
NL-LB2
M53
NA-LA1
M54
NA-LA2 NA-LB1 NA-LB2
AE LINK
N1 N2
A13
PWR
AE LINK
N1 N2
M52M51
NR-LA2NR-LA1
M46M45
M M
A14
PWR
M MM M M
M47
NR-LB1
M57
NR-LB2
M48
NA-W1 NA-W3 NA-W2
AE LINK
N1 N2
A15
PWR
AE LINK
N1 N2
M56M55
A16
NA-BAL
M49 M50
NA-BAR
M M
AE LINK
N1 N2
PWR
A63F Cutter Driber(B1)
AE-LINK CH1
X2
24A3
X1
24A6
CN1
UP
CN2
DN
CN3
T
Transfer Section
Load Sensor
High-Speed IO
U85 High-Speed IO Host
AE-LINK CH2
24A6
24A3
48D
XCV-R
A17
M M
AE LINK
N1 N2
PWR
A63F Cutter Driber(B2)
AE-LINK CH2
NA-BBL
M59 M60
NA-BBR
IO PCB
U09
CONV HSIO STLT_R
IO PCB
Stepping Motor Driver Stepping Motor Driver Stepping Motor Driver Stepping Motor Driver
Stepping Motor Driver Stepping Motor Driver
1 2 3 4 5 6 7 8
A
B
C
D
E
F
Transfer Section
Load Sensor

48
OM-1787
15.4 电路图
1504-001- (31012WN-1502)
马达驱动器连接回路
1 2 3 4 5 6 7 8
A
B
C
D
E
F
1
2
3
CN6
4
2
4
3
N1
2
4
3
N2
ALM-
STP-
ALM+
STP+
1
2
3
4
CN1
:B1
X1206
GND(SG)
COM B
+V
COM A
COM B
+V
COM A
XN1
CV+
:A1
GND(B)
MV+
GND(D)
:A4
:B4
1
1
GND(SG)
XN2
Stepping Motor Driver
A12
XCV-L
G5S
Main Machine
PF
:2
:3
:1
:4
XAE
1
2
3
CN6
4
2
4
3
N1
2
4
3
N2
ALM-
STP-
ALM+
STP+
1
2
3
4
CN1
X1306
GND(SG)
COM B
+V
COM A
COM B
+V
COM A
XN1
CV+
GND(B)
MV+
GND(D)
1
1
GND(SG)
XN2
Stepping Motor Driver
A13
1
2
3
CN10
4
2
4
3
N1
2
4
3
N2
ALM-
STP-
ALM+
STP+
1
2
3
4
CN9
X1610
GND(SG)
COM B
+V
COM A
COM B
+V
COM A
XN1
1
1
GND(SG)
XN2
Stepping Motor Driver
A16
:2
:3
:1
:4
XAE-CT
:A5
:B5
5
6
MGND
MGND
CGND
MV+
MV+
CV+
1
2
3
CN6
4
2
4
3
N1
2
4
3
N2
ALM-
STP-
ALM+
STP+
1
2
3
4
CN1
X1406
GND(SG)
COM B
+V
COM A
COM B
+V
COM A
XN1
CV+
GND(B)
MV+
GND(D)
1
1
GND(SG)
XN2
Stepping Motor Driver
A14
1
2
3
CN6
4
2
4
3
N1
2
4
3
N2
ALM-
STP-
ALM+
STP+
1
2
3
4
CN1
X1506
GND(SG)
COM B
+V
COM A
COM B
+V
COM A
XN1
CV+
GND(B)
MV+
GND(D)
1
1
GND(SG)
XN2
Stepping Motor Driver
A15
1
2
3
CN10
4
2
4
3
N1
2
4
3
N2
ALM-
STP-
ALM+
STP+
1
2
3
4
CN9
X1710
GND(SG)
COM B
+V
COM A
COM B
+V
COM A
XN1
1
1
GND(SG)
XN2
Stepping Motor Driver
A17
5
6
MGND
MGND
CGND
MV+
MV+
CV+
:B1
:A1
:A4
:B4
XCV-R
:A5
:B5
24A6
10
48D
10
48D
10
:2
:3
:1
:4
XAE
:2
:3
:1
:4
XAE-CT
to A63F-CN12
[DC/02/2B]
COM A
COM B
10
24A6
from U85-2CH
[F-/03/7C]
24A6
10
48D
10
48D
10
COM A
COM B
10
24A6
to A63B-CN12
[DC/01/2B]
COM A
COM B
10
24A6
from U85-1CH
[F-/03/7B]
COM A
COM B
10
24A6
XAE1CH
XAE-CT
XAE2CH
XAE-CT
XCV-L XCV-R
1 2 3 4 5 6 7 8
A
B
C
D
E
F
G5S Main Machine PF
G5S
Main Machine PF

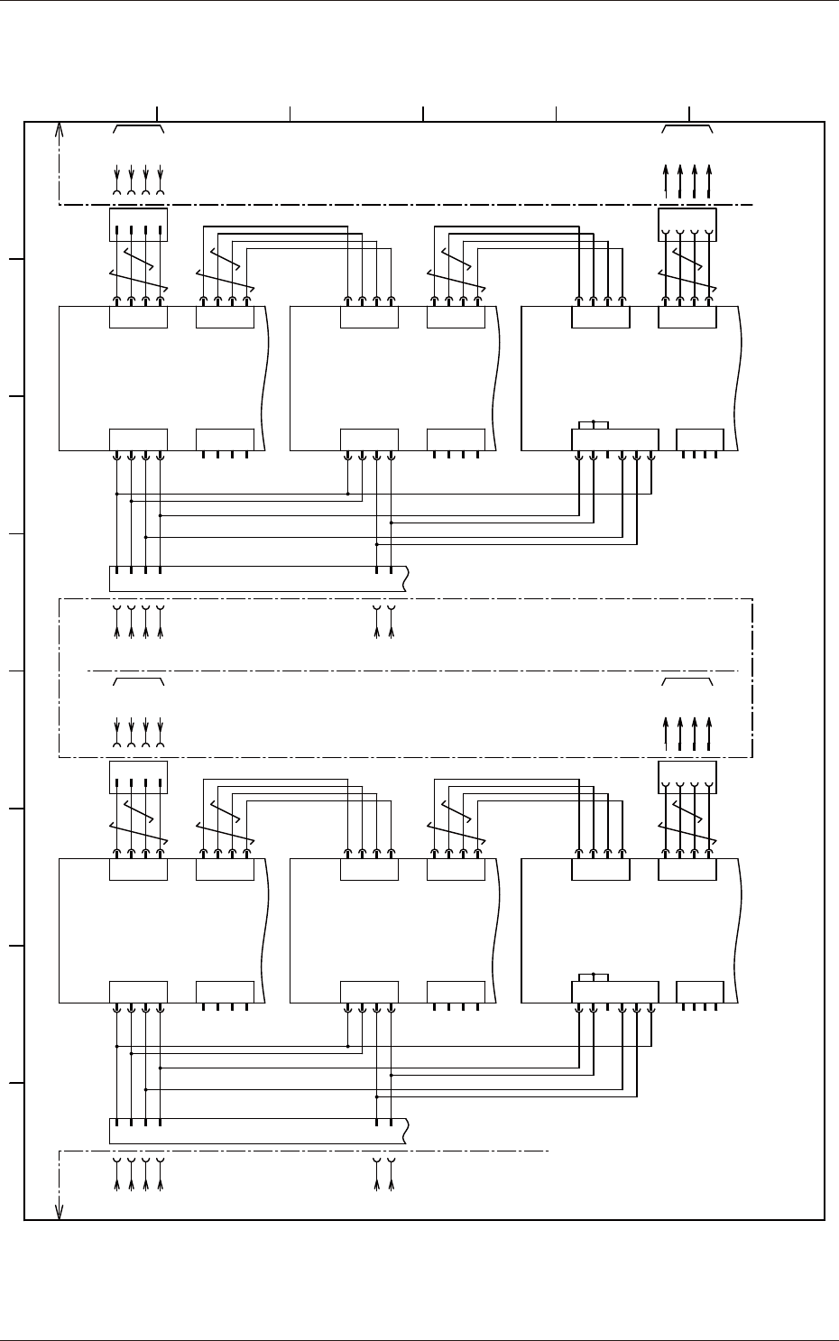
49
OM-1787
15.4 电路图
1504-001- (3102WN-1503)
A12 马达驱动器连接回路
1 2 3 4 5 6 7 8
A
B
C
D
E
F
M41
M
3
5
2
4
2
4
3
1
/B
/A
N.C.
B
5
A
M
2
4
3
1
5
NL_LA1 Motor
PCB Detection Sensor (A-Lane Left)
M
2
4
3
1
5
M
2
4
3
1
5
/B
/A
N.C.
B
A
/B
/A
N.C.
B
A
/B
/A
N.C.
B
A
M41
CN2
X1202
B1202
:3
:2
:1
B1202
5
6
4
2
1
SEN+
SEN3
COM
3
SEN2
SEN4
SEN1
:3
:2
:1
B1203
OUT
+
0V
Stepping Motor Driver
A12
B1203
OUT
+
0V
NL_LA2 Motor
M42
NL_LB1 Motor
M51
NL_LB2 Motor
M52
CN8
CN9
CN10
X1207
X1208
X1209
X1210
24A6
10
(1-Axis)
(1-Axis)
(2-Axis)
(3-Axis)
(4-Axis)
CN3
X1203
5
6
4
2
1
SEN+
SEN3
COM
3
SEN2
SEN4
SEN1
(2-Axis)
CN4
X1204
B1204
:3
:2
:1
B1204
5
6
4
2
1
SEN+
SEN3
COM
3
SEN2
SEN4
SEN1
:3
:2
:1
B1205
OUT
+
0V
B1205
OUT
+
0V
24A6
10
(3-Axis)
CN5
X1205
5
6
4
2
1
SEN+
SEN3
COM
3
SEN2
SEN4
SEN1
(4-Axis)
1
6
N.C.
N.C.
M42
1
6
N.C.
N.C.
M51
1
6
N.C.
N.C.
M52
1
6
N.C.
N.C.
3
5
2
4
3
5
2
4
3
5
2
4
CN7
1 2 3 4 5 6 7 8
A
B
C
D
E
F
PCB Detection Sensor (A-Lane Centor Left)
PCB Detection Sensor (B-Lane Left)
PCB Detection Sensor (B-Lane Censor Left)