OM-1787-001w_GS-CU620.pdf - 第68页
52 OM-1787 15.4 电路图 1504-001- (3102WN-1506) A15 马达驱动器连接回路 1 2 3 4 5 6 7 8 A B C D E F M45 M 3 5 2 4 2 4 3 1 /B /A N.C. B 5 A M 2 4 3 1 5 NR_LA1 Motor M 2 4 3 1 5 M 2 4 3 1 5 /B /A N.C. B A /B /A N.C. B A /B /A N.C. B A M…

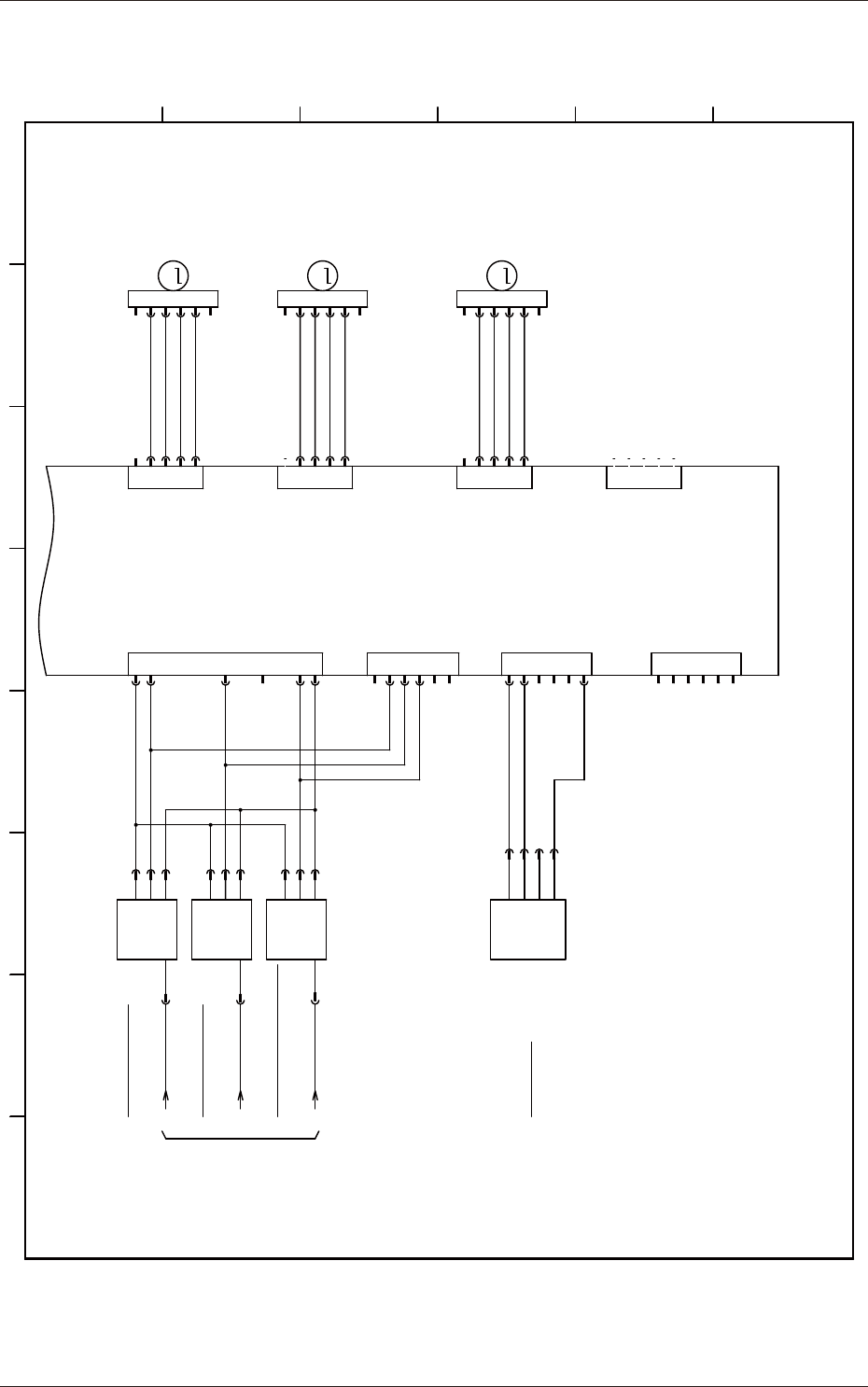
51
OM-1787
15.4 电路图
1504-001- (3102WN-1505)
A14 马达驱动器连接回路
1 2 3 4 5 6 7 8
A
B
C
D
E
F
M53
M
3
5
2
4
2
4
3
1
/B
/A
N.C.
B
5
A
M
2
4
3
1
5
NA_LB1 Motor
M
2
4
3
1
5
2
4
3
1
5
/B
/A
N.C.
B
A
/B
/A
N.C.
B
A
/B
/A
N.C.
B
A
M53
Stepping Motor Driver
A14
NA_LB2 Motor
M54
NA_W2 Motor
M48
CN8
CN9
CN10
X1407
X1408
X1409
1
6
N.C.
N.C.
M54
1
6
N.C.
N.C.
M48
2
5
N.C.
N.C.
3
5
2
4
4
3
6
1
5
6
4
2
1
SEN+
SEN3
COM
3
SEN2
SEN4
SEN1
:4
:4
:4
:3
:4
:5
B11402
B21402
B31402
B11402
OUT
+
0VIN
B21402
OUT
+
0VIN
B31402
OUT
+
0VIN
CN2
X1402
from U08-CN27
[N-/10/6F]
24A6
10
CN3
X1403
5
6
4
2
1
SEN+
SEN3
COM
3
SEN2
SEN4
SEN1
:3
:2
:1
B11402
:3
:2
:1
B21402
:3
:2
:1
B31402
5
6
4
2
1
SEN+
SEN3
COM
3
SEN2
SEN4
:4
:2
:1
:3
B1404
SEN1
B1404
L.ON
+
D.ON
0V
CN4
X1404
24A6
10
5
6
4
2
1
SEN+
SEN3
COM
3
SEN2
SEN4
SEN1
CN5
CN7
1 2 3 4 5 6 7 8
A
B
C
D
E
F
PCB Fiber Sensor (B-Lane Left)
PCB Fiber Sensor (B-Lane Right)
Long Picture PCB Fiber Sensor (B-Lane)(OP)
Movable Chute Origin 2
(2-Axis)
(1-Axis)
(2-Axis)
(3-Axis)
(4-Axis)
(2-Axis)
(3-Axis)
(4-Axis)

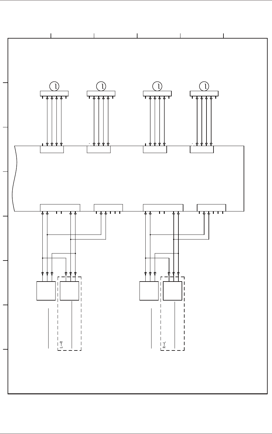
52
OM-1787
15.4 电路图
1504-001- (3102WN-1506)
A15 马达驱动器连接回路
1 2 3 4 5 6 7 8
A
B
C
D
E
F
M45
M
3
5
2
4
2
4
3
1
/B
/A
N.C.
B
5
A
M
2
4
3
1
5
NR_LA1 Motor
M
2
4
3
1
5
M
2
4
3
1
5
/B
/A
N.C.
B
A
/B
/A
N.C.
B
A
/B
/A
N.C.
B
A
M45
CN2
X1502
B1502
:3
:2
:1
B1502
5
6
4
2
1
SEN+
SEN3
COM
3
SEN2
SEN4
SEN1
:3
:2
:1
B1503
OUT
+
0V
Stepping Motor Driver
A15
B1503
OUT
+
0V
NR_LA2 Motor
M46
NR_LB1 Motor
M55
NR_LB2 Motor
M56
CN8
CN9
CN10
X1507
X1508
X1509
X1510
24A6
10
CN3
X1503
5
6
4
2
1
SEN+
SEN3
COM
3
SEN2
SEN4
SEN1
CN4
X1504
B1504
:3
:2
:1
B1504
5
6
4
2
1
SEN+
SEN3
COM
3
SEN2
SEN4
SEN1
:3
:2
:1
B1505
OUT
+
0V
B1505
OUT
+
0V
24A6
10
CN5
X1505
5
6
4
2
1
SEN+
SEN3
COM
3
SEN2
SEN4
SEN1
1
6
N.C.
N.C.
M46
1
6
N.C.
N.C.
M55
1
6
N.C.
N.C.
M56
1
6
N.C.
N.C.
3
5
2
4
3
5
2
4
3
5
2
4
CN7
1 2 3 4 5 6 7 8
A
B
C
D
E
F
PCB Detection Sensor (A-Lane Right)
PCB Detection Sensor (A-Lane Centor Right)
PCB Detection Sensor (B-Lane Right)
PCB Detection Sensor (B-Lane Censor Right)
(1-Axis) (1-Axis)
(2-Axis)
(3-Axis)
(4-Axis)
(2-Axis)
(3-Axis)
(4-Axis)

53
OM-1787
15.4 电路图
1504-001- (3102WN-1507)
A16 马达驱动器连接回路
1 2 3 4 5 6 7 8
A
B
C
D
E
F
NA BAL Motor Origin
NA BAL Motor Step-out Detection
B21604
B21604
B11604
B11604
2
4
3
1
E/C A+
E+5V
5
7
6
8
E/C A-
E/C B+
E/C B-
E/C Z+
E/C Z-
EGND
2
3
1
BRK+
BRK-
N.C.
M
2
4
3
1
/B
/A
B
A
2
3
1
4
NA_BAL Motor
M49
CN1
X1601
CN3
2
4
3
1
E/C A+
E+5V
5
7
6
8
E/C A-
E/C B+
E/C B-
E/C Z+
E/C Z-
EGND
M
2
4
3
1
/B
/A
B
A
2
3
1
4
NA_BAR Motor
M50
CN5
X1605
CN7
L
+
OUT
-
1
SEN+
CN4
2
SEN1
3
SEN2
5
SEN4
6
COM
4
SEN3
X1604
24A6
10
CN2
B21608
B21608
B11608
B11608
L
+
OUT
-
1
SEN+
CN8
2
SEN1
3
SEN2
5
SEN4
6
COM
4
SEN3
X1608
24A6
10
L
+
OUT
-
L
+
OUT
-
2
3
1
BRK+
BRK-
N.C.
CN6
Stepping Motor Driver
A16
M49
M50
1 2 3 4 5 6 7 8
A
B
C
D
E
F
NA BAR Motor Origin
NA BAR Motor Step-out Detection