OM-1787-001w_GS-CU620.pdf - 第66页
50 OM-1787 15.4 电路图 1504-001- (3102WN-1504) A13 马达驱动器连接回路 PCB Fiber Sensor (A-Lane Left) PCB Fiber Sensor (A-Lane Right) Long Picture PCB Fiber Sensor (A-Lane)(OP) 1 2 3 4 5 6 7 8 A B C D E F M43 M 3 5 2 4 2 4 3 1 /B /A …

49
OM-1787
15.4 电路图
1504-001- (3102WN-1503)
A12 马达驱动器连接回路
1 2 3 4 5 6 7 8
A
B
C
D
E
F
M41
M
3
5
2
4
2
4
3
1
/B
/A
N.C.
B
5
A
M
2
4
3
1
5
NL_LA1 Motor
PCB Detection Sensor (A-Lane Left)
M
2
4
3
1
5
M
2
4
3
1
5
/B
/A
N.C.
B
A
/B
/A
N.C.
B
A
/B
/A
N.C.
B
A
M41
CN2
X1202
B1202
:3
:2
:1
B1202
5
6
4
2
1
SEN+
SEN3
COM
3
SEN2
SEN4
SEN1
:3
:2
:1
B1203
OUT
+
0V
Stepping Motor Driver
A12
B1203
OUT
+
0V
NL_LA2 Motor
M42
NL_LB1 Motor
M51
NL_LB2 Motor
M52
CN8
CN9
CN10
X1207
X1208
X1209
X1210
24A6
10
(1-Axis)
(1-Axis)
(2-Axis)
(3-Axis)
(4-Axis)
CN3
X1203
5
6
4
2
1
SEN+
SEN3
COM
3
SEN2
SEN4
SEN1
(2-Axis)
CN4
X1204
B1204
:3
:2
:1
B1204
5
6
4
2
1
SEN+
SEN3
COM
3
SEN2
SEN4
SEN1
:3
:2
:1
B1205
OUT
+
0V
B1205
OUT
+
0V
24A6
10
(3-Axis)
CN5
X1205
5
6
4
2
1
SEN+
SEN3
COM
3
SEN2
SEN4
SEN1
(4-Axis)
1
6
N.C.
N.C.
M42
1
6
N.C.
N.C.
M51
1
6
N.C.
N.C.
M52
1
6
N.C.
N.C.
3
5
2
4
3
5
2
4
3
5
2
4
CN7
1 2 3 4 5 6 7 8
A
B
C
D
E
F
PCB Detection Sensor (A-Lane Centor Left)
PCB Detection Sensor (B-Lane Left)
PCB Detection Sensor (B-Lane Censor Left)

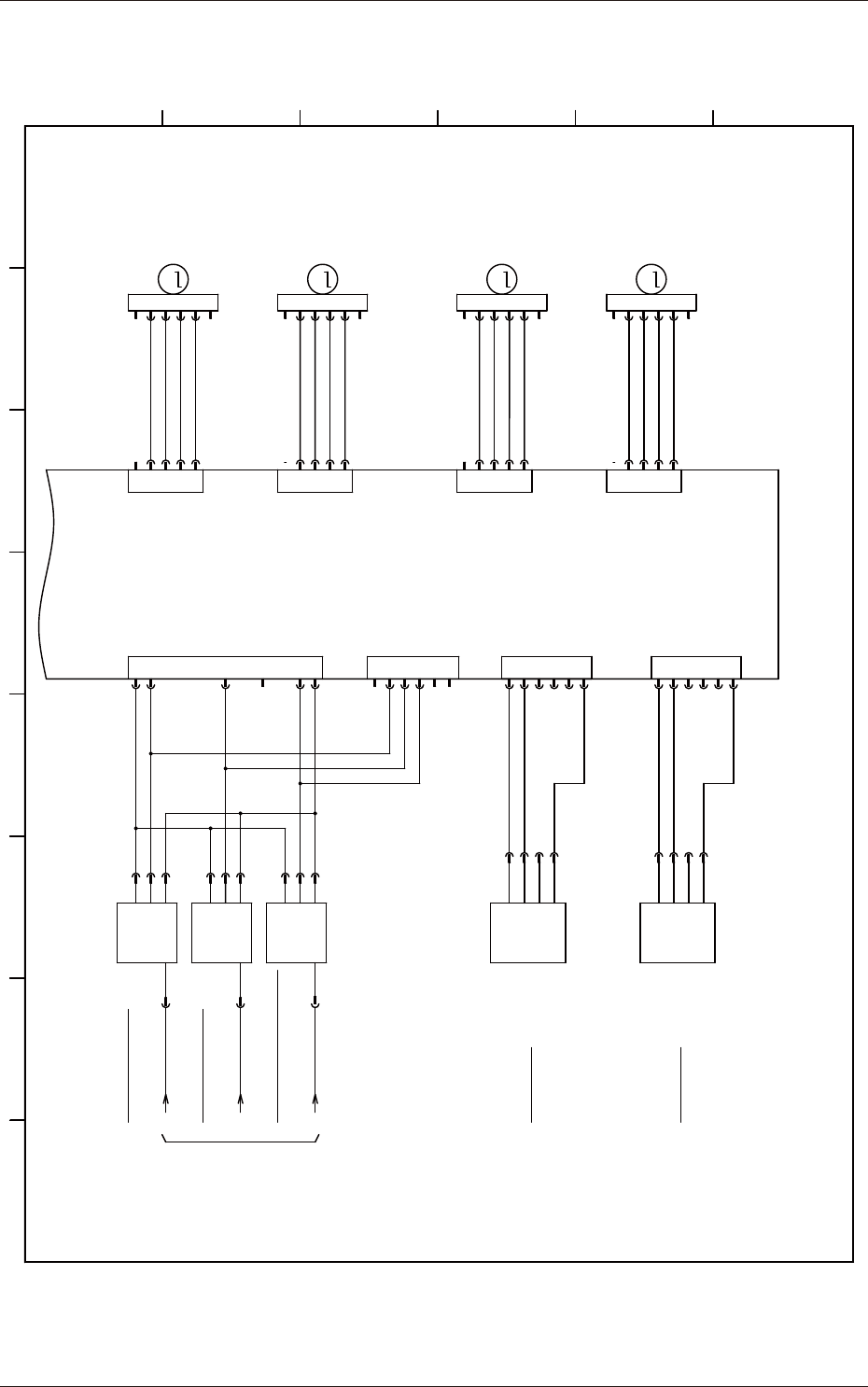
50
OM-1787
15.4 电路图
1504-001- (3102WN-1504)
A13 马达驱动器连接回路
PCB Fiber Sensor (A-Lane Left)
PCB Fiber Sensor (A-Lane Right)
Long Picture PCB Fiber Sensor (A-Lane)(OP)
1 2 3 4 5 6 7 8
A
B
C
D
E
F
M43
M
3
5
2
4
2
4
3
1
/B
/A
N.C.
B
5
A
M
2
4
3
1
5
NA_LA1 Motor
M
2
4
3
1
5
M
2
4
3
1
5
/B
/A
N.C.
B
A
/B
/A
N.C.
B
A
/B
/A
N.C.
B
A
M43
Stepping Motor Driver
A13
NA_LA2 Motor
M44
NA_W1 Motor
M47
NA_W3 Motor
M57
CN8
CN9
CN10
X1307
X1308
X1309
X1310
1
6
N.C.
N.C.
M44
1
6
N.C.
N.C.
M47
2
5
N.C.
N.C.
M57
N.C.
N.C.
3
5
2
4
4
3
6
1
5
6
4
2
1
SEN+
SEN3
COM
3
SEN2
SEN4
SEN1
:4
:4
:4
:3
:4
:5
B11302
B21302
B31302
B11302
OUT
+
0VIN
B21302
OUT
+
0VIN
B31302
OUT
+
0VIN
CN2
X1302
from U09-CN27
[N-/11/6F]
24A6
10
CN3
X1303
5
6
4
2
1
SEN+
SEN3
COM
3
SEN2
SEN4
SEN1
:3
:2
:1
B11302
:3
:2
:1
B21302
:3
:2
:1
B31302
5
6
4
2
1
SEN+
SEN3
COM
3
SEN2
SEN4
:4
:2
:1
:3
B1304
Movable Chute Origin 1
SEN1
B1304
L.ON
+
D.ON
0V
CN4
X1304
24A6
10
5
6
4
2
1
SEN+
SEN3
COM
3
SEN2
SEN4
:4
:2
:1
:3
B1305
Movable Chute Origin 3
SEN1
B1305
L.ON
+
D.ON
0V
CN5
X1305
24A6
10
2
5
4
3
6
1
CN7
1 2 3 4 5 6 7 8
A
B
C
D
E
F
(2-Axis)
(1-Axis)
(2-Axis)
(3-Axis)
(4-Axis)
(2-Axis)
(3-Axis)
(4-Axis)

51
OM-1787
15.4 电路图
1504-001- (3102WN-1505)
A14 马达驱动器连接回路
1 2 3 4 5 6 7 8
A
B
C
D
E
F
M53
M
3
5
2
4
2
4
3
1
/B
/A
N.C.
B
5
A
M
2
4
3
1
5
NA_LB1 Motor
M
2
4
3
1
5
2
4
3
1
5
/B
/A
N.C.
B
A
/B
/A
N.C.
B
A
/B
/A
N.C.
B
A
M53
Stepping Motor Driver
A14
NA_LB2 Motor
M54
NA_W2 Motor
M48
CN8
CN9
CN10
X1407
X1408
X1409
1
6
N.C.
N.C.
M54
1
6
N.C.
N.C.
M48
2
5
N.C.
N.C.
3
5
2
4
4
3
6
1
5
6
4
2
1
SEN+
SEN3
COM
3
SEN2
SEN4
SEN1
:4
:4
:4
:3
:4
:5
B11402
B21402
B31402
B11402
OUT
+
0VIN
B21402
OUT
+
0VIN
B31402
OUT
+
0VIN
CN2
X1402
from U08-CN27
[N-/10/6F]
24A6
10
CN3
X1403
5
6
4
2
1
SEN+
SEN3
COM
3
SEN2
SEN4
SEN1
:3
:2
:1
B11402
:3
:2
:1
B21402
:3
:2
:1
B31402
5
6
4
2
1
SEN+
SEN3
COM
3
SEN2
SEN4
:4
:2
:1
:3
B1404
SEN1
B1404
L.ON
+
D.ON
0V
CN4
X1404
24A6
10
5
6
4
2
1
SEN+
SEN3
COM
3
SEN2
SEN4
SEN1
CN5
CN7
1 2 3 4 5 6 7 8
A
B
C
D
E
F
PCB Fiber Sensor (B-Lane Left)
PCB Fiber Sensor (B-Lane Right)
Long Picture PCB Fiber Sensor (B-Lane)(OP)
Movable Chute Origin 2
(2-Axis)
(1-Axis)
(2-Axis)
(3-Axis)
(4-Axis)
(2-Axis)
(3-Axis)
(4-Axis)