P-0237-001.pdf - 第153页
Key No. P AR T No. P AR T NAME Q’ty REMARKS NOTE MODEL TCM-X1 10M 0405-001 151 JE-6 551 630 1 1 1 1667 ASSY ,CORD(X100J10) 1 XNC184,185,188,182,183- 818JE-010-551 552 630 1 1 1 1674 ASSY ,CORD(X100J1 1) 1 XNC183- 818JE-0…

MODEL TCM-X110M
0405-001
150
XY
テーブル配管、配線
XY TABLE PIPING,WIRING
Fig. JE-6
ケーブル配線
Cable Wiring

Key No. PART No. PART NAME Q’ty REMARKS
NOTE
MODEL TCM-X110M
0405-001
151
JE-6
551 630 111 1667 ASSY,CORD(X100J10) 1 XNC184,185,188,182,183-
818JE-010-551
552 630 111 1674 ASSY,CORD(X100J11) 1 XNC183- 818JE-010-552
553 630 091 3583 ASSY,CORD X200J12 1 XNC182- 818JE-010-553
554 630 110 3785 ASSY,CORD (X100J14) 1 XNC184- 818JE-010-554
555 630 110 3792 ASSY,CORD (X100J19) 1 XNC188- 818JE-010-555
559 630 091 3682 ASSY,CORD X200J20-1 1 XNC181- 818JE-010-559
560 630 111 1681 ASSY,CORD(X100J20-3) 1 XNC181-MPM14 818JE-010-560
562 630 091 3712 ASSY,CORD X200J20-4 1 XNC180- 818JE-010-562
563 630 091 3729 ASSY,CORD X200J20-5 1 XNC180-MPM18 818JE-010-563
564 630 091 3736 ASSY,CORD X200J20-6 1 XNC186- 818JE-010-564
565 630 091 3743 ASSY,CORD X200J20-7 1 XNC186-MPM19 818JE-010-565
568 630 091 3798 ASSY,CORD X200J23 1 XCN121- 818JE-010-568
569 630 091 3811 ASSY,CORD X200J25 1 XNC187-XCN163 818JE-010-569
570 630 091 3804 ASSY,CORD X200J24 1 XNC187- 818JE-010-570
571 630 086 8197 CORD 1 XCN123-XCN122 818JE-010-571
572 630 092 4381 ASSY,CORD (X200PG XYTR) 1 XCN165-XCN164 818JE-010-572
574 630 092 4152 ASSY,CORD (X200MOT X) 1 818JE-010-574
575 630 086 8203 CORD 1 -XCN126 818JE-010-575

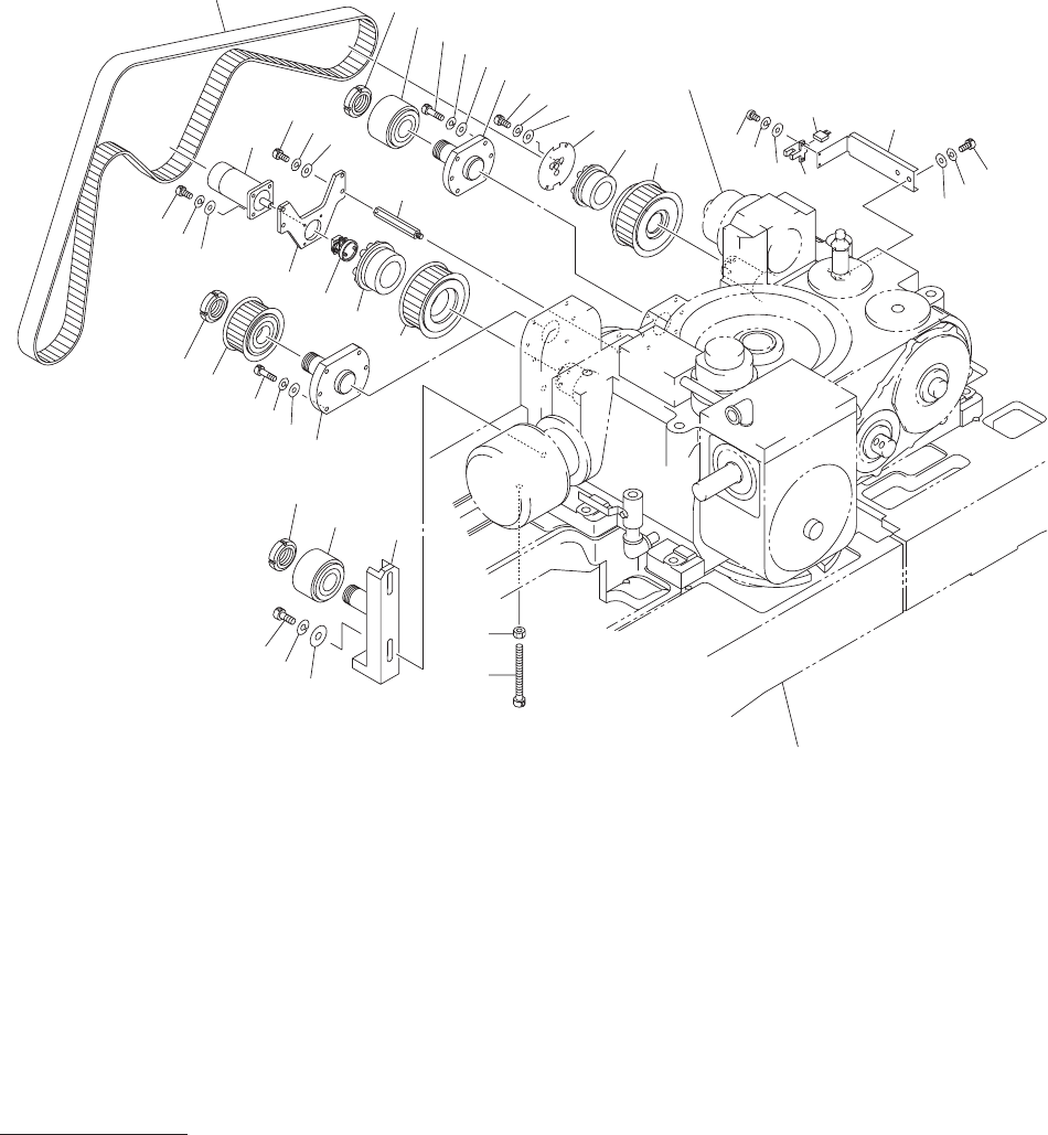
MODEL TCM-X110M
0405-001
152
ヘッド駆動部
HEAD DRIVING SECTION
Fig. K-1
メイン駆動部
Main Driver
26
33
32
31
20
19
17
16
18
8
9
7
6
12
11
10
47
22
17
46
45
44
17
16
21
See Fig.B-1
Key No.1
See Fig.L-1
Key No.12
25
24
23
43
28
5
3
2
1
4
15
30
14
13
39
38
37
35
36
40
41
34
42