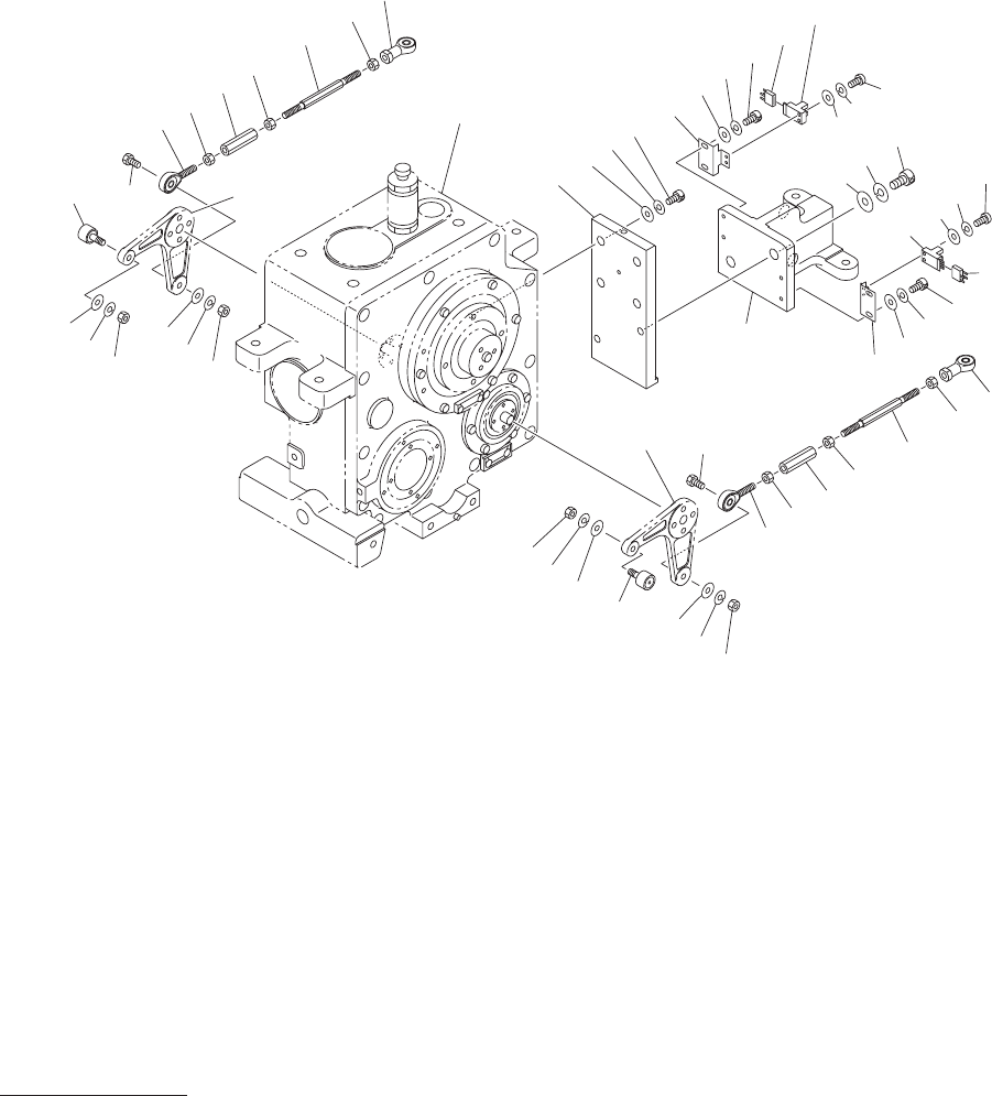
P-0237-001.pdf - 第183页
Key No. P AR T No. P AR T NAME Q’ty REMARKS NOTE MODEL TCM-X1 10M 0405-001 181 KC-3 201 630 088 3077 SHAFT 1 818KC-010-201 202 630 005 0868 BEARING,P ARTS(LOCK NUT) 1 WBK10L-01 818KC-010-202 203 630 000 8920 SET SCREW 1 …

MODEL TCM-X110M
0405-001
180
カム3軸部
CAM SHAFT 3 AXIS SECTION
Fig. KC-3
カッタレバーロッド
Cutter Lever Rod
220
221
219
216
218
218
217
217
224
224
222
222
223
223
206
See Fig.KC-1
Key No.5
See Fig.KC-1
Key No.1
205
204
202
203
215
209
201
211
212
205
214
213
210

Key No. PART No. PART NAME Q’ty REMARKS
NOTE
MODEL TCM-X110M
0405-001
181
KC-3
201 630 088 3077 SHAFT 1 818KC-010-201
202 630 005 0868 BEARING,PARTS(LOCK NUT) 1 WBK10L-01 818KC-010-202
203 630 000 8920 SET SCREW 1 818KC-010-203
204 630 085 9164 COLLAR 1 818KC-010-204
205 630 049 0176 BUSH,BEARING 2 LFF-1015 818KC-010-205
206 630 085 9270 SPRING,COMP 1 818KC-010-206
209 630 052 4246 MECH PARTS(PARALLEL PINS) 1 818KC-010-209
210 630 001 1074 ROD END 1 BRF8 818KC-010-210
211 630 048 9422 PIN,HINGE 1 818KC-010-211
212 630 089 7951 PLATE 1 818KC-010-212
213 411 141 0901 NUT HEX 8 1 818KC-010-213
214 411 141 3100 WASHER SPR 8 1 818KC-010-214
215 411 141 6101 WASHER F 8X15.5X1.6 1 818KC-010-215
216 630 117 0343 BRACKET 1 818KC-010-216
217 630 069 0545 SENSOR,PHOTO 2 BPH32,BPH33,EE-SX674
818KC-010-217
218 630 000 0269 SENSOR,PHOTO(CONNECTOR) 2 EE-1001 818KC-010-218
219 630 000 7626 BOLT,HEX-SCT 2 818KC-010-219
220 411 141 2905 WASHER SPR 4 2 818KC-010-220
221 411 141 5906 WASHER F 4X8X0.8 2 818KC-010-221
222 411 040 7803 SCR PAN 3X12 4 818KC-010-222
223 411 141 2806 WASHER SPR 3 4 818KC-010-223
224 411 141 5807 WASHER F 3X6X0.5 4 818KC-010-224

MODEL TCM-X110M
0405-001
182
カム3軸部
CAM SHAFT 3 AXIS SECTION
Fig. KC-4
ノズル切替えベース
Nozzle Changer Base
305
310
309
304
323
303
302
308
307
306
313
312
311
322
321
320
313
306
305
301
310
309
308
307
325
315
314
315
316
317
318
326
333
332
331
327
328
329
329
328
327
333
332
331
330
See Fig.KC-1
Key No.9
See Fig.KC-1
Key No.9
326
318
317
316
315
314
315
325
330
312
311
See Fig.KC-1
Key No.1