JX-350说明书.pdf - 第343页
第 1 部 基 本篇 第 3 章 维护 3-50 (4) 管道系统图 ( 切带器, 2 处通用 ) No. 货号 品名 ① 40093969 AIR_CYLINDER ② 40093976 SPEED_CONTROLLER ③ 40093977 5PORT_SOLENOID_V AL VE ④ PX055104000 SILENCER 切断方向 皮带动作方向 φ 4 φ 4 φ 6 φ 6

第 1 部 基本篇 第 3 章 维护
3-49
(2) 管道系统图(Head)
第6排 第1排
吸嘴
开放大气
过滤器
压力
传感器
V:来自负压(φ8)真空泵 V:来自负压(φ8)真空泵
P:来自正压(φ6)多支管
P:来自正压(φ6)空气单元
检查阀
气缸 气缸
气缸

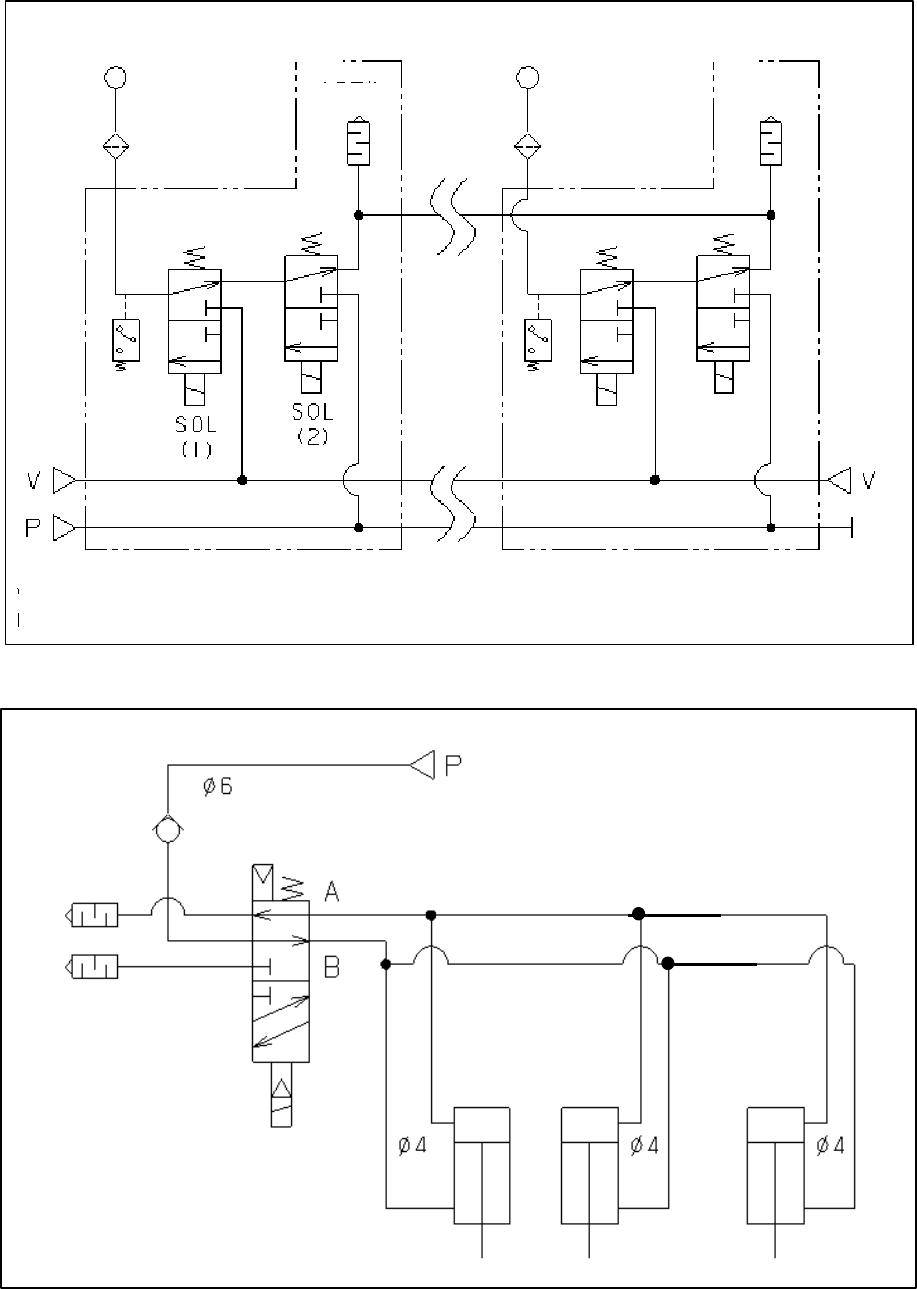
第 1 部 基本篇 第 3 章 维护
3-50
(4) 管道系统图(切带器,2 处通用)
No.
货号 品名
① 40093969 AIR_CYLINDER
② 40093976 SPEED_CONTROLLER
③ 40093977 5PORT_SOLENOID_VALVE
④ PX055104000 SILENCER
切断方向
皮带动作方向
φ
4
φ
4
φ
6
φ
6

第 1 部 基本篇 第 4 章 制作生产程序
4-1
第4章 制作生产程序
4-1 流程图
本章将对 No8 进行说明。同时,也将对 No9 的“校正”部分予以说明。
No.
生产流程图 备注
1
确认 ATC 周围的状况,进行日常检查。
2
确认主气压(0.5MPa)。
3
在实施前确认装置内部是否有异物等。
4
节假日后或寒冷地区,必须进行预热
(10 分钟左右)。
5
6
如果因日常检查、设置基板时清扫吸
嘴、改变基准销位置等而改变了机器
的初始设置状态时,请重新进行「机
器设置」。
(参见“第 7 章 机器设置”)
7
参见“第 5 章 数据库”
8
9
发生贴片位置偏移、定心不良等贴片
不正常时,可在「编辑程序」中进行
校正。部分元件数据可在「生产」中
进行校正。
10
11
12
13
定期实施。
(参见“第 3 章 维护”)
调整机器设置
在「机器设置」中
设置变更部分
制作元件数据库
检查贴片
有错误贴片
日常检查
关闭电源
无错误贴片
必要
不必要
不必要
校正
<制作、编辑生产程序>
●基板数据
●贴片数据
●元件数据
●吸取数据
必要
在「数据库」中
制作元件数据
接通电源
检查设备
返回原点
预热
设置基板
生产
结束生产