JX-350说明书.pdf - 第43页
第 1 部 基本篇 第 1 章 装置概要 1-27 主机正面左侧的接口表 No. 信号名 传送方向 向右流 向 信号名 传送方向 向左流 向 使用的接口 1 READY OUT + READY IN + AMP 206043-1 电缆侧 接口 206044-1 2 READY OUT - READY IN - ( GND ) 3 BOARD A V AILABLE IN + BOARD A V AILABLE OUT + 4 BOARD…

第 1 部 基本篇 第 1 章 装置概要
1-26
1-4-1 与外部装置的接口
①是主机装置通过联机操作时,与其他装置连接用的 Ready Out(In)接口(14 pin)。
传送方向为“左→右”时,与“右→左”的情况,Ready out/in 用接口的针配置位置相反。
②是以太网接口(模块接口 8P)。
主机正面左侧 主机正面右侧
③ 带轨迹球的键盘分别与下列标记的接口连接。
KYBD(键盘 )
①
②

第 1 部 基本篇 第 1 章 装置概要
1-27
主机正面左侧的接口表
No. 信号名 传送方向 向右流向 信号名 传送方向 向左流向 使用的接口
1 READY OUT + READY IN +
AMP
206043-1
电缆侧
接口
206044-1
2 READY OUT - READY IN - (GND)
3 BOARD AVAILABLE IN + BOARD AVAILABLE OUT +
4 BOARD AVAILABLE IN -(GND) BOARD AVAILABLE OUT -
5 N.C. N.C.
6 N.C. N.C.
7 N.C. N.C.
8 N.C. N.C.
9 N.C. N.C.
10 N.C. N.C.
11 N.C. N.C.
12 N.C. N.C.
13 N.C. N.C.
14 N.C. N.C.
主机正面右侧的接口表
No. 信号名 传送方向 向右流向 信号名 传送方向 向左流向 使用的接口
1 READY IN + READY OUT +
AMP
206043-1
电缆侧
接口
206044-1
2 READY IN - (GND) READY OUT -
3 BOARD AVAILABLE OUT + BOARD AVAILABLE IN +
4 BOARD AVAILABLE OUT - BOARD AVAILABLE IN -(GND)
5 N.C. N.C.
6 N.C. N.C.
7 N.C. N.C.
8 N.C. N.C.
9 N.C. N.C.
10 N.C. N.C.
11 N.C. N.C.
12 N.C. N.C.
13 N.C. N.C.
14 N.C. N.C.

第 1 部 基本篇 第 1 章 装置概要
1-28
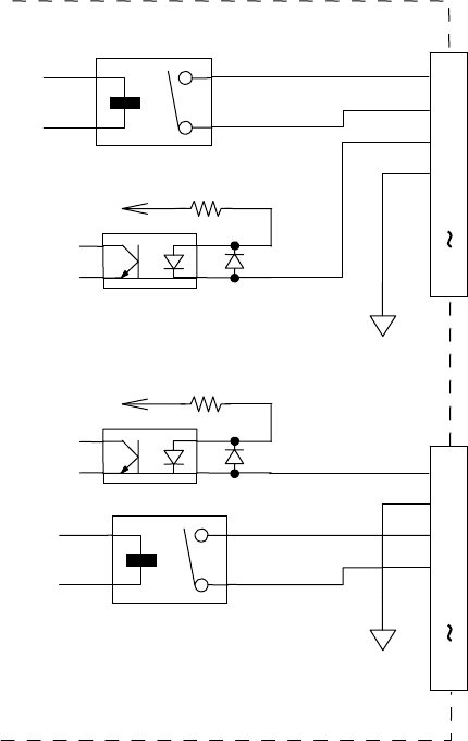
◇ READY OUT(IN) 及 BOARD AVAILABLE 信号的接口电路,参见下图。
依据 SMEMA 规格。
GND(24V)
+
+ 24V
3.3K 1/4W
READY OUT +
BOARD AVAILABLE IN +
READY OUT -
BOARD AVAILABLE IN -
N.C.
1
2
3
4
5
14
READY IN +
BOARD AVAILABLE OUT +
READY IN -
BOARD AVAILABLE OUT -
N.C.
1
2
3
4
5
14
+ 24V
3.3K 1/4W
+
GND(24V)