M1serviceManual_j.pdf - 第15页
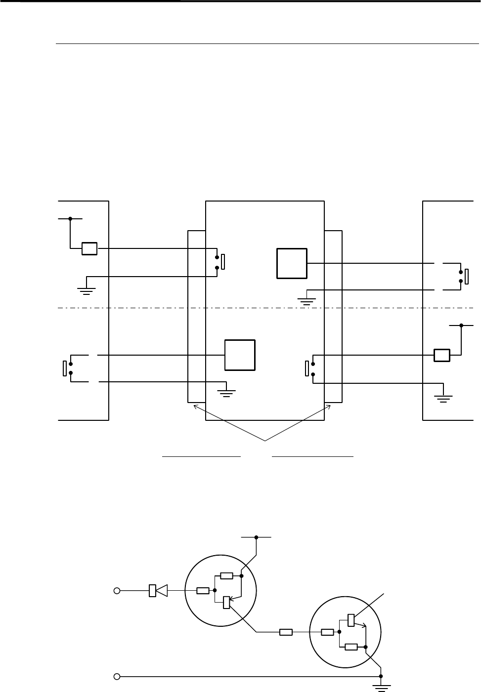
1.据付 1 - 7 マウンタの前後工程 前後工程の接続 マウンタの前後工程設備が弊社製でないものを接続す る場合 には、 下図に 示すよ うに接 続してください。後工程からの出力は、無電圧出力(リレー等)が適当です。 標準仕様: 下図一点鎖線より上側のみ SMEMA 規格インターフェイス仕様: 下図全体 *入力回路 *入力回路 搬送許可 COM 2 1 CN2 CN1 後工程設備 ケーブ ル側コネク タ AMP 社製 206044-1…

1.据付 1-6
マウンタとローダの連結
マウンタの上流側にローダを設置する場合、基板の受け渡しを円滑にするためにローダ
とマウンタのコンベア部を近づけますが、これによりマウンタのコンベア部に取り付けられ
ている入口センサとローダが干渉してしまいます。そのため、入口センサの位置を変更す
ることが必要となります。
下図に示すように標準取付位置よりもマウンタの内側に移動します。移動後には、基板
がローダからマウンタへ円滑に送られるようにライン出しを行って下さい。
入口センサの標準取付位置とローダ連結時の位置を下図に示します。
入口センサ
ローダ連結時取付位置
入口センサ
標準取付位置
ローダフレーム
入口センサ
ローダラック

1.据付 1-7
マウンタの前後工程
前後工程の接続
マウンタの前後工程設備が弊社製でないものを接続する場合には、下図に示すように接
続してください。後工程からの出力は、無電圧出力(リレー等)が適当です。
標準仕様: 下図一点鎖線より上側のみ
SMEMA 規格インターフェイス仕様: 下図全体
*入力回路
*入力回路
搬送許可 COM
2
1
CN2 CN1
後工程設備
ケーブル側コネクタ
AMP 社製
206044-1(プラグ)
66099-2 相当(ピン)
206070-1(ケーブルクランプ)
マウンタ側コネクタ
AMP 社製
206043-1(リセプタクル)
前工程設備
搬送許可
搬送許可 COM
2.2K Ω
10K Ω
10K Ω
10K Ω
10K Ω
*入力回路
COM
入力端子
+5V
搬送要求
DC30V 1A 以下
AC100V 0.5A 以下
リレー出力
リレー出力
搬送許可
搬送要求
搬送要求 COM
3
4
搬送要求 COM
2
1
3
4

1.据付 1-8
搬入シーケンス(標準仕様)
① 搬入可能状態で、搬出許可(MACHINE NOT READY)出力をONします。
② 搬出許可(MACHINE NOT READY)出力,入口センサともにONで搬送コンベアをON
します。
③ 入口センサ OFF+(WAIT- 1)で搬出許可(MACHINE NOT READY)出力をOFFしま
す。
④ 到着センサONで搬送コンベアをOFFします。
⑤ 搬送コンベアON後、10秒以内に到着センサがONしない場合はエラーとなります。
[ハンソウ イジョウ]
⑥ エラー後の Start 押下によりエラー前の動作を継続します。
搬出許可出力
(MACHINE NOT READY)
搬出許可出力
(MACHINE NOT READY)
搬送コンベア
到着センサ
入口センサ
⑤
ON
WAIT-1
WAIT-1
または
入口センサ