KD-775-Rev04PDF.pdf - 第19页
- - REF.NO N O TE P ART NO D E S C R I P T I O N Q ty 1 E1345-725 -0 0 0 LC D S H E ET 1 2 E5776-172 -0 0 0 TOP COVER PACKING PU 2 3 E1340-725 -0 0 0 PC BRACK ET 1 4 SM-1030601-SN SCRE W M3X0.5 L =6 4 5 N M-3 0 4 0 5 2…

- -
8. COVER COMPONENTS(3)
6 1
1 0
1 1
2 9
2 7
3 9
2 4
2 6
2 2
1 6
1 5
3 7
3 5
3 4
3 3
2 1
1 2
3 8
4 0
4 3
2 3
2 5
5 1 8 1
4 9 7 9
5 0 8 0
5 4 8 4
5 2 8 2
5 3 8 3
1 3
3 0
3 2
3 1
3 6
4
5
2
3
6
1
7
9
8
2 8
4 5
4 4
4 6 8 5
4 7 7 8
4 8
5 5
5 6
5 7
5 7
5 8
5 9
6 0
4 2
4 1
1 4
1 8
2 0
1 9
7 7
7 0
7 3
7 1
6 9
7 1
7 3
7 3
6 8
7 2
6 5
6 4
7 5
7 4
7 6
1 7
6 7
6 6
6 3
6 2

- -
REF.NO NOTE PART NO D E S C R I P T I O N Qty
1 E1345-725-000 LCD SHEET 1
2 E5776-172-000 TOP COVER PACKING PU 2
3 E1340-725-000 PC BRACKET 1
4 SM-1030601-SN SCREW M3X0.5 L=6 4
5 NM-3040520-SF FLANGE NUT M4 6
6 400-18945 PANEL COMPUTER 1
7 E1310-725-000 FDD SUPPORT 1
8 SM-0061201-SC SCREW 3
9 SL-4030691-SC SCREW M3X6 8
10 E9431-725-0A0 KEYBOARD TRUNK CABLE ASM. 1
11 E9432-725-0A0 BACK LIGHT TRUNK CABLE ASM. 1
12 E9433-725-0A0 FDD CONNECT CABLE ASM. 1
13 E8611-725-0A0 ARCNET BOARD ASM. 1
14 E9616-721-000 MS-DOS LICENES SEAL 1
15 E8603-725-0A0 OPERATION BOARD ASM. 1
16 E8604-725-0A0 OPERATION SW BOARD ASM. 1
17 E9614-725-0A0 HARD DISK ASM. 1
18 E1339-725-000 HARD DISK BRACKET (1)
19 400-40423 SILICON DISK 256MB (1)
20 SL-4030691-SC SCREW M3X6 (4)
21 E9454-721-0A0 PORTRAIT MONITOR CABLE ASM. 1
22 E9405-725-0A0 HOD TRUNK CABLE ASM. 1
23 E9418-802-0A0 R EMERGENCY SW CABLE ASM. 1
24 E9411-725-0A0 F COVER OPEN SW CABLE ASM. 1
25 E9419-802-0A0 R COVER OPEN SW CABLE ASM. 1
26 E9410-725-0A0 F EMERGENCY SW CABLE ASM. 1
27 E9412-725-0A0 F OPER ATION SW CABLE ASM. 1
28 E9404-802-0A0 AIR SENSOR RELAY CABLE ASM. 1
29 E9402-725-0A0 SIGNAL LIGHT TRUNK CABLE ASM. 1
30 HA-0023700-30 PUSH BUTTON SW GUARD BARRIER 1
31 HA-0029700-00 UP AND DOWN SW 6
32 HA-0024300-30 UP AND DOWN SW LED (YELLOW) 2
33 HA-0029700-20 UP AND DOWN SW BOTTON (YELLOW) 2
34 HA-0024300-10 SWITCH COVER 2
35 HA-0024300-3A LED FOR SWITCH 2
36 HA-0029700-30 UP AND DOWN SW 1
37 HA-0029700-3A UP AND DOWN SW 1
38 E9236-725-0A0 RELAY CABLE ASM. 1
39 E9437-725-0A0 PRINTER RELAY CABLE ASM. 1
40 E9580-725-0A0 TRACK BALL RELAY CABLE ASM. 1
41 SL-4040891-SC SCREW M4 L=8 4
42 SL-4040891-SC SCREW M4 L=8 8
43 E9632-715-D00 ZIPPER TUBE (GPJ-30) 0 .35
44 NM-6860003-SC NUT M2.6 2
45 SL-4030691-SC SCREW M3X6 2
46
#02
400-53181 TEMPERATURE ADJUSTMENT UNIT 3
47
#02
400-53182 COVER 3
48 HD-0017600-30 TEMP. HARD COVER 3
49
#02
400-53191 L-TEMP CTL CABLE ASM 1
50
#02
400-53192 C-TEMP CTL CABLE ASM 1
51
#02
400-53193 R-TEMP CTL CABLE ASM 1
52
#02
400-53188 L-TEMP CTL SW CABLE ASM 1
53 #02 400-53189 C-TEMP CTL SW CABLE ASM 1
54
#02
400-53190 R-TEMP CTL SW CABLE ASM 1
55 HX-0015000-0H CABLE CLIP 11
56 HX-0015000-0K CABLE CLIP 2
57 SL-4040891-SC SCREW M4 L=8 13
58 EA-9500B01-00 CABLE BAND 19
59 EA-9500B02-00 CABLE BAND 150 3
60 HX-0006500-0B CABLE BAND 3
61 E9619-729-000 FDD 1
62 400-33712 VISION MONITOR COMPLETION ASM 1
63 400-33446 VISION MONITOR ST ASM (1)
64 400-33343 BNCRCA CONVERSION CONNECTOR (1)
65 400-33344 DUST CONTROL CAP (1)
66 400-33345 CRT MONITOR POWER CABLE ASM(ST) (1)
67 400-33517 VISION MONITOR BRACKET ASM (1)
68 400-33001 FLANGE PLATE (1)
69 400-33002 COLUMN PLATE (1)
70 400-33003 CRT BRACKET (1)
71 400-33004 FIXING BRACKET (2)
72 SM-3051052-TN SCREW M5 L=10 (3)
73 SM-3040652-TN SCREW M4 L=6 (8)
74 HX-0025300-0B GROMMET (1)
75 EA-9500B01-00 CABLE BAND (1)
76 400-37952 PTFE TAPE (0.08)
77 400-33000 CRT BASE (1)
78
#01
HD-0017600-20 TEMP. TERMINAL COVER 3
79 #01 E9330-802-0A0 L TEMP. CABLE ASM. 1
80
#01
E9331-802-0A0 C TEMP. CABLE ASM. 1
81
#01
E9332-802-0A0 R TEMP. CABLE ASM. 1
82
#01
E9232-802-0A0 L TEMP. CONT.SW CABLE ASM. 1
83
#01
E9233-802-0A0 C TEMP. CONT.SW CABLE ASM. 1
84 #01 E9234-802-0A0 R TEMP. CONT.SW CABLE ASM. 1
85
#01
HD-0017600-00 TEMPERATURE BLIND CONTROLLER 3

- -
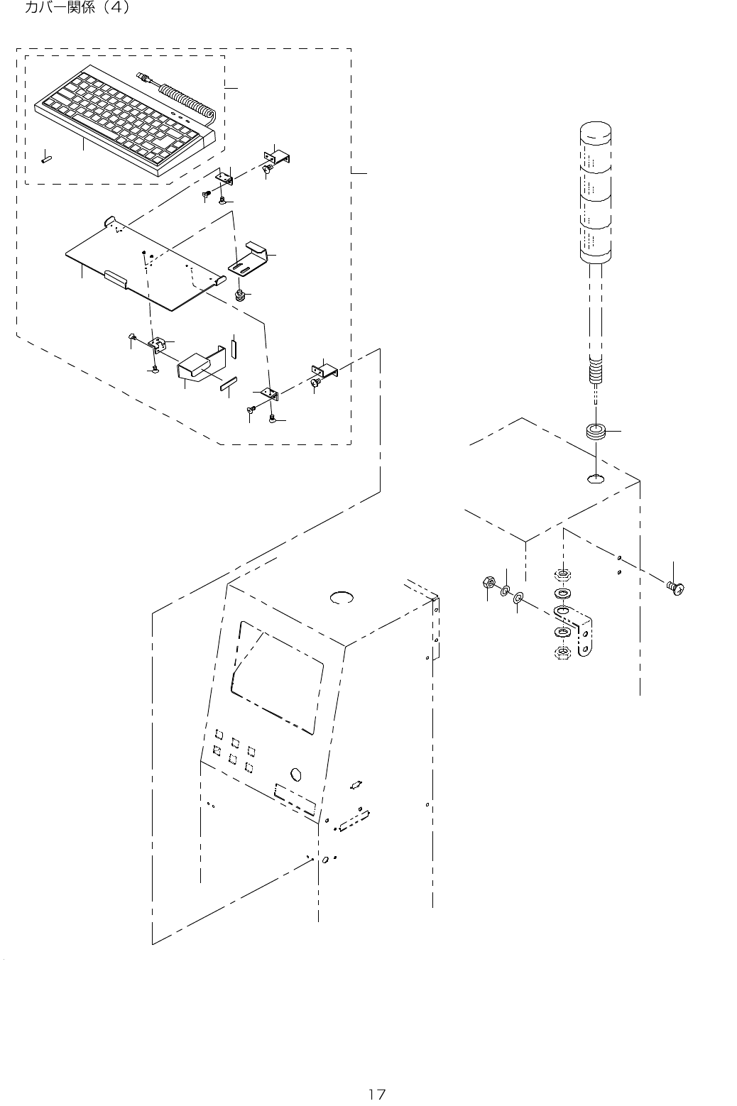
9. COVER COMPONENTS(4)
1 7
1 6
1 4
1 5
1 8
1
3
8
1 2
8
2
1 3
4
9
9
6
8
9
9
1 0
1 1
1 1
9
9
1 0
1 2
7
5