KD-775-Rev04PDF.pdf - 第60页
- - 32 . O UT BUFFER CO MPONE NTS(1) 3 0 3 1 2 2 9 2 6 2 3 2 5 2 8 2 4 1 9 2 1 2 0 1 4 3 2 7 1 2 1 1 1 0 1 1 9 1 2 6 8 1 6 1 7 5 1 5 2 2 2 7 4 1 0 9 8 3 7 4 1 3 1 8 2 0 2 1 1 9 2 3 2 2 2 7 2 6 2 5 2 4 2 8 3 1 2 9 3 0 3…

- -
REF.NO NOTE PART NO D E S C R I P T I O N Qty
1 E22 15-802-0A0 BC SPLINE SHAFT ASM. 1
2 E22 15-802-000 BC SPLINE SHAFT (1)
3 E22 16-802-000 SLIDE SHAFT HOLDING HOUSIN G (1)
4 E22 17-802-000 SLIDE BUSH SUPPORT (1)
5 SM-8030802-TP SCREW M3X0.5 L=8 (2)
6 E22 18-802-000 SLIDE BUSH COLLAR (1)
7 E22 20-802-000 BC DRIVE PULLEY R (1)
8 SM-8030402-TP SCREW M3X0.5 L=4 (2)
9 SB-1250002-00 BEARING (2)
10 E2219-802-000 BC DRIVE PULLEY F (1)
11 SM-8 030802-TP SCREW M3X0.5 L=8 (2)
12 SL-6040892-TN BOLT 4
13 E2243-802-000 BC BALL BUSH 1
14 SL-6040642-TN BOLT 4
15 #03 E2241-802-000 BC PLATE R 1
16 #04 E2212-802-000 BC PLATE L 1
17 SL-6061292-TN SCREW 8
18 G5532-870-000 BEAR ING B 2
19 E2213-802-000 BC GUIDE SHAFT 1
20 SL-6061292-TN SCREW 2
21 E2221-802-000 BC RAIL STAN D 2
22 SL-6082592-TN BOLT 4
23 E2222-802-000 BC JOINT BRACKET 1
24 SL-6083092-TN SCREW 4
25 E2223-802-000 BC CONVEYOR MOTOR BRACKET 1
26 SL-6051292-TN BOLT 2
27 SL-6043592-TN SCREW 4
28 E9480-721-0A0 IN MOTOR CABLE ASM. 1
29 HM-0006900-10 GEAR HEAD 1
30 E2225-802-000 BC CONVEYOR DRIVING PULLEY 1
31 SM-8 030402-TP SCREW M3X0.5 L=4 4
32 E2172-721-000 MOTOR PULLEY A 1
33 SM-8 030402-TP SCREW M3X0.5 L=4 4
34 E2226-802-000 CONVEYOR DRIVING BELT 2
35 E2227-802-000 BC WIDE ADJUSTING BRACKET L 2
36 SL-6041492-TN SCREW 4
37 E2228-802-000 BC WIDE ADJUSTING BRACKET R 2
38 SL-6041492-TN SCREW 4
39 E2229-802-0A0 WIDE ADJUSTING PULLEY ASM. 3
40 E2229-802-000 WIDE ADJUSTING PULLEY (1)
41 E2245-802-000 C RING (2)
42 SM-8 040502-TP SCREW M4X0.7 L=5 3
43 E2230-802-000 WIDE ADJUSTING PULLEY SHAFT 2
44 RC-0740811-KP C-RING 2
45 SB-1080011-00 ROLLING SHAFT HOLDER 4
46 137-55814 CLUTCH SHAFT 4
47 E2244-802-000 WIDE ADJUSTING BELT 1
48 E2232-802-000 BELT SUPPORT COLLAR 2
49 B2509-210-D00 BELT RECEIVER 1
50 SL-6040892-TN BOLT 2
51 E2233-802-0A0 FITT ING PLATE A ASM. 1
52 E2233-802-000 TENSION PULLEY FITTING PLATE A (1)
53 E2235-802-000 TENSION PULLEY FITTING SHAFT (1)
54 SL-6040892-TN BOLT (1)
55 RC-0560711-KP RETAINING RING (1)
56 SB-1060002-00 BEARING 6X17 (2)
57 SL-6040892-TN BOLT 2
58 SM-6 042002-TN BOLT 1
59 NM-6040001-SC NUT M4 1
60 E2234-802-0A0 FITT ING PLATE B ASM. 1
61 E2234-802-000 TENSION PULLEY FITTING PLATE B (1)
62 E2235-802-000 TENSION PULLEY FITTING SHAFT (1)
63 SL-6040892-TN BOLT (1)
64 RC-0560711-KP RETAINING RING (1)
65 SB-1060002-00 BEARING 6X17 (2)
66 SL-6040892-TN BOLT 2
67 SM-6 042002-TN BOLT 1
68 NM-6040001-SC NUT M4 1
69 E2236-802-000 BC CONVEYOR BELT 2
70 400-29106 WAIT STOPPER A F ASM. 1
71 #06 400-30093 WAIT STOPPER B F ASM. 1
72 PJ-3050405-01 T-UNION (2)
73 #05 400-26025 CILYNDER (1)
74 E2254-802-0B0 STOPPER CYLINDER R ASM. 1
75
#06
400-30094 WAIT STOPPER B R ASM. 1
76 PJ-3040405-04 ELBOW UNION (2)
77
#05
E2254-802-000 AIR CYLINDER (1)
78 400-26595 IO CYLINDER BRACKET 2
79 SL-6040892-TN BOLT 4
80 E9531-802-0A0 STOPPER SENSOR CABLE 5 ASM. 1
81 SM-6 063002-TN SCREW M6 L=30 2
82 NM-6060001-SC NUT M6 2
83
#01
E9528-802-0A0 STOPPER SENSOR CABLE 2 ASM. 1
84
#02
E9527-802-0A0 STOPPER SENSOR CABLE 1 ASM. 1
85 #03 E9530-802-0A0 STOPPER SENSOR CABLE 4 ASM. 1
86 #04 E9529-802-0A0 STOPPER SENSOR CABLE 3 ASM. 1
87 SM-6 041002-TN BOLT 2
88 SM-6 041002-TN BOLT 2

- -
32. OUT BUFFER COMPONENTS(1)
3 0
3
1 2
2 9
2 6
2 3
2 5
2 8
2 4
1 9
2 1
2 0
1 4 3 2
7
1 2
1 1
1 0
1 1
9
1 2
6
8
1 6
1 7
5
1 5
2 2
2 7
4
1 0
9
8
3
7
4
1 3
1 8
2 0
2 1
1 9
2 3
2 2
2 7
2 6
2 5
2 4
2 8
3 1
2 9
3 0
3 1
1 7
1 8

- -
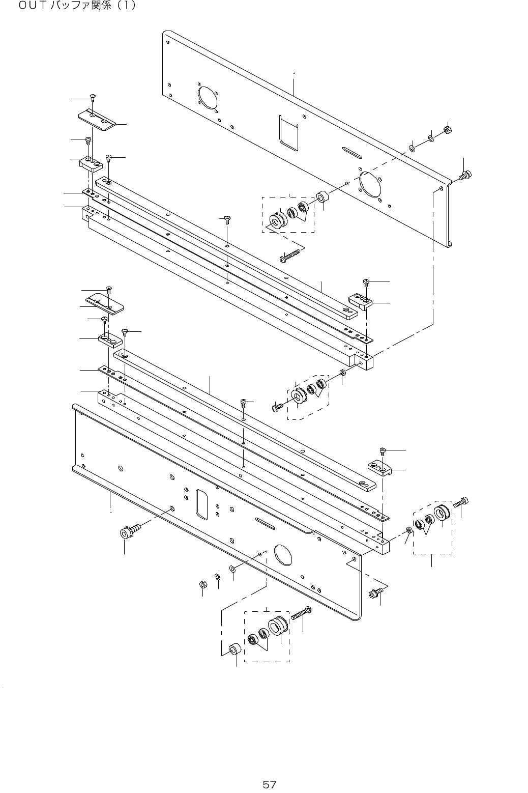
REF.NO NOTE PART NO D E S C R I P T I O N Qty
1
#01
E2210-802-000-A BC-F RAIL PLATE L 1
2
#02
E2239-802-000-A BC-F RAIL PLATE R 1
3 E2200-802-000 BC RAIL A 2
4 SL-6040892-TN BOLT 6
5 SM-4030601-SC SCREW M3 X 6 2
6 SL-6061292-TN SCREW 4
7 E2202-802-000 BC RAIL SPACER 2
8 E2203-802-000 BC-PWB GUIDE 2
9 SM-4031001-SC SCREW M3X0.5 L=10 6
10 SM-4030601-SC SCREW M3 X 6 4
11 E2205-802-000 BC-PWB GUIDE B IN 2
12 E2204-802-000 BC-PWB GUIDE A IN 2
13 SM-4030601-SC SCREW M3 X 6 2
14
#02
E2240-802-000-A BC-R RAIL PLATE R 1
15 SM-4030601-SC SCREW M3 X 6 2
16 SM-4030601-SC SCREW M3 X 6 2
17 E2208-802-000 BC UPPER PLATE 2
18 SM-1031201-SC SCREW M3X0.5 L=12 4
19 E2111-715-0A0 CONVEYOR PULLEY ASM. 4
20 E2111-715-000 CONVEYOR PULLEY (1)
21 SB-1040001-00 BEARING (1)
22 E3122-750-000 BU SPACER F 4
23 SM-4041001-SC SCREW M4X0.7 L=10 4
24 E2089-721-0A0 CONVEYOR PULLEY B ASM. 6
25 E2089-721-000 CONVEYOR PULLEY B ASM. (1)
26 SB-1040001-00 BEARING (2)
27 E2209-802-000 BC CONVEYOR PULLEY COLLAR B 6
28 SM-4043001-SR SCREW M4 L=30 6
29 WS-0410002-KN SPRING WASHER 6
30 WP-0430801-SC WASHER 4.3X9X0.8 6
31 NM-6040001-SC NUT M4 6
32
#01
E2211-802-000-A BC-R RAIL PLATE L 1