KD-775-Rev04PDF.pdf - 第25页
- - REF.NO N O TE PART NO D E S C R I P T I O N Qty 1 E3001-802 -0 A0 HEAD ASM . 1 2 E3002-802 -0 00 D RIVE SHAFT 3 3 E3003-802 -0 00 D RIVE GEAR 3 4 SM -80 5 04 0 2-TP SCREW 6 5 400-32370 DS BUSH B 2 6 112-72408 T HRU…

- -
12. HEAD COMPONENTS(1)
2
7
8
9
1 0
1 1
1 2
1 3
1 5
1 4
1 6
1 6
1 7
1 9
2 0
2 1
2 3
2 2
2 1
2 3
2 2
2 5
2 6
2 8
2 7
2 4
1 8
3 0
3 1
3 2
3 2
2 9
3 3
3 4
3 5
3 8
3 9
4 0
4 1
4 4
2
4 3
4 2
4 5
4 6
4 8
4 9
5 0
3 7
3 6
5 5
2 0
3 7
3 6
3 4
3 5
2
5
5
3
4
7
6
6
8
1 0
1 3
1 2
1 1
1 0
9
2 4
9
A
A
1 1
1 6
1 6
4 7
3 9
4 1
4 2
4 0
3 9
4 0
1 5
1 4
1 5
1 4
5 1
5 2
5 4
5 3
1

- -
REF.NO NOTE PART NO D E S C R I P T I O N Qty
1 E3001-802-0A0 HEAD ASM. 1
2 E3002-802-000 DRIVE SHAFT 3
3 E3003-802-000 DRIVE GEAR 3
4 SM-8050402-TP SCREW 6
5 400-32370 DS BUSH B 2
6 112-72408 THRUST COLLAR 2
7 E3005-802-000 THRUST BEARING 2
8 E3006-802-000 THRUST BEARING 2
9 CS-1000811-SP THRUST COLLAR 8
10 SS-8110422-TP SCREW 11/64-40 L=4 16
11 RC-0100001-KP SNAP RING M10 3
12 E3067-802-000 SHAFT DRIVE GEAR N 2
13 SM-8050402-TP SCREW 4
14 E3008-802-000 Z DRIVE CAM 3
15 SM-8050402-TP SCREW 6
16 SB-1100013-00 BEARING 4
17 E3009-802-000 CAM RINK SHAFT 1
18 E3010-802-0A0 Z CAM RINK ASM. 3
19 E3010-802-000 Z CAM RINK (1)
20 E3051-802-000 MINIATURE CAM FOLLOW (2)
21 NM-6040001-SC NUT M4 (2)
22 WS-0410002-KN SPRING WASHER (2)
23 WP-0430801-SC WASHER 4.3X9X0.8 (2)
24 400-32370 DS BUSH B (2)
25 E3055-802-000 CAM FOLLOW (1)
26 NM-6050001-SC NUT M5 (1)
27 WS-0510002-KN SPRING WASHER (1)
28 WP-0531001-SC WASHER (1)
29 E3012-802-0A0 SP BRACKET ASM. (1)
30 E3012-802-000 SP BRACKET (1)
31 E3013-802-000 SELECT PIN (1)
32 RE-0400000-K0 E-RING 4 (2)
33 SL-6030692-TN BOLT (2)
34 GPK-18022000 MICRO SWITCH COLLAR (2)
35 SM-6030602-TN HEX SCREW M3 X 6 (2)
36 WS-0310002-KN SPRING WASHER M3 (2)
37 WP-0320501-SC WASHER M3 (2)
38 SM-8030402-TP SCREW M3X0.5 L=4 2
39 E3014-802-000 SELECT CAM 3
40 SM-8050402-TP SCREW 6
41 E3015-802-0A0 SELECT DOG ASM. 2
42 E2211-524-000 SCREW 4
43 E3017-802-000 SELECT GEAR 1
44 SM-8050402-TP SCREW 1
45 262-26506 SPRING HOOK 6
46 NS-6110310-SN NUT 11/64-40 6
47 WS-0410002-KN SPRING WASHER 6
48 WP-0430800-SC WASHER M4 6
49 E3011-802-000 Z DRIVE SPRING 6
50 SB-1400001-00 BEARING 3
51 E3054-802-000 HEAD REAR COVER 1
52 SL-6030892-TN SCREW 4
53 E3052-802-000 GEAR COVER 1
54 SL-6030892-TN SCREW 4
55 E3001-802-000 HEAD BODY 1

- -
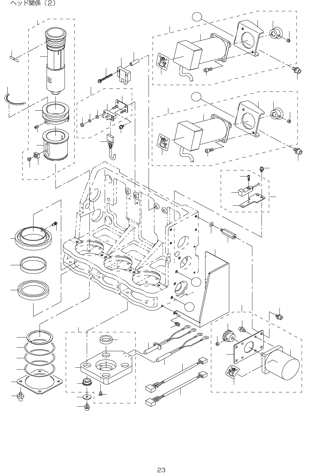
13. HEAD COMPONENTS(2)
2
3
4
6
7
1
8
1 0
1 1
9
1 2
1 3
1 4
1 5
1 6
1 7
1 8
1 9
2 0
2 2
2 3
2 4
2 6
2 5
2 1
2 7
2 8
3 5
3 2
3 1
3 4
3 7
3 9
4 0
4 1
3 6
5
4 3
4 5
4 7
4 6
4 9
5 1
5 2
5 3
5 5
5 9
5 6
3 3
3 8
4 2
3 7
3 9
4 0
4 1
3 6
4 3
3 8
4 2
5 0
4 8
5 4
A
B
A
B
4 4
2 9
5 7
5 8
3 0
6 6
6 5
6 3
6 1
6 4
6 2
6 0