KE-2070_2080_InstructionManual_C_Rev01.pdf - 第62页
第 1 部 基本编 第 1 章 设备概要 1-42 1-2-9 略语说明 意 义 略语 中文 英语 ATC 自动工具交换装置 (Auto Tool Changer) BMR 坏板标记识别器 (Bad Mark Reader) CVS 元件检验系统 (Component Verification System) DTS 双托盘支架 (Dual Tray Server) EPU 外部编程装置 (External Programming Un…

第 1 部 基本编 第 1 章 设备概要
1-41
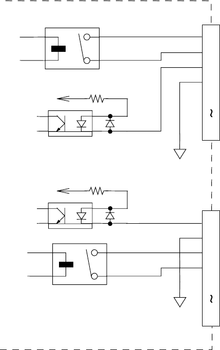
◇ READY OUT(IN)信号与 BOAD AVAILABLE 信号的接口电路图示 1-1-6-4 如下。
依据SMEMA规格。
GND
(
24V
)
+
+ 24
V
3.3K 1/4W
READY OUT +
BOAD AVAILABLE IN +
READY OUT -
BOAD AVAILABLE IN -
N.C.
1
2
3
4
5
14
READY IN +
BOAD AVAILABLE OUT +
READY IN -
BOAD AVAILABLE OUT -
N.C.
1
2
3
4
5
14
+ 24
V
3.3K 1/4W
+
GND
(
24V
)
图 1-2-8-4

第 1 部 基本编 第 1 章 设备概要
1-42
1-2-9 略语说明
意 义
略语
中文 英语
ATC 自动工具交换装置 (Auto Tool Changer)
BMR 坏板标记识别器 (Bad Mark Reader)
CVS 元件检验系统 (Component Verification System)
DTS 双托盘支架 (Dual Tray Server)
EPU 外部编程装置 (External Programming Unit)
FPI 送料器台位置指示器 (Feeder Position Indicator)
HLC 主生产线计算机 (Host Line Computer)
HMS 高度测量装置 (Height Measurement System)
HOD 手控操作盘 (Handheld Operating Device)
LNC 激光校准新概念 (Laser align New Consept)
MNVC 多贴片头(多吸嘴)图像定心 (Multi Nozzle Vision Centering)
MTC 矩阵托盘交换器 (Matrix Tray Changer)
MTS 矩阵托盘服务器 (Matrix Tray Server)
OCC 位置校正摄像机 (Offset Correction Camera)
PWB 基板 (Printed Wiring Board)
VCS 图像识别元件位置修正装置 (Vision Centering System)

第 1 部 基本编 第 1 章 设备概要
1-
43
1-3 基本操作
1-3-1 画面的构成
图 1-3-1-1 桌面画面(例)
② 菜单栏
①标题栏
④ 工具栏
⑧命令按钮
⑦状态栏
⑨语言切换按钮