NXT 安装手册.pdf - 第109页
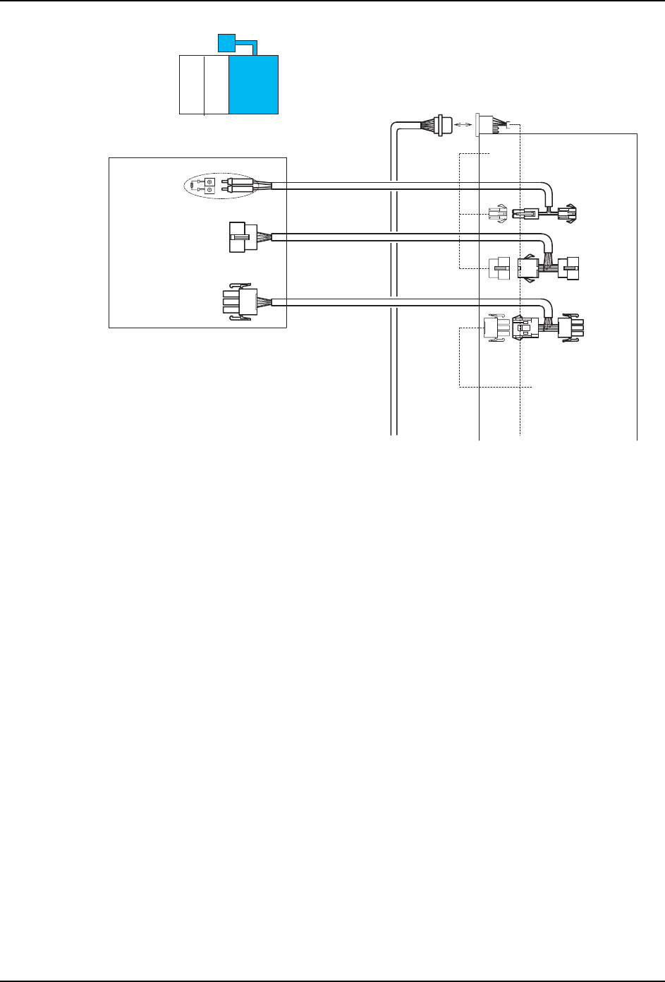
QD023-14 3. 机器的安装 NXT 安装手册 99 &1 &1 &10 5+ 5+ & * 1 2 3 4 5 $ / 0 5+ 5+ 5+ %5&1 %5&1 %5&1 ,)&1 &1$ 5+ 5+ 5+ 5+ 5+ ,2…

3. 机器的安装 QD023-14
98 NXT 安装手册
5+
5+
5+
5+
5+
&1
&1
&10 &10
&10
&10
&10
&10
&10
&10
+8%
&+
%/&1
%/&1
5+
5+
%
'
(
)
1
2
3
4
.
/
0
+
,
-
%/&1
%5&1
%5&1
%/&1
%/&1
%5&1
%5&1
%5&1
%5&1
5+
5+
䖲5+
5+
5+
5+
&1$
&1%
&1$
5+
ᮁᓔ5+
䖲5+
5+
5+
5+
5+
1;76(76F
䆒0ᑻ
䖲ࠄ,)&1
䖲ࠄ,)&1
ߎॖᯊ䖲ᅠ↩
ߎॖᯊ䖲ᅠ↩
ࠡᎹᑣ
ᨀ䖤ֵো%.7
⬉䏃ᵓ
ৢᎹᑣ
ᨀ䖤ֵো%.7
⬉䏃ᵓ
䗮䘧)
䗮䘧5
䗮䘧)
䗮䘧5
⬉䏃ֱᡸ఼%.7
ࠡᎹᑣջ
ৢᎹᑣջ
0ᑻ0ᑻ0ᑻⳳぎ⋉%2;㒓
%/&1
ᮁᓔ5+

QD023-14 3. 机器的安装
NXT 安装手册 99
&1
&1
&10
5+
5+
&
*
1
2
3
4
5
$
/
0
5+
5+
5+
%5&1
%5&1
%5&1
,)&1
&1$
5+
5+
5+
5+
5+
,2B)
5+
&10
&10
&10
%5&1
%5&1
%5&1
%5&1
5+
5+
5+
5+
1;76(76F
㞾ゟ0ᑻ
㒘েջ䴶
ջⲪ
ᢨϟ5+ⱘ
&1ⱘᦦӊ
ᦦܹ5+ⱘ
&1ⱘᦦӊ
ᢨϟ5+ⱘ
B)ⱘᦦӊ
ᦦܹ5+ⱘ
B)ⱘᦦӊ
ᅮջ
㘨䫕⬉䏃ᵓ
ᅝܼಲ䏃
ৢᎹᑣֵো
ߎॖᯊ䖲ᅠ↩
ᮁᓔ5+
䖲5+
ࠡᎹᑣ
⬉䏃ᵓᨀ
䖤ֵো%.7
ৢᎹᑣ
⬉䏃ᵓᨀ
䖤ֵো%.7
ߎॖᯊ䖲ᅠ↩
䗮䘧)
䗮䘧5
䗮䘧)
⬉䏃ֱᡸ఼%.7
ࠡᎹᑣջ
ৢᎹᑣջ
0ᑻ0ᑻ0ᑻⳳぎ⋉%2;㒓
䗮䘧5

3. 机器的安装 QD023-14
100 NXT 安装手册
06&1
06&1
0
0$
&1$
5
.
5+
5+
5+
5+
06&1
06&1
%&%&1
&1
1;76(76D
ⳳぎ⋉%2;
0ᑻ
㒘̚
,)⬉䏃ᵓ
⏽ᑺ❨ϱ
বᤶ఼%.7
বᤶ఼%.7
ࠊ%2;
0ᑻ0ᑻ0ᑻⳳぎ⋉%2;㒓
⏽ᑺ❨ϱ
䆒বᤶ఼%.7
䆒বᤶ఼%.7