NXT 安装手册.pdf - 第57页
QD023-14 3. 机器的安装 NXT 安装手册 47 单独使用 8M 基座时 䌃䌎䋲䋷䌁 㒘 Ꮊ ջ 䴶 Ⲫᵓ 䌒䌈䋰䋵䋲䋷䋪 䌒䌈䋱䋶䋹䋱䋪 㒘 ে ջ 䴶 Ⲫᵓ 䌒䌈䋰䋵䋲䋸䋪 䌒䌈䋱䋶䋹䋲䋪 ೨ Ꮉᑣ ⬉ 䏃 ᵓ ᨀ䖤ֵো 䌂䌋䌔 ৢᎹᑣ ⬉ 䏃 ᵓ ᨀ䖤ֵো 䌂䌋䌔 䌃䌎䋭䌍䋱 䌃䌎䋭䌍䋲 ߎॖᯊ䖲ᅠ↩ 䌒䌈䋰䋰䋶䋷䋪 㧯 㧺 㧙㧹 㧝 ߎॖᯊ䖲ᅠ↩ 䌒䌈䋰䋰䋷䋰䋪 䗮䘧 䋲䋭䌆 䗮䘧 䋲䋭䌒 䗮䘧 䋱䋭䌆 䗮䘧 …

3. 机器的安装 QD023-14
46 NXT 安装手册
单独使用 4M 基座时
䌃䌎䋲䋷䌁
㒘Ꮊջ䴶
Ⲫᵓ
䌒䌈䋰䋵䋲䋷䋪
䌒䌈䋱䋶䋹䋱䋪
㒘েջ䴶
Ⲫᵓ
䌒䌈䋰䋵䋲䋸䋪
䌒䌈䋱䋶䋹䋲䋪
䌂䌒䌃䌎䋱
䌂䌒䌃䌎䋲
䌂䌒䌃䌎䋲
䌂䌒䌃䌎䋳
䋨ᅮջ䋩
䌂䌒䌃䌎䋳
೨Ꮉᑣ
⬉䏃ᵓᨀ䖤ֵো䌂䌋䌔
ৢᎹᑣ
⬉䏃ᵓᨀ䖤ֵো䌂䌋䌔
䌃䌎䋭䌍䋱
䌃䌎䋭䌍䋲
ߎॖᯊ䖲ᅠ↩
䌒䌈䋰䋰䋶䋷䋪
㧯㧺㧙㧹㧝
ߎॖᯊ䖲ᅠ↩
䌒䌈䋰䋰䋷䋰䋪
ߎॖᯊ䖲ᅠ↩
䌒䌈䋰䋵䋴䋳䋪
ߎॖᯊ䖲ᅠ↩
䌂䌒䌃䌎䋳
䋨⬉㓚ջ䋩
䗮䘧䋲䋭䌆
䗮䘧䋲䋭䌒
䗮䘧䋱䋭䌆
䗮䘧䋱䋭䌒
⬉䏃ᵓֱᡸ఼䌂䌋䌔䋲
೨Ꮉᑣջ ৢᎹᑣջ
⏽ᑺֱ䰽ϱ
বᤶ఼䌂䌋䌔
䌍䌓䋱䌃䌎䋳
বᤶ఼䌂䌋䌔
䌍䌓䋱䌃䌎䋱
䌉䋯䌆⬉䏃ᵓ
䌃䌎䋶
ࠊ䌂䌏䌘
䌂䌃䌂䌃䌎䋱䋸
䋴䌍ᑻᇐ㒓䖲
6(76D
䌃䌎䋲䋸䌁
㧯㧺㧙㧹㧞
㪚㪥㪄㪈 㪚㪥㪄㪍
0ᑻ

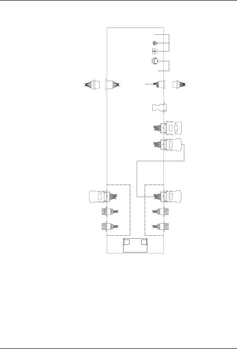
QD023-14 3. 机器的安装
NXT 安装手册 47
单独使用 8M 基座时
䌃䌎䋲䋷䌁
㒘Ꮊջ䴶
Ⲫᵓ
䌒䌈䋰䋵䋲䋷䋪
䌒䌈䋱䋶䋹䋱䋪
㒘েջ䴶
Ⲫᵓ
䌒䌈䋰䋵䋲䋸䋪
䌒䌈䋱䋶䋹䋲䋪
೨Ꮉᑣ
⬉䏃ᵓᨀ䖤ֵো䌂䌋䌔
ৢᎹᑣ
⬉䏃ᵓᨀ䖤ֵো䌂䌋䌔
䌃䌎䋭䌍䋱
䌃䌎䋭䌍䋲
ߎॖᯊ䖲ᅠ↩
䌒䌈䋰䋰䋶䋷䋪
㧯㧺㧙㧹㧝
ߎॖᯊ䖲ᅠ↩
䌒䌈䋰䋰䋷䋰䋪
䗮䘧䋲䋭䌆
䗮䘧䋲䋭䌒
䗮䘧䋱䋭䌆
䗮䘧䋱䋭䌒
⬉䏃ᵓֱᡸ఼䌂䌋䌔䋲
೨Ꮉᑣջ ৢᎹᑣջ
⏽ᑺֱ䰽ϱ
বᤶ఼䌂䌋䌔
䌍䌓䋱䌃䌎䋳
বᤶ఼䌂䌋䌔
䌍䌓䋱䌃䌎䋱
㧵㧛㧲⬉䏃ᵓ
㧯㧺㧢
ࠊ䌂䌏䌘
䌂䌃䌂䌃䌎䋱䋸
䋸䌍ᑻᇐ㒓䖲
6(76D
䌃䌎䋲䋸䌁
㧯㧺㧙㧹㧞
&1 &1
ⳳぎ⋉䌂䌏䌘
0$
⏽ᑺֱ䰽ϱ䋲
0
䆒বᤶ఼䌂䌋䌔
䌍䌓䋳䌃䌎䋳
䆒বᤶ఼䌂䌋䌔
䌍䌓䋳䌃䌎䋱
䌒䌈䋲䋱䋴䋳䋪
䌒䌈䋲䋱䋴䋱䋪
䌒䌈䋲䋱䋴䋲䋪
0ᑻ

3. 机器的安装 QD023-14
48 NXT 安装手册
3.5 网络设定
为了使 NXT 基座和主电脑之间可以通信,有必要变更 NXT 的 IP 地址使其与 Fuji Flexa 设定
的工厂的 IP 地址一致。若不知道新的 IP 地址,请向网络管理人员咨询。
使用 NXT 的工具软件 NetworkSetting,通过网络可轻易设定基座用 IP 地址。
3.5.1 设定方法
1. 请把机器的主开关 ON。显示出网络设定画面。
备注 )如果不显示网络设定画面,显示出「Module and base are unable to communicate.」
画面的时候,请使用软件工具 「TcpIpSetting」进行网络设定 ( 参考 「NXT 系统手册」
的 「NXT 软件工具」章节的 「TcpIpSetting」)。
2. 请在网络设定画面,设定 IP address,Subnet mask,Default gateway。
3. 请暂时使主电源 OFF 后重新 ON。使新的网络设定生效。
4. 要进一步指定 DNS 服务器和主电脑名的时候,请使用软件工具 「NetworkSetting」进行
设定网络 ( 参考 「NXT 系统手册」的 「NXT 软件工具」章节的 「NetworkSetting」)。
5. 请使主电源 OFF 后重新 ON。使新的网络设定生效。
01MEC-0028