Plan_HF3_14_20_en line 1电路.pdf - 第113页
Pag e = C1 HF =HF +C 1/510 505 Modificati on Date Na m e op tion 2D-Sc No rm Check. Proj. Origin Date Crea. f. schb ERSA DIC 18 .0 6. 200 9 14. 04 .2 010 schb =HF +C 1/500 133 953- V00 Ot to-Schott-Straße 5 97 87 7 W ert…

Page
=
C1
HF
=HF+C1/505
500
Modification Date
Name Norm
Check.
Proj.
Origin
Date
Crea. f.
schb
ERSA
DIC
18.06.2009
=HF+C1/495
133953-V00
Otto-Schott-Straße 5
97877 Wertheim
GmbH
Project name
14:15:1808.07.2010
+
file name (*.pdf)
133953-V00_100705
basic-project
-
option sensoric scanner 1/2
Hotflow 3/xx
PDF-Page
Plant designation
BU
0,50
BU
0,50
=HF
+E1
-A1
SAC-box
infeed
-A1
SAC-box
infeed
-45B1
ALB scanner 1
+
-
1 3
4
-45WB1
Kaufteil
0,25
3
BN BU
-WA1
Kaufteil
0,25
19
BK WHGY VT
GYBN
X7:1.1
24VDC
-45WB1
Kaufteil
0,25
3
BK
X7:4.1
A
X7:3.1
GND
-45B2
LVA
Scanner 1
+
-
1 3
4
-45WB2
Kaufteil
0,25
3
BN BU
X7:1.2
24VDC
-45WB2
Kaufteil
0,25
3
BK
X7:4.2
B
X7:3.2
GND
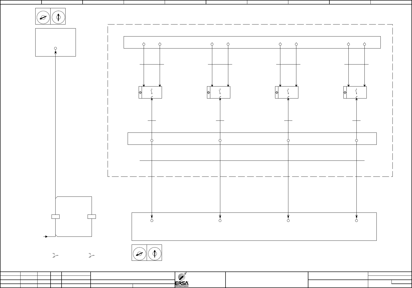
scanner 1 on
-K2
12
11
14
/505.01
A1
A2
/30.09 / -GND-K
scanner 2 on
-K3
12
11
14
/505.06
A1
A2
-46B1
ALB scanner 2
+
-
1 3
4
-46WB1
Kaufteil
0,25
3
BN BU
X8:1.1
24VDC
-46WB1
Kaufteil
0,25
3
BK
X8:4.1
A
X8:3.1
GND
-46B2
LVA
Scanner 2
+
-
1 3
4
-46WB2
Kaufteil
0,25
3
BN BU
X8:1.2
24VDC
-46WB2
Kaufteil
0,25
3
BK
X8:4.2
B
X8:3.2
GND
-A11
Adr.11
X20CM8281
4xDI/2xDO/1xAI/1xAO
/410.00
scanner on
IF6.ST11.DO.02
23
X1
C
D
B
E
A
F
9
0
8
1
7
2
6
3
5
4
X16
C
D
B
E
A
F
9
0
8
1
7
2
6
3
5
4
-A11
Adr.11
X20CM8281
4xDI/2xDO/1xAI/1xAO
/410.00
IF6.ST11.DI.01
sensoric ALB 1
11
IF6.ST11.DI.02
sensoric LVA 1
21
X1
C
D
B
E
A
F
9
0
8
1
7
2
6
3
5
4
X16
C
D
B
E
A
F
9
0
8
1
7
2
6
3
5
4
IF6.ST11.DI.03
sensoric ALB 2
12
IF6.ST11.DI.04
sensoric LVA 2
22
0 1 2 3 4 5 6 7 8 9

Page
=
C1
HF
=HF+C1/510
505
Modification Date
Name
option 2D-Sc
Norm
Check.
Proj.
Origin
Date
Crea. f.
schb
ERSA
DIC
18.06.200914.04.2010
schb
=HF+C1/500
133953-V00
Otto-Schott-Straße 5
97877 Wertheim
GmbH
Project name
14:15:1808.07.2010
+
file name (*.pdf)
133953-V00_100705
basic-project
-
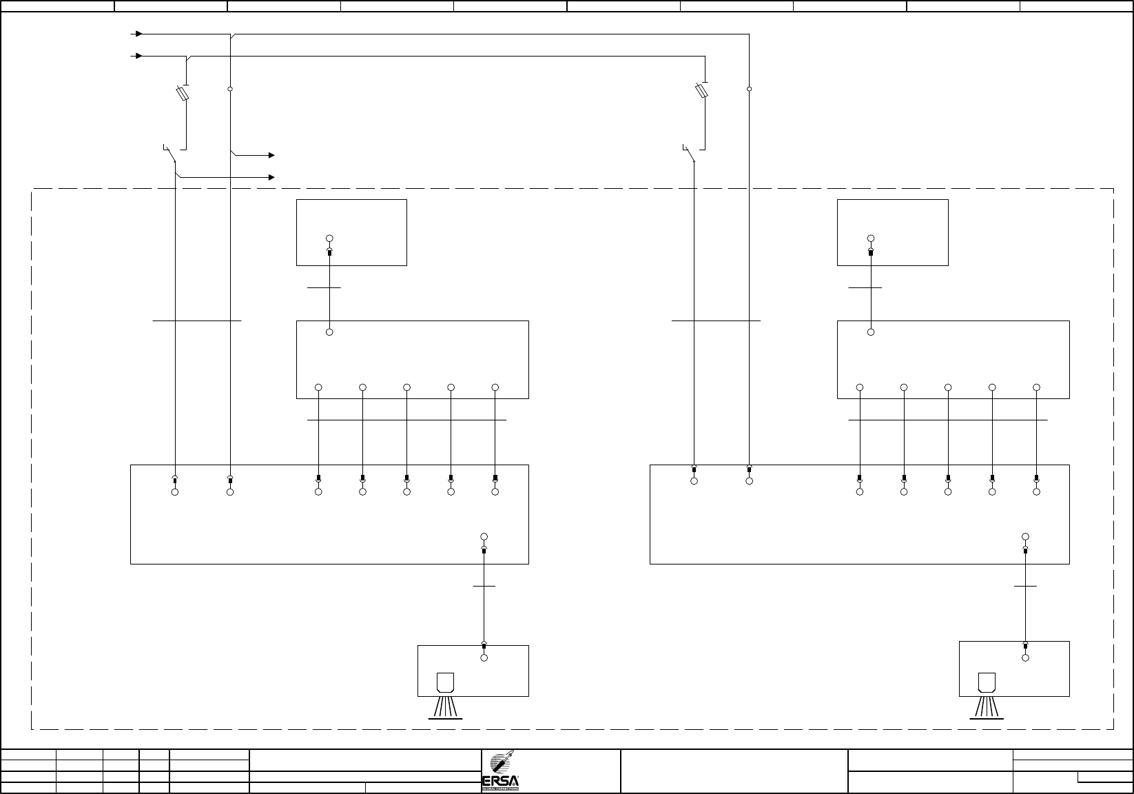
option 2D-Scanner 1/2
DATALOGIC MATRIX-200
Hotflow 3/xx
PDF-Page
Plant designation
1,00BU 1,00BU
-46A2
scanner 2 -box
-46W1
H05VV5-F
0,75
2
supply scanner 2
1 2
3 / 24VDC
-46W2
Kaufteil
connection cabel
box 2 - PC
XX
POWER
1 / GND
-46A1
scanner 2
-46W3
Kaufteil
connection cable box 2 - scanner 2
25pol SUB D
XX
2
READER
X1
2
-46F1
1,0AT
supply scanner 2
2
1
-19A1
desktop pc
USB4
-K3
/500.02
scanner 2 on
12
11
14
/10.09 / -GND-X5
/10.06 / -24V-G(1)
-45A2
scanner 1 -box
-K2
/500.01
scanner 1 on
12
11
14
-45W1
H05VV5-F
0,75
2
supply scanner 1
1 2
3 / 24VDC
-45F1
1,0AT
supply scanner 1
2
1
POWER
1 / GND
-19A1
desktop pc
+C1.07
-45W3
Kaufteil
connection cabel
box 1 - PC
(???)
Tx
(???)
Rx
GND
SGND
-45A1
scanner 1
CTS
CTS
-45W2
Kaufteil
connection cable box 1 - scanner 1
25pol SUB D
XX
2
READER
X1
2
CTS
USB3
RTS
RTS
=HF
+E1
-53
-X5
-54
-X5
-45A3
USB - RS232
databox
barcode-scanner
RxD
2
TxD
3
GND
6
RTS
7
USB
CTS
8
-45W4
Kaufteil
USB-extension
1
(???)
Tx
(???)
Rx
GND
SGND
CTS
CTS
RTS
RTS
-46A3
USB - RS232
databox
barcode-scanner
-46W4
Kaufteil
USB-extension
1
RxD
2
USB
TxD
3
GND
5
RTS
7
CTS
8
-GND-Scanner / /510.01
-+24VDC-Scanner / /510.01
0 1 2 3 4 5 6 7 8 9

Page
=
C1
HF
=HF+C1/515
510
Modification Date
Name
option 2D-Sc
Norm
Check.
Proj.
Origin
Date
Crea. f.
schb
ERSA
DIC
18.06.200914.04.2010
schb
=HF+C1/505
133953-V00
Otto-Schott-Straße 5
97877 Wertheim
GmbH
Project name
14:15:1808.07.2010
+
file name (*.pdf)
133953-V00_100705
basic-project
-
option barcode-scanner
(wenglor)
Hotflow 3/xx
PDF-Page
Plant designation
=HF
+E1
-49A2
USB - RS232
databox
barcode-scanner
-49A1
barcode reader
+5VDC
1
+5VDC
TxT
2
RxT
RxT
3
TxT
-19A1
desktop pc
+C1/505.07
GND
4
GND
RTS
6
RTS
-49WA2
Kaufteil
USB-extension
1
USB 3
1
USB
Trigger
9
Trigger
CTS
10
CTS
shild
13
shild
-52WA1
Sensor-Aktor-Verteiler-Leitung
0,14
8
GN
WH
-52A1
1D/2D scanner - box
Power:3
0 V
Power:2
24VDC
-52AX1
option remote control (modem)
-52WAX1
Kaufteil
1D/2D scanner (???) - PC
1
-52WA1.1
Kaufteil
1D/2D scanner
box - USB-Gateway
1
USB
com
Host
-52A2
Typ: Wenglor 1D/2D
Master reader
+C1.04
-52A2
Kaufteil
Master reader
Typ: Wenglor 1D/2D
XX
Scanner
X1
-19A1
desktop pc
+C1/505.07
USB 3
1
/505.02 / -+24VDC-Scanner
/505.02 / -GND-Scanner
0 1 2 3 4 5 6 7 8 9