Plan_HF3_14_20_en line 1电路.pdf - 第42页
Pag e = C1 HF =HF +C 1/160 155 Modificati on Date Na m e No rm Check. Proj. Origin Date Crea. f. schb ERSA DIC 18 .0 6. 200 9 =HF +C 1/150 133 953- V00 Ot to-Schott-Straße 5 97 87 7 W ertheim Gm bH Pr oj e c t name 14:15…

Page
=
C1
HF
=HF+C1/155
150
Modification Date
Name Norm
Check.
Proj.
Origin
Date
Crea. f.
schb
ERSA
DIC
18.06.200921.09.2006
=HF+C1/145
133953-V00
Otto-Schott-Straße 5
97877 Wertheim
GmbH
Project name
14:15:0808.07.2010
+
file name (*.pdf)
133953-V00_100705
basic-project
-
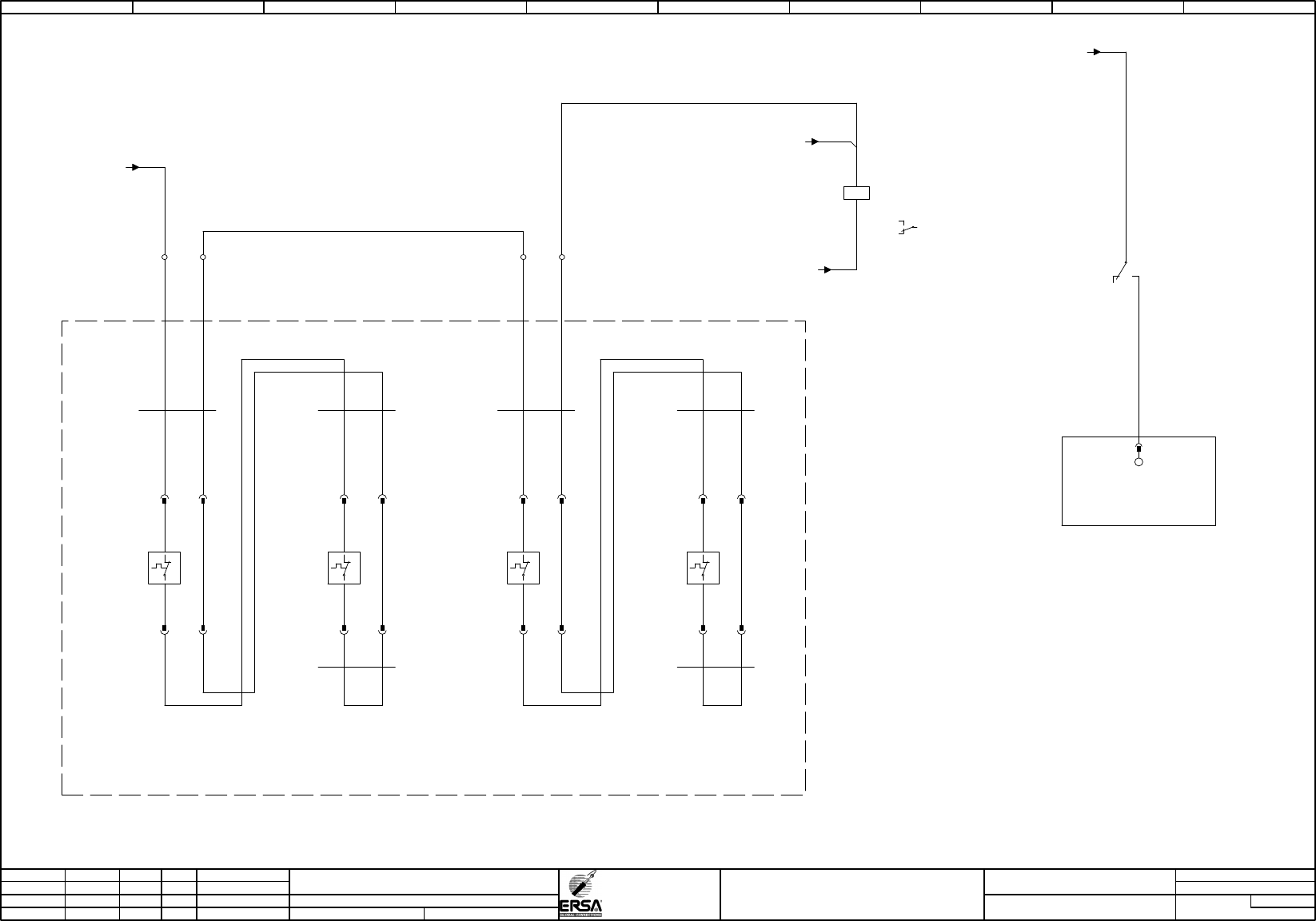
thermo control fan cooling zone 1-4 bottom side
Hotflow 3/xx
PDF-Page
Plant designation
BU
0,50
0,50
BU
0,50
BU
=HF
+CM
thermo control
in motor integrated
-7SM5
TW
TW
thermo control
in motor integrated
-7SM6
TW
TW
thermo control
in motor integrated
-7SM7
TW
TW
thermo control
in motor integrated
-7SM8
TW
TW
-A2
X20DM9324
8xDI / 4xDO
/10.00
IF6.ST2.DI.04
thermo control cooling zone
22
/145.05 / -7K10:A1
/145.05 / -7K10:A1
OG
88
-7XM5.1
GY
99
OG
88
-7XM6.1
GY
99
OG
88
-7XM7.1
GY
99
OG
88
-7XM8.1
GY
99
OG
88
GY
-7XM5.2
99
OG
88
GY
-7XM6.2
99
OG
88
GY
-7XM7.2
99
OG
88
GY
-7XM8.2
99
-7WM5
Kaufteil
1,00
7
5 4
-7WM6
Kaufteil
1,00
7
5 4
-7WM7
Kaufteil
1,00
7
5 4
-7WM8
Kaufteil
1,00
7
5 4
-7W8
Kaufteil
1,00
2
BK BK
26
-7X2.2
27
only installed at HF3/20
-7W6
Kaufteil
1,00
2
BK BK
2829
/140.08 / -1K10:11
thermocontrol
cooling zone
-7K10
12
11
14
.08
A1
A2
-7K10
.06
thermocontrol
cooling zone
12
11
14
/140.02 / -G2:GND
0 1 2 3 4 5 6 7 8 9

Page
=
C1
HF
=HF+C1/160
155
Modification Date
Name Norm
Check.
Proj.
Origin
Date
Crea. f.
schb
ERSA
DIC
18.06.2009
=HF+C1/150
133953-V00
Otto-Schott-Straße 5
97877 Wertheim
GmbH
Project name
14:15:0808.07.2010
+
file name (*.pdf)
133953-V00_100705
basic-project
-
thermo control heating zones 1-7 top
Hotflow 3/xx
PDF-Page
Plant designation
-1B1
thermocouple
preheating zone 1
top
WH
GN
-1B2
thermocouple
preheating zone 2
top
WH
GN
-1B3
thermocouple
preheating zone 3
top
WH
GN
-1WB1
Thermo
0,22
2
GN
WH
-1WB2
Thermo
0,22
2
GN
WH
-1WB3
Thermo
0,22
2
GN
WH
-1WB4
Thermo
0,22
2
GN
WH
-1B4
thermocouple
preheating zone 4
top
WH
GN
-1WB5
Thermo
0,22
2
GN
WH
-1B5
thermocouple
preheating zone 5
top
WH
GN
-1WB6
Thermo
0,22
2
GN
WH
-1B6
thermocouple
preheating zone 6
top HF3/20
WH
GN
-1WB7
Thermo
0,22
2
GN
WH
-1B7
thermocouple
preheating zone 7
top HF3/20
WH
GN
=HF
+HM1
-A6
X20AT6402
6x thermo
IF6.ST6.AT.01
heating zone 1 top temperature
11 12
IF6.ST6.AT.02
heating zone 2 top temperature
21 22
IF6.ST6.AT.03
heating zone 3 top temperature
13 14
IF6.ST6.AT.04
heating zone 4 top temperature
23 24
IF6.ST6.AT.05
heating zone 5 top temperature
15 16
IF6.ST6.AT.06
heating zone 6 top temperature
25 26
-A7
X20AT6402
6x thermo
IF6.ST7.AT.01
heating zone 7 top temperature
11 12
-3WB6
Thermo
0,22
2
GN
WH
-3B6
thermocouple
soldering zone 6
top HF3/14
WH
GN
-3WB7
Thermo
0,22
2
GN
WH
-3B7
thermocouple
soldering zone 6
top HF3/14
WH
GN
0 1 2 3 4 5 6 7 8 9

Page
=
C1
HF
=HF+C1/165
160
Modification Date
Name Norm
Check.
Proj.
Origin
Date
Crea. f.
schb
ERSA
DIC
18.06.2009
=HF+C1/155
133953-V00
Otto-Schott-Straße 5
97877 Wertheim
GmbH
Project name
14:15:0808.07.2010
+
file name (*.pdf)
133953-V00_100705
basic-project
-
thermocouple heating zone 1-7
Hotflow 3/xx
PDF-Page
Plant designation
-9B1
thermocouple
preheating zone 1
bottom side
WH
GN
-9B2
thermocouple
preheating zone 2
bottom side
WH
GN
-9B3
thermocouple
preheating zone 3
bottom side
WH
GN
-9WB1
Thermo
0,22
2
GN
WH
-9WB2
Thermo
0,22
2
GN
WH
-9WB3
Thermo
0,22
2
GN
WH
-9WB4
Thermo
0,22
2
GN
WH
-9B4
thermocouple
preheating zone 4
bottom side
WH
GN
-9WB5
Thermo
0,22
2
GN
WH
-9B5
thermocouple
preheating zone 5
bottom side
WH
GN
=HF
+HM1
fan 1-5 bottom only installed at option preheating bottom
-9WB6
Thermo
0,22
2
GN
WH
-9B6
thermocouple
preheating zone 6
bottom side HF3/20
WH
GN
-9WB7
Thermo
0,22
2
GN
WH
-9B7
thermocouple
preheating zone 7
bottom side HF3/20
WH
GN
-A8
X20AT6402
6x thermo
/165.05
-A7
X20AT6402
6x thermo
/155.07
-A10
Adr.10
X20AT6402
6x thermo
/170.00
IF6.ST8.AT.04
heating zone 1 bottom
temperature
23 24
IF6.ST8.AT.05
heating zone 2 bottom temperature
15 16
IF6.ST8.AT.06
heating zone 3 bottom
temperature
25 26
IF6.ST10.AT.01
heating zone 4 bottom
temperature
11 12
IF6.ST10.AT.02
heating zone 5 bottom temperature
21 22
IF6.ST7.AT.05
heating zone 6 bottom temperature
15 16
IF6.ST7.AT.06
heating zone 7 bottom temperature
25 26
X1
C
D
B
E
A
F
9
0
8
1
7
2
6
3
5
4
X16
C
D
B
E
A
F
9
0
8
1
7
2
6
3
5
4
-4WB6
Thermo
0,22
2
GN
WH
-4B6
thermocouple
soldering zone 6
bottom side HF3/14
WH
GN
-4WB7
Thermo
0,22
2
GN
WH
-4B7
thermocouple
soldering zone 6
bottom side HF3/14
WH
GN
0 1 2 3 4 5 6 7 8 9