Plan_HF3_14_20_en line 1电路.pdf - 第39页
Pag e = C1 HF =HF +C 1/145 140 Modificati on Date Na m e No rm Check. Proj. Origin Date Crea. f. schb ERSA DIC 18 .0 6. 200 9 =HF +C 1/135 133 953- V00 Ot to-Schott-Straße 5 97 87 7 W ertheim Gm bH Pr oj e c t name 14:15…

Page
=
C1
HF
=HF+C1/140
135
Modification Date
Name Norm
Check.
Proj.
Origin
Date
Crea. f.
schb
ERSA
DIC
18.06.2009
=HF+C1/130
133953-V00
Otto-Schott-Straße 5
97877 Wertheim
GmbH
Project name
14:15:0808.07.2010
+
file name (*.pdf)
133953-V00_100705
basic-project
-
thermo control fans solderzone top side
Hotflow 3/xx
PDF-Page
Plant designation
BU
0,50
BU
0,50
BU
0,50
6
0,75
thermo control
in motor integrated
-3SM8
TW
TW
4
-3X2.2
5
thermo control
in motor integrated
-3SM9
TW
TW
thermo control
in motor integrated
-3SM10
TW
TW
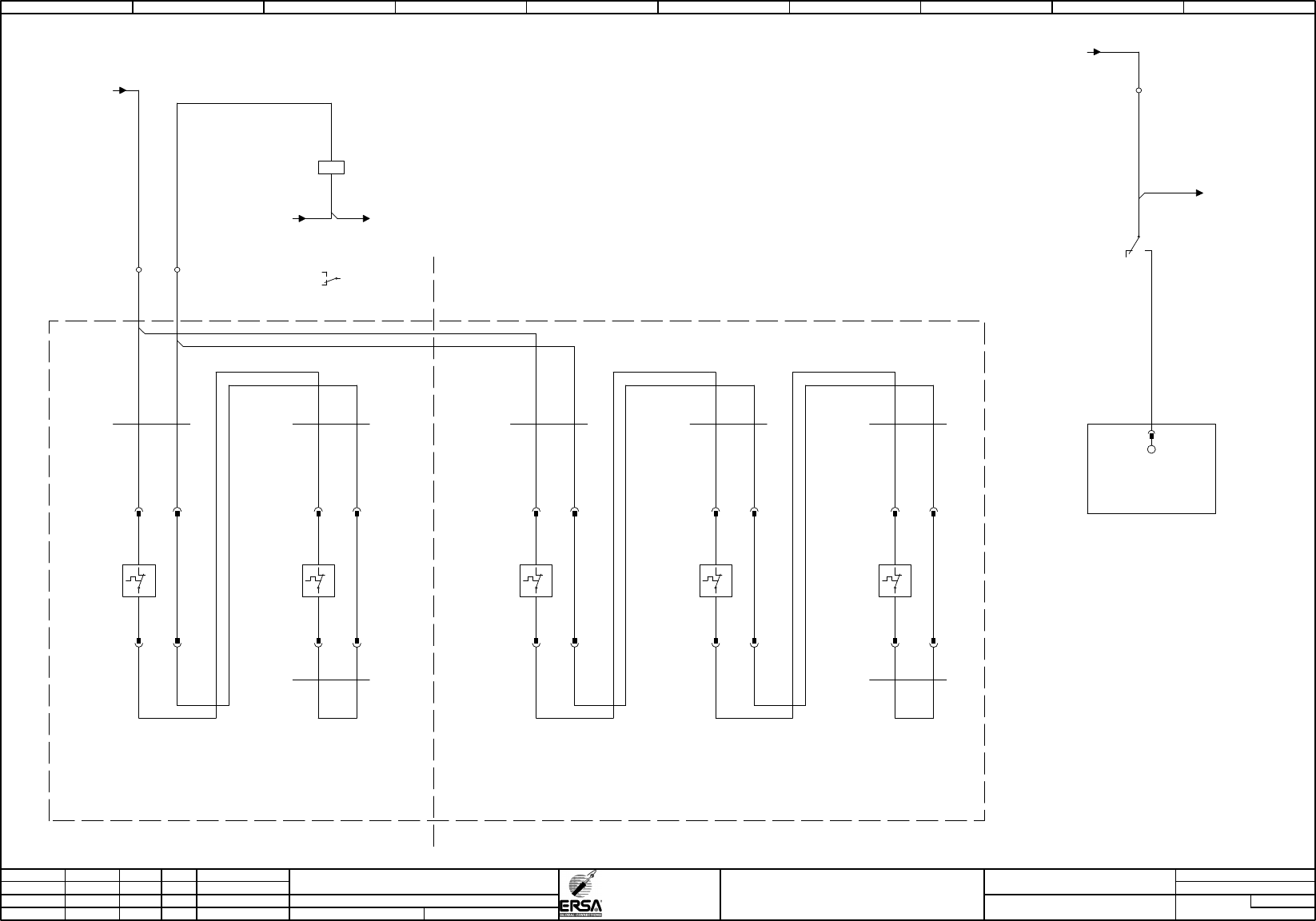
=HF
+HM2
Temperatur Umlüfter
Vorheizzone oben ok
/125.01 / -1X2.2:5
-A2
X20DM9324
8xDI / 4xDO
/10.00
IF6.ST2.DI.01
thermo control fan top
11
OG
88
GY
-3XM8.1
99
OG
88
GY
-3XM9.1
99
OG
88
GY
-3XM10.1
99
OG
88
GY
-3XM8.2
99
OG
88
GY
-3XM9.2
99
OG
88
GY
-3XM10.2
99
-3W10
Kaufteil
1,00
2
BK BK
-3WM8
Kaufteil
1,00
7
5 4
-3WM9
Kaufteil
1,00
7
5 4
-3WM10
Kaufteil
1,00
7
5 4
thermo control
in motor integrated
-3SM6
TW
TW
thermo control
in motor integrated
-3SM7
TW
TW
-3W7
Kaufteil
1,00
2
BK BK
OG
88
GY
-3XM6.1
99
OG
88
GY
-3XM7.1
99
OG
88
GY
-3XM6.2
99
OG
88
GY
-3XM7.2
99
HF3/14 HF3/20
-3WM6
Kaufteil
1,00
7
5 4
-3WM7
Kaufteil
1,00
7
5 4
thermocontrol
fans top ok
-1K10
12
11
14
.08
A1
A2
/10.05 / -24V-X5
-1K10
.02
thermocontrol
fans top ok
12
11
14
+3
-X5
-1K10:11 / /140.08
/140.02 / -G2:GND -G2:GND / /125.01
0 1 2 3 4 5 6 7 8 9

Page
=
C1
HF
=HF+C1/145
140
Modification Date
Name Norm
Check.
Proj.
Origin
Date
Crea. f.
schb
ERSA
DIC
18.06.2009
=HF+C1/135
133953-V00
Otto-Schott-Straße 5
97877 Wertheim
GmbH
Project name
14:15:0808.07.2010
+
file name (*.pdf)
133953-V00_100705
basic-project
-
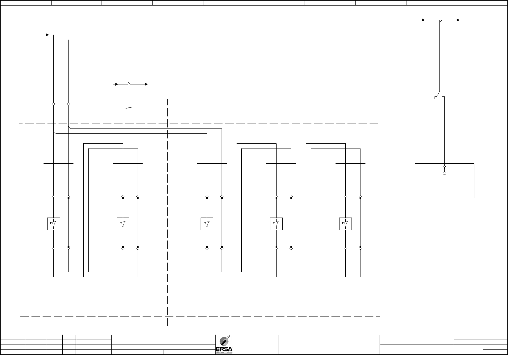
thermo control fans solderzone bottom side
Hotflow 3/xx
PDF-Page
Plant designation
0,50
BU
BU
0,50
=HF
+HM2
/130.02 / -9X2.2:5
Temperatur Umlüfter
Vorheizzonen unten ok
thermo control
in motor integrated
-4SM8
TW
TW
OG
88
OG
88
4
-4X2.2
GY
-4XM8.1
99
GY
-4XM8.2
99
5
thermo control
in motor integrated
-4SM9
TW
TW
OG
88
OG
88
GY
-4XM9.1
99
GY
-4XM9.2
99
thermo control
in motor integrated
-4SM10
TW
TW
-4W10
Kaufteil
1,00
2
BK BK
OG
88
OG
88
GY
-4XM10.1
99
GY
-4XM10.2
99
-4WM8
Kaufteil
1,00
7
5 4
-4WM9
Kaufteil
1,00
7
5 4
-4WM10
Kaufteil
1,00
7
5 4
thermo control
in motor integrated
-4SM6
TW
TW
thermo control
in motor integrated
-4SM7
TW
TW
-4WM6
Kaufteil
1,00
7
5 4
-4WM7
Kaufteil
1,00
7
5 4
OG
88
GY
-4XM6.1
99
OG
88
GY
-4XM7.1
99
OG
88
GY
-4XM7.2
99
OG
88
GY
-4XM6.2
99
HF3/14 HF3/20
-4W7
Kaufteil
1,00
2
BK BK
-A2
X20DM9324
8xDI / 4xDO
/10.00
IF6.ST2.DI.02
thermo control fan bottom side
21
thermocontrol
bottom side OK
-9K10
12
11
14
.08
A1
A2
/135.09 / -1K10:11 -1K10:11 / /150.08
-9K10
.02
thermocontrol
bottom side OK
12
11
14
/135.02 / -G2:GND -G2:GND / /150.06
0 1 2 3 4 5 6 7 8 9

Page
=
C1
HF
=HF+C1/150
145
Modification Date
Name Norm
Check.
Proj.
Origin
Date
Crea. f.
schb
ERSA
DIC
18.06.200921.09.2006
=HF+C1/140
133953-V00
Otto-Schott-Straße 5
97877 Wertheim
GmbH
Project name
14:15:0808.07.2010
+
file name (*.pdf)
133953-V00_100705
basic-project
-
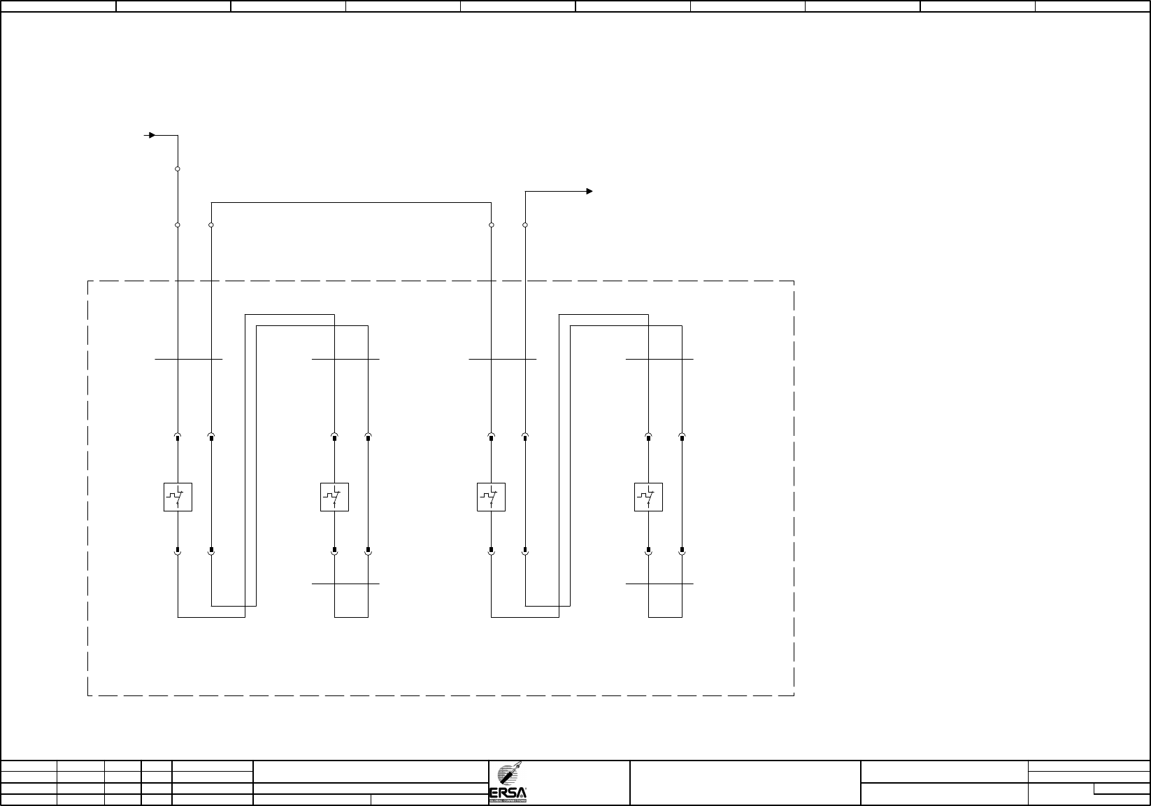
thermo control fan cooling zone 1-4 top side
Hotflow 3/xx
PDF-Page
Plant designation
BU
0,50
BU 0,50BU 0,50
thermo control
in motor integrated
-7SM1
TW
TW
22
-7X2.2
23
=HF
+CM
thermo control
in motor integrated
-7SM3
TW
TW
thermo control
in motor integrated
-7SM2
TW
TW
thermo control
in motor integrated
-7SM4
TW
TW
-7K10:A1 / /150.00
/150.06
OG
88
GY
-7XM1.1
99
OG
88
GY
-7XM2.1
99
OG
88
GY
-7XM3.1
99
OG
88
GY
-7XM4.1
99
OG
88
GY
-7XM1.2
99
OG
88
GY
-7XM2.2
99
OG
88
GY
-7XM3.2
99
OG
88
GY
-7XM4.2
99
-7WM1
Kaufteil
1,00
7
5 4
-7WM2
Kaufteil
1,00
7
5 4
-7WM3
Kaufteil
1,00
7
5 4
-7WM4
Kaufteil
1,00
7
5 4
-7W4
Kaufteil
1,00
2
BK BK
-7W2
Kaufteil
1,00
2
BK BK
2425
only installed at HF3/20
3
-X5
/130.01 / -G2:24V
0 1 2 3 4 5 6 7 8 9