Plan_HF3_14_20_en line 1电路.pdf - 第72页
Pag e = C1 HF =HF +C 1/310 305 Modificati on Date Na m e No rm Check. Proj. Origin Date Crea. f. schb ERSA DIC 18 .0 6. 200 9 =HF +C 1/300 133 953- V00 Ot to-Schott-Straße 5 97 87 7 W ertheim Gm bH Pr oj e c t name 14:15…

Page
=
C1
HF
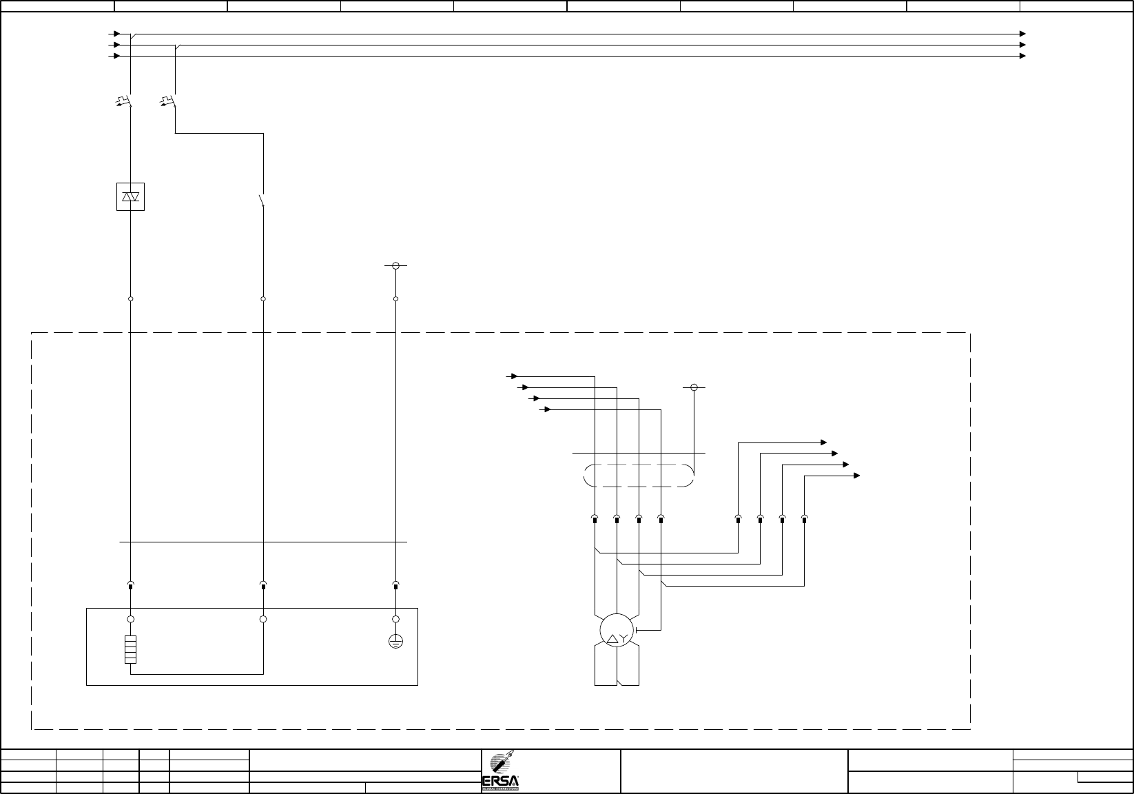
=HF+C1/305
300
Modification Date
Name Norm
Check.
Proj.
Origin
Date
Crea. f.
schb
ERSA
DIC
18.06.2009
=HF+C1/295
133953-V00
Otto-Schott-Straße 5
97877 Wertheim
GmbH
Project name
14:15:1208.07.2010
+
file name (*.pdf)
133953-V00_100705
basic-project
-
preheating zone 4 bottom side
Hotflow 3/xx
PDF-Page
Plant designation
BK
2,50
2,50
BK
BK
2,50
BK
2,50
=HF
+HM1
-9E4
3,3kW/400V
heating
preheating zone
4 bottom side
-9F4
B16A
preheating zone 4 bottom side
2
1
4
3
-9U4
/195.04
24VDC
preheating zone 4 bottom side
T1
L1
1
2
-9WE4
Kaufteil
2,50
3
BN BU
GNYE
L
7
-9X2.1
-9K1
/215.03
24VDC
preheating zone
1-4 bottom side on
7
8
L
8
PE-C1
PE
PE8
-9XE4
11 22 33
-9WM4
Kaufteil
1,00
7
SHD
1 2 3 GNYE
-9WM4
/295.08 / -10F2:1 (L1)
/295.08 / -10F2:3 (L2)
/295.08 / -10F2:5 (L3)
Versorgung 400VAC
Heizzonen 1-10 unten
-10F2:1 (L1) / /305.00
-10F2:3 (L2) / /305.00
-10F2:5 (L3) / /305.00
+C1/295.07 / -9A1:U
+C1/295.07 / -9A1:V
+C1/295.07 / -9A1:W
Lüftermotoren 1-7 unten
+C1/295.07 / -9A1:PE
BN
-9XM4.1
11
-9M4
400V
fan
preheating zone
4 bottom side
M
3
~
U1
V2
V1
U2
W1
W2
PE
BU
22
BK
33
BASE-C1
BN
-9XM4.2
11
BU
22
BK
33
-9A1:U / +C1/305.04
-9A1:V / +C1/305.04
-9A1:W / +C1/305.04
Lüftermotoren 1-7 unten
-9A1:PE / +C1/305.04
GNYE
77
GNYE
77
0 1 2 3 4 5 6 7 8 9

Page
=
C1
HF
=HF+C1/310
305
Modification Date
Name Norm
Check.
Proj.
Origin
Date
Crea. f.
schb
ERSA
DIC
18.06.2009
=HF+C1/300
133953-V00
Otto-Schott-Straße 5
97877 Wertheim
GmbH
Project name
14:15:1208.07.2010
+
file name (*.pdf)
133953-V00_100705
basic-project
-
preheating zone 5 bottom side
Hotflow 3/xx
PDF-Page
Plant designation
2,50
BK
BK
2,50
2,50
BK
2,50
BK
=HF
+HM1
-9E5
3,3kW/400V
heating
preheating zone
5 bottom side
-9F5
B16A
preheating zone 5 bottom side
2
1
4
3
-9U5
/195.05
24VDC
preheating zone 5 bottom side
T1
L1
1
2
-9WE5
Kaufteil
2,50
3
BN BU
GNYE
L
9
-9X2.1
-9K2
/215.03
24VDC
preheating zone
5-7 bottom side on
1
2
L
10
PE-C1
PE
PE10
-9XE5
11 22 33
-9WM5
Kaufteil
1,00
7
SHD
1 2 3 GNYE
-9WM5
/300.08 / -10F2:1 (L1)
/300.08 / -10F2:3 (L2)
/300.08 / -10F2:5 (L3)
Versorgung 400VAC
Heizzonen 1-10 unten
-10F2:1 (L1) / /310.00
-10F2:3 (L2) / /310.00
-10F2:5 (L3) / /310.00
+C1/300.07 / -9A1:U
+C1/300.07 / -9A1:V
+C1/300.07 / -9A1:W
Lüftermotoren 1-7 unten
+C1/300.07 / -9A1:PE
BN
-9XM5.1
11
-9M5
400V
fan
preheating zone
5 bottom side
M
3
~
U1
V2
V1
U2
W1
W2
PE
BU
22
BK
33
BASE-C1
BN
-9XM5.2
11
BU
22
BK
33
-9A1:U / +C1/310.04
-9A1:V / +C1/310.04
-9A1:W / +C1/310.04
Lüftermotoren 1-7 unten
-9A1:PE / +C1/310.04
GNYE
77
GNYE
77
0 1 2 3 4 5 6 7 8 9

Page
=
C1
HF
=HF+C1/315
310
Modification Date
Name Norm
Check.
Proj.
Origin
Date
Crea. f.
schb
ERSA
DIC
18.06.2009
=HF+C1/305
133953-V00
Otto-Schott-Straße 5
97877 Wertheim
GmbH
Project name
14:15:1208.07.2010
+
file name (*.pdf)
133953-V00_100705
basic-project
-
HF3/20 preheating zone 6 bottom side
Hotflow 3/xx
PDF-Page
Plant designation
2,50
BK
2,50
BK
BK
2,50
BK
2,50
=HF
+HM1
-9E6
3,3kW/400V
heating
preheating zone
6 bottom side
-9U6
/195.07
24VDC
preheating zone 6 bottom side
T1
L1
1
2
-9WE6
Kaufteil
2,50
3
BN BU
GNYE
L
11
-9X2.1
-9K2
/215.03
24VDC
preheating zone
5-7 bottom side on
3
4
L
12
PE-C1
PE
PE12
-9XE6
11 22 33
-9WM6
Kaufteil
1,00
7
SHD
1 2 3 GNYE
-9F6
B16A
preheating zone 6 bottom side
2
1
4
3
-9WM6
/305.08 / -10F2:1 (L1)
/305.08 / -10F2:3 (L2)
/305.08 / -10F2:5 (L3)
Versorgung 400VAC
Heizzonen 1-10 unten
-10F2:1 (L1) / /315.00
-10F2:3 (L2) / /315.00
-10F2:5 (L3) / /315.00
+C1/305.07 / -9A1:U
+C1/305.07 / -9A1:V
+C1/305.07 / -9A1:W
Lüftermotoren 1-7 unten
+C1/305.07 / -9A1:PE
BN
-9XM6.1
11
-9M6
400V
fan
preheating zone
6 bottom side
M
3
~
U1
V2
V1
U2
W1
W2
PE
BU
22
BK
33
BASE-C1
BN
-9XM6.2
11
BU
22
BK
33
-9A1:U / +C1/315.04
-9A1:V / +C1/315.04
-9A1:W / +C1/315.04
Lüftermotoren 1-7 unten
-9A1:PE / +C1/315.04
GNYE
77
GNYE
77
0 1 2 3 4 5 6 7 8 9