Plan_HF3_14_20_en line 1电路.pdf - 第70页
Pag e = C1 HF =HF +C 1/300 295 Modificati on Date Na m e No rm Check. Proj. Origin Date Crea. f. schb ERSA DIC 18 .0 6. 200 9 =HF +C 1/290 133 953- V00 Ot to-Schott-Straße 5 97 87 7 W ertheim Gm bH Pr oj e c t name 14:15…

Page
=
C1
HF
=HF+C1/295
290
Modification Date
Name Norm
Check.
Proj.
Origin
Date
Crea. f.
schb
ERSA
DIC
18.06.2009
=HF+C1/285
133953-V00
Otto-Schott-Straße 5
97877 Wertheim
GmbH
Project name
14:15:1208.07.2010
+
file name (*.pdf)
133953-V00_100705
basic-project
-
preheating zone 2 bottom side
Hotflow 3/xx
PDF-Page
Plant designation
BK
2,50
2,50
BK
BK
2,50
2,50
BK
=HF
+HM1
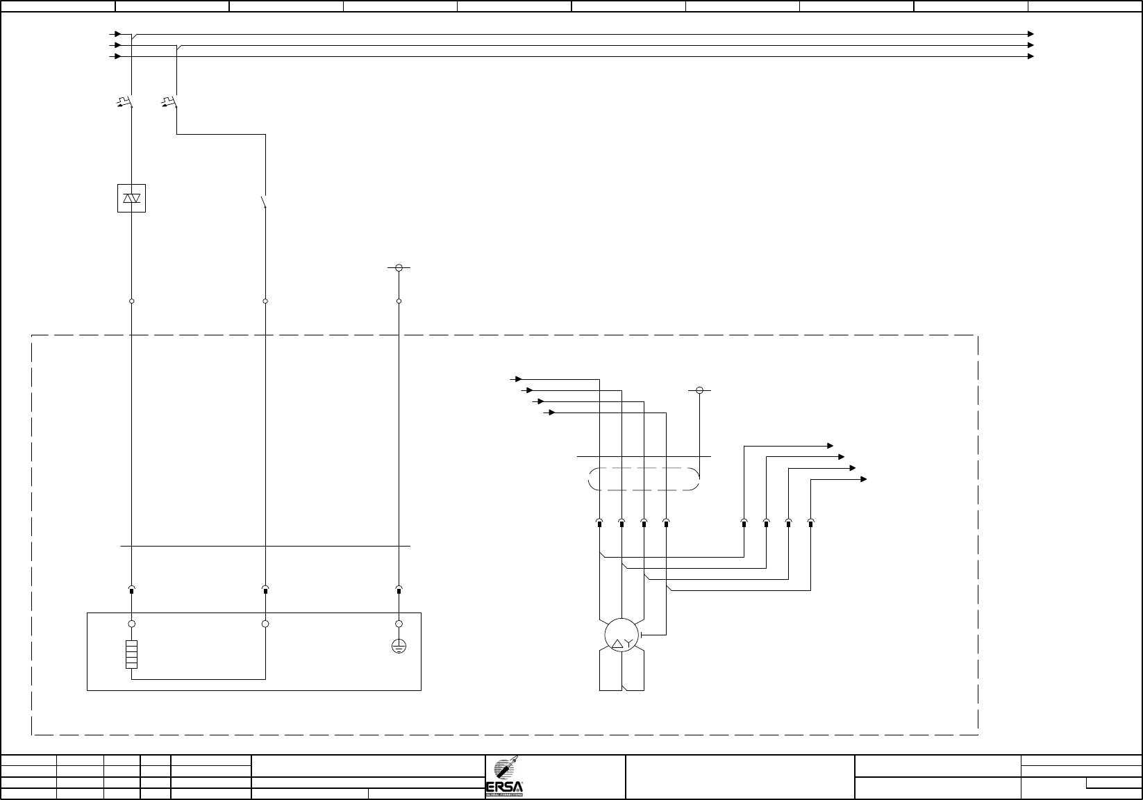
-9E2
3,3kW/400V
heating
preheating zone
2 bottom side
-9F2
B16A
preheating zone 2 bottom side
2
1
4
3
-9U2
/195.02
24VDC
preheating zone 2 bottom side
T1
L1
1
2
-9WE2
Kaufteil
2,50
3
BN BU
GNYE
L
3
-9X2.1
-9K1
/215.03
24VDC
preheating zone
1-4 bottom side on
3
4
L
4
PE-C1
PE
PE4
-9XE2
11 22 33
-9WM2
Kaufteil
1,00
7
SHD
1 2 3 GNYE
-9WM2
/285.03 / -10F2:1 (L1)
/285.03 / -10F2:3 (L2)
/285.03 / -10F2:5 (L3)
Versorgung 400VAC
Heizzonen 1-10 unten
-10F2:1 (L1) / /295.00
-10F2:3 (L2) / /295.00
-10F2:5 (L3) / /295.00
+C1/285.07 / -9A1:U
+C1/285.07 / -9A1:V
+C1/285.07 / -9A1:W
Lüftermotoren 1-7 unten
+C1/285.07 / -9A1:PE
BN
-9XM2.1
11
-9M2
400V
fan
preheating zone
2 bottom side
M
3
~
U1
V2
V1
U2
W1
W2
PE
BU
22
BK
33
BASE-C1
BN
-9XM2.2
11
BU
22
BK
33
-9A1:U / +C1/295.04
-9A1:V / +C1/295.04
-9A1:W / +C1/295.04
Lüftermotoren 1-7 unten
-9A1:PE / +C1/295.04
GNYE
77
GNYE
77
0 1 2 3 4 5 6 7 8 9

Page
=
C1
HF
=HF+C1/300
295
Modification Date
Name Norm
Check.
Proj.
Origin
Date
Crea. f.
schb
ERSA
DIC
18.06.2009
=HF+C1/290
133953-V00
Otto-Schott-Straße 5
97877 Wertheim
GmbH
Project name
14:15:1208.07.2010
+
file name (*.pdf)
133953-V00_100705
basic-project
-
preheating zone 3 bottom side
Hotflow 3/xx
PDF-Page
Plant designation
BK
2,50
BK
2,50
BK
2,50
BK
2,50
=HF
+HM1
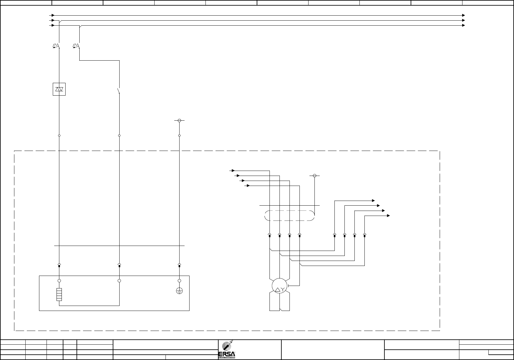
-9E3
3,3kW/400V
heating
preheating zone
3 bottom side
-9F3
B16A
preheating zone 3 bottom side
2
1
4
3
-9U3
/195.03
24VDC
preheating zone 3 bottom side
T1
L1
1
2
-9WE3
Kaufteil
2,50
3
BN BU
GNYE
L
-9XE3
11
5
-9X2.1
-9K1
/215.03
24VDC
preheating zone
1-4 bottom side on
5
6
L
22
6
PE-C1
PE
33
PE6
-9WM3
Kaufteil
1,00
7
SHD
1 2 3 GNYE
-9WM3
/290.08 / -10F2:1 (L1)
/290.08 / -10F2:3 (L2)
/290.08 / -10F2:5 (L3)
Versorgung 400VAC
Heizzonen 1-10 unten
-10F2:1 (L1) / /300.00
-10F2:3 (L2) / /300.00
-10F2:5 (L3) / /300.00
+C1/290.07 / -9A1:U
+C1/290.07 / -9A1:V
+C1/290.07 / -9A1:W
Lüftermotoren 1-7 unten
+C1/290.07 / -9A1:PE
BN
-9XM3.1
11
-9M3
400V
fan preheating zone
3 bottom side
M
3
~
U1
V2
V1
U2
W1
W2
PE
BU
22
BK
33
BASE-C1
BN
-9XM3.2
11
BU
22
BK
33
-9A1:U / +C1/300.04
-9A1:V / +C1/300.04
-9A1:W / +C1/300.04
Lüftermotoren 1-7 unten
-9A1:PE / +C1/300.04
GNYE
77
GNYE
77
0 1 2 3 4 5 6 7 8 9

Page
=
C1
HF
=HF+C1/305
300
Modification Date
Name Norm
Check.
Proj.
Origin
Date
Crea. f.
schb
ERSA
DIC
18.06.2009
=HF+C1/295
133953-V00
Otto-Schott-Straße 5
97877 Wertheim
GmbH
Project name
14:15:1208.07.2010
+
file name (*.pdf)
133953-V00_100705
basic-project
-
preheating zone 4 bottom side
Hotflow 3/xx
PDF-Page
Plant designation
BK
2,50
2,50
BK
BK
2,50
BK
2,50
=HF
+HM1
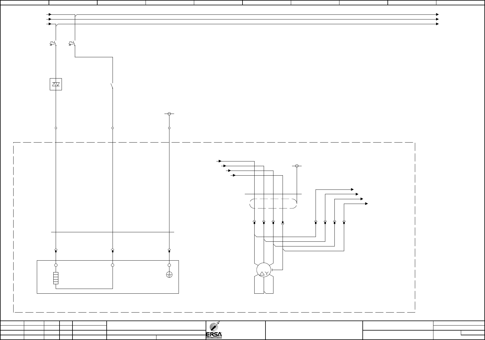
-9E4
3,3kW/400V
heating
preheating zone
4 bottom side
-9F4
B16A
preheating zone 4 bottom side
2
1
4
3
-9U4
/195.04
24VDC
preheating zone 4 bottom side
T1
L1
1
2
-9WE4
Kaufteil
2,50
3
BN BU
GNYE
L
7
-9X2.1
-9K1
/215.03
24VDC
preheating zone
1-4 bottom side on
7
8
L
8
PE-C1
PE
PE8
-9XE4
11 22 33
-9WM4
Kaufteil
1,00
7
SHD
1 2 3 GNYE
-9WM4
/295.08 / -10F2:1 (L1)
/295.08 / -10F2:3 (L2)
/295.08 / -10F2:5 (L3)
Versorgung 400VAC
Heizzonen 1-10 unten
-10F2:1 (L1) / /305.00
-10F2:3 (L2) / /305.00
-10F2:5 (L3) / /305.00
+C1/295.07 / -9A1:U
+C1/295.07 / -9A1:V
+C1/295.07 / -9A1:W
Lüftermotoren 1-7 unten
+C1/295.07 / -9A1:PE
BN
-9XM4.1
11
-9M4
400V
fan
preheating zone
4 bottom side
M
3
~
U1
V2
V1
U2
W1
W2
PE
BU
22
BK
33
BASE-C1
BN
-9XM4.2
11
BU
22
BK
33
-9A1:U / +C1/305.04
-9A1:V / +C1/305.04
-9A1:W / +C1/305.04
Lüftermotoren 1-7 unten
-9A1:PE / +C1/305.04
GNYE
77
GNYE
77
0 1 2 3 4 5 6 7 8 9