Plan_HF3_14_20_en line 1电路.pdf - 第74页
Pag e = C1 HF =HF +C 1/320 315 Modificati on Date Na m e No rm Check. Proj. Origin Date Crea. f. schb ERSA DIC 18 .0 6. 200 9 26. 07 .2 004 =HF +C 1/310 133 953- V00 Ot to-Schott-Straße 5 97 87 7 W ertheim Gm bH Pr oj e …

Page
=
C1
HF
=HF+C1/315
310
Modification Date
Name Norm
Check.
Proj.
Origin
Date
Crea. f.
schb
ERSA
DIC
18.06.2009
=HF+C1/305
133953-V00
Otto-Schott-Straße 5
97877 Wertheim
GmbH
Project name
14:15:1208.07.2010
+
file name (*.pdf)
133953-V00_100705
basic-project
-
HF3/20 preheating zone 6 bottom side
Hotflow 3/xx
PDF-Page
Plant designation
2,50
BK
2,50
BK
BK
2,50
BK
2,50
=HF
+HM1
-9E6
3,3kW/400V
heating
preheating zone
6 bottom side
-9U6
/195.07
24VDC
preheating zone 6 bottom side
T1
L1
1
2
-9WE6
Kaufteil
2,50
3
BN BU
GNYE
L
11
-9X2.1
-9K2
/215.03
24VDC
preheating zone
5-7 bottom side on
3
4
L
12
PE-C1
PE
PE12
-9XE6
11 22 33
-9WM6
Kaufteil
1,00
7
SHD
1 2 3 GNYE
-9F6
B16A
preheating zone 6 bottom side
2
1
4
3
-9WM6
/305.08 / -10F2:1 (L1)
/305.08 / -10F2:3 (L2)
/305.08 / -10F2:5 (L3)
Versorgung 400VAC
Heizzonen 1-10 unten
-10F2:1 (L1) / /315.00
-10F2:3 (L2) / /315.00
-10F2:5 (L3) / /315.00
+C1/305.07 / -9A1:U
+C1/305.07 / -9A1:V
+C1/305.07 / -9A1:W
Lüftermotoren 1-7 unten
+C1/305.07 / -9A1:PE
BN
-9XM6.1
11
-9M6
400V
fan
preheating zone
6 bottom side
M
3
~
U1
V2
V1
U2
W1
W2
PE
BU
22
BK
33
BASE-C1
BN
-9XM6.2
11
BU
22
BK
33
-9A1:U / +C1/315.04
-9A1:V / +C1/315.04
-9A1:W / +C1/315.04
Lüftermotoren 1-7 unten
-9A1:PE / +C1/315.04
GNYE
77
GNYE
77
0 1 2 3 4 5 6 7 8 9

Page
=
C1
HF
=HF+C1/320
315
Modification Date
Name Norm
Check.
Proj.
Origin
Date
Crea. f.
schb
ERSA
DIC
18.06.200926.07.2004
=HF+C1/310
133953-V00
Otto-Schott-Straße 5
97877 Wertheim
GmbH
Project name
14:15:1208.07.2010
+
file name (*.pdf)
133953-V00_100705
basic-project
-
HF3/20 preheating zone 7 bottom side
Hotflow 3/xx
PDF-Page
Plant designation
BK
2,50
BK
2,50
BK
2,50
BK
2,50
=HF
+HM1
-9E7
3,3kW/400V
heating
preheating zone
7 bottom side
-9F7
B16A
preheating zone 7 bottom side
2
1
4
3
-9U7
/195.08
24VDC
preheating zone 7 bottom side
T1
L1
1
2
-9WE7
Kaufteil
2,50
3
BN BU
GNYE
L
13
-9X2.1
-9K2
/215.03
24VDC
preheating zone
5-7 bottom side on
5
6
L
14
PE-C1
PE
PE14
-9XE7
11 22 33
-9WM7
Kaufteil
1,00
7
SHD
1 2 3 GNYE
-9WM7
/310.08 / -10F2:1 (L1)
/310.08 / -10F2:3 (L2)
/310.08 / -10F2:5 (L3)
Versorgung 400VAC
Heizzonen 1-10 unten
-10F2:1 (L1) / /325.00
-10F2:3 (L2) / /325.00
-10F2:5 (L3) / /325.00
+C1/310.07 / -9A1:U
+C1/310.07 / -9A1:V
+C1/310.07 / -9A1:W
Lüftermotoren 1-7 unten
+C1/310.07 / -9A1:PE
BN
-9XM7.1
11
-9M7
400V
fan
preheating zone
7 bottom side
M
3
~
U1
V2
V1
U2
W1
W2
PE
BU
22
BK
33
BASE-C1
BN
-9XM7.2
11
BU
22
BK
33
GNYE
77
GNYE
77
0 1 2 3 4 5 6 7 8 9

Page
=
C1
HF
=HF+C1/325
320
Modification Date
Name Norm
Check.
Proj.
Origin
Date
Crea. f.
schb
ERSA
DIC
18.06.2009
=HF+C1/315
133953-V00
Otto-Schott-Straße 5
97877 Wertheim
GmbH
Project name
14:15:1208.07.2010
+
file name (*.pdf)
133953-V00_100705
basic-project
-
HF3/14 solder zone 6 bottom side
Hotflow 3/xx
PDF-Page
Plant designation
BK
2,50
BK
2,50
2,50
BK
2,50
BK
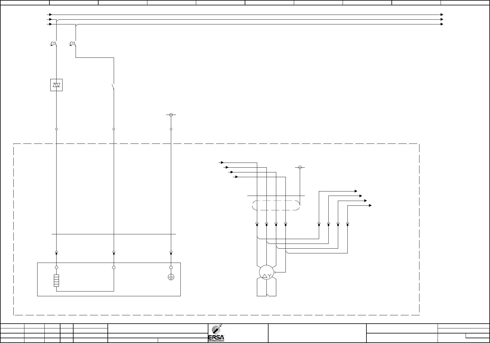
=HF
+HM2
-4E6
3,3kW/400V
heating
soldering zone
6 bottom side
.03 / -10F2:1 (L1)
.03 / -10F2:3 (L2)
.03 / -10F2:5 (L3)
Versorgung 400VAC
Heizzonen 1-10 unten
-4F6
B16A
soldering zone
6 bottom side
2
1
4
3
-4U6
/205.01
24VDC
soldering zone
6 bottom side
T1
L1
1
2
-4WE6
Kaufteil
2,50
3
BN BU
GNYE
L
-4XE6
11
1
-4X2.1
-4K1
/215.08
24VDC
soldering zone
bottom side on
1
2
L
22
2
-10F2:1 (L1) / .00
-10F2:3 (L2) / .00
-10F2:5 (L3) / .00
PE-C1
PE
33
PE2
-4A1
1,1kW
frequency inverter
fans soldering zone
bottom side
-4WM1
Kaufteil
1,00
7
1 2 3 GNYE
SHD
-4?WA1
-4WM1
U
BN
-4XM6.1
11
-4X2.2
1
-4M6
400V
fans
soldering zone
6 bottom side
M
3
~
U1
V2
V1
U2
W1
W2
PE
V
BU
22
2
W
BK
33
3
PE
GNYE
77
SHD
case
PE
PE-C1
BN
-4XM6.2
11
BU
22
BK
33
GNYE
77
-4A1:U / +C1/340.04
-4A1:V / +C1/340.04
-4A1:W / +C1/340.04
Lüftermotoren 8-10 unten
-4A1:PE / +C1/340.04
-4WA1
H05VVC4V5-K
1,50
4
1 2 3 GNYE
SHD
0 1 2 3 4 5 6 7 8 9