Plan_HF3_14_20_en line 1电路.pdf - 第66页
Pag e = C1 HF =HF +C 1/280 275 Modificati on Date Na m e No rm Check. Proj. Origin Date Crea. f. schb ERSA DIC 18 .0 6. 200 9 =HF +C 1/270 133 953- V00 Ot to-Schott-Straße 5 97 87 7 W ertheim Gm bH Pr oj e c t name 14:15…

Page
=
C1
HF
=HF+C1/275
270
Modification Date
Name Norm
Check.
Proj.
Origin
Date
Crea. f.
schb
ERSA
DIC
18.06.2009
=HF+C1/265
133953-V00
Otto-Schott-Straße 5
97877 Wertheim
GmbH
Project name
14:15:1108.07.2010
+
file name (*.pdf)
133953-V00_100705
basic-project
-
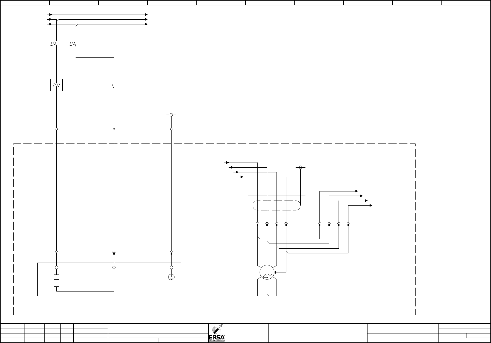
HF3/20 solder zone 8 top
Hotflow 3/xx
PDF-Page
Plant designation
2,50
BK
2,50
BK
2,50
BK
BK
2,50
-3E8
400V
heating
soldering zone
8 top
-3F8
B16A
soldering zone
8 top
2
1
4
3
-3U8
/200.04
24VDC
soldering zone
8 top
T1
L1
1
2
-3WE8
Kaufteil
2,50
3
BN BU
GNYE
L
-3XE8
11
1
-3X2.1
L
22
2
PE-C1
PE
33
PE2
=HF
+HM2
-3WM8
Kaufteil
1,00
7
SHD
1 2 3 GNYE
-3WM8
-3A1:U / +C1/275.04
-3A1:V / +C1/275.04
-3A1:W / +C1/275.04
Lüftermotoren 8-10 oben
/265.08 / -10F1:1 (L1)
/265.08 / -10F1:3 (L2)
/265.08 / -10F1:5 (L3)
-10F1:1 (L1) / /275.00
-10F1:3 (L2) / /275.00
-10F1:5 (L3) / /275.00
BN
-3XM8.1
11
-3M8
230/400V
fan
soldering zone
8 top
M
3
~
U1
V2
V1
U2
W1
W2
PE
BU
22
BK
33
BN
-3XM8.2
11
BU
22
BK
33
-3A1:PE / +C1/275.04
GNYE
77
GNYE
77
+C1/265.07 / +HM1-1A1:U
+C1/265.07 / +HM1-1A1:V
+C1/265.07 / +HM1-1A1:W
Lüftermotoren Vorheizzone oben
+C1/265.07 / +HM1-1A1:PE
BASE-C1
-3K1
/215.07
24VDC
soldering zone
top on
5
6
HF3/14 HF3/20 --> 3.3kW
HF3/20XL --> 4.5kW
0 1 2 3 4 5 6 7 8 9

Page
=
C1
HF
=HF+C1/280
275
Modification Date
Name Norm
Check.
Proj.
Origin
Date
Crea. f.
schb
ERSA
DIC
18.06.2009
=HF+C1/270
133953-V00
Otto-Schott-Straße 5
97877 Wertheim
GmbH
Project name
14:15:1108.07.2010
+
file name (*.pdf)
133953-V00_100705
basic-project
-
HF3/20 solder zone 9 top
Hotflow 3/xx
PDF-Page
Plant designation
2,50
BK
2,50
BK
2,50
BK
2,50
BK
=HF
+HM2
-3E9
3,3kW/400V
heating
soldering zone
9 top
-3F9
B16A
soldering zone
9 top
2
1
4
3
-3U9
/200.05
24VDC
soldering zone
9 top
T1
L1
1
2
-3WE9
Kaufteil
2,50
3
BN BU
GNYE
L
-3XE9
11
3
-3X2.1
L
22
4
PE-C1
PE
33
PE4
-3WM9
Kaufteil
1,00
7
SHD
1 2 3 GNYE
-3WM9
/270.02 / -10F1:3 (L2)
/270.02 / -10F1:5 (L3)
-10F1:3 (L2) / /280.00
+C1/270.07 / -3A1:U
+C1/270.07 / -3A1:V
+C1/270.07 / -3A1:W
Lüftermotoren 8-10 oben
+C1/270.07 / -3A1:PE
BN
-3XM9.1
11
-3M9
230/400V
fan
soldering zone
9 top
M
3
~
U1
V2
V1
U2
W1
W2
PE
BU
22
BK
33
BASE-C1
BN
-3XM9.2
11
BU
22
BK
33
-3A1:U / +C1/280.04
-3A1:V / +C1/280.04
-3A1:W / +C1/280.04
Lüftermotoren 8-10 oben
-3A1:PE / +C1/280.04
GNYE
77
GNYE
77
-3K1
/215.07
24VDC
soldering zone
top on
7
8
/270.02 / -10F1:1 (L1) -10F1:1 (L1) / /280.00
HF3/14 HF3/20 --> 3.3kW
HF3/20XL --> 4.5kW
0 1 2 3 4 5 6 7 8 9

Page
=
C1
HF
=HF+C1/285
280
Modification Date
Name Norm
Check.
Proj.
Origin
Date
Crea. f.
schb
ERSA
DIC
18.06.2009
=HF+C1/275
133953-V00
Otto-Schott-Straße 5
97877 Wertheim
GmbH
Project name
14:15:1108.07.2010
+
file name (*.pdf)
133953-V00_100705
basic-project
-
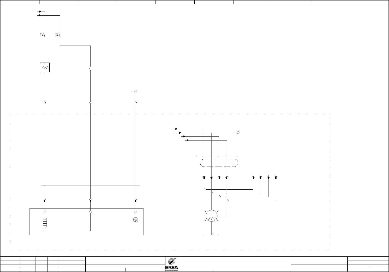
HF3/20 solder zone 10 top
Hotflow 3/xx
PDF-Page
Plant designation
2,50
BK
2,50
BK
2,50
BK
2,50
BK
=HF
+HM2
-3E10
3,3kW/400V
heating
soldering zone
10 top
-3F10
B16A
soldering zone
10 top
2
1
4
3
-3U10
/200.06
24VDC
soldering zone
10 top
T1
L1
1
2
-3WE10
Kaufteil
2,50
3
BN BU
GNYE
L
-3XE10
11
5
-3X2.1
L
22
6
PE-C1
PE
33
PE6
-3WM10
Kaufteil
1,00
7
SHD
1 2 3 GNYE
-3WM10
/275.08 / -10F1:1 (L1)
/275.08 / -10F1:3 (L2)
+C1/275.07 / -3A1:U
+C1/275.07 / -3A1:V
+C1/275.07 / -3A1:W
Lüftermotoren 8-10 oben
+C1/275.07 / -3A1:PE
BN
-3XM10.1
11
-3M10
230/400V
fan
soldering zone
10 top
M
3
~
U1
V2
V1
U2
W1
W2
PE
BU
22
BK
33
BASE-C1
BN
-3XM10.2
11
BU
22
BK
33
GNYE
77
GNYE
77
-1K2
/215.02
24VDC
preheating zone
zone 5-7 top on
7
8
HF3/14 HF3/20 --> 3.3kW
HF3/20XL --> 4.5kW
0 1 2 3 4 5 6 7 8 9