Plan_HF3_14_20_en line 1电路.pdf - 第64页
Pag e = C1 HF =HF +C 1/270 265 Modificati on Date Na m e No rm Check. Proj. Origin Date Crea. f. schb ERSA DIC 18 .0 6. 200 9 =HF +C 1/260 133 953- V00 Ot to-Schott-Straße 5 97 87 7 W ertheim Gm bH Pr oj e c t name 14:15…

Page
=
C1
HF
=HF+C1/265
260
Modification Date
Name Norm
Check.
Proj.
Origin
Date
Crea. f.
schb
ERSA
DIC
18.06.2009
=HF+C1/255
133953-V00
Otto-Schott-Straße 5
97877 Wertheim
GmbH
Project name
14:15:1108.07.2010
+
file name (*.pdf)
133953-V00_100705
basic-project
-
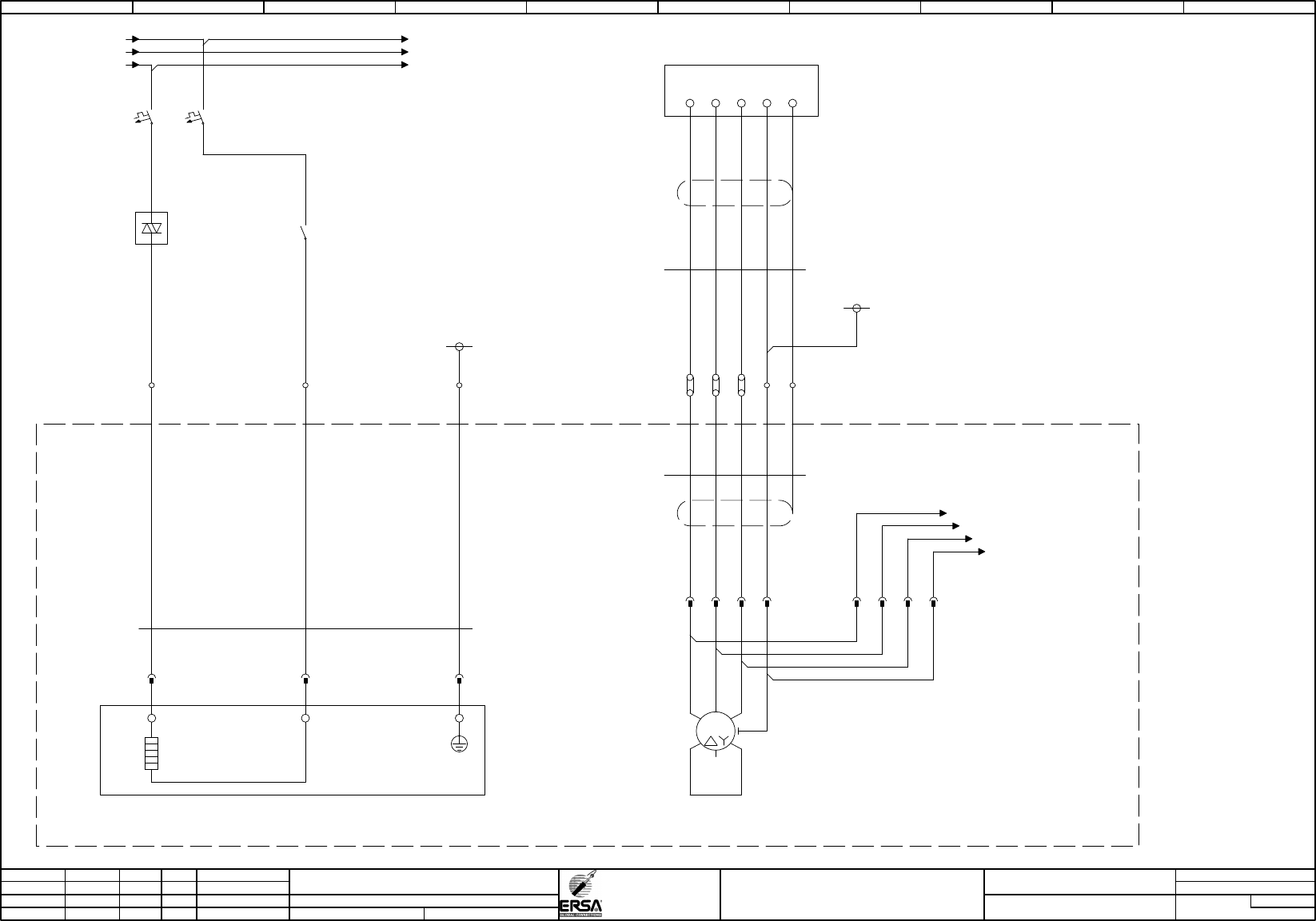
HF3/14 solder zone 6 top
Hotflow 3/xx
PDF-Page
Plant designation
2,50
BK
2,50
BK
2,50
BK
2,50
BK
=HF
+HM2
-3E6
3,3kW/400V
heating
soldering zone
6 top
/255.08 / -10F1:1 (L1)
/255.08 / -10F1:3 (L2)
/255.08 / -10F1:5 (L3)
-3F6
B16A
soldering zone
6 top
2
1
4
3
-3U6
/200.01
24VDC
soldering zone
6 top
T1
L1
1
2
-3WE6
Kaufteil
2,50
3
BN BU
GNYE
L
-3XE6
11
L
22
PE-C1
PE
33
BN
-3XM6.1
11
-3M6
400V
fan
soldering zone
6 top
M
3
~
U1
V2
V1
U2
W1
W2
PE
BU
22
BK
33
GNYE
77
BN
-3XM6.2
11
BU
22
BK
33
GNYE
77
+HM1-1A1:U / +C1/265.04
+HM1-1A1:V / +C1/265.04
+HM1-1A1:W / +C1/265.04
Lüftermotoren Vorheizzone oben
+HM1-1A1:PE / +C1/265.04
-10F1:1 (L1) / /265.00
-10F1:3 (L2) / /265.00
-10F1:5 (L3) / /265.00
-3A1
1,1kW
frequency inverter
fans soldering zone top
-3WA1
H05VVC4V5-K
1,50
4
1 2 3 GNYE
SHD
-3WA1
U
-3X2.2
1
V
2
W
3
PE
SHD
case
PE
PE-C1
-3WM6
-3WM6
Kaufteil
1,00
7
1 2 3 GNYE
SHD
-3K1
/215.07
24VDC
soldering zone
top on
1
2
1
-3X2.1
2
PE2
0 1 2 3 4 5 6 7 8 9

Page
=
C1
HF
=HF+C1/270
265
Modification Date
Name Norm
Check.
Proj.
Origin
Date
Crea. f.
schb
ERSA
DIC
18.06.2009
=HF+C1/260
133953-V00
Otto-Schott-Straße 5
97877 Wertheim
GmbH
Project name
14:15:1108.07.2010
+
file name (*.pdf)
133953-V00_100705
basic-project
-
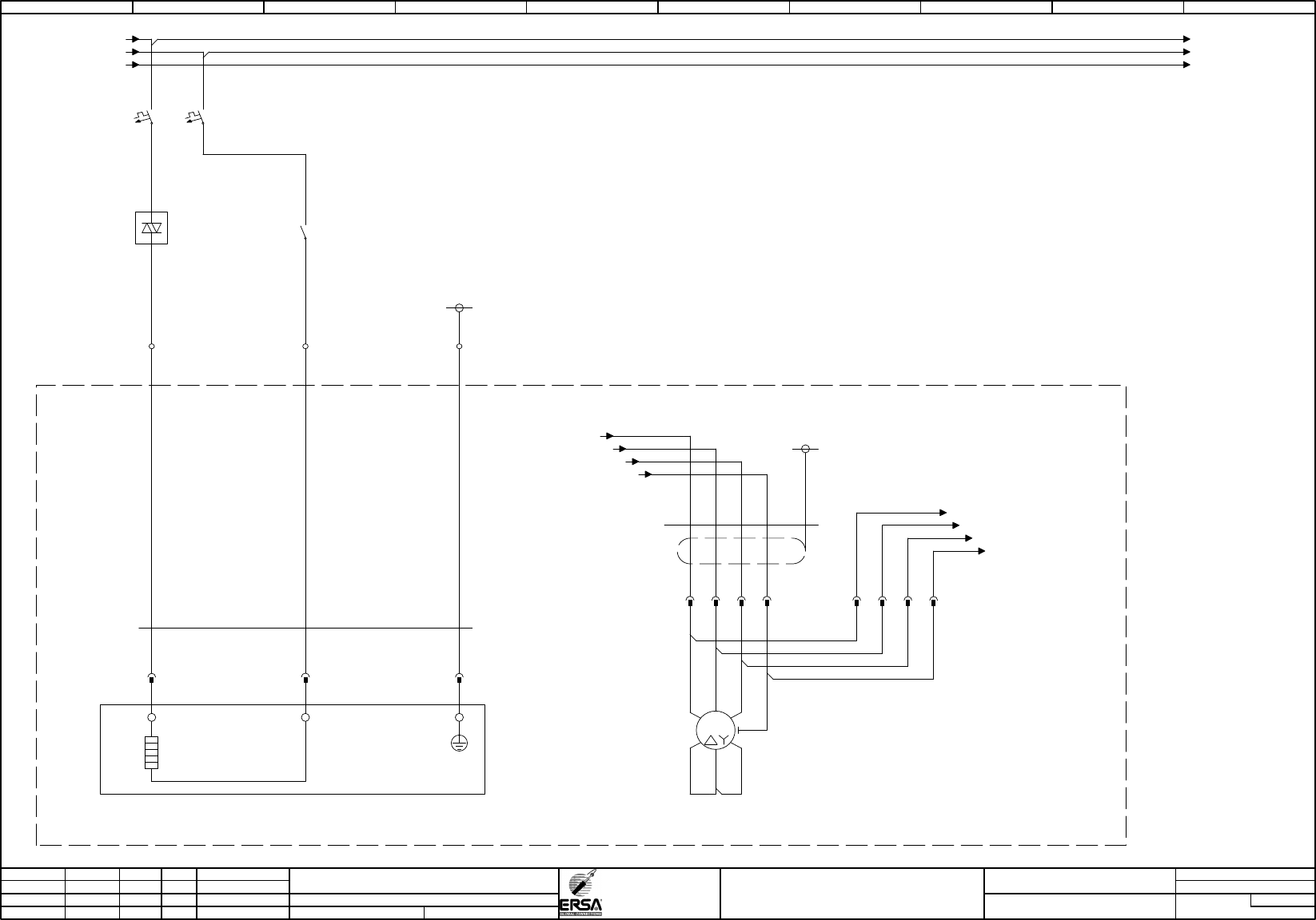
HF3/14 solder zone 7 top
Hotflow 3/xx
PDF-Page
Plant designation
2,50
BK
2,50
BK
2,50
BK
2,50
BK
=HF
+HM2
-3E7
3,3kW 400V
heating
soldering zone
7 top
/260.03 / -10F1:1 (L1)
/260.03 / -10F1:3 (L2)
/260.03 / -10F1:5 (L3)
-3F7
B16A
soldering zone
7 top
2
1
4
3
-3U7
/200.02
24VDC
soldering zone
7 top
T1
L1
1
2
-3WE7
Kaufteil
2,50
3
BN BU
GNYE
L
-3XE7
11
L
22
PE-C1
PE
33
+C1/260.07 / +HM1-1A1:U
+C1/260.07 / +HM1-1A1:V
+C1/260.07 / +HM1-1A1:W
Lüftermotoren Vorheizzone oben
+C1/260.07 / +HM1-1A1:PE
-3WM7
Kaufteil
1,00
7
SHD
1 2 3 GNYE
-3WM7
BN
-3XM7.1
11
-3M7
230/400V
fan
soldering zone
7 top
M
3
~
U1
V2
V1
U2
W1
W2
PE
BU
22
BK
33
GNYE
77
BASE-C1
BN
-3XM7.2
11
BU
22
BK
33
GNYE
77
-10F1:1 (L1) / /270.00
-10F1:3 (L2) / /270.00
-10F1:5 (L3) / /270.00
+HM1-1A1:U / +C1/270.04
+HM1-1A1:V / +C1/270.04
+HM1-1A1:W / +C1/270.04
Lüftermotoren Vorheizzone oben
+HM1-1A1:PE / +C1/270.04
-3K1
/215.07
24VDC
soldering zone
top on
3
4
3
-3X2.1
4
PE4
0 1 2 3 4 5 6 7 8 9

Page
=
C1
HF
=HF+C1/275
270
Modification Date
Name Norm
Check.
Proj.
Origin
Date
Crea. f.
schb
ERSA
DIC
18.06.2009
=HF+C1/265
133953-V00
Otto-Schott-Straße 5
97877 Wertheim
GmbH
Project name
14:15:1108.07.2010
+
file name (*.pdf)
133953-V00_100705
basic-project
-
HF3/20 solder zone 8 top
Hotflow 3/xx
PDF-Page
Plant designation
2,50
BK
2,50
BK
2,50
BK
BK
2,50
-3E8
400V
heating
soldering zone
8 top
-3F8
B16A
soldering zone
8 top
2
1
4
3
-3U8
/200.04
24VDC
soldering zone
8 top
T1
L1
1
2
-3WE8
Kaufteil
2,50
3
BN BU
GNYE
L
-3XE8
11
1
-3X2.1
L
22
2
PE-C1
PE
33
PE2
=HF
+HM2
-3WM8
Kaufteil
1,00
7
SHD
1 2 3 GNYE
-3WM8
-3A1:U / +C1/275.04
-3A1:V / +C1/275.04
-3A1:W / +C1/275.04
Lüftermotoren 8-10 oben
/265.08 / -10F1:1 (L1)
/265.08 / -10F1:3 (L2)
/265.08 / -10F1:5 (L3)
-10F1:1 (L1) / /275.00
-10F1:3 (L2) / /275.00
-10F1:5 (L3) / /275.00
BN
-3XM8.1
11
-3M8
230/400V
fan
soldering zone
8 top
M
3
~
U1
V2
V1
U2
W1
W2
PE
BU
22
BK
33
BN
-3XM8.2
11
BU
22
BK
33
-3A1:PE / +C1/275.04
GNYE
77
GNYE
77
+C1/265.07 / +HM1-1A1:U
+C1/265.07 / +HM1-1A1:V
+C1/265.07 / +HM1-1A1:W
Lüftermotoren Vorheizzone oben
+C1/265.07 / +HM1-1A1:PE
BASE-C1
-3K1
/215.07
24VDC
soldering zone
top on
5
6
HF3/14 HF3/20 --> 3.3kW
HF3/20XL --> 4.5kW
0 1 2 3 4 5 6 7 8 9