Plan_HF3_14_20_en line 1电路.pdf - 第60页
Pag e = C1 HF =HF +C 1/250 245 Modificati on Date Na m e No rm Check. Proj. Origin Date Crea. f. schb ERSA DIC 18 .0 6. 200 9 =HF +C 1/240 133 953- V00 Ot to-Schott-Straße 5 97 87 7 W ertheim Gm bH Pr oj e c t name 14:15…

Page
=
C1
HF
=HF+C1/245
240
Modification Date
Name Norm
Check.
Proj.
Origin
Date
Crea. f.
schb
ERSA
DIC
18.06.2009
=HF+C1/235
133953-V00
Otto-Schott-Straße 5
97877 Wertheim
GmbH
Project name
14:15:1008.07.2010
+
file name (*.pdf)
133953-V00_100705
basic-project
-
preheating zone 4 top
Hotflow 3/xx
PDF-Page
Plant designation
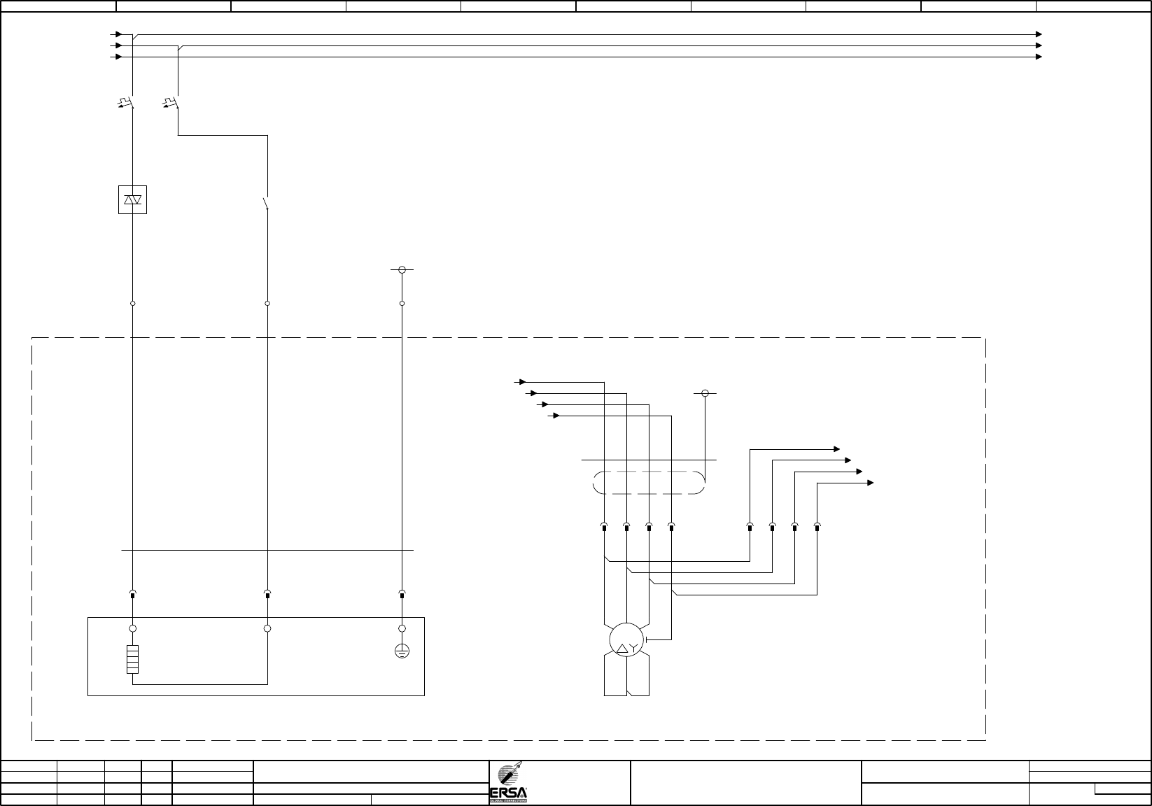
BK
2,50
BK
2,50
BK
2,50
BK
2,50
-1E4
3,3kW/400V
heating
preheating zone
4 top
-1F4
B16A
preheating zone 4 top
2
1
4
3
-1U4
/190.04
24VDC
preheating zone 4 top
T1
L1
1
2
-1WE4
Kaufteil
2,50
3
BN BU
GNYE
L
-1XE4
11
7
-1X2.1
-1K1
/215.01
24VDC
preheating zone
zone 1-4 top on
7
8
L
22
8
PE-C1
PE
33
PE8
=HF
+HM1
-1WM4
Kaufteil
1,00
7
SHD
1 2 3 GNYE
-1WM4
/235.08 / -10F1:1 (L1)
/235.08 / -10F1:3 (L2)
/235.08 / -10F1:5 (L3)
-10F1:1 (L1) / /245.00
-10F1:3 (L2) / /245.00
-10F1:5 (L3) / /245.00
+C1/235.07 / -1A1:U
+C1/235.07 / -1A1:V
+C1/235.07 / -1A1:W
Lüftermotoren Vorheizzone oben
+C1/235.07 / -1A1:PE
BU
-1XM4.1
11
-1M4
230/400V
fan preheating zone
4 top
M
3
~
U1
V2
V1
U2
W1
W2
PE
BN
22
BK
33
BASE-C1
BN
-1XM4.2
11
BU
22
BK
33
-1A1:U / +C1/245.04
-1A1:V / +C1/245.04
-1A1:W / +C1/245.04
Lüftermotoren Vorheizzone oben
-1A1:PE / +C1/245.04
GNYE
77
GNYE
77
0 1 2 3 4 5 6 7 8 9

Page
=
C1
HF
=HF+C1/250
245
Modification Date
Name Norm
Check.
Proj.
Origin
Date
Crea. f.
schb
ERSA
DIC
18.06.2009
=HF+C1/240
133953-V00
Otto-Schott-Straße 5
97877 Wertheim
GmbH
Project name
14:15:1108.07.2010
+
file name (*.pdf)
133953-V00_100705
basic-project
-
preheating zone 5 top
Hotflow 3/xx
PDF-Page
Plant designation
BK
2,50
BK
2,50
BK
2,50
2,50
BK
=HF
+HM1
-1E5
3,3kW/400V
heating
preheating zone
5 top
-1F5
B16A
preheating zone 5 top
2
1
4
3
-1U5
/190.05
24VDC
preheating zone 5 top
T1
L1
1
2
-1WE5
Kaufteil
2,50
3
BN BU
GNYE
L
9
-1X2.1
-1K2
/215.02
24VDC
preheating zone
zone 5-7 top on
1
2
L
10
PE-C1
PE
PE10
-1XE5
11 22 33
-1WM5
Kaufteil
1,00
7
SHD
1 2 3 GNYE
-1WM5
/240.08 / -10F1:1 (L1)
/240.08 / -10F1:3 (L2)
/240.08 / -10F1:5 (L3)
-10F1:1 (L1) / /250.00
-10F1:3 (L2) / /250.00
-10F1:5 (L3) / /250.00
+C1/240.07 / -1A1:U
+C1/240.07 / -1A1:V
+C1/240.07 / -1A1:W
Lüftermotoren Vorheizzone oben
+C1/240.07 / -1A1:PE
BN
-1XM5.1
11
-1M5
400V
fan preheating zone
5 top
M
3
~
U1
V2
V1
U2
W1
W2
PE
BU
22
BK
33
BASE-C1
BN
-1XM5.2
11
BU
22
BK
33
-1A1:U / +C1/250.04
-1A1:V / +C1/250.04
-1A1:W / +C1/250.04
Lüftermotoren Vorheizzone oben
-1A1:PE / +C1/250.04
GNYE
77
GNYE
77
0 1 2 3 4 5 6 7 8 9

Page
=
C1
HF
=HF+C1/255
250
Modification Date
Name Norm
Check.
Proj.
Origin
Date
Crea. f.
schb
ERSA
DIC
18.06.2009
=HF+C1/245
133953-V00
Otto-Schott-Straße 5
97877 Wertheim
GmbH
Project name
14:15:1108.07.2010
+
file name (*.pdf)
133953-V00_100705
basic-project
-
HF3/20 preheating zone 6 top
Hotflow 3/xx
PDF-Page
Plant designation
BK
2,50
2,50
BK
BK
2,50
2,50
BK
=HF
+HM1
-1E6
3,3kW/400V
heating
preheating zone
6 top
-1F6
B16A
preheating zone 6 top
2
1
4
3
-1U6
/190.07
24VDC
preheating zone 6 top
T1
L1
1
2
-1WE6
Kaufteil
2,50
3
BN BU
GNYE
L
-1XE6
11
11
-1X2.1
-1K2
/215.02
24VDC
preheating zone
zone 5-7 top on
3
4
L
22
12
PE-C1
PE
33
PE12
-1WM6
Kaufteil
1,00
7
SHD
1 2 3 GNYE
-1WM6
/245.08 / -10F1:1 (L1)
/245.08 / -10F1:3 (L2)
/245.08 / -10F1:5 (L3)
-10F1:1 (L1) / /255.00
-10F1:3 (L2) / /255.00
-10F1:5 (L3) / /255.00
+C1/245.07 / -1A1:U
+C1/245.07 / -1A1:V
+C1/245.07 / -1A1:W
Lüftermotoren Vorheizzone oben
+C1/245.07 / -1A1:PE
BN
-1XM6.1
11
-1M6
400V
fan preheating zone
6 top
M
3
~
U1
V2
V1
U2
W1
W2
PE
BU
22
BK
33
BASE-C1
BN
-1XM6.2
11
BU
22
BK
33
-1A1:U / +C1/255.04
-1A1:V / +C1/255.04
-1A1:W / +C1/255.04
Lüftermotoren Vorheizzone oben
-1A1:PE / +C1/255.04
GNYE
77
GNYE
77
0 1 2 3 4 5 6 7 8 9