Plan_HF3_14_20_en line 1电路.pdf - 第88页
Pag e = C1 HF =HF +C 1/390 385 Modificati on Date Na m e No rm Check. Proj. Origin Date Crea. f. schb ERSA DIC 18 .0 6. 200 9 =HF +C 1/380 133 953- V00 Ot to-Schott-Straße 5 97 87 7 W ertheim Gm bH Pr oj e c t name 14:15…

Page
=
C1
HF
=HF+C1/385
380
Modification Date
Name Norm
Check.
Proj.
Origin
Date
Crea. f.
schb
ERSA
DIC
18.06.2009
=HF+C1/375
133953-V00
Otto-Schott-Straße 5
97877 Wertheim
GmbH
Project name
14:15:1408.07.2010
+
file name (*.pdf)
133953-V00_100705
basic-project
-
cold water cooling unit internal
Hotflow 3/xx
PDF-Page
Plant designation
0,50
BU
BU
0,50
BU
0,50
0,50
BU
0,50
BU BU
0,50
BK
2,50
BK
2,502,50
BK
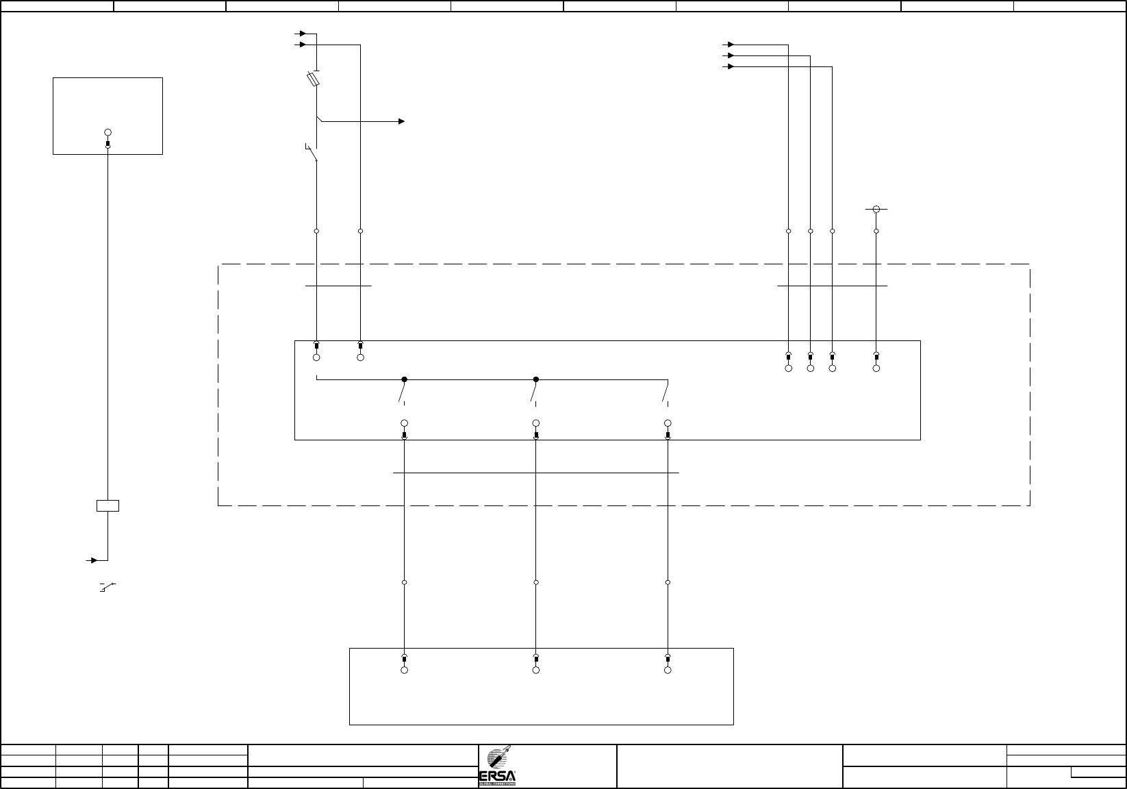
/30.09 / -GND-K
24VDC
cold water cooling unit
internal on
-13K1
12
1114
.02
A1
A2
/10.06 / -24V-G(1)
/10.09 / -GND-X5
-13W2
Kaufteil
0,75
6
WH
BK
-13W2
Kaufteil
0,75
6
BU BN
GY
1
-X2
PE3
2 3
PE-C1
-13W1
Kaufteil
1,50
4
1 2 3 GNYE
=HF
+WC
-13F1
4,0AT
24VDC cold water cooling unit
2
1
XS2:1
24VDC
XS2:3
cooling unit sand by
XS2:2
GND
XS2:4
water tank cooling unit ok
XS1:2
L2
XS1:3
L3
XS1:1
L1
XS1:PE
/5.06 / -22K4:1 (L1)
-13F1:2 / /385.02
/390.02
14
-X5
15
-A3
X20DO9322
12xDO
/65.06
cold water cooling unit
internal on
IF6.ST3.DO.09
15
-A1
X20DM9324
8xDI / 4xDO
/10.04
IF6.ST1.DI.07
cold water cooling unit
internal ready
14
IF6.ST1.DI.08
cold water cooling unit
internal OK
24
-13K1
.00
24VDC
cold water cooling unit
internal on
12
11
14
XS2:5
(???) An
13
-X5
-29
16
IF6.ST1.DI.06
cold water cooling unit
internal activ
23
-13A1
switch cabinet
cold water cooling unit
internal
/375.02 / -22K4:5 (L3)
/5.06 / -22K4:3 (L2)
0 1 2 3 4 5 6 7 8 9

Page
=
C1
HF
=HF+C1/390
385
Modification Date
Name Norm
Check.
Proj.
Origin
Date
Crea. f.
schb
ERSA
DIC
18.06.2009
=HF+C1/380
133953-V00
Otto-Schott-Straße 5
97877 Wertheim
GmbH
Project name
14:15:1408.07.2010
+
file name (*.pdf)
133953-V00_100705
basic-project
-
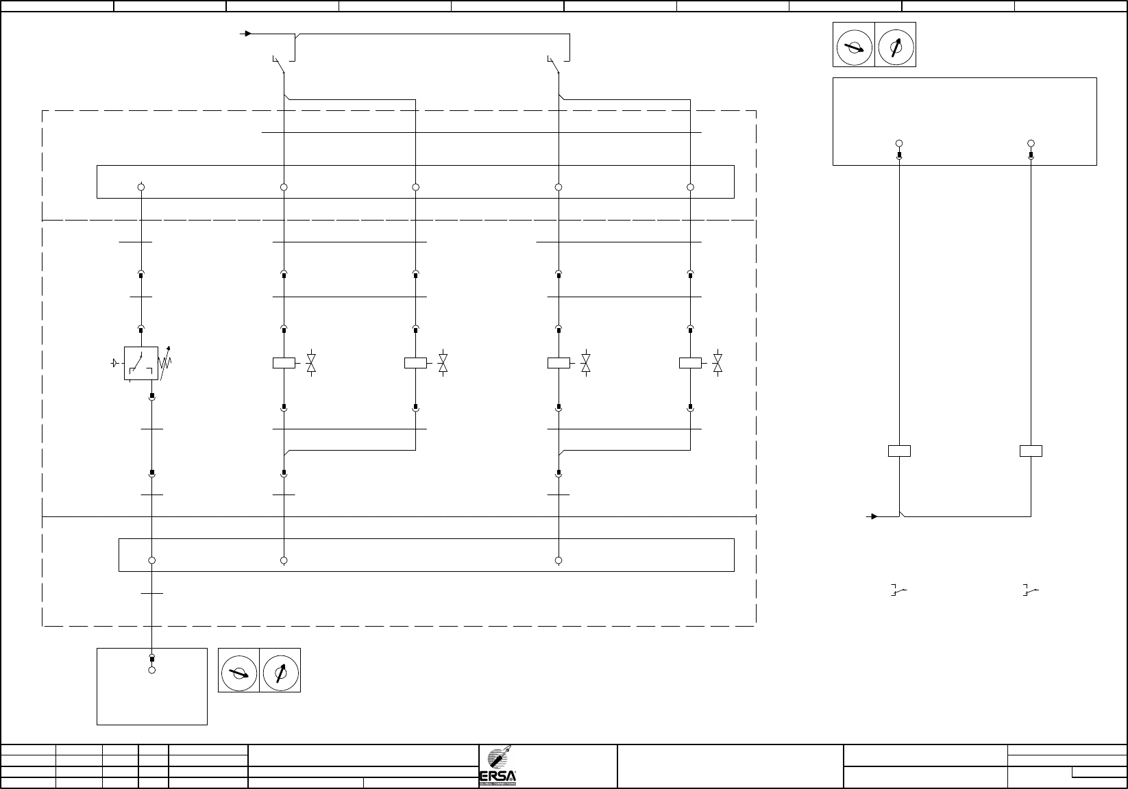
option cold water cooling unit external
Hotflow 3/xx
PDF-Page
Plant designation
BU
0,50
0,50
BU
BU
0,50
BU
0,50
BU
0,50
/380.03 / -13F1:2
/30.09 / -GND-K
24VDC
cold water cooling unit
external on
-14K1
12
1114
.04
A1
A2
=HF
+WC
-14K1
.00
24VDC
cold water cooling unit
external on
12
11
14
-14WA2
H05VV5-F
0,75
7
3 1 2
X1:16
cooling on
X1:17
cooling on
-14WA2
H05VV5-F
0,75
7
4
X1:41
24VDC
X1:42
cooling unit sand by
17 1819
-X5
20
-X5
-14A1
cold water cooling unit
external
note:
If no signal "ready" pessent from the cold water cooling unit,
must terminal -X5:19 / :20 be bridged
X1
C
D
B
E
A
F
9
0
8
1
7
2
6
3
5
4
X16
C
D
B
E
A
F
9
0
8
1
7
2
6
3
5
4
-A21
Adr.21
X20DM9324
8xDI / 4xDO
/120.02
cold water cooling unit
external on
IF6.ST21.DO.02
25
X1
C
D
B
E
A
F
9
0
8
1
7
2
6
3
5
4
X16
C
D
B
E
A
F
9
0
8
1
7
2
6
3
5
4
-A21
Adr.21
X20DM9324
8xDI / 4xDO
/120.02
IF6.ST21.DI.01
cold water cooling unit
external ready
11
0 1 2 3 4 5 6 7 8 9

Page
=
C1
HF
=HF+C1/395
390
Modification Date
Name Norm
Check.
Proj.
Origin
Date
Crea. f.
schb
ERSA
DIC
18.06.2009
=HF+C1/385
133953-V00
Otto-Schott-Straße 5
97877 Wertheim
GmbH
Project name
14:15:1508.07.2010
+
file name (*.pdf)
133953-V00_100705
basic-project
-
option leak control cooling system
Hotflow 3/xx
PDF-Page
Plant designation
BU
0,50 0,50
BU
BU 0,50
0,50BU
-A2
SAC-box
outlet
-12S1
cooling unit
pressure ok
+
1
2 3
-A2
SAC-box
outlet
-12WS1
Kaufteil
0,25
4
BN
X4:1.1
24VDC
-12XS1
11
-12WS1
Kaufteil
0,25
4
BK
-WA2
Kaufteil
0,25
19
GY
X4:4.1
A
-12XS1
33
=HF
+WC
-12WY1
Kaufteil
0,25
6
BK1 BK2
24VDC
stop valve
internal 1
-12Y1
1
0V
-12WY1
Kaufteil
0,25
6
BU1 BU2
X5:2
A
X5:3
GND
-12XY1
11
-12XY1
22
24VDC
stop valve
internal 2
-12Y2
1
0V
X5:4
A
-12XY2
11
-12XY2
22
cold water cooling unit internal
stop valve on
-12K1
12
11
14
.02
A1
A2
-12K1
.07
cold water cooling unit internal
stop valve on
12
11
14
-WA2
Kaufteil
0,25
19
PK WHYE RD
YEBN
/30.09 / -GND-K
/380.03 / -13F1:2
cold water cooling unit external
stop valve on
-12K2
12
11
14
.04
A1
A2
-12K2
.09
cold water cooling unit external
stop valve on
12
11
14
-12WY3
Kaufteil
0,25
6
BK2BK1
24VDC
stop valve external 1
-12Y3
1
0V
-12WY3
Kaufteil
0,25
6
BU1 BU2
X6:4
A
X6:3
GND
-12XY3
11
-12XY3
22
24VDC
stop valve external 2
-12Y4
1
0V
X6:2
A
-12XY4
11
-12XY4
22
=HF
+E1
=HF
+E1
X1
C
D
B
E
A
F
9
0
8
1
7
2
6
3
5
4
X16
C
D
B
E
A
F
9
0
8
1
7
2
6
3
5
4
X1
C
D
B
E
A
F
9
0
8
1
7
2
6
3
5
4
X16
C
D
B
E
A
F
9
0
8
1
7
2
6
3
5
4
-A21
Adr.21
X20DM9324
8xDI / 4xDO
/120.02
IF6.ST21.DI.02
cold water cooling unit
external OK
21
-A21
Adr.21
X20DM9324
8xDI / 4xDO
/120.02
cold water cooling unit
internal stop valve on
IF6.ST21.DO.01
15
cold water cooling unit
external stop valve on
IF6.ST21.DO.03
16
-12X1
11
-12X1
44
22
-12X2
33
-12X2
44 22
-12X3
33
-12X3
44
-12WS1.1
0,25
4
BN
-12WS1.1
0,25
4
BK
-12WY1.1
0,25
4
BK
WH
-12WY1.1
0,25
4
BU
-12WY3.1
0,25
4
WH
BK
-12WY3.1
0,25
4
BU
0 1 2 3 4 5 6 7 8 9