Plan_HF3_14_20_en line 1电路.pdf - 第57页
Pag e = C1 HF =HF +C 1/235 230 Modificati on Date Na m e No rm Check. Proj. Origin Date Crea. f. schb ERSA DIC 18 .0 6. 200 9 =HF +C 1/225 133 953- V00 Ot to-Schott-Straße 5 97 87 7 W ertheim Gm bH Pr oj e c t name 14:15…

Page
=
C1
HF
=HF+C1/230
225
Modification Date
Name Norm
Check.
Proj.
Origin
Date
Crea. f.
schb
ERSA
DIC
18.06.2009
=HF+C1/220
133953-V00
Otto-Schott-Straße 5
97877 Wertheim
GmbH
Project name
14:15:1008.07.2010
+
file name (*.pdf)
133953-V00_100705
basic-project
-
preheating zone 1 top
Hotflow 3/xx
PDF-Page
Plant designation
2,50
BK
2,50
BK
BK
2,50
2,50
BK
BK
1,50
1,50
BK
1,50
BK
1,50
BK
BK
1,50
1,50
BK
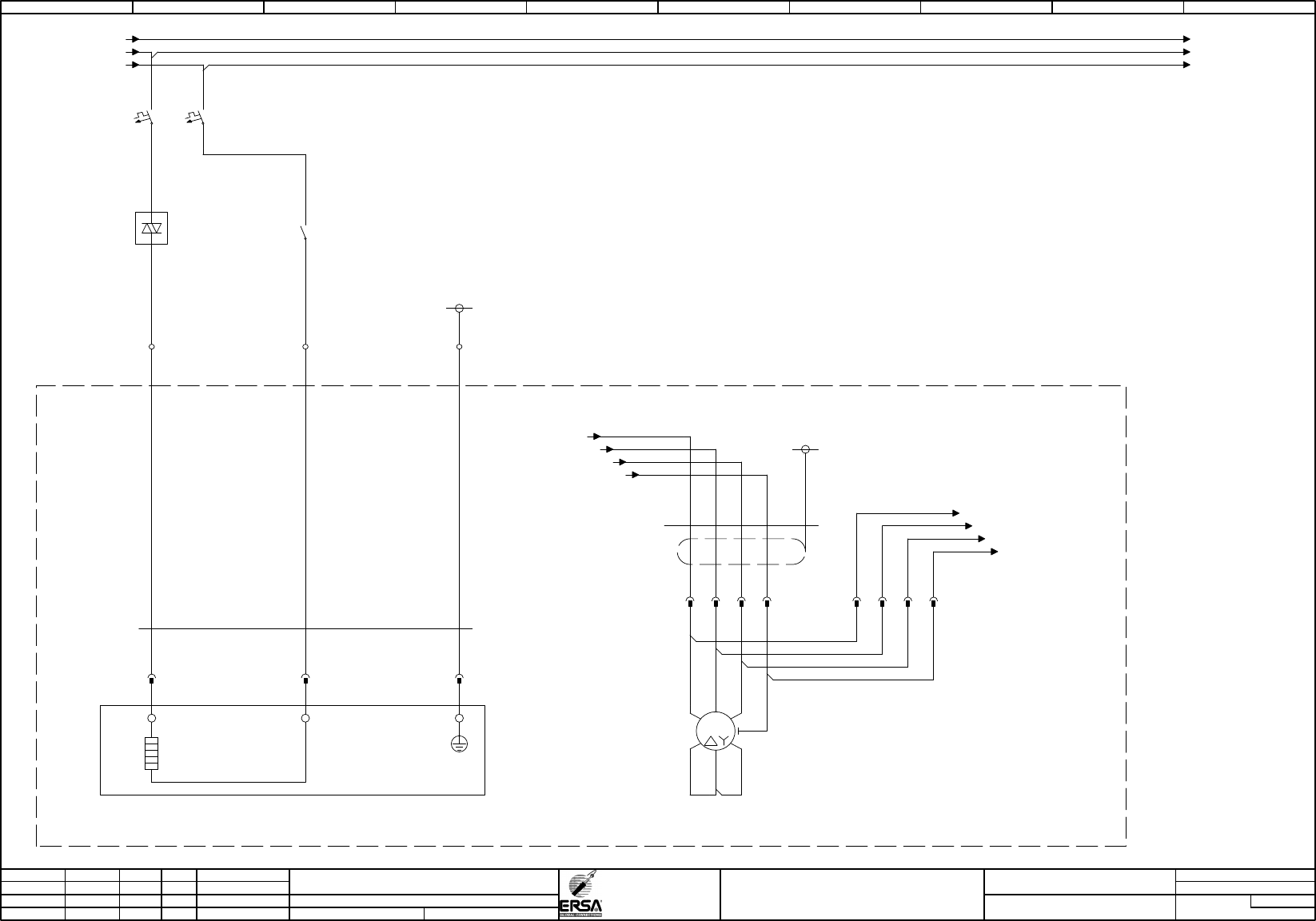
-1U1
/190.01
24VDC
preheating zone 1 top
T1
L1
1
2
-1K1
/215.01
24VDC
preheating zone
zone 1-4 top on
1
2
-1E1
3,3kW/400V
heating
preheating zone
1 top
L L
PE
PE2
1
-1X2.1
-1WE1
Kaufteil
2,50
3
BN BU
GNYE
-1XE1
11 22 33
=HF
+HM1
PE-C1
2
-1F1
B16A
preheating zone 1 top
2
1
4
3
-1WM1
Kaufteil
1,00
7
1 2 3 GNYE
SHD
-1WA1
-1WA1
H05VVC4V5-K
1,50
4
1 2 3 GNYE
SHD
-1WM1
-1M1
400V
fan
preheating zone
1 top
M
3
~
U1
V2
V1
U2
W1
W2
PE
-1A1:U / +C1/230.04
-1A1:V / +C1/230.04
-1A1:W / +C1/230.04
Lüftermotoren Vorheizzone oben
PE
-1A1
3,0kW
frequency inverter
fan preheating top
/365.00
U V
W
PE case
-1X2.2
1 2 3
SHD
/5.03 / -10F1:1 (L1)
/5.03 / -10F1:3 (L2)
/5.03 / -10F1:5 (L3)
-10F1:1 (L1) / /230.00
-10F1:3 (L2) / /230.00
-10F1:5 (L3) / /230.00
BN
-1XM1.1
11
BU
22
BK
33
BN
-1XM1.2
11
BU
22
BK
33
-1A1:PE / +C1/230.04
GNYE
77
GNYE
77
-1F12
K6A
fan preheating zone
top switched
2
1
4
3
6
5
interference-
unit
-1V3
1 2 3
PE-C1
note:
At option controlled fans
the components 1F12, 1K3 and 1V3 not applicable
option controlled fans
/10.08 / -L1-Q1
/10.08 / -L2-Q1
/10.08 / -L3-Q1
-L1-Q1 / /285.06
-L2-Q1 / /285.06
-L3-Q1 / /285.06
-1K3
/210.01
24VDC
switch on
fan preheating
bottom side switched
1
2
3
4
5
6
0 1 2 3 4 5 6 7 8 9

Page
=
C1
HF
=HF+C1/235
230
Modification Date
Name Norm
Check.
Proj.
Origin
Date
Crea. f.
schb
ERSA
DIC
18.06.2009
=HF+C1/225
133953-V00
Otto-Schott-Straße 5
97877 Wertheim
GmbH
Project name
14:15:1008.07.2010
+
file name (*.pdf)
133953-V00_100705
basic-project
-
preheating zone 2 top
Hotflow 3/xx
PDF-Page
Plant designation
2,50
BK
2,50
BK
2,50
BK
2,50
BK
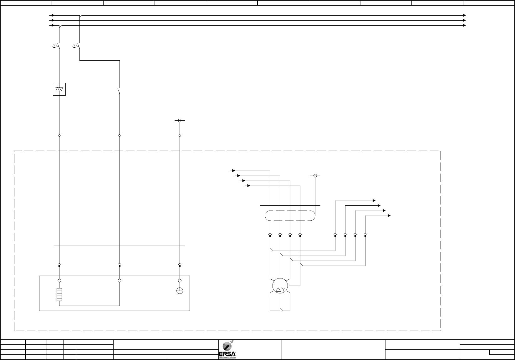
-1E2
3,3kW/400V
heating
preheating zone
2 top
-1U2
/190.02
24VDC
preheating zone 2 top
T1
L1
1
2
-1WE2
Kaufteil
2,50
3
BN BU
GNYE
L
-1XE2
11
L
PE
3
-1X2.1
4
PE4
22 33
=HF
+HM1
-1F2
B16A
preheating zone 2 top
2
1
4
3
-1K1
/215.01
24VDC
preheating zone
zone 1-4 top on
3
4
PE-C1
+C1/225.07 / -1A1:U
+C1/225.07 / -1A1:V
+C1/225.07 / -1A1:W
Lüftermotoren Vorheizzone oben
-1WM2
Kaufteil
1,00
7
SHD
1 2 3 GNYE
-1WM2
BASE-C1
/225.03 / -10F1:1 (L1)
/225.03 / -10F1:3 (L2)
/225.03 / -10F1:5 (L3)
-10F1:1 (L1) / /235.00
-10F1:3 (L2) / /235.00
-10F1:5 (L3) / /235.00
BN
-1XM2.1
11
-1M2
400V
fan
preheating zone
2 top
M
3
~
U1
V2
V1
U2
W1
W2
PE
BU
22
BK
33
BN
-1XM2.2
11
BU
22
BK
33
-1A1:U / +C1/235.04
-1A1:V / +C1/235.04
-1A1:W / +C1/235.04
Lüftermotoren Vorheizzone oben
+C1/225.07 / -1A1:PE
-1A1:PE / +C1/235.04
GNYE
77
GNYE
77
0 1 2 3 4 5 6 7 8 9

Page
=
C1
HF
=HF+C1/240
235
Modification Date
Name Norm
Check.
Proj.
Origin
Date
Crea. f.
schb
ERSA
DIC
18.06.2009
=HF+C1/230
133953-V00
Otto-Schott-Straße 5
97877 Wertheim
GmbH
Project name
14:15:1008.07.2010
+
file name (*.pdf)
133953-V00_100705
basic-project
-
preheating zone 3 top
Hotflow 3/xx
PDF-Page
Plant designation
BK
2,50
BK
2,50
BK
2,50
BK
2,50
-1U3
/190.03
24VDC
preheating zone 3 top
T1
L1
1
2
-1E3
3,3kW/400V
heating
preheating zone
3 top
-1F3
B16A
preheating zone 3 top
2
1
4
3
-1WE3
Kaufteil
2,50
3
BN BU
GNYE
L L
PE
-1K1
/215.01
24VDC
preheating zone
zone 1-4 top on
5
6
5
-1X2.1
PE6
6
=HF
+HM1
PE-C1
-1XE3
11 22 33
-1WM3
Kaufteil
1,00
7
SHD
1 2 3 GNYE
-1WM3
/230.08 / -10F1:1 (L1)
/230.08 / -10F1:3 (L2)
/230.08 / -10F1:5 (L3)
-10F1:1 (L1) / /240.00
-10F1:3 (L2) / /240.00
-10F1:5 (L3) / /240.00
+C1/230.07 / -1A1:U
+C1/230.07 / -1A1:V
+C1/230.07 / -1A1:W
Lüftermotoren Vorheizzone oben
+C1/230.07 / -1A1:PE
BN
-1XM3.1
11
-1M3
400V
fan preheating zone
3 top
M
3
~
U1
V2
V1
U2
W1
W2
PE
BU
22
BK
33
BASE-C1
BN
-1XM3.2
11
BU
22
BK
33
-1A1:U / +C1/240.04
-1A1:V / +C1/240.04
-1A1:W / +C1/240.04
Lüftermotoren Vorheizzone oben
-1A1:PE / +C1/240.04
GNYE
77
GNYE
77
0 1 2 3 4 5 6 7 8 9