Plan_HF3_14_20_en line 1电路.pdf - 第78页
Pag e = C1 HF =HF +C 1/340 335 Modificati on Date Na m e No rm Check. Proj. Origin Date Crea. f. schb ERSA DIC 18 .0 6. 200 9 =HF +C 1/330 133 953- V00 Ot to-Schott-Straße 5 97 87 7 W ertheim Gm bH Pr oj e c t name 14:15…

Page
=
C1
HF
=HF+C1/335
330
Modification Date
Name Norm
Check.
Proj.
Origin
Date
Crea. f.
schb
ERSA
DIC
18.06.2009
=HF+C1/325
133953-V00
Otto-Schott-Straße 5
97877 Wertheim
GmbH
Project name
14:15:1308.07.2010
+
file name (*.pdf)
133953-V00_100705
basic-project
-
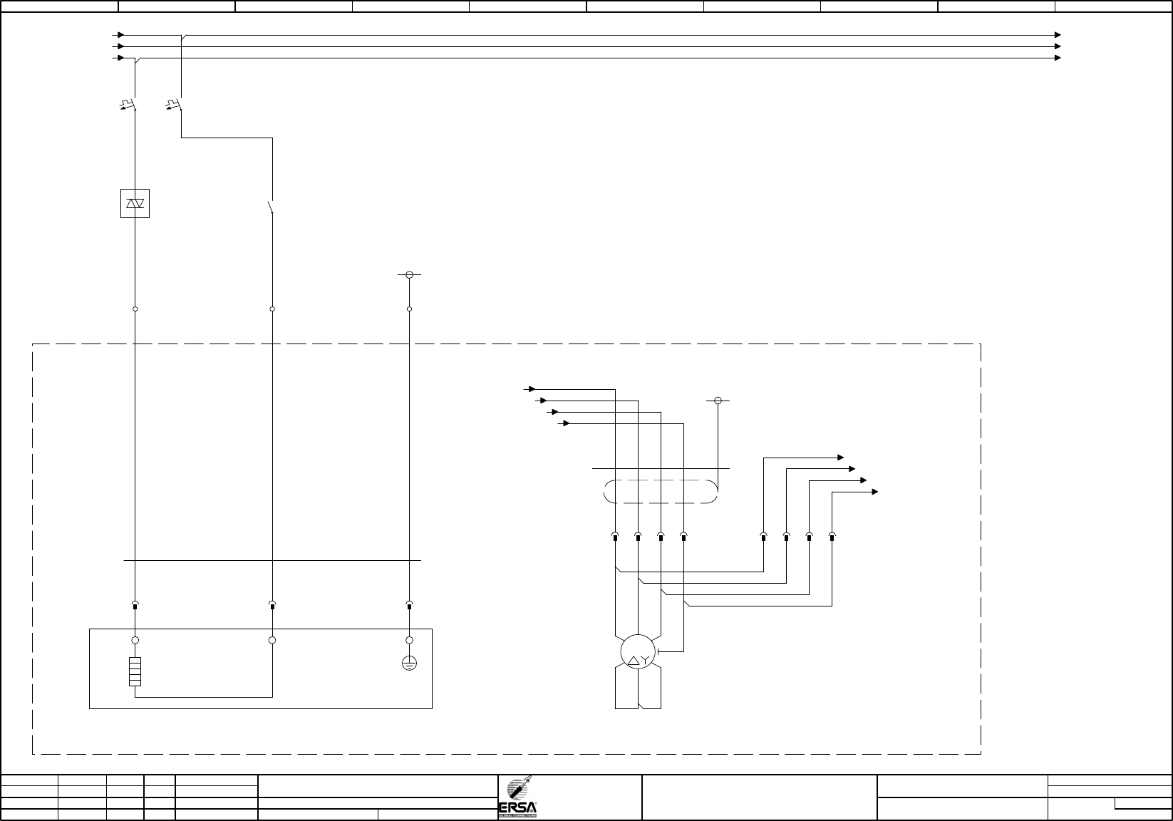
HF3/20 solder zone 8 bottom side
Hotflow 3/xx
PDF-Page
Plant designation
2,50
BK
2,50
BK
2,50
BK
2,50
BK
=HF
+HM2
-4E8
3,3kW/400V
heating
soldering zone
8 bottom side
-4F8
B16A
soldering zone
8 bottom side
2
1
4
3
-4U8
/205.04
24VDC
soldering zone
8 bottom side
T1
L1
1
2
-4WE8
Kaufteil
2,50
3
BN BU
GNYE
L
-4XE8
11
1
-4X2.1
L
22
2
PE-C1
PE
33
PE2
-4WM8
-4WM8
Kaufteil
1,00
7
SHD
1 2 3 GNYE
-4A1:U / +C1.04
-4A1:V / +C1.04
-4A1:W / +C1.04
Lüftermotoren 8-10 unten
/325.08 / -10F2:1 (L1)
/325.08 / -10F2:3 (L2)
/325.08 / -10F2:5 (L3)
Versorgung 400VAC
Heizzonen 1-10 unten
-10F2:1 (L1) / /335.00
-10F2:3 (L2) / /335.00
-10F2:5 (L3) / /335.00
BN
-4XM8.1
11
-4M8
400V
fan
soldering zone
8 bottom side
M
3
~
U1
V2
V1
U2
W1
W2
PE
BU
22
BK
33
BN
-4XM8.2
11
BU
22
BK
33
-4A1:PE / +C1.04
GNYE
77
GNYE
77
+C1.07 / -4A1:U
+C1.07 / -4A1:V
+C1.07 / -4A1:W
Lüftermotoren 8-10 unten
+C1.07 / -4A1:PE
BASE-C1
-4K1
/215.08
24VDC
soldering zone
bottom side on
5
6
HF3/14 HF3/20 --> 3.3kW
HF3/20XL --> 4.5kW
0 1 2 3 4 5 6 7 8 9

Page
=
C1
HF
=HF+C1/340
335
Modification Date
Name Norm
Check.
Proj.
Origin
Date
Crea. f.
schb
ERSA
DIC
18.06.2009
=HF+C1/330
133953-V00
Otto-Schott-Straße 5
97877 Wertheim
GmbH
Project name
14:15:1308.07.2010
+
file name (*.pdf)
133953-V00_100705
basic-project
-
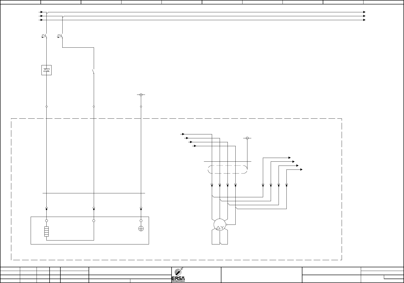
HF3/20 solder zone 9 bottom side
Hotflow 3/xx
PDF-Page
Plant designation
BK
2,50
BK
2,50
2,50
BK
2,50
BK
=HF
+HM2
-4E9
3,3kW/400V
heating
soldering zone
9 bottom side
-4F9
B16A
soldering zone
9 bottom side
2
1
4
3
-4U9
/205.05
24VDC
soldering zone
9 bottom side
T1
L1
1
2
-4WE9
Kaufteil
2,50
3
BN BU
GNYE
L
-4XE9
11
3
-4X2.1
L
22
4
PE-C1
PE
33
PE4
-4WM9
-4WM9
Kaufteil
1,00
7
SHD
1 2 3 GNYE
/330.08 / -10F2:1 (L1)
/330.08 / -10F2:3 (L2)
/330.08 / -10F2:5 (L3)
Versorgung 400VAC
Heizzonen 1-10 unten
-10F2:1 (L1) / /340.00
-10F2:3 (L2) / /340.00
+C1.07 / -4A1:U
+C1.07 / -4A1:V
+C1.07 / -4A1:W
Lüftermotoren 8-10 unten
+C1.07 / -4A1:PE
BN
-4XM9.1
11
-4M9
400V
fan
soldering zone
9 bottom side
M
3
~
U1
V2
V1
U2
W1
W2
PE
BU
22
BK
33
BASE-C1
BN
-4XM9.2
11
BU
22
BK
33
-4A1:U / +C1.04
-4A1:V / +C1.04
-4A1:W / +C1.04
Lüftermotoren 8-10 unten
-4A1:PE / +C1.04
GNYE
77
GNYE
77
-4K1
/215.08
24VDC
soldering zone
bottom side on
7
8
-10F2:5 (L3) / /340.00
HF3/14 HF3/20 --> 3.3kW
HF3/20XL --> 4.5kW
0 1 2 3 4 5 6 7 8 9

Page
=
C1
HF
=HF+C1/345
340
Modification Date
Name Norm
Check.
Proj.
Origin
Date
Crea. f.
schb
ERSA
DIC
18.06.2009
=HF+C1/335
133953-V00
Otto-Schott-Straße 5
97877 Wertheim
GmbH
Project name
14:15:1308.07.2010
+
file name (*.pdf)
133953-V00_100705
basic-project
-
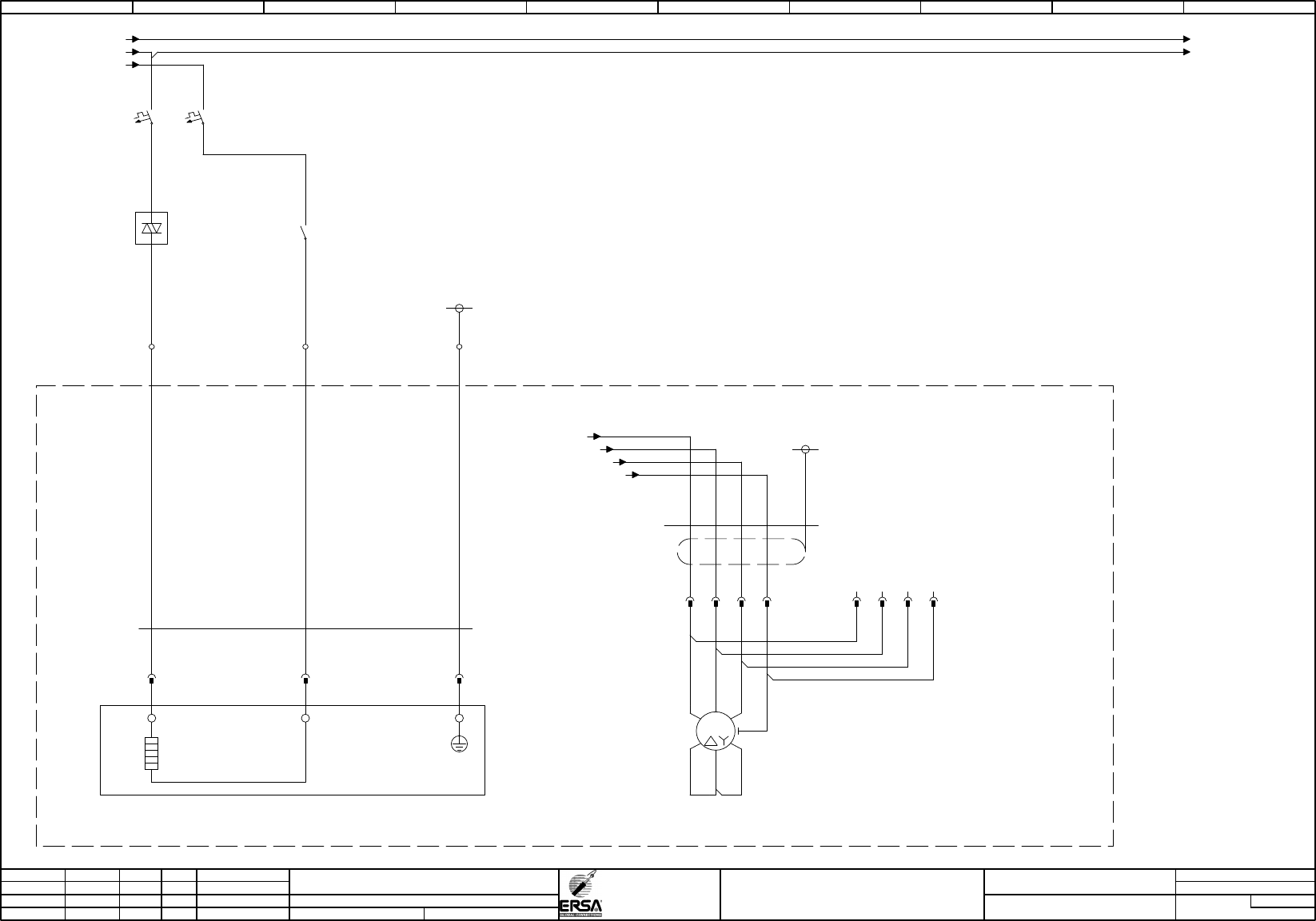
HF3/20 solder zone 10 bottom side
Hotflow 3/xx
PDF-Page
Plant designation
2,50
BK
2,50
BK
2,50
BK
2,50
BK
=HF
+HM2
-4E10
400V
heating
soldering zone
10 bottom side
-4F10
B16A
soldering zone
10 bottom side
2
1
4
3
-4U10
/205.06
24VDC
soldering zone
10 bottom side
T1
L1
1
2
-4WE10
Kaufteil
2,50
3
BN BU
GNYE
L
-4XE10
11
5
-4X2.1
L
22
6
PE-C1
PE
33
PE6
-4WM10
-4WM10
Kaufteil
1,00
7
SHD
1 2 3 GNYE
/335.08 / -10F2:1 (L1)
/335.08 / -10F2:3 (L2)
+C1/320.07 / -4A1:U
+C1/320.07 / -4A1:V
+C1/320.07 / -4A1:W
Lüftermotoren 8-10 unten
+C1/320.07 / -4A1:PE
BN
-4XM10.1
11
-4M10
400V
fan
soldering zone
10 bottom side
M
3
~
U1
V2
V1
U2
W1
W2
PE
BU
22
BK
33
BASE-C1
BN
-4XM10.2
11
BU
22
BK
33
GNYE
77
GNYE
77
-9K2
/215.03
24VDC
preheating zone
5-7 bottom side on
7
8
-10F2:1 (L1) / /370.00
/335.08 / -10F2:5 (L3)
-10F2:3 (L2) / /370.00
HF3/14 HF3/20 --> 3.3kW
HF3/20XL --> 4.5kW
0 1 2 3 4 5 6 7 8 9