Plan_HF3_14_20_en line 1电路.pdf - 第93页
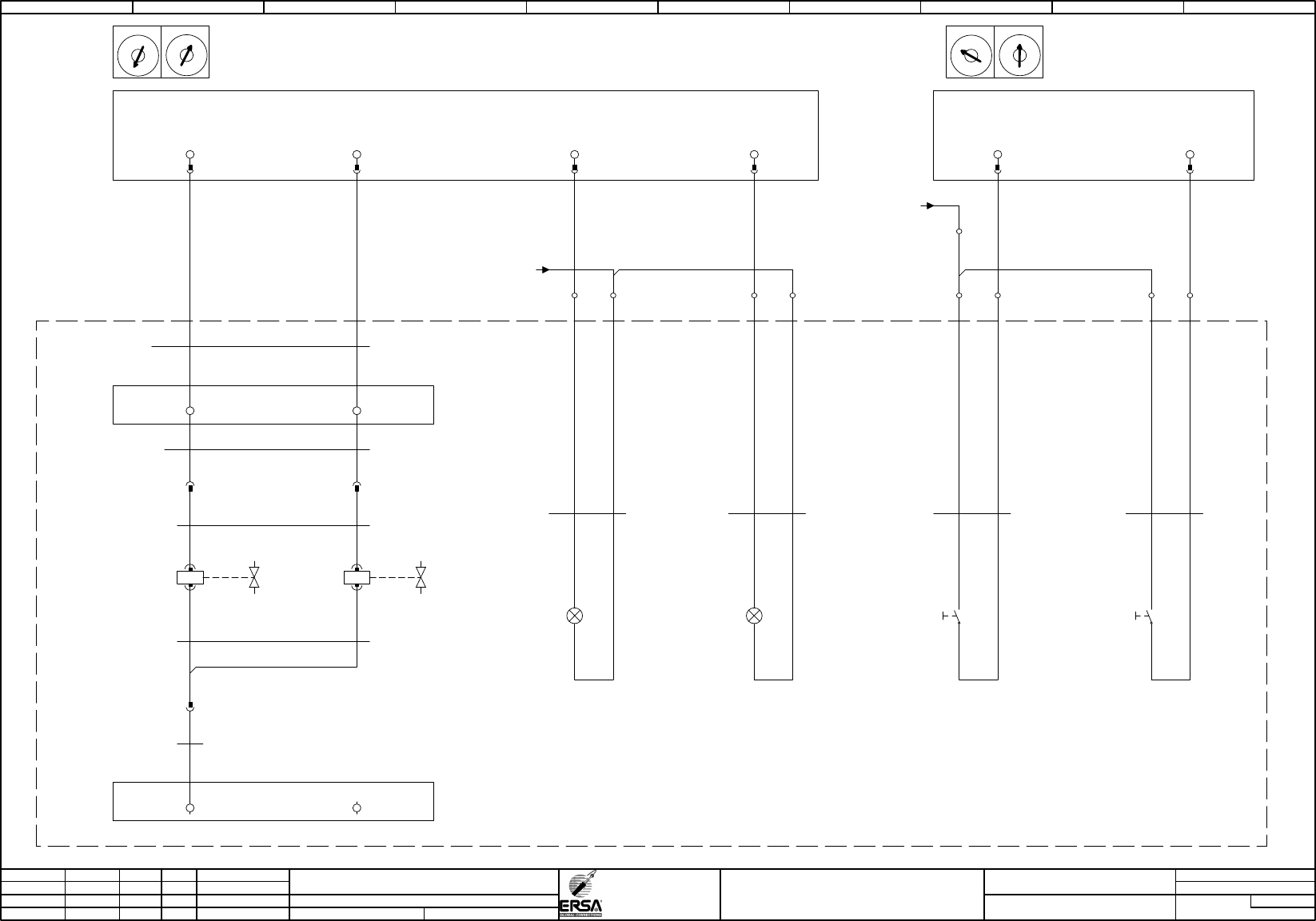
Pag e = C1 HF =HF +C 1/415 410 Modificati on Date Na m e No rm Check. Proj. Origin Date Crea. f. schb ERSA DIC 18 .0 6. 200 9 =HF +C 1/405 133 953- V00 Ot to-Schott-Straße 5 97 87 7 W ertheim Gm bH Pr oj e c t name 14:15…

Page
=
C1
HF
=HF+C1/410
405
Modification Date
Name Norm
Check.
Proj.
Origin
Date
Crea. f.
schb
ERSA
DIC
18.06.2009
=HF+C1/400
133953-V00
Otto-Schott-Straße 5
97877 Wertheim
GmbH
Project name
14:15:1508.07.2010
+
file name (*.pdf)
133953-V00_100705
basic-project
-
option processgas cleaning OTF
Hotflow 3/xx
PDF-Page
Plant designation
BU
0,50
BU
0,50
BU
0,50
BU
0,50
BU
0,50
=HF
+E1
-A2
SAC-box
outlet
-A2
SAC-box
outlet
-33WY1
Kaufteil
0,25
4
BK1 BK2
24VDC
flow box 1
-33Y1
14
0V
-33WY1
Kaufteil
0,25
4
BU1 BU2
X7:4.1
A
X7:3.1
GND
24VDC
flow box 2
-33Y2
14
0V
X7:4.2
B
X7:3.2
GND
-WA2
Kaufteil
0,25
19
BK WHGY
-33S1
requirement box 1
13
14
-33H1
signal box 1
1
2
-33S2
requirement box 2
13
14
-33H2
signal box 2
1
2
/10.05 / -24V-X5
/40.04 / -GND-X5.3
+20
-X5
-A25
Adr.25
X20DO9322
12xDO
process gas flow box 1
IF6.ST25.DO.03
12
process gas flow box 2
IF6.ST25.DO.04
22
-A13
Adr.13
X20CM8281
4xDI/2xDO/1xAI/1xAO
/410.07
process gas
requirement box 1
IF6.ST13.DI.03
12
process gas
signal box 1
IF6.ST25.DO.01
11
process gas
signal box 2
IF6.ST25.DO.02
21
process gas
requirement box 2
IF6.ST13.DI.04
22
X1
C
D
B
E
A
F
9
0
8
1
7
2
6
3
5
4
X16
C
D
B
E
A
F
9
0
8
1
7
2
6
3
5
4
X1
C
D
B
E
A
F
9
0
8
1
7
2
6
3
5
4
X16
C
D
B
E
A
F
9
0
8
1
7
2
6
3
5
4
-33WS2
LIYCY
0,14
4
WH
BN
-33WS2
LIYCY
0,14
4
GN YE
-33WS1
LIYCY
0,14
4
WH
BN
-33WS1
LIYCY
0,14
4
GN YE
31 3233 3428
-X5.3
-28
29
-29
-33WY1.1
Sensor-Aktor-Verteiler-Leitung
0,25
4
BU
-33WY1.1
Sensor-Aktor-Verteiler-Leitung
0,25
4
BK
WH
-33XY1
44 22
-33XY1
33
0 1 2 3 4 5 6 7 8 9

Page
=
C1
HF
=HF+C1/415
410
Modification Date
Name Norm
Check.
Proj.
Origin
Date
Crea. f.
schb
ERSA
DIC
18.06.2009
=HF+C1/405
133953-V00
Otto-Schott-Straße 5
97877 Wertheim
GmbH
Project name
14:15:1508.07.2010
+
file name (*.pdf)
133953-V00_100705
basic-project
-
option nitrogen
Hotflow 3/xx
PDF-Page
Plant designation
BU
0,50
BU
0,50 0,50
BU
0,50
BUBU
0,50
BU
0,50
24VDC
nitrogen on
-39Y1
14
0V
-39WY1
Kaufteil
0,25
3
BU
-39WY1
Kaufteil
0,25
3
BU
-A2
SAC-box
outlet
X3:4.1
A
-A2
SAC-box
outlet
X3:3.1
GND
-WA2
Kaufteil
0,25
19
YE
=HF
+E1
/10.05 / -24V-X5
-39WB1
Kaufteil
0,25
3
BN BK BU
-39B1
0-10V
N2-pressure
A
P
BN BK BU
-39XB1
11 44 33
P
-39WA1
Kaufteil
0,34
4
BN
WH
BU BK
3-60m³
N2-Durchflussmenge 1
-39A1
A
P
1 2 3 4
N2
/10.09 / -GND-X5
-40WY1
Kaufteil
0,34
4
BN
WH
BU BK
0-10 V
N2-pressure control valve
-40Y1
A
P
1 2 3 4
22+22
-X5
-43
-44
-X5
23 24+24
-47
-48
25+25
-49
-50
26
-A11
Adr.11
X20CM8281
4xDI/2xDO/1xAI/1xAO
X1
C
D
B
E
A
F
9
0
8
1
7
2
6
3
5
4
X16
C
D
B
E
A
F
9
0
8
1
7
2
6
3
5
4
N2-valve on
IF6.ST11.DO.01
13
N2-setting pressure-control-valve
IF6.ST11.AO.01.2
25
N2-pressure mesurement
IF6.ST11.AI.01.2
15
-A13
Adr.13
X20CM8281
4xDI/2xDO/1xAI/1xAO
X1
C
D
B
E
A
F
9
0
8
1
7
2
6
3
5
4
X16
C
D
B
E
A
F
9
0
8
1
7
2
6
3
5
4
N2 flowmeter Quantity 1
IF6.ST13.AI.01.2
15
IF6.ST11.AI.01GND
16
IF6.ST11.AO.01GND
26
IF6.ST13.AI.01GND
16
3-60m³ - "164273"
0-30m³ - "134836"
0 1 2 3 4 5 6 7 8 9

Page
=
C1
HF
=HF+C1/418
415
Modification Date
Name Norm
Check.
Proj.
Origin
Date
Crea. f.
schb
ERSA
DIC
18.06.2009
=HF+C1/410
133953-V00
Otto-Schott-Straße 5
97877 Wertheim
GmbH
Project name
14:15:1508.07.2010
+
file name (*.pdf)
133953-V00_100705
basic-project
-
option rest oxygen measurement
Hotflow 3/xx
PDF-Page
Plant designation
BU
0,50
0,50
BU
BU
0,50
BU
0,50
/10.06 / -24V-G(1)
24VDC-Sicherungen
SPS+Diverse
/10.09 / -GND-X5
PE-C1
-40K1
.08
24VDC
O2-measuring device on
12
11
14
/30.09 / -GND-K
24VDC
O2-measuring device on
-40K1
12
1114
.04
A1
A2
-A2
SAC-box
outlet
-WA2
Kaufteil
0,25
19
WHGN
-A2
SAC-box
outlet
-40A1
O2-measuring device
/10.05 / -24V-X5
-40WA1
H05VV5-F
0,75
5
4
-40WA3
-40WA3
LIYCY
0,14
4
WH
BN SHD
-40WA3
-40WA1
H05VV5-F
0,75
5
31 2 GNYE
-40WY2
Sensor-Aktor-Verteiler-Leitung
0,75
3
BK1
24VDC
O2-measuring gas on
-40Y2
14
0V
-40WY2
Sensor-Aktor-Verteiler-Leitung
0,75
3
BK2
X3:4.2
B
X3:3.2
GND
X1: 2/24V
X2: 6
OK
3/GND 1/PE
X2: 4
X2: 10
(+) 0/10V
X2: 11
(-) 0/10V
27
-X5
+27
-X5
-A12
Adr.12
X20CM8281
4xDI/2xDO/1xAI/1xAO
O2-measuring gas on
IF6.ST12.DO.02
23
O2-measuring device on
IF6.ST12.DO.01
13
X1
C
D
B
E
A
F
9
0
8
1
7
2
6
3
5
4
X16
C
D
B
E
A
F
9
0
8
1
7
2
6
3
5
4
-A12
Adr.12
X20CM8281
4xDI/2xDO/1xAI/1xAO
.08
IF6.ST12.DI.01
O2-measuring device ready
11
IF6.ST12.AI.01.2
O2-measuring device result
15 16
shild
(???)
PE14
-X2
=HF
+E1
X1
C
D
B
E
A
F
9
0
8
1
7
2
6
3
5
4
X16
C
D
B
E
A
F
9
0
8
1
7
2
6
3
5
4
-A12
Adr.12
X20CM8281
4xDI/2xDO/1xAI/1xAO
.08
X1
C
D
B
E
A
F
9
0
8
1
7
2
6
3
5
4
X16
C
D
B
E
A
F
9
0
8
1
7
2
6
3
5
4
-40F1
2,5AT
Supply O2-Messgerät
2
1
29
-X5
-57
0 1 2 3 4 5 6 7 8 9