00196101-04_Serviceanleitung Vakuumtest 08-2018_D-E.pdf - 第54页
Serviceanlei tung Vakuumtest mit ges chlossenen Pi petten Seite 54 von 136 b.) mit Pipett en 4 069 S OLL IST Lock ere Schraube n Im Ber eich der locker en Schrauben Haltek reis < Sol l Im Ber eich der locker en Sch ra…

Serviceanleitung Vakuumtest mit geschlossenen Pipetten
Seite
53 von 136
2.2.7.3.8 2 Schrauben Haltekreis nicht angezogen (Schraube bei 10 & 3; Schraube 17 ist fest).
a.) Mit Pipetten 4235
IST
Lockere Schrauben
SOLL
Im Bereich der
lockeren Schrauben
Haltekreis < Soll
Im Bereich der
lockeren Schrauben
Offen < Soll
Geschlossen < Soll

Serviceanleitung Vakuumtest mit geschlossenen Pipetten
Seite
54 von 136
b.) mit Pipetten 4069
SOLL
IST
Lockere Schrauben
Im Bereich der
lockeren Schrauben
Haltekreis < Soll
Im Bereich der
lockeren Schrauben
Offen < Soll
Geschlossen < Soll

Serviceanleitung Vakuumtest mit geschlossenen Pipetten
Seite
55 von 136
2.3 An CPP -Köpfen
Schäden oder Verschmutzungen am Haltekreis, den Silikonschläuchen, den Filterscheiben, oder
auch an den Pipetten, können zu Undichtigkeiten oder Verstopfungen führen, die im
Bestückprozess zu Fehlfunktionen führen, oder den Vakuumwert im Haltekreis bzw. Bestückkreis
entsprechend reduzieren.
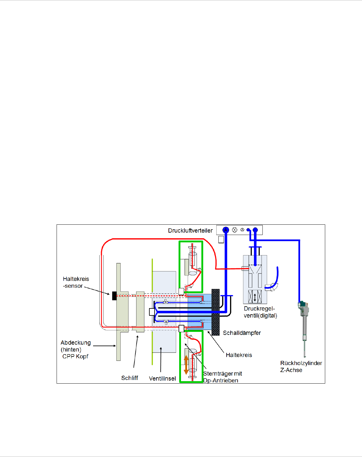
Darstellung des Vakuumsystems am CPP-Kopf
In der Stationssoftware gibt es für den CPP-Kopf zwei Vakuummessungen:
3. offen/geschlossen (Pos B) - Messung erfolgt von der Pipettenspitze bis zum Druckregelventil.
Vakuumwerte = Druckregelventil + Haltekreis
4. Haltekreis (Pos C) - Messung erfolgt von der Pipettenspitze bis zum Haltekreissensor. Vakuumwert =
Haltekreis
Der unten markierte Bereich (grüner Rahmen), vom Haltekreis über den Silikonschlauch, ins DP-
Gehäuse, bis in die Pipette, entzieht sich dem normalen Vakuumtest.
Abbildung 2-10: Schematische Darstellung Vakuumsystem CPP-Kopf
A
B
C
A