00197082-03_AI_MTC2_at-Loc2_X-Series-S_DE_EN.pdf - 第39页
39 Assembly Instructions / Montageanleitung SIPLACE X-Series S MTC2 at Location 2 MTC2 an Stellplatz 2 05/2019 Contents: Contents: 1 Introduction .. 41 1.1 Safety instructions .. 41 1.1.1 Conventions for the use of s…

4 Anhang
4.2 Stromlaufpläne
38 Assembly Instructions / Montageanleitung SIPLACE X-Series S MTC2 at Location 2 MTC2 an Stellplatz 2 05/2019
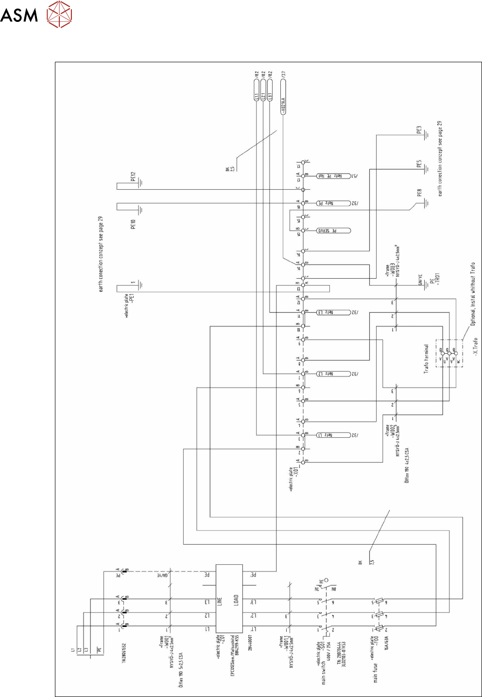
4.2.1 Stromlaufplan MTC2
Abb.31: Stromlaufplan MTC

39Assembly Instructions / Montageanleitung SIPLACE X-Series S MTC2 at Location 2 MTC2 an Stellplatz 2 05/2019
Contents:
Contents:
1 Introduction.. 41
1.1 Safety instructions.. 41
1.1.1 Conventions for the use of safety instructions and symbols.. 41
1.1.2 Safety instructions for working with strong magnetic fields.. 42
1.1.3 Safety instructions for the power supply (without SMPS).. 42
1.1.4 Safety instructions for the power supply (with SMPS).. 43
1.1.5 Safety instructions for the compressed air supply.. 45
1.1.6 Safety instructions for work on the cutting device.. 45
1.1.7 Safety instructions for the gantry.. 45
1.1.8 Safety instructions on hazardous materials.. 45
1.1.9 Classification of the optical systems.. 46
1.1.9.1 Classification of the whole machine.. 46
1.1.9.2 Laser classification.. 46
1.1.9.3 Classification of the camera systems.. 46
1.2 Preparatory work..... 46
1.3 Other instructions.. 49
1.3.1 Environmentally-friendly disposal of materials and components.. 49
1.3.2 Use of original accessories and spare parts.. 49
1.3.3 ESD guidelines.. 50
1.3.3.1 What does ESD mean?.. 50
1.3.3.2 Important measures to protect against static charging.. 50
1.3.3.3 Handling ESD modules.. 50
1.3.3.4 Measurements and modifications to ESD modules.. 50
1.3.3.5 Dispatching ESD modules.. 51
1.3.4 Release History.. 51
1.4 Staff qualifications and training.. 51
1.5 Abbreviations.. 51
2 Brief Description.. 53
2.1 Product Description.. 53
2.1.1 Overview of the Modules.. 53
2.2 Requirements.. 53
2.3 Restrictions.. 54
2.4 Scope of Delivery.. 54
2.4.1 Overview of Parts.. 57
2.5 Tools and Equipment Required.. 57
2.6 Required Working Time.. 58
3 Installation.. 59
3.1 Preparatory Steps.. 59
3.2 Assembling the MTC2 Frame.. 60
3.3 Converting the Cover Guide.. 62
3.4 MTC Connections.. 64
3.5 Using the MTC with a SIPLACE CPP.. 65
3.6 Final Work:.. 66

40 Assembly Instructions / Montageanleitung SIPLACE X-Series S MTC2 at Location 2 MTC2 an Stellplatz 2 05/2019
Contents:
4 Appendix.. 67
4.1 Excerpts from the Service Manual.. 67
4.1.1 Dismantling the Lower Side Cover.. 67
4.1.2 Replacing the COT Insert Assembly.. 68
4.2 Circuit Diagrams.. 69
4.2.1 Circuit Diagram MTC2.. 70