2050-2060.pdf - 第174页
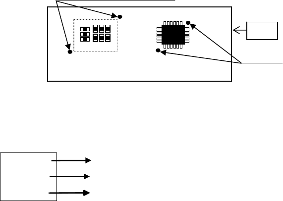
第 4 章 生产程序制作 Rev00 4-28 ② 标记数据的制作 在上面的列表上选择编辑、或区域基准标记标签后,便可显示如下编辑画面。 图 4-3-8 区域基准编辑画面 输入标记的X坐标、Y坐标后,利用图像拷贝来获得标记数据,完成标记制作。 “画面显示内容” ·标记 ID : 输入标记 ID。最多可输入 8 个半角文字。 当省略时将自动分配。 ·共有数 : 显示在打开区域基准画面时参考标记群组的贴片数据的点数。 但不能编辑。 ·标记 …

第 4 章 生产程序制作 Rev00
4-27
2) X、Y
输入贴片位置(X、Y)。输入的方法有键盘数值输入和HOD的示教输入。
※ 示教务必在完成BOC校准后进行。
尺寸是从“基板数据”决定的“基板位置基准”(多电路板时为“电路原点”)到贴片位置的(坐标中心)
距离。
3) 角度
以“元件数据”的“元件供给角度”为基准,输入贴片角度。(参见4-3-5-2-2的5)章)
4) 元件名称
输入元件名称(最多20个字符),大写字符、小写字符将被作为相同的数据处理。
5) 贴片头
指定贴片用的贴片头。
按输入顺序生产时,要贴片的贴片头可从一览表中选择。
初始值为“自动选择”,在制作程序后通过实行“优化”,自动选择最合适的贴片头。
选择贴片头时,请按编辑键(键盘的“F2”键)或鼠标的右键,从一览表中选择。此外,在选
择多行时,如果从弹出式菜单中指定,则所选中行的所有设置都将被改变。(图为选择多行时
的例子)
6) 标记(标记 ID)
设置在贴片时是否根据区域基准标记对贴片位置进行修校正。
为了能够利用配置在贴片元件附近的标记进行校正,使用要求精度较高的元件。
(该功能是从传统的IC标记功能扩展而来)
区域基准标记能够使用1组标记数据校正多个贴片数据(贴片点)。(1组 2个,或1组 3个的标
记)
① 选择标记ID
右击“标记”输入区域后,显示如下列表
No. 设置为不使用
编辑 编辑区域基准标记数据。
参照 为了选择区域基准标记,打开区域基准输入画面。(不能编辑)
区域基准标记
基板
IC
标记

第 4 章 生产程序制作 Rev00
4-28
② 标记数据的制作
在上面的列表上选择编辑、或区域基准标记标签后,便可显示如下编辑画面。
图 4-3-8 区域基准编辑画面
输入标记的X坐标、Y坐标后,利用图像拷贝来获得标记数据,完成标记制作。
“画面显示内容”
·标记 ID : 输入标记 ID。最多可输入 8 个半角文字。
当省略时将自动分配。
·共有数 : 显示在打开区域基准画面时参考标记群组的贴片数据的点数。
但不能编辑。
·标记 1(2,3)X : 输入标记的 X 坐标。
·标记 1(2,3)Y : 输入标记的 Y 坐标。
·标记 1(2,3)TI : 进行示教或图像拷贝。
由于设置的 IC 标记比 BOC 标记更靠近贴片元件,通过使用该标记,可提高贴片精
度。但在进行标记识别时较花时间,生产节拍较慢。
注意
※当有 CAD 数据(设计值)时,请绝对不要进行示教。否则贴片会有偏差。
※使用 IC 标记的元件的贴片坐标与 BOC 标记无关。此时的 BOC 标记成为寻找 IC
标记的基准坐标。因此,当发生贴片偏差时,请直接修正并调整 IC 标记或贴
片坐标(X、Y)。

第 4 章 生产程序制作 Rev00
4-29
7) 跳过
如果选择“YES”,在贴片时将会跳过。因此,该行的贴片点将不被贴片。该功能主要是在检
查时使用。初始值设置为“NO”。
变更时,请按F2键或鼠标的右键,从一览表中选择。
8) 试打
所谓“试打”,是指在将特定元件或所有元件贴片到基准电路或整个电路后,用OCC摄像机确
认贴片坐标的功能。也可在“试打前”确认“吸取坐标”。
选择“是”,可在生产画面(试打模式)中对选中的贴片点进行贴片,并用摄像机进行确认。
初始值设置为“NO”。
变更时,请按F2键或鼠标的右键,从一览表中选择。
9) 分层
可指定贴片的顺序。编号小的层优先(先贴片)。初始值为“4”。
如进行优化,则贴片顺序自动决定,与输入顺序无关。此时,参照分层,在相同层之间决定
最优先的贴片顺序。
变更时,请按F2键或鼠标的右键,从一览表中选择。
芯片元件 QFP
例) 如右图那样对QFP与芯片元件贴片时,
如果先贴QFP,则芯片元件将无法贴片。
此时,如果将芯片元件指定为第4层,将QFP
指定为第5层,则先对编号较小的芯片元件
进行贴片,然后再贴QFP。
<在芯片上贴装 QFP>