2OM-1183-003.pdf - 第74页
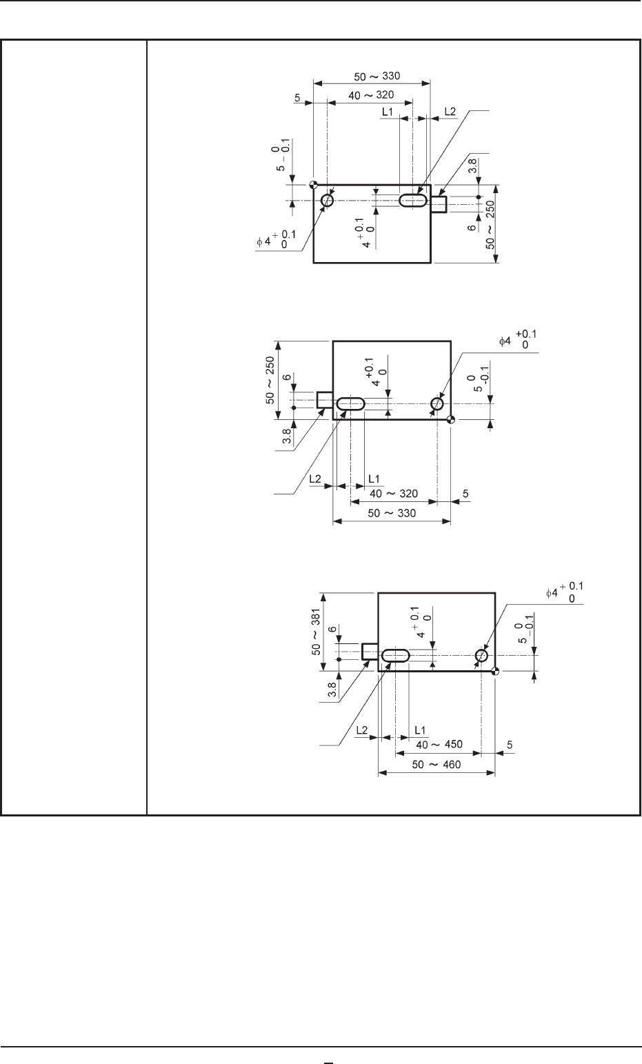
孔基准 孔基准 孔基准 孔基准 孔基准 TCM-X110 TCM-X110 TCM-X110 TCM-X110 TCM-X110 ( ( ( ( ( 装置前侧 装置前侧 装置前侧 装置前侧 装置前侧 ) ) ) ) ) 单位 : mm TCM-X110M TCM-X110M TCM-X110M TCM-X110M TCM-X110M ( ( ( ( ( 装置前侧 装置前侧 装置前侧 装置前侧 装置前侧 ) ) ) ) ) 单位 : mm…

TCM-X300TCM-X300
TCM-X300TCM-X300
TCM-X300
((
((
(
装置前侧装置前侧
装置前侧装置前侧
装置前侧
))
))
) 单位 : mm
注注
注注
注 : (a) 线路板外形上有缺口等时,需要进行测试。
(b) 记号的中心为基准点。
(b) TCM-X300 的情况,表示线路板长度(流动方向)为 460mm 以
下。
460<线路板长度 ≤510mm 时,成为 58mm。
(d) TCM-X300 的情况,线路板长度超过 510mm 时,不使用外形
基准。
请使用孔基准或滑道部的紧固。
0409-001 1-7-1
2. 2.
2. 2.
2.
装置装置
装置装置
装置
规格规格
规格规格
规格
定位杆定位杆
定位杆定位杆
定位杆
定位基准面定位基准面
定位基准面定位基准面
定位基准面
定位销定位销
定位销定位销
定位销
φφ
φφ
φ
44
44
4
基准点基准点
基准点基准点
基准点
11
11
1
基准点基准点
基准点基准点
基准点
22
22
2
定位基准面定位基准面
定位基准面定位基准面
定位基准面
((
((
(
注注
注注
注
c)c)
c)c)
c)

孔基准孔基准
孔基准孔基准
孔基准
TCM-X110TCM-X110
TCM-X110TCM-X110
TCM-X110
((
((
(
装置前侧装置前侧
装置前侧装置前侧
装置前侧
))
))
) 单位 : mm
TCM-X110MTCM-X110M
TCM-X110MTCM-X110M
TCM-X110M
((
((
(
装置前侧装置前侧
装置前侧装置前侧
装置前侧
))
))
) 单位 : mm
TCM-X210TCM-X210
TCM-X210TCM-X210
TCM-X210
((
((
(
装置前侧装置前侧
装置前侧装置前侧
装置前侧
))
))
) 单位 : mm
2. 2.
2. 2.
2.
装置装置
装置装置
装置
规格规格
规格规格
规格
0409-002 1-8
基准孔基准孔
基准孔基准孔
基准孔
线路板定位杆线路板定位杆
线路板定位杆线路板定位杆
线路板定位杆
基准孔基准孔
基准孔基准孔
基准孔
基准孔基准孔
基准孔基准孔
基准孔
线路板定位杆线路板定位杆
线路板定位杆线路板定位杆
线路板定位杆
基准孔基准孔
基准孔基准孔
基准孔
基准孔基准孔
基准孔基准孔
基准孔
基准孔基准孔
基准孔基准孔
基准孔
线路板定位杆线路板定位杆
线路板定位杆线路板定位杆
线路板定位杆

TCM-X300TCM-X300
TCM-X300TCM-X300
TCM-X300
((
((
(
装置前侧装置前侧
装置前侧装置前侧
装置前侧
))
))
) 单位 : mm
注注
注注
注:(a) 线路板外形上有缺口等时,需要进行测试。
(b) 定为 “L1=Min.5 mm”,考虑到孔位置公差,设置长边方向时
要留有余地。
并且,基准孔间距尽可能设定大值。
(c) 请考虑线路板强度来决定 “ L2”。
(d) 记号的中心为基准点。
(e) TCM-X300 的情况,表示线路板长度(流动方向)为 460mm 以
下。
460<线路板长度 ≤510mm 时,成为 30mm。
2. 2.
2. 2.
2.
装置装置
装置装置
装置
规格规格
规格规格
规格
0409-001 1-8-1
基准点基准点
基准点基准点
基准点
11
11
1
基准点基准点
基准点基准点
基准点
22
22
2
基准点基准点
基准点基准点
基准点
33
33
3
基准点基准点
基准点基准点
基准点
44
44
4
定位销定位销
定位销定位销
定位销
基准孔基准孔
基准孔基准孔
基准孔
((
((
(
注注
注注
注
e)e)
e)e)
e)