Detailed Circuit Diagrams Folder.pdf - 第122页
Sheet Size DIN A2 electric_schematic_TX electric_schematic_TX electric_schematic_TX electric_schematic_TX 90012154-010301LE3 Replaced by Motor- Y Motor- Y Motor- Y Motor- Y Replaced by 116 W eitergabe sowie V ervielfälti…

Sheet
Size DIN A2
electric_schematic_TX
electric_schematic_TX
electric_schematic_TX
electric_schematic_TX
90012154-010301LE3
Replaced by
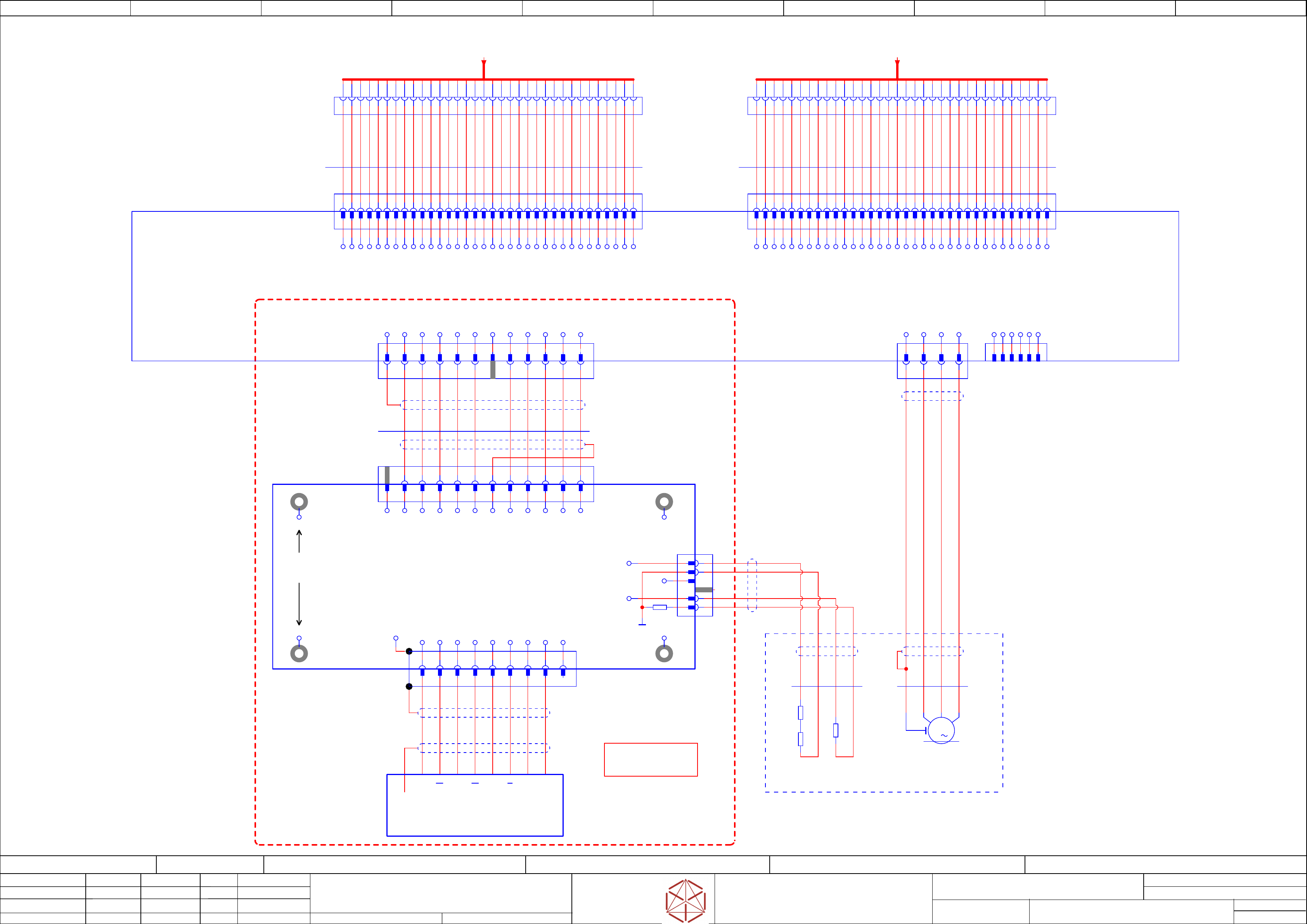
Placement-Head CP20 and
Placement-Head CP20 and
Placement-Head CP20 and
Placement-Head CP20 and
Component-Camera & PCB-Camera
Component-Camera & PCB-Camera
Component
-Camera & PCB-Camera
Component-Camera & PCB-Camera
Replaced by
115
Weitergabe sowie Vervielfältigung dieser Unterlage, Verwertung und
Mitteilung des Inhalts nicht gestattet, soweit nicht ausdrücklich zugestanden.
Proprietary Data, company confidential.
All rights reserved
Copying of this document, giving it to others and the use or
communication of the contents thereof, are forbidden without express authority.
Doc. No.
00 01 02 03 04 05 06 07 08 09
Privileged business information.
Do not release
Offenders are liable to payment of damages. All rights are reserved in the
event of the grant or the registration of a utility model or design.
Zuwiederhandlungen verpflichten zu Schadenersatz. Alle Rechte vorbehalten,
insbesondere für den Fall der Patenterteilung oder GM-Eintragung vorbehalten.
Page:
Function: Gantry micron
==GAm=TXm+GA1/115
drawing number:
900xxxxx-010101LE3
Gantry_1 TX_micron
Gantry_1 TX_micr
on
Gantry_1 TX_micr
on
Gantry_1 TX_micr
on
GmbH & Co KG
A
SM
Assembly S
ystems
Copyright reserved
Ed.
Original
Pingist
Date
Date
Modification
Appr
01.12.2016
Name
Version: Series from
V
ersion: S
eries f
r
om
V
ersion: Series from
Version: Series from
2016/Q4 TA500
2016/Q4 TA500
2016/Q4 TA500
2016/Q4 TA500
starting MC-Nr
.: TA500 2016/Q4 G. Pingist
Component
Component
Component
Component
camera (Type 23)
camer
a (Type 23)
camera (Type 23)
camera (Type 23)
6x6 GigE
6x6 GigE
6x6 GigE
6x6 GigE
Placement Head
Placement Head
Placement Head
Placement Head
SpeedStar (C&P20)
SpeedStar (C&P20)
SpeedStar (C&P20)
SpeedStar (C&P20)
PCB - Camera
PCB - Camera
PCB - Camera
PCB - Camera
(T
ype 34)
(
Type 34)
(Type 34)
(
Type 34)
28 GigE
28 GigE
28 GigE
28 GigE
-X1
-
X1
-X1
-X1
1
2
3
4
5
6
7
8
9
10
11
12
13
14
15
16
GND
+42V
MCAN_RX
GND
MCAN_TX_
PORTAL-ID0
+24V
HCU-TRIG_
+42V
GND
MCAN_RX_
MCAN_TX
GND
PORTAL-ID1
HCU-TRIG
GND
1
3
5
6
4
2
7
13
9
10
11
12
14
15
16
8
1
3
5
6
2
8
7
4
1
3
5
6
4
2
7
13
9
10
11
12
14
15
16
8
1
3
5
6
2
8
7
4
Placement-Head CP20 and
Component-Camera & PCB-Camera
Component camera C+P (Type 23) 6x6 GigE
Component camera C+P (Type 23) 6x6 GigE
Component camera C+P (
Type 23) 6x6 GigE
Component camera C+P (Type 23) 6x6 GigE
PCB camera (Type 34) 28 GigE
PCB camer
a (Type 34) 28 GigE
PCB camera (
Type 34) 28 GigE
PCB camera (Type 34) 28 GigE
Gantry 1
Gantry 1
Gantry 1
Gantry 1
2
4 6 81 3 5 7
-X1
-X1
-X1
-X1
03101431
GXS03 GigE
CCD VGA camera
BAUMER
-CAM1
-CAM1
-CAM1
-CAM1
03105195
03105195
03105195
03105195
Gantry 1
Component Camera C+P
Component Camer
a C+P
Component Camera C+P
Component Camera C+P
(T
ype 23) 6x6 GigE
(
Type 23) 6x6 GigE
(Type 23) 6x6 GigE
(
Type 23) 6x6 GigE
-Co_Cam
-Co_Cam
-Co_Cam
-Co_Cam
031178750
PCBA
Vision LED controller
VLC41 GigE
-A1
-A1
-A1
-A1
MX1+
MX2+
MX3+
MX4+
MX1-
MX2-
MX3-
MX4-
SHIELD
-X9.VHI
-
X9.VHI
-
X9.VHI
-
X9.VHI
1
2
3
4
5
6
7
8
9
10
11
12
13
14
15
16
-X1.VLC
-X1.VLC
-X1.VLC
-
X1.VLC
1
2
3
4
5
6
7
8
9
10
11
12
13
14
15
16
7531 8642
-X14.VHI
-
X14
.VHI
-
X14
.VHI
-
X14.VHI
7531 8642
-X1.CAM
-X1.CAM
-X1.CAM
-X1.CAM
510 mm
4x2x0,09
CAT5 cable
03106501
03106501
03106501
03106501
-W1
-W1
-W1
-W1
Cable Camera Type 23 GigE
BU/WH
BU
OG
OG/WH
GN/WH
GN
BN
BN/WH
545 mm
16x0,05
Flat round cable
03106510
03106510
03106510
03106510
-W1
-W1
-W1
-W1
Cable VHI - VLC23 GigE
1
2
3
4
5
6
7
8
9
10
11
12
13
14
15
16
-X1
-X1
-X1
-X1
1
2
3
4
5
6
7
8
9
10
11
12
13
14
15
16
GND
+42V
MCAN_RX
GND
MCAN_TX_
PORTAL-ID0
+24V
HCU-TRIG_
+42V
GND
MCAN_RX_
MCAN_TX
GND
PORTAL-ID1
HCU-TRIG
GND
-X1.VHI
-
X1.VHI
-
X1.VHI
-
X1.VHI
1
2
3
4
5
6
7
8
9
10
11
12
13
14
15
16
-X1.VLC
-X1.VLC
-X1.VLC
-
X1.VLC
1
2
3
4
5
6
7
8
9
10
11
12
13
14
15
16
03100758
PCBA
Vision LED controller
VLC34 GigE
-A2
-A2
-A2
-A2
580 mm
16x0,05
Flat round cable
03097629
03097629
03097629
03097629
-W1
-W1
-W1
-W1
Cable VHI - VLC34 GigE
1
2
3
4
5
6
7
8
9
10
11
12
13
14
15
16
03101402
03101402
03101402
03101402
Gantry 1
PCB camera
PCB camer
a
PCB camera
PCB camera
(T
ype 34) 28 GigE
(
Type 34) 28 GigE
(Type 34) 28 GigE
(
Type 34) 28 GigE
-PCB_Cam
-PCB_Cam
-PCB_Cam
-PCB_Cam
2 4 6 81 3 5 7
-X1
-X1
-X1
-X1
7531 8642
-X16.VHI
-
X16.VHI
-
X16.VHI
-
X16.VHI
7531 8642
-X1.CAM
-X1.CAM
-X1.CAM
-X1.CAM
03101431
GXS03 GigE
CCD VGA camera
BAUMER
-CAM2
-CAM2
-CAM2
-CAM2
MX1+
MX2+
MX3+
MX4+
MX1-
MX2-
MX3-
MX4-
SHIELD
540 mm
4x2x0,09
CAT5 cable
03090967
03090967
03090967
03090967
-W1
-W1
-W1
-W1
Cable Camera Type 34 GigE
BU/WH
BU
OG
OG/WH
GN/WH
GN
BN
BN/WH
[from Vision Head Interface]
==GA1=+-X9.VHI
-VHI-X.J9:8 /114.06
[from Vision Head Interface]
==GA1=+-X14.VHI
-VHI-X.J14:4 /114.05
[from Vision Head Interface]
==GA1=+-X1.VHI
-VHI-X.J1:8 /114.09
[from Vision Head Interface]
==GA1=+-X16.VHI
-VHI-X.J16:4 /114.07

Sheet
Size DIN A2
electric_schematic_TX
electric_schematic_TX
electric_schematic_TX
electric_schematic_TX
90012154-010301LE3
Replaced by
Motor-Y
Motor-Y
Motor-Y
Motor-Y
Replaced by
116
Weitergabe sowie Vervielfältigung dieser Unterlage, Verwertung und
Mitteilung des Inhalts nicht gestattet, soweit nicht ausdrücklich zugestanden.
Proprietary Data, company confidential.
All rights reserved
Copying of this document, giving it to others and the use or
communication of the contents thereof, are forbidden without express authority.
Doc. No.
00 01 02 03 04 05 06 07 08 09
Privileged business information.
Do not release
Offenders are liable to payment of damages. All rights are reserved in the
event of the grant or the registration of a utility model or design.
Zuwiederhandlungen verpflichten zu Schadenersatz. Alle Rechte vorbehalten,
insbesondere für den Fall der Patenterteilung oder GM-Eintragung vorbehalten.
Page:
Function: Gantry micron
==GAm=TXm+GA2/116
drawing number:
900xxxxx-010101LE3
Gantry_2 TX_micron
Gantry_2 TX_micr
on
Gantry_2 TX_micr
on
Gantry_2 TX_micr
on
GmbH & Co KG
A
SM
Assembly S
ystems
Copyright reserved
Ed.
Original
Pingist
Date
Langer D.
Date
Modification
Appr
01.12.2016
Name
Version: Series from
V
ersion: S
eries f
r
om
V
ersion: Series from
Version: Series from
2016/Q4 TA500
2016/Q4 TA500
2016/Q4 TA500
2016/Q4 TA500
starting MC-Nr
.: TA500 2016/Q4 G. Pingist
-X1
-X1
-X1
-X1
Tr
ailing cable
Trailing cable
Trailing cable
Trailing cable
Y motor
Y motor
Y motor
Y motor
1
2
3
4
5
6
7
8
9
10
11
12
13
14
15
16
17
18
19
20
21
22
23
24
27
25
26
28
29
30
31
32
33
34
2
4
6
8
10
12
14
16
18
20
22
24
26
28
30
32
3
5
7
9
11
13
15
19
21
23
25
27
29
31
33
1
34
17
-X2
-X2
-X2
-X2
Tr
ailing cable
Trailing cable
Trailing cable
Trailing cable
Y motor
Y motor
Y motor
Y motor
1
2
3
4
5
6
7
8
9
10
11
12
13
14
15
16
17
18
19
20
21
22
23
24
27
25
26
28
29
30
31
32
33
34
-X1.GI
-X1.GI
-X1.GI
-X1.GI
1
2
3
4
5
6
7
8
9
10
11
12
13
14
15
16
17
18
19
20
21
22
23
24
26
28
29
30
31
33
25
27
32
34
-X1.TI
-
X1.TI
-
X1.TI
-
X1.TI
1
2
3
4
5
6
7
8
9
10
11
12
13
14
15
16
17
18
19
20
21
22
23
24
26
28
29
30
31
33
25
27
32
34
2
4
6
8
10
12
14
16
18
20
22
24
26
28
30
32
3
5
7
9
11
13
15
19
21
23
25
27
29
31
33
1
34
17
-X2.GI
-X2.GI
-X2.GI
-X2.GI
1
2
3
4
5
6
7
8
9
10
11
12
13
14
15
16
17
18
19
20
21
22
23
24
26
28
29
30
31
33
25
27
32
34
-X2.TI
-
X2.TI
-
X2.TI
-
X2.TI
1
2
3
4
5
6
7
8
9
10
11
12
13
14
15
16
17
18
19
20
21
22
23
24
26
28
29
30
31
33
25
27
32
34
Gantry 2
Gantry 2
Gantry 2
Gantry 2
1 2 3 4
-X3_b
-X3_b
-X3_b
-X3_b
4
KEY
KEY
NC
Temp.-Sensor
Temp.-S
ensor
Temp.-Sensor
Temp.-Sensor
TEMP_ADC_2
PE / machine base
Plated
through
drillholes
PE / machine base
PE / machine base
PE / machine base
TEMP_PTC_2
1
KEY
Modification
Modification
Modification
Modification
TX_micron
TX_micron
TX_micron
TX_micron
-GI
-GI
-GI
-GI
Gantry 2
Gantry-Interface 2
Gantry
-Interface 2
Gantry
-Interface 2
Gantry-Interface 2
03116147
SCREEN
YMOTORU
YMOTORU
YMOTORU
YMOTORV
YMOTORV
YMOTORV
YMOTORW
YMOTORW
YMOTORW
SCREEN
YTEMPSENS
GND
YTRACKN
YTRACKBN
GND
YTRACKA
SCREEN
YMOTORU
YMOTORU
YMOTORU
YMOTORV
YMOTORV
YMOTORV
YMOTORW
YMOTORW
YMOTORW
SCREEN
YERROR
YTRACKNN
GND
YTRACKB
YTRACKAN
SCREEN
SCREEN
YMOTORU
YMOTORU
YMOTORU
YMOTORV
YMOTORV
YMOTORV
YMOTORW
YMOTORW
YMOTORW
SCREEN
P24V
GND
GND
GND
GND
GND
SCREEN
YMOTORU
YMOTORU
YMOTORU
YMOTORV
YMOTORV
YMOTORV
YMOTORW
YMOTORW
YMOTORW
SCREEN
P24V
GND
GND
GND
GND
SCREEN
1590 mm
34x0,14
Flat cable
03112251
03112251
03112251
03112251
-W1
-W1
-W1
-W1
1
2
3
4
5
6
7
8
9
10
11
12
13
14
15
16
17
18
19
20
21
22
23
24
25
26
27
28
29
30
31
32
33
34
1560 mm
34x0,14
Flat cable
03112252
03112252
03112252
03112252
-W2
-W2
-W2
-W2
1
2
3
4
5
6
7
8
9
10
11
12
13
14
15
16
17
18
19
20
21
22
23
24
25
26
27
28
29
30
31
32
33
34
1
2 3 4 5 6 7 8 9 1110 12
Encoder signals Y-axis
Encoder signals Y-axis
Encoder signals Y-axis
Encoder signals Y
-axis
-X11
-X11
-X11
-X11
SCREEN
YTRACKA
YTRACKAN
GND
YTRACKB
YTRACKBN
KEY
YTRACKN
YTRACKNN
P5V
Y ERROR 5V
NC
N
GY
A1
YE
N
BN
Housing
Shield
A2
PK
+5V
BK
GND
WH
A2
RD
A1
GN
03146506
Y-Scanning head MS 30.03
Y-Scanning head MS 30.03
Y-
Scanning head MS 30.03
Y-Scanning head MS 30.03
Gantry 2
-UY2
-UY2
-UY2
-UY2
-X1.SM_Y
-X1.SM_Y
-X1.SM_Y
-X1.SM_Y
Sensor module
(D-
Sub 9 pol.)
1 2 3 4 5 6 7 8 9
-X1
-X1
-X1
-X1
SCE Interf
ace
1 2 3 4 5 6 7 8 9
Shield
A1_SCE_A_P
A1_SCE_A_N
A1_SCE_B_P
A1_SCE_B_N
P5V
A1_SCE_I_N
A1_SCE_I_P
GND
GND
-X21
-X21
-X21
-X21
MS22-FDB Interf
ace
1 2 3 4 5
KEY
FDB_SMU_GCU_CH1_OUT_P
GND
FDB_SMU_GCU_CH1_OUT_N
FDB_SMU_GCU_CH2_IN_P
6 7 8 9
03134854
Sensor module
Sensor module
Sensor module
Sensor module
universal
univ
ersal
universal
universal
Gantry 2
-SM_Y2
-
SM_Y2
-SM_Y2
-SM_Y2
11 12
FDB_SMU_GCU_CH2_IN_N
PE / Shield
FDB_SMU_GCU_CH4_OUT_P
FDB_SMU_GCU_CH4_OUT_N
P5V
FDB_SMU_GCU_CH3_OUT_P
FDB_SMU_GCU_CH3_OUT_N
PE / machine base
Shield
10
1 2 3 4
Y axis
Y axis
Y axis
Y axis
Temp. sensor PTC
Temp. sensor PTC
Temp
. sensor PTC
Temp. sensor PTC
-X13
-X13
-X13
-X13
1 2 3 4
SCREEN
Y Motor_U
Y Motor_V
Y Motor_W
GND
PTCY
NC
KEY
NC
NC
5 6
1 2 3 4
03095097
Linear motor primary Y axis
Linear motor primary Y axis
Linear motor primary Y axis
Linear motor primary Y axis
Gantry 2
-MY2
-MY2
-MY2
-MY2
-W1
Power
Phase C
Phase B
Phase A
GND
3
M
RD
WH
GN
BK
BN
-W2
Temp
WH
-SNM115.1
Temp_Sens
PHASE 1
YE
GN
-SNM115.2
Temp_Sens
PHASE 2
-PT100
not used
+
-
1
2
-X4_b
-X4_b
-X4_b
-X4_b
5
Motor Temperature
-X11
-X11
-X11
-X11
6
3
2
TEMP_PTC_1
1
5
-R17
330 Ω
4
6
3
TEMP_ADC_1
Y axis
Y axis
Y axis
Y axis
Motor/Power
Motor/Power
Motor/Power
Motor/Power
-X12
-
X12
-X12
-X12
GND
600 mm
5x2x0,23
UNITRONIC® LiYCY (TP) A
03145445
03145445
03145445
03145445
-W1
-
W1
-W1
-W1
-X21.SM
-X21.SM
-X21.SM
-X21.SM
2 3 4 5 6
7
8 9 10 11 12
-X11.GI
-X11.GI
-X11.GI
-X11.GI
1 2 3 4 5 6
BU RD BK GY PK WH BN VT GN YE
8 9 10 11 12
[Trailing interface]
==GA2+-X1.TI2
==CHm+GA-TI2-X1:26 ==CHm+GA/109.01
[Trailing interface]
==GA2+-X2.TI2
==CHm+GA-TI2-X2:25 ==CHm+GA/109.05
NC
7
KEY

Sheet
Size DIN A2
electric_schematic_TX
electric_schematic_TX
electric_schematic_TX
electric_schematic_TX
90012154-010301LE3
Replaced by
Head-Interface-2
Head-Interface-2
Head-Interface-2
Head-Interface-2
Replaced by
117
Weitergabe sowie Vervielfältigung dieser Unterlage, Verwertung und
Mitteilung des Inhalts nicht gestattet, soweit nicht ausdrücklich zugestanden.
Proprietary Data, company confidential.
All rights reserved
Copying of this document, giving it to others and the use or
communication of the contents thereof, are forbidden without express authority.
Doc. No.
00 01 02 03 04 05 06 07 08 09
Privileged business information.
Do not release
Offenders are liable to payment of damages. All rights are reserved in the
event of the grant or the registration of a utility model or design.
Zuwiederhandlungen verpflichten zu Schadenersatz. Alle Rechte vorbehalten,
insbesondere für den Fall der Patenterteilung oder GM-Eintragung vorbehalten.
Page:
Function: Gantry micron
==GAm=TXm+GA2/117
drawing number:
900xxxxx-010101LE3
Gantry_2 TX_micron
Gantry_2 TX_micr
on
Gantry_2 TX_micr
on
Gantry_2 TX_micr
on
GmbH & Co KG
A
SM
Assembly S
ystems
Copyright reserved
Ed.
Original
Pingist
Date
Date
Modification
Appr
01.12.2016
Name
Version: Series from
V
ersion: S
eries f
r
om
V
ersion: Series from
Version: Series from
2016/Q4 TA500
2016/Q4 TA500
2016/Q4 TA500
2016/Q4 TA500
starting MC-Nr
.: TA500 2016/Q4 G. Pingist
Shield
Shield
NC
NC
P150V_PWR
P150V_PWR
P150V_PWR
P150V_PWR
NC
NC
P40V_PWR
P40V_PWR
NC
NC
P24V_DP
P24V_DP
NC
NC
GND_PWR
GND_PWR
GND_PWR
GND_PWR
GND_PWR
GND_PWR
Shield
Shield
GND_24V
GND_24V
P24V
P24V
GND
GND
P5V_HCU
P5V_HCU
P5V_HEAD
P5V_HEAD
GND
GND
N15V
P15V
KEY
KEY
P3V3
P3V3
P1V5
P1V5
NC
SPI_DIFF_INT
GND
GND
NC
CS_C700*
CS_FPGA*
CS_TEMP*
SPI_MRST_P
SPI_MTSR_P
SPI_MRST_N
SPI_MTSR_N
SPI_SCLK_N
SPI_SCLK_P
PORTAL_ID1
PORTAL_ID0
FPGA_HCU_IO_2
FPGA_HCU_IO_3
BA_FPGA_MRST
FPGA_COM6
FPGA_HCU_IO_0
FPGA_HCU_IO_1
FPGA_COM3
FPGA_INT
RS232_TXD
RS232_RXD
RESET_HCU2
RESET_HCU1
COM_BOOT_HCU
HCU_1_2
NOTAUS_3V
SPI_CS0
SPI_CS1
SPI_CS2
CAN_1_H
CAN_1_H
GND
GND
FDB_1_N
FDB_1_P
GND
GND
FDB_2_N
FDB_2_P
GND
GND
POWERFAIL_BASE_3V
POWERFAIL_LOCAL_3V
CAN_3_H
CAN_3_L
BA_FPGA_CLK
BA_FPGA_MTSR
Shield
Shield
3
4
5
6
7
8
9
10
2
1
Head adapter
Head adapter
Head adapter
Head adapter
-X3
-X3
-X3
-X3
11
12
14
13
15
16
18
17
19
20
21
22
24
23
25
26
28
27
29
30
31
32
34
33
35
36
38
37
39
40
41
42
44
43
45
46
48
47
49
50
51
52
54
53
55
56
58
57
59
60
61
62
64
63
65
66
68
67
69
70
71
72
74
73
75
76
78
77
79
80
81
82
84
83
85
86
88
87
89
90
91
92
94
93
95
96
98
97
99
100
1
2
4
6
8
10
12
14
16
18
20
22
24
26
28
30
32
34
36
38
40
42
44
46
48
50
52
54
56
58
60
62
64
66
68
70
72
74
76
78
80
82
84
86
88
90
92
94
96
98
100
3
5
7
9
11
13
15
17
19
21
23
25
27
29
31
33
35
37
39
41
43
45
47
49
51
53
55
57
59
61
63
65
67
69
71
73
75
77
79
81
83
85
87
89
91
93
95
97
99
Trailing cable X
Trailing cable X
T
railing cable X
Trailing cable X
X motor
X motor
X motor
X motor
-X7
-X7
-X7
-X7
1
2
3
4
5
6
7
8
9
10
11
12
13
14
15
16
17
18
19
20
21
22
23
24
27
25
26
28
29
30
31
32
33
34
X_MOTORU
X_MOTORU
X_MOTORU
SCREEN
X_MOTORU
X_MOTORV
X_MOTORV
X_MOTORW
X_MOTORV
X_MOTORW
X_MOTORW
X_MOTORU
X_MOTORU
X_MOTORW
X_MOTORU
X_MOTORV
X_MOTORW
X_MOTORV
X_MOTORV
X_MOTORV
X_MOTORW
GND_PWR
GND
X_MOTORW
XTRACKAN
XTRACKA
XTRACKBN
XTRACKB
GND
GND
X_AXIS_ERROR_24V_N
XTRACKN
XTRACKNN
GND
Trailing cable X
Trailing cable X
T
railing cable X
Trailing cable X
Head Power
Head Power
Head Power
Head Power
-X8
-X8
-X8
-X8
1
2
3
4
5
6
7
8
9
10
11
12
13
14
15
16
17
18
19
20
21
22
23
24
27
25
26
28
29
30
31
32
33
34
P150V_PWR
P150V_PWR
SCREEN
SCREEN
SCREEN
P150V_PWR
P150V_PWR
P150V_PWR
P150V_PWR
P150V_PWR
P40V_PWR
P40V_PWR
P40V_PWR
P40V_PWR
GND_PWR
GND_PWR
GND_PWR
GND_PWR
GND_PWR
GND_PWR
GND_PWR
GND
P24V
GND
GND
GND
GND
GND
P24V
P24V
SCREEN
GND
GND
P24V
-X7.GI
-X7.GI
-X7.GI
-
X7.GI
1
2
3
4
5
6
7
8
9
10
11
12
13
14
15
16
17
18
19
20
21
22
23
24
26
28
29
30
31
33
25
27
32
34
-X5.HI
-X5.HI
-X5.HI
-X5.HI
1
2
3
4
5
6
7
8
9
10
11
12
13
14
15
16
17
18
19
20
21
22
23
24
26
28
29
30
31
33
25
27
32
34
-X5L
-X5L
-X5L
-X5L
Tr
ailing cable X
Trailing cable X
T
railing cable X
Trailing cable X
X motor
X motor
X motor
X motor
1
2
3
4
5
6
7
8
9
10
11
12
13
14
15
16
17
18
19
20
21
22
23
24
27
25
26
28
29
30
31
32
33
34
SCREEN
X_MOTORU
X_MOTORU
X_MOTORV
X_MOTORW
X_MOTORW
X_MOTORU
X_MOTORU
X_MOTORV
X_MOTORV
X_MOTORW
GND_PWR
XTRACKAN
GND
XTRACKB
XTRACKNN
GND
X_MOTORU
X_MOTORU
X_MOTORV
X_MOTORV
X_MOTORW
X_MOTORW
X_MOTORU
X_MOTORV
X_MOTORV
X_MOTORW
X_MOTORW
GND
XTRACKA
XTRACKBN
GND
XTRACKN
X_AXIS_ERROR_24V_N
-X8.GI
-X8.GI
-X8.GI
-X8.GI
1
2
3
4
5
6
7
8
9
10
11
12
13
14
15
16
17
18
19
20
21
22
23
24
26
28
29
30
31
33
25
27
32
34
-X6.HI
-X6.HI
-X6.HI
-X6.HI
1
2
3
4
5
6
7
8
9
10
11
12
13
14
15
16
17
18
19
20
21
22
23
24
26
28
29
30
31
33
25
27
32
34
-X6L
-X6L
-X6L
-X6L
Tr
ailing cable X
Trailing cable X
T
railing cable X
Trailing cable X
Head Power
Head Power
Head Power
Head Power
1
2
3
4
5
6
7
8
9
10
11
12
13
14
15
16
17
18
19
20
21
22
23
24
27
25
26
28
29
30
31
32
33
34
-X3
-X3
-X3
-X3
Tr
ailing cable Y
Trailing cable Y
T
railing cable Y
Trailing cable Y
X motor
X motor
X motor
X motor
1
2
3
4
5
6
7
8
9
10
11
12
13
14
15
16
17
18
19
20
21
22
23
24
27
25
26
28
29
30
31
32
33
34
SCREEN
X_MOTORU
X_MOTORU
X_MOTORV
X_MOTORW
X_MOTORW
X_MOTORU
X_MOTORU
X_MOTORV
X_MOTORV
X_MOTORW
GND_PWR
XTRACKAN
GND
XTRACKB
XTRACKNN
GND
X_MOTORU
X_MOTORU
X_MOTORV
X_MOTORV
X_MOTORW
X_MOTORW
X_MOTORU
X_MOTORV
X_MOTORV
X_MOTORW
X_MOTORW
GND
XTRACKA
XTRACKBN
GND
XTRACKN
X_AXIS_ERROR_24V_N
-X4
-X4
-X4
-X4
Tr
ailing cable Y
Trailing cable Y
T
railing cable Y
Trailing cable Y
Head Power
Head Power
Head Power
Head Power
1
2
3
4
5
6
7
8
9
10
11
12
13
14
15
16
17
18
19
20
21
22
23
24
27
25
26
28
29
30
31
32
33
34
SCREEN
SCREEN
P150V_PWR
P150V_PWR
P150V_PWR
P40V_PWR
P40V_PWR
GND_PWR
GND_PWR
GND_PWR
GND_PWR
GND
GND
P24V
GND
GND
P24V
SCREEN
P150V_PWR
P150V_PWR
P150V_PWR
P150V_PWR
P40V_PWR
P40V_PWR
GND_PWR
GND_PWR
GND_PWR
GND
P24V
GND
GND
P24V
GND
SCREEN
2
4
6
8
10
12
14
16
18
20
22
24
26
28
30
32
3
5
7
9
11
13
15
19
21
23
25
27
29
31
33
1
34
17
-X3.GI
-X3.GI
-X3.GI
-X3.GI
1
2
3
4
5
6
7
8
9
10
11
12
13
14
15
16
17
18
19
20
21
22
23
24
26
28
29
30
31
33
25
27
32
34
-X3.TI
-
X3.TI
-
X3.TI
-
X3.TI
1
2
3
4
5
6
7
8
9
10
11
12
13
14
15
16
17
18
19
20
21
22
23
24
26
28
29
30
31
33
25
27
32
34
2
4
6
8
10
12
14
16
18
20
22
24
26
28
30
32
3
5
7
9
11
13
15
19
21
23
25
27
29
31
33
1
34
17
-X4.GI
-X4.GI
-X4.GI
-
X4.GI
1
2
3
4
5
6
7
8
9
10
11
12
13
14
15
16
17
18
19
20
21
22
23
24
26
28
29
30
31
33
25
27
32
34
-X4.TI
-
X4
.TI
-
X4
.TI
-
X4.TI
1
2
3
4
5
6
7
8
9
10
11
12
13
14
15
16
17
18
19
20
21
22
23
24
26
28
29
30
31
33
25
27
32
34
Trailing cable X
Trailing cable X
T
railing cable X
Trailing cable X
Vision
Vision
Vision
Vision
-X9
-X9
-X9
-X9
1
2
3
4
5
6
7
8
9
10
11
12
13
14
15
16
17
18
19
20
21
22
23
24
27
25
26
28
29
30
31
32
33
34
42V_ILLUM
P24V
42V_ILLUM
42V_ILLUM
42V_ILLUM
POWERFAIL_N
EMERGSTOP_N
X_TEMP_SENS
P24V
GCAN_L
GCAN_H
MCAN_L
MCAN_H
P24V
GND
FDB_GCU_UHM_CH4_MXP/FDB_GCU_HCU_CH4_MXP
FDB_GCU_UHM_CH4_MXN/FDB_GCU_HCU_CH4_MXN
FDB_GCU_UHM_CH5_MXN
FDB_GCU_UHM_CH5_MXP
GND
GND
FDB_GCU_UHM_CH1_MXN/FDB_GCU_HCU_CH1_MXN
GND
FDB_GCU_UHM_CH1_MXP/FDB_GCU_HCU_CH1_MXP
FDB_GCU_UHM_CH1_MXP/FDB_GCU_HCU_CH1_MXP
FDB_GCU_UHM_CH1_MXN/FDB_GCU_HCU_CH1_MXN
FDB_GCU_UHM_CH2_MXP/FDB_GCU_HCU_CH2_MXP
FDB_GCU_UHM_CH2_MXN/FDB_GCU_HCU_CH2_MXN
GND
GND
SCREEN
FDB_GCU_UHM_CH3_MXN/FDB_GCU_HCU_CH3_MXN
FDB_GCU_UHM_CH3_MXP/FDB_GCU_HCU_CH3_MXP
GND
-X7.HI
-X7.HI
-X7.HI
-X7.HI
1
2
3
4
5
6
7
8
9
10
11
12
13
14
15
16
17
18
19
20
21
22
23
24
26
28
29
30
31
33
25
27
32
34
-X9.GI
-X9.GI
-X9.GI
-X9.GI
1
2
3
4
5
6
7
8
9
10
11
12
13
14
15
16
17
18
19
20
21
22
23
24
26
28
29
30
31
33
25
27
32
34
-X7L
-X7L
-X7L
-X7L
Tr
ailing cable Y
Trailing cable Y
T
railing cable Y
Trailing cable Y
Vision
Vision
Vision
Vision
1
2
3
4
5
6
7
8
9
10
11
12
13
14
15
16
17
18
19
20
21
22
23
24
27
25
26
28
29
30
31
32
33
34
42V_ILLUM
POWERFAIL_N
X_TEMP_SENS
GCAN_H
FDB_GCU_UHM_CH5_MXP
FDB_GCU_UHM_CH4_MXP/FDB_GCU_HCU_CH4_MXP
FDB_GCU_UHM_CH1_MXN/FDB_GCU_HCU_CH1_MXN
FDB_GCU_UHM_CH1_MXP/FDB_GCU_HCU_CH1_MXP
FDB_GCU_UHM_CH2_MXN/FDB_GCU_HCU_CH2_MXN
FDB_GCU_UHM_CH3_MXP/FDB_GCU_HCU_CH3_MXP
EMERGSTOP_N
GCAN_L
MCAN_L
GND
FDB_GCU_UHM_CH4_MXN/FDB_GCU_HCU_CH4_MXN
FDB_GCU_UHM_CH1_MXP/FDB_GCU_HCU_CH1_MXP
FDB_GCU_UHM_CH1_MXN/FDB_GCU_HCU_CH1_MXN
FDB_GCU_UHM_CH2_MXP/FDB_GCU_HCU_CH2_MXP
FDB_GCU_UHM_CH3_MXN/FDB_GCU_HCU_CH3_MXN
S1 dip switch 8-pole
2
4
6
8
10
12
14
16
18
20
22
24
26
28
30
32
3
5
7
9
11
13
15
19
21
23
25
27
29
31
33
1
34
17
Gantry 2
Gantry 2
Gantry 2
Gantry 2
-HI
-HI
-HI
-HI
Gantry 2
Head interface 2 TX
Head interf
ace 2 TX
Head interface 2 TX
Head interface 2 TX
03116648
-GI
-GI
-GI
-GI
Gantry 2
Gantry-Interface 2
Gantry
-
I
nterf
ace 2
Gantry
-Interface 2
Gantry-Interface 2
03116147
SCREEN
P150V_PWR
P40V_PWR
GND_PWR
GND
SCREEN
P24V
SCREEN
SCREEN
P150V_PWR
P150V_PWR
P150V_PWR
P150V_PWR
P150V_PWR
P150V_PWR
P40V_PWR
GND_PWR
P40V_PWR
GND_PWR
P40V_PWR
GND_PWR
GND_PWR
GND_PWR
GND_PWR
P24V
P24V
GND
GND
GND
GND
GND
P24V
GND
GND
P24V
P24V
42V_ILLUM
42V_ILLUM
42V_ILLUM
SCREEN
P24V
FDB_GCU_UHM_CH5_MXN
MCAN_H
GND
GND
GND
GND
GND
GND
-X5
-X5
-X5
-X5
Tr
ailing cable Y
Trailing cable Y
T
railing cable Y
Trailing cable Y
Vision
Vision
Vision
Vision
1
2
3
4
5
6
7
8
9
10
11
12
13
14
15
16
17
18
19
20
21
22
23
24
27
25
26
28
29
30
31
32
33
34
42V_ILLUM
42V_ILLUM
P24V
P24V
X_TEMP_SENS
GCAN_H
MCAN_L
GND
FDB_GCU_UHM_CH5_MXN
FDB_GCU_UHM_CH4_MXP/FDB_GCU_HCU_CH4_MXP
GND
FDB_GCU_UHM_CH1_MXN/FDB_GCU_HCU_CH1_MXN
FDB_GCU_UHM_CH1_MXP/FDB_GCU_HCU_CH1_MXP
GND
FDB_GCU_UHM_CH2_MXN/FDB_GCU_HCU_CH2_MXN
FDB_GCU_UHM_CH3_MXP/FDB_GCU_HCU_CH3_MXP
GND
42V_ILLUM
42V_ILLUM
POWERFAIL_N
EMERGSTOP_N
GCAN_L
P24V
MCAN_H
FDB_GCU_UHM_CH5_MXP
GND
FDB_GCU_UHM_CH4_MXN/FDB_GCU_HCU_CH4_MXN
FDB_GCU_UHM_CH1_MXP/FDB_GCU_HCU_CH1_MXP
GND
FDB_GCU_UHM_CH1_MXN/FDB_GCU_HCU_CH1_MXN
FDB_GCU_UHM_CH2_MXP/FDB_GCU_HCU_CH2_MXP
GND
FDB_GCU_UHM_CH3_MXN/FDB_GCU_HCU_CH3_MXN
SCREEN
-X5.GI
-X5.GI
-X5.GI
-X5.GI
1
2
3
4
5
6
7
8
9
10
11
12
13
14
15
16
17
18
19
20
21
22
23
24
26
28
29
30
31
33
25
27
32
34
-X5.TI
-
X5.TI
-
X5.TI
-
X5.TI
1
2
3
4
5
6
7
8
9
10
11
12
13
14
15
16
17
18
19
20
21
22
23
24
26
28
29
30
31
33
25
27
32
34
1535 mm
34x0,14
Flat cable
03112253
03112253
03112253
03112253
-W3
-W3
-W3
-W3
1
2
3
4
5
6
7
8
9
10
11
12
13
14
15
16
17
18
19
20
21
22
23
24
25
26
27
28
29
30
31
32
33
34
1525 mm
34x0,14
Flat cable
03112254
03112254
03112254
03112254
-W4
-W4
-W4
-W4
1
2
3
4
5
6
7
8
9
10
11
12
13
14
15
16
17
18
19
20
21
22
23
24
25
26
27
28
29
30
31
32
33
34
1515 mm
34x0,14
Flat cable
03112255
03112255
03112255
03112255
-W5
-W5
-W5
-W5
1
2
3
4
5
6
7
8
9
10
11
12
13
14
15
16
17
18
19
20
21
22
23
24
25
26
27
28
29
30
31
32
33
34
1400 mm
34x0,14
Flat cable
03112261
03112261
03112261
03112261
-W13
-W13
-W13
-W13
1
2
3
4
5
6
7
8
9
10
11
12
13
14
15
16
17
18
19
20
21
22
23
24
25
26
27
28
29
30
31
32
33
34
1390 mm
34x0,14
Flat cable
03112262
03112262
03112262
03112262
-W14
-W14
-W14
-W14
1
2
3
4
5
6
7
8
9
10
11
12
13
14
15
16
17
18
19
20
21
22
23
24
25
26
27
28
29
30
31
32
33
34
1425 mm
34x0,14
Flat cable
03112263
03112263
03112263
03112263
-W15
-W15
-W15
-W15
1
2
3
4
5
6
7
8
9
10
11
12
13
14
15
16
17
18
19
20
21
22
23
24
25
26
27
28
29
30
31
32
33
34
[Trailing interface]
==GA2+-X3.TI2
==CHm+GA-TI2-X3:17 ==CHm+GA/109.08
[Trailing interface]
==GA2+-X4.TI2
==CHm+GA-TI2-X4:17 ==CHm+GA/110.01
[Trailing interface]
==GA2+-X5.TI2
==CHm+GA-TI2-X5:17 ==CHm+GA/110.04
==HD2+-X3(A1)
[Head-interface to X-Base-adapter]
==HD3+-X3(A1)
[Head-interface to X-Base-adapter]