CP-65(E)第1調整検査手順書第7版..pdf - 第5页
2. 8 各 CAM 角度确认(除*号以外测定不变) ·仅带*号处设置刻度,CAM 轴调整确认时记入。 *Nozzle index *Q 轴 index ( 1ST) Nozzle 上下 C artridge 送出 *余 Tape c utter (3ST) PQ 轴 Clutch 上下 PQ 轴旋转 CAM(R) (10ST) PQ 轴 Clutch 上下 (11ST) Nozzle 上 下 5 (12 ST) *FRQ 轴 Clut…

2. 5.CAM 轴同步确认(以 B 轴的刻度盘确认)
·在 CAM 轴 A 的 FRQ CAM Lever 上架上千分表,确认 Lever 的最低点在 113~258 度,(记入确认表 2.8 项)
·在Nozzle holder上架千分表,确认Nozzle index移动角度在253~133度,(记入确认表2.8项)
·在helical 齿轮上架千分表,确认 Q index 的移动角度在293~83度,(记入确认表2.8项)
·最低点以及移动角度的范围多少有不同,在范围的中心处确认。(容许值±1度)
·A轴的刻度和B轴的刻度一致。
·移动的角度以及动点值,记入确认表。
2. 6. Helical 齿轮 Back lash 的确认
·支持轴 A、F、K、P 各轴在 11st 时、helical 齿轮的 Back lash 用千分表测定,记入确认表。
正确值 0.030~0.080mm
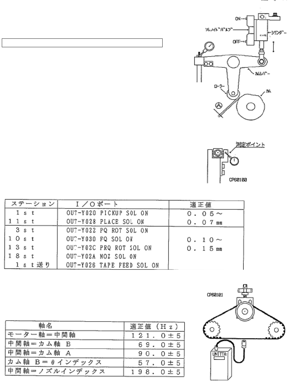
2. 7.3stPQ、13stPRQ 的 Cylinder rod 调整
· 拔掉 Air、确认在 CAM 角度 268 度上、Roller 接触到 CAM 两侧面。
· 不能接触时、在 Cylinder Stroke 上调整。
· Cylinder 配管部的减压阀是 0.35mpa。
· 各 Cylinder Sensor 的确认。Cylinder sensor 在 CAM 角度 216~218 度的之间设置 ON.
( 从 M/C 后部看 PQ、PRQ 共 90 度旋转时是右、270 度旋转时是左,确认 CAM floor 移动之事。
OUT-Y024 PQ ROT,90 DEG (ST3PQ 旋转方向决定 Cylinder 前进指示)
4

2. 8 各 CAM 角度确认(除*号以外测定不变)
·仅带*号处设置刻度,CAM 轴调整确认时记入。
*Nozzle index
*Q 轴 index
( 1ST)
Nozzle 上下 Cartridge 送出
*余 Tape cutter
(3ST)
PQ 轴 Clutch 上下
PQ 轴旋转 CAM(R)
(10ST)
PQ 轴 Clutch 上下
(11ST)
Nozzle 上下
5
(12 ST)
*FRQ 轴 Clutch 上下
(13ST)
FRQ 轴 Clutch 上下
FRQ 轴返回(R)
(18 ST)
Nozzle 替换 Clutch 上下

2. 9 各 CAM lever stoppery 调整
·1ST, 3ST,10ST,11ST,13ST,18ST,CAM Lever 停止用 Stoppery 调整。
·在 CAM 角度 0 度上、调整 Station 的 Solenoid valve 为 ON.
( solenoid valve 是 ON 的话,CAM 和 Roller 接触,OFF 的话脱离)
但是调整轴以外的东西时,Solenoid valve 必需在 OFF 上
·在 CAM Lever 上架上千分表。
·Solenoid valve 在 OFF 上时,千分表的值在以下的范围内
调整 Air Cylinder Stroke.
6
2. 10.CAM 轴 Timing belt Station 测定
·CAM 角度 0 度上,使用张力计(CLAVIS 制)
用张力计在皮带轮未使用的一面、在皮带中央处,进行测定调整。