N7205A110B00.pdf - 第137页
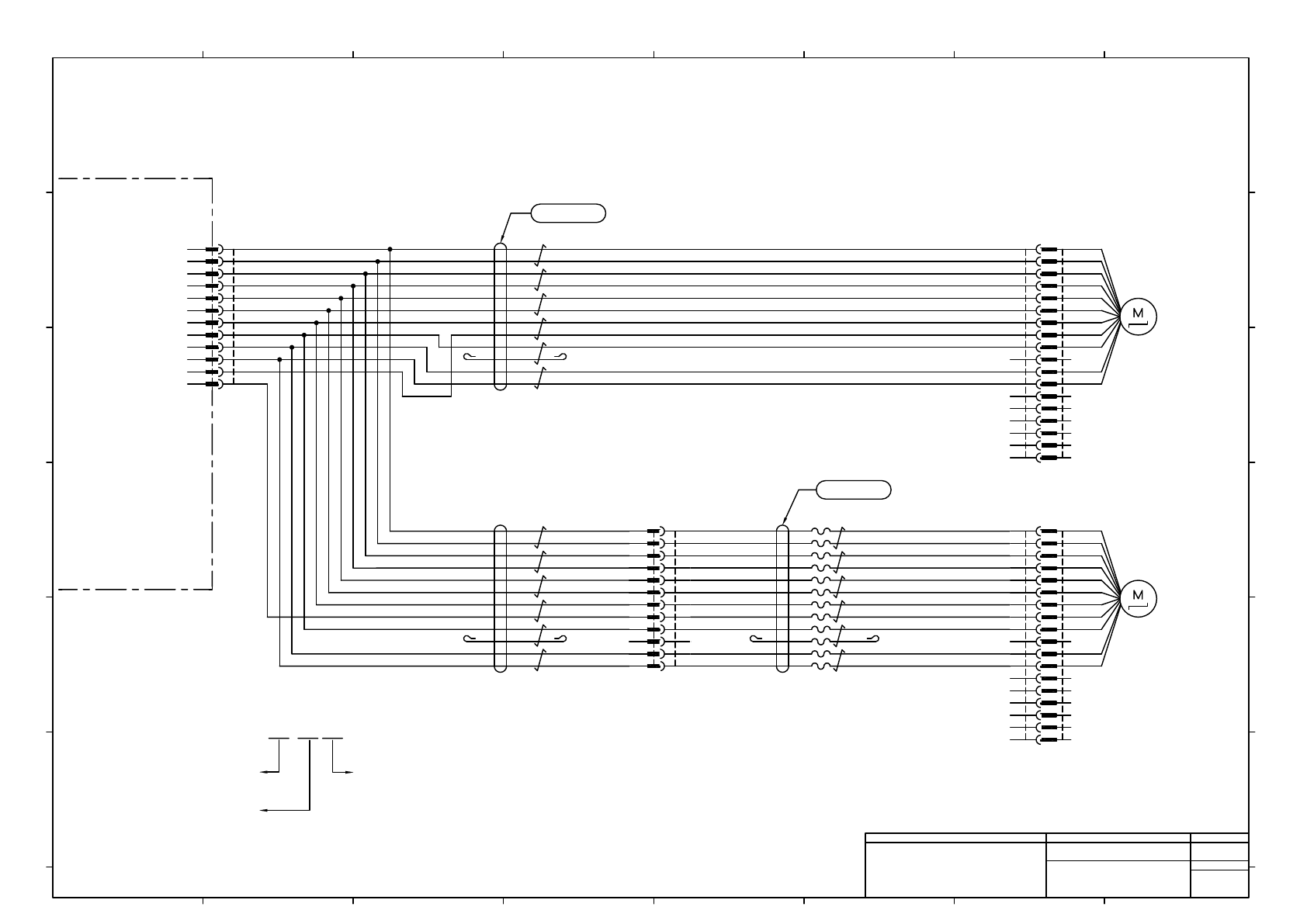
Note1) Connector pin arrangement is not sequential. L2 Right L2 Right +V24(M) GND(M) +24V(C) GND(C) S-REV01 OUT114 S-SPD01 EMG11 D+SUB D-SUB GND(C) N.C. 1 2 3 14 6 4 5 7 8 9 12 13 10 11 15 16 17 18 -M634 P24(M) GND(M) P2…

Note1) Connector pin arrangement is not sequential.
L2 Mount Position1
L2 Mount Position1
+V24(M)
GND(M)
+V24(C)
GND(C)
S-REV02
OUT115
S-SPD02
EMG11
D+SUB
D-SUB
GND(C)
N.C.
1
2
3
14
6
4
5
7
8
9
12
13
10
11
15
16
17
18
-M633
P24(M)
GND(M)
P24(C)
GND(C)
Revers
STR/STP
SPD_H/L
EMG
DATA+
DATA-
CW/CCW
BUSY
OUT1
OUTPUT COM
NC
NC
NC
NC
1
2
3
14
6
4
5
7
8
9
12
13
10
11
15
16
17
18
-M637
P24(M)
GND(M)
P24(C)
GND(C)
Revers
STR/STP
SPD_H/L
EMG
DATA+
DATA-
CW/CCW
BUSY
OUT1
OUTPUT COM
NC
NC
NC
NC
N610164160AB
JST
M602R/M603R(M633R)
PHDR-18VS
18
17
16
15
11
10
13
12
9
8
7
5
4
6
14
3
2
1
Note1)
T/2464-3599 BK LF 6P×24AWG
VT
PK
GY
BK
LB
BN
GN
OG
BU
RD
WH
YE
1
2
3
4
5
6
7
8
9
10
11
12 12
11
10
9
8
7
6
5
4
3
2
1
N610164166AB
2464-1061/ⅡA(PF) LF 6P×24AWG
BN/WH
BN
BU/WH
BU
YE/WH
YE
GN/WH
GN
BK/WH
BK
RD/WH
RD
JST
M606R/M607R(M637R)
PHDR-18VS
18
17
16
15
11
10
13
12
9
8
7
5
4
6
14
3
2
1
AMP
1M606P/1M607P(1M637P)
177913-1
AMP
1M606R/1M607R(1M637R)
177905-1
Note1)
2464-1061/ⅡA(PF) LF 6P×24AWG
BN/WH
BN
BU/WH
BU
YE/WH
YE
GN/WH
GN
BK/WH
BK
RD/WH
RD
MOLEX
1M602R/1M603R(1M633R)
5557-12R-210
1
2
3
4
5
6
7
8
9
10
11
12
MOLEX
1M633P
5559-12P-210
12
11
10
9
8
7
6
5
4
3
2
1
1
1
1
1
Main Body Wiring:NPM-W2
N610169329**:
Transfer Motor
Transfer Motor
(Movable Side)
(Fixed Side)
1
1
2
2
・Dual Conveyor L1
・Single Conveyor (Rear Reference)
・Dual Conveyor L2
・Single Conveyor (Front Reference)
*** / *** (***)
[White Mark Tube]
[White Mark Tube]
[Yellow Mark Tube]
Note2) Relation Between Connector Name and Conveyor Specification
2
Note2) Note2)
Note2) Note2)
Note2)
2
2
2 2 2
Panasonic Factory Solutions Co.,Ltd. パナソニック ファクトリーソリューションズ株式会社
Name
Drawing No.
Loc. No.
F4K1020-05A
1
2 3 4 5 6 7 8
A
B
C
D
E
F
1 2 3 4 5 6 7 8
A
B
C
D
E
F
Page. No.
NPM-W2:Dual Conveyor Unit
Conveyor Motor 7
N610163964+011AC
P011

Note1) Connector pin arrangement is not sequential.
L2 Right
L2 Right
+V24(M)
GND(M)
+24V(C)
GND(C)
S-REV01
OUT114
S-SPD01
EMG11
D+SUB
D-SUB
GND(C)
N.C.
1
2
3
14
6
4
5
7
8
9
12
13
10
11
15
16
17
18
-M634
P24(M)
GND(M)
P24(C)
GND(C)
Revers
STR/STP
SPD_H/L
EMG
DATA+
DATA-
CW/CCW
BUSY
OUT1
OUTPUT COM
NC
NC
NC
NC
1
2
3
14
6
4
5
7
8
9
12
13
10
11
15
16
17
18
-M638
P24(M)
GND(M)
P24(C)
GND(C)
Revers
STR/STP
SPD_H/L
EMG
DATA+
DATA-
CW/CCW
BUSY
OUT1
OUTPUT COM
NC
NC
NC
NC
N610163984AB
JST
M601R/M604R(M634R)
PHDR-18VS
18
17
16
15
11
10
13
12
9
8
7
5
4
6
14
3
2
1
Note1)
T/2464-3599 BK LF 6P×24AWG
VT
PK
GY
BK
LB
BN
GN
OG
BU
RD
WH
YE
1
2
3
4
5
6
7
8
9
10
11
12 12
11
10
9
8
7
6
5
4
3
2
1
N610164146AB
2464-1061/ⅡA(PF) LF 6P×24AWG
BN/WH
BN
BU/WH
BU
YE/WH
YE
GN/WH
GN
BK/WH
BK
RD/WH
RD
JST
M605R/M608R(M638R)
PHDR-18VS
18
17
16
15
11
10
13
12
9
8
7
5
4
6
14
3
2
1
AMP
1M605P/1M608P(1M638P)
177913-1
AMP
1M605R/1M608R(1M638R)
177905-1
Note1)
2464-1061/ⅡA(PF) LF 6P×24AWG
BN/WH
BN
BU/WH
BU
YE/WH
YE
GN/WH
GN
BK/WH
BK
RD/WH
RD
MOLEX
1M634P
5559-12P-210
12
11
10
9
8
7
6
5
4
3
2
1
MOLEX
1M601R/1M604R(1M634R)
5557-12R-210
1
2
3
4
5
6
7
8
9
10
11
12
1
1
1 1
Main Body Wiring:NPM-W2
N610169329**:
Transfer Motor
Transfer Motor
(Movable Side)
(Fixed Side)
1
1
2
2
・Dual Conveyor L1
・Single Conveyor (Rear Reference)
・Dual Conveyor L2
・Single Conveyor (Front Reference)
*** / *** (***)
[White Mark Tube]
[White Mark Tube]
[Yellow Mark Tube]
Note2) Relation Between Connector Name and Conveyor Specification
2
Note2) Note2)
Note2) Note2)
Note2)
2
2
2 2 2
Panasonic Factory Solutions Co.,Ltd. パナソニック ファクトリーソリューションズ株式会社
Name
Drawing No.
Loc. No.
F4K1020-05A
1
2 3 4 5 6 7 8
A
B
C
D
E
F
1 2 3 4 5 6 7 8
A
B
C
D
E
F
Page. No.
NPM-W2:Dual Conveyor Unit
Conveyor Motor 8
N610163964+012AC
P012

L2 Width Adjustment axis Motor
L2 Support Pin Detection (Receiver)
-B1D01T
-B1D01
BU
BK
BN
BU
BN
L2 Support Pin Detection (Projector)
-B1D00
BN
BK
WH
BU
L2 Width Adjustment axis Dual Mode ORG Detection
+V24(M)
GND(M)
+V24(C)
GND(C)
N.C.
N.C.
N.C.
EMG20
D+SUB
D-SUB
+V24(C)
GND(C)
N.C.
N.C.
1
2
3
14
6
4
5
7
8
9
12
13
10
11
15
16
17
18
-M639
P24(M)
GND(M)
P24(C)
GND(C)
-LS
ORG
+LS
EMG
DATA+
DATA-
CW/CCW
BUSY
NC
OUTPUT COM
NC
NC
NC
NC
Note1) Connector pin arrangement is not sequential.
AMP
B1D00R
177900-1
4
3
2
1
AMP
B1D01R
177900-1
4
3
2
1
BN/WH
BN
BK/WH
BK
RD/WH
RD
GN/WH
GN
RD
18
17
16
15
11
10
13
12
9
8
7
5
4
6
14
3
2
1
N610163988AC
RD/WH
FG1B1CD01
R1.25-4
JST
FGB1CD01
R1.25-4
JST
WH
GN
RD
BK
Note1)
JST
M609R(M639R)
PHDR-18VS
YE/WH
YE
BK
BK/WH
2464-1061/ⅡA(PF) LF 2P×24AWG
2464-1061/ⅡA(PF) LF 5P×24AWG
N610163989AB
T/2464-3599 BK LF 4×24AWG
AMP
1B1C01P(1B1D01P)
177908-1
4
3
2
1
AMP
B1C01P(B1D01P)
177908-1
4
3
2
1
AMP
1B1C01R(1B1D01R)
177900-1
4
3
2
1
UL1007 24AWG BU
UL1007 24AWG BU
UL1007 24AWG BU
BU
BU
UL1007 24AWG BU BU
BU
UL1007 24AWG BU BU
RD
RD/WH
BK
BK/WH
2464-1061/ⅡA(PF) LF 2P×24AWG
AMP
B1C02P
177908-1
4
3
2
1
AMP
B1C00P(B1D00P)
177908-1
4
3
2
1
AMP
B1C03P
177908-1
4
3
2
1
MOLEX
1M639P
5559-14P-210
14
13
12
11
10
9
8
7
6
5
4
3
2
1
MOLEX
1M609R/1M639R(1M639R)
5557-14R-210
1
2
3
4
5
6
7
8
9
10
11
12
13
14
AMP
1B1C02R
177900-1
4
3
2
1
BU
N610163985AB
UL1007 24AWG BU
1
1
1
Main Body Wiring:NPM-W2
N610169329**:
1
2
2
・Dual Conveyor L1
・Single Conveyor (Rear Reference)
・Dual Conveyor L2
・Single Conveyor (Front Reference)
*** / *** (***)
[White Mark Tube]
[White Mark Tube]
[Yellow Mark Tube]
Note2) Relation Between Connector Name and Conveyor Specification
2
Note2)
2
Note2)
2
Note2)
2
Note2)
2
Note2)
2
Note2)
2
Panasonic Factory Solutions Co.,Ltd. パナソニック ファクトリーソリューションズ株式会社
Name
Drawing No.
Loc. No.
F4K1020-05A
1
2 3 4 5 6 7 8
A
B
C
D
E
F
1 2 3 4 5 6 7 8
A
B
C
D
E
F
Page. No.
NPM-W2:Dual Conveyor Unit
Width Adjustment Axis 2
N610163964+013AC
P013