N7205A110B00.pdf - 第29页
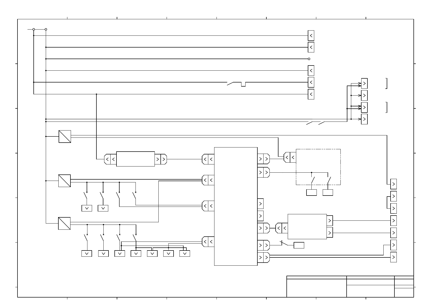
Panasonic Factory Solutions Co.,Ltd. パナソニック ファクトリーソリューションズ株式会社 Name Drawing No. Loc. No. F4K1020-05A 1 2 3 4 5 6 7 8 A B C D E F 1 2 3 4 5 6 7 8 A B C D E F Page. No. NPM-W2:Power Unit Wiring (Block Diagram) MTKA001180+0…

Panasonic Factory Solutions Co.,Ltd. パナソニック ファクトリーソリューションズ株式会社
Name
Drawing No.
Loc. No.
F4K1020-05A
1 2 3 4 5 6 7 8
A
B
C
D
E
F
1 2 3 4 5 6 7 8
A
B
C
D
E
F
Page. No.
NPM-W2:Power Unit Wiring
(Block Diagram)
MTKA001180+002AA
P002
-K121 G9SC-400-CNP4E-PF
-K221 -K223
Safety Relay
Power Failure Sub Board
-K323 PNF0AN
-T122
AC200
DC24
-T123
AC200
DC24
-F125 -F126 -F127
-F129
-T121
AC200
DC24
HEAD1PW HEAD2PW CARTF1 CARTR2
-K222
G111
PUMP
Main Air Valve
CPUAC
TRAY.PR
Safety Relay
To Opening Sensor
-K122 G9SC-PF
-K222
3~200V
-X111
LCVL
LC1,LC2
-K221 -K223
CNP2 (To RX-Axis Motor Driver)
CNP1K502
CNP2 (To FX-Axis Motor Driver)
ILK Board
-K321 PNF0B4
CNEMGF
CNEMGR
CNEXR01
CNEXL01
SC6
B4010AC
CNP2K502
CNP1AK512
CNP1K504
CNP2K504
CNP1AK514
-X112
CN1
CNX2
SC4
SC5
CNEMGCOV
CNMC2
CNRLY1
CNMC1
CNSR1
CNX1
CN3D
CN24V
CN-CART
CARTR3 CARTR1 SC7
CN1
CN1
CN3
(RX)
(TX)
OPT1
OPT2
-F124 -F128 -F122
-F123
(To RY-Axis
To I/O Board
To NCIO
Motor Driver)
(To FY-Axis
Motor Driver)

AC INPUT
-X111
TB-X111(F002680)
PHOENIX CONTACT
L11
L11
L21
L21
L31
L31
L11
L11
L21
L21
L31
L31
L11bX1
AI1.5-10BK
PHOENIX CONTACT
L31eX1
EeX1
L11fX1
AI4-10GY
L21cX1
L31cX1
EmX1
EnX1
L21bX1
L31bX1
L21fX1
L31fX1
L11cX1
L11eX1
L21eX1
EbX1
EfX1
EhX1
AI2.5-10BU
EjX1
EkX1
AI4-10GY
PHOENIX CONTACT
L11dX1
L21dX1
L31dX1
EgX1
To
Tray Feeder
R2-4
JST
FG1TRAY.PR
UE/2501E-SBX(N)[Y/G] Black LF 3×16AWG
BK2
BK1
GN/YE
R5.5-4
JST
FGTRAY.PR
E3
P007-6F
E5
P004-3F
E1
P004-1B
E4
P004-4E
E7
P004-4D
E6
P004-3F
L11-1
P006-2B
L21-1
P006-2C
L31-1
P006-2C
E8
P004-6C
L111
P004-1B
L31
P004-1A
L21
P004-1A
L11
P004-1A
L11-2
P007-1B
L21-2
P007-1B
L31-2
P007-1B
UL1015 16AWG BK BK
UL1015 12AWG BK BK
UL1015 12AWG BK BK
UL1015 12AWG BK BK
UL1015 12AWG BK BK
UL1015 12AWG BK BK
UL1015 12AWG BK BK
UL1015 14AWG BK BK
UL1015 12AWG GN/YE GN/YE
UL1015 16AWG GN/YE GN/YE
N610169434AA
N610169483AB
N610169484AB
N610169485AB
N610169482AB
N610169486AB
N610169487AA
N610169488AA
N610169489AA
N610169500AC
N610169501AC
EaX1
L11aX1
L21aX1
L31aX1
EdX1
To K323
To K221
To B4010AC
To T121
To T123
To G111
To T122
To T122
MOLEX
TRAY.PR
51300-0414
B2
B1
A2
A1
L11-3
P007-1D
L21-3
P007-1D
L31-3
P007-1D
E10
P007-1D
5
4
FK5.5-S4
JST
6
R5.5-4
JST
From
Noise Filter
-V01
From
Earth Plate
-X001
UL1015 12AWG BK
UL1015 12AWG BK BK
BK
UL1015 12AWG BK BK
UL1015 12AWG GN/YE GN/YE
N610169481**
N610169481**
N610169442**
N610169449**
N610169496**
N610169490**
N610169491**
N610169492**
5.5-S4
JST
To K222
To X112
N610169411**
N610169410**
1
1
1
1
1
1
1
2
2
Panasonic Factory Solutions Co.,Ltd. パナソニック ファクトリーソリューションズ株式会社
Name
Drawing No.
Loc. No.
F4K1020-05A
1
2 3 4 5 6 7 8
A
B
C
D
E
F
1 2 3 4 5 6 7 8
A
B
C
D
E
F
Page. No.
NPM-W2:Power Unit Wiring
(AC200V Input & Branch)
MTKA001180+003AD
P003
3
3