N7205A110B00.pdf - 第38页
UL1007 22AWG BU UL1007 22AWG BU -K121 G9SC-400-CNP4E OMRON CN1 1 2 3 4 5 6 7 8 9 10 11 12 13 14 15 16 T22 T12/T31 N.C N.C T21 T32 N.C N.C COM T11 2 1 4 3 A2 A1 CN2 1 2 3 4 5 6 7 8 9 10 13 23 33 43 N.C 14 24 34 44 N.C -K3…

UL1015 14AWG BU
UL1007 20AWG BU
UL1007 20AWG BU
UL1007 20AWG BU
UL1007 20AWG BU
UL1007 20AWG BU
UL1015 14AWG BU
To
Multi Recognition Camera
(Front)
To
Multi Recognition Camera
(Rear)
To
I/O Board
-F125
CP31FI/5(CCC)
(5A)
1 2 1 2
Fuji Electric FA Components & Systems
2aF125
FK1.25-4
JST
FK2-4
JST
1aF125
R1.25-4
JST
FGLC1
R1.25-4
JST
FGLC2
UL1015 14AWG BU BU
UL1007 20AWG BU BU
BU
BU
UL1015 18AWG BK
BK
BU
BU
P24(1)T123 P009-6C
UL1007 20AWG BU
BU
UL1007 20AWG BU BU
-F126
CP31FI/5(CCC)
(5A)
1 2 1 2
Fuji Electric FA Components & Systems
BU
UL1007 20AWG BU BU
UL1007 20AWG BU BU
UL1007 20AWG BU BU
UL1007 20AWG BU
BU
UL1007 20AWG BU BU
UL1015 18AWG BK
BK
UL1007 20AWG BU
BU
BU
2aF126
FK1.25-4
JST
FK2-4
JST
1aF126
2bF126
G24(2)T123 P009-6D
G24(3)T123 P009-6D
G24(4)T123 P009-6D
N610169455AC
MOLEX
LC1
5559-06P-210
6
5
4
3
2
1
MOLEX
LC2
5559-06P-210
6
5
4
3
2
1
MOLEX
LCVL
5559-10P-210
10
9
8
7
6
5
4
3
2
1
UL1007 20AWG BU BU
N610169456AC
G24(1)T123 P009-6C
UL1007 20AWG BU
BU
UL1015 14AWG BU BU
1bF125
1bF126
P24(2)T123 P009-6C
P24(3)T123 P009-6D
P24(4)T123 P009-6D
From DX212
From EX212
1
1
Panasonic Factory Solutions Co.,Ltd. パナソニック ファクトリーソリューションズ株式会社
Name
Drawing No.
Loc. No.
F4K1020-05A
1
2 3 4 5 6 7 8
A
B
C
D
E
F
1 2 3 4 5 6 7 8
A
B
C
D
E
F
Page. No.
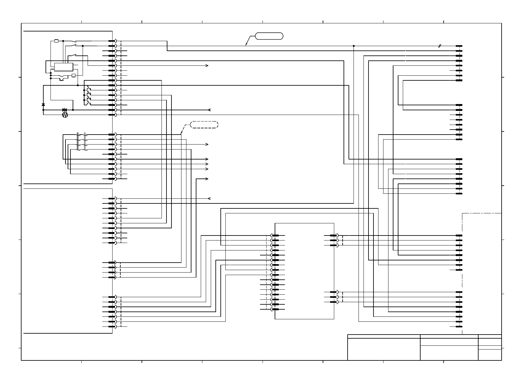
NPM-W2:Power Unit Wiring
(Camera Wiring)
MTKA001180+010AC
P010
2
2

UL1007 22AWG BU
UL1007 22AWG BU
-K121
G9SC-400-CNP4E
OMRON
CN1
1
2
3
4
5
6
7
8
9
10
11
12
13
14
15
16
T22
T12/T31
N.C
N.C
T21
T32
N.C
N.C
COM
T11
2
1
4
3
A2
A1
CN2
1
2
3
4
5
6
7
8
9
10
13
23
33
43
N.C
14
24
34
44
N.C
-K321
PNF0B4
Safety Relay
-K122
G9SC-PF
OMRON
CN1
1
2
3
4
5
6
7
8
9
10
11
12
13
14
15
16
K1OUT
K1OUT
K1K2OUT
GND
GND
K2OUT
K2OUT
K1K2OUT
P24
P24
P24
G24
RL1
CN2
P24
G24
RL2
CN3
Safety Connection
CNRLY1
1
2
3
4
5
6
7
24GND
IN020
24GND
24GND
IN021
24VOUT
24GND
K2 K1
K2
K2
Control
Circuit
K2
K1
K1
SA
TH
a
a
K1
CNSR1
1
2
3
4
5
6
7
8
9
10
SR_RST1
SR_RST1COM
SR_RST2
SR_RSTCOM2
24VOUT
IN026
IN027
N.C.
24VOUT
24GND
22aK223 P006-7C
-Va1T122 P004-6E
To
SC1R
(P012)
CNMC1
1
2
3
4
POWER ON1
POWER ON2
24VOUT
GND
BU
To
Extension
Conveyor
(Left)
To
Extension
Conveyor
(Right)
To
SC2R
(P013)
1
2
3
1
2
3
To
SC3R
(P015)
CN2K121-3
P014-4B
CN2K121-8
P014-4B
A1aK221
P006-2C
A1aK223
P006-2D
21aK221
P006-2C
UL1007 22AWG BU BU
BU
UL1007 22AWG BU BU
UL1007 22AWG BU BU
A2aK221
P006-2C
OMRON
CN1K121
XG5N-161-U
1
2
3
4
5
6
7
8
9
10
11
12
13
14
15
16
MOLEX
CNMC1K321
5557-04R-210
4
3
2
1
JST
CNRLY1K321
PAP-07V-S
7
6
5
4
3
2
1
MOLEX
CNEXR01
5559-08P-210
8
7
6
5
4
3
2
1
JST
CN2K121
XHP-10
1
2
3
4
5
6
7
8
9
10
MOLEX
CNSR1K321
5557-10R-210
1
2
3
4
5
6
7
8
9
10
MOLEX
SC1P
5559-08P-210
8
7
6
5
4
3
2
1
MOLEX
SC2P
5559-08P-210
8
7
6
5
4
3
2
1
MOLEX
SC3P
5559-08P-210
8
7
6
5
4
3
2
1
MOLEX
CNEXL01
5559-08P-210
8
7
6
5
4
3
2
1
N610169457AC
AMP
CN2K122
177899-1
3
2
1
MOLEX
CN1K122
43025-1600
16
15
14
13
12
11
10
9
8
7
6
5
4
3
2
1
AMP
CN3K122
177899-1
3
2
1
UL1007 22AWG BU
BU
UL1007 22AWG BU
BU
UL1007 22AWG BU
BU
UL1007 22AWG BU
BU
UL1007 22AWG BU
BU
UL1007 22AWG BU
BU
UL1007 22AWG BU
BU
UL1007 22AWG BU
BU
UL1007 22AWG BU
BU
UL1007 22AWG BU
BU
UL1007 22AWG BU
BU
N610169454**
ILK Board
To K221
From T122
To CARTR2
To K221
To K223
To CARTR2
To K221
From K223
UL1007 22AWG BU
BU
UL1007 22AWG BU
BU
UL1007 20AWG BU
BU
UL1007 22AWG BU
BU
UL1007 22AWG BU
BU
UL1007 22AWG BU
BU
UL1007 20AWG BU
BU
UL1007 22AWG BU
BU
UL1007 20AWG BU
BU
UL1007 20AWG BU
BU
UL1007 20AWG BU BU
UL1007 22AWG BU
BU
UL1007 22AWG BU
BU
UL1007 22AWG BU
BU
UL1007 22AWG BU
BU
UL1007 22AWG BU
BU
UL1007 22AWG BU
BU
UL1007 22AWG BU
BU
UL1007 22AWG BU
BU
UL1007 22AWG BU
BU
UL1007 22AWG BU
BU
UL1007 20AWG BU
BU
UL1007 20AWG BU
BU
UL1007 20AWG BU
BU
UL1007 22AWG BU
BU
1
1
1
1
1
1
1
1
1
2
Panasonic Factory Solutions Co.,Ltd. パナソニック ファクトリーソリューションズ株式会社
Name
Drawing No.
Loc. No.
F4K1020-05A
1
2 3 4 5 6 7 8
A
B
C
D
E
F
1 2 3 4 5 6 7 8
A
B
C
D
E
F
Page. No.
NPM-W2:Power Unit Wiring
(ILK Board Connection)
MTKA001180+011AD
P011
3

UL1007 20AWG BU
UL1007 20AWG BU
UL1007 20AWG BU
UL1007 22AWG BU
From SC1P (P011)
+VaT122 P004-6E
To
Emagency
Switch &
Safety
Switch(Front)
To
Emagency
Switch &
Safety Switch
(Rear)
-K321
PNF0B4
ILK Board
CNEMGCOV
1
2
3
4
5
6
7
8
9
10
11
12
13
14
15
16
17
18
BU
JST
CNEMGCOVK321
PUDP-18V-S
1
2
3
4
5
6
7
8
9
10
11
12
13
14
15
16
17
18
MOLEX
SC1R
5557-08R-210
8
7
6
5
4
3
2
1
MOLEX
CNEMGF
5559-14P-210
14
13
12
11
10
9
8
7
6
5
4
3
2
1
MOLEX
CNEMGR
5559-14P-210
14
13
12
11
10
9
8
7
6
5
4
3
2
1
N610169499AC
UL1007 22AWG BU BU
UL1007 22AWG BU BU
UL1007 22AWG BU BU
UL1007 22AWG BU BU
UL1007 22AWG BU BU
UL1007 22AWG BU BU
UL1007 22AWG BU BU
From T122
UL1007 22AWG BU BU
UL1007 22AWG BU BU
UL1007 22AWG BU BU
UL1007 22AWG BU BU
Return
Contact Input(IN017)
G24
GND
GND
GND
GND
GND
Contact Input
Contact Input(IN010)
24VOUT
24VGND
Contact Input(IN011)
24VOUT
Contact Output(VL012)
24VGND
Contact Input(IN014)
Contact Input(IN015)
N.C.
UL1007 20AWG BU BU
UL1007 20AWG BU BU
UL1007 20AWG BU BU
UL1007 20AWG BU BU
UL1007 20AWG BU BU
UL1007 20AWG BU BU
BU
BU
BU
UL1007 20AWG BU BU
UL1007 20AWG BU BU
UL1007 20AWG BU BU
1
1
1
1
1
1
1
1
1
1
1
1
1
Panasonic Factory Solutions Co.,Ltd. パナソニック ファクトリーソリューションズ株式会社
Name
Drawing No.
Loc. No.
F4K1020-05A
1
2 3 4 5 6 7 8
A
B
C
D
E
F
1 2 3 4 5 6 7 8
A
B
C
D
E
F
Page. No.
NPM-W2:Power Unit Wiring
(Safety SW Connection)
MTKA001180+012AC
P012
2